Elements de les instal·lacions fotovoltaiques
Les plaques fotovoltaiques en les instal·lacions fotovoltaiques és l’element captador de la radiació solar i l’encarregat de transformar l’energia solar en electricitat mitjançant l’efecte fotovoltaic.
Tot i així, les instal·lacions fotovoltaiques requereixen tot un seguit d’elements complementaris, que són necessaris per a garantir la funcionalitat de la instal·lació, així com el control i la durabilitat d’aquesta.
Placa fotovoltaica
La cèl·lula solar només és capaç de generar una tensió d’unes dècimes de volt (aproximadament 0,5 V) i una potència màxima d’1 a 6 W. Per tant, és necessari connectar en sèrie diverses cèl·lules (que es comporten com petits generadors de corrent) per aconseguir tensions i potències adequades a les necessitats de les instal·lacions.
En aquest sentit les cèl·lules s’agrupen en configuracions majoritàriament en sèries, convenientment encaixades i protegides, que constitueixen la placa fotovoltaica (figura), element de la instal·lació solar fotovoltaica encarregat de transformar d’una manera directa l’energia de la radiació solar en electricitat en forma de corrent continu.
Les característiques d’un mòdul fotovoltaic quedaran determinades per la tipologia de la cèl·lula, la superfície del mòdul i la connexió de les cèl·lules entre elles.
Característiques elèctriques de la placa fotovoltaica
Les característiques elèctriques de la placa fotovoltaica, com en el cas de la cèl·lula, s’estableixen a partir d’unes condicions universals de treball anomenades condicions estàndards de mesura (CEM), concretades en els següents paràmetres:
- Irradiància solar 1000 W/m2
- Distribució espectral: AM 1,5 G
- Temperatura de la cèl·lula 25ºC
Basant-se en aquestes condicions de mesura, s’estableix la potència nominal o pic de la placa i alhora es descriu la corba característica del mòdul intensitat-tensió (I-V), dades que s’han de reflectir en l’etiqueta de característiques de la placa.
Com en la cèl·lula fotovoltaica podem identificar els següents paràmetres elèctrics bàsics de la placa fotovoltaica:
- Potència nominal del mòdul: La potència nominal de la placa quedarà determinada pel punt de màxima potència amb una radiació de 1000 W/m2, de manera que aquest valor és el valor estàndard de prova i d’homologació de les plaques.
- Intensitat de màxima potència (Imax):És el valor de la intensitat que pot oferir el mòdul quan les condicions de càrrega li permeten treballar a la seva màxima potència.
- Tensió de màxima potència (Vmax):És el valor de la tensió que pot oferir el mòdul a la seva màxima potència.
- Intensitat de curtcircuit (Isc):És el corrent que produeix el mòdul quan és forçat a treballar a un voltatge zero, és a dir, amb un curtcircuit en els seus contactes elèctrics. A nivell experimental, es mesura amb un amperímetre connectat a la sortida dels borns del mòdul. El valor varia de forma proporcional en funció de la radiació solar a la qual està exposat. És important saber que aquesta mesura no és destructiva, ja que la intensitat resultant és la màxima que poden produir les cèl·lules i per a la qual estan preparades.
- Tensió de circuit obert (Voc):És la tensió màxima que pot donar el mòdul, obtinguda quan no hi ha cap càrrega connectada (circuit obert, corrent zero). Aquest valor s’obté amb un voltímetre en els seus terminals quan no hi ha un altre element connectat. El valor obtingut pot ser més gran que el valor de la tensió nominal del mòdul i, per tant, cal usar una escala adequada.
Connexions de plaques
Tenint en compte que la potència d’una placa FV té un valor fix, quan es calculen les potències d’una instal·lació, sovint cal fer servir un determinat nombre de plaques solars fotovoltaiques per assolir la potència i tensió necessària.
En aquest cas les connexions d’aquestes plaques segueixen les normes bàsiques de les connexions elèctriques: es poden connectar en sèrie, en paral·lel i combinant les dues per tal d’aconseguir sumar la potència dels mòduls connectats i adaptar el funcionament al voltatge del circuit de consum.
Connexions en sèrie de plaques FV
En aquest tipus de connexió, es connecta el terminal positiu d’un mòdul al terminal negatiu del mòdul següent i així successivament fins a acabar la sèrie completa. La sortida del conjunt serà entre el terminal positiu del darrer mòdul i el negatiu del primer.
La intensitat de corrent d’aquesta connexió es manté constant i igual a la d’un mòdul, de manera que l’augment de potència s’aconsegueix mantenint la intensitat que pot donar un mòdul i augmentant la tensió. Aquesta és igual a la suma de totes les tensions dels mòduls connectats (figura).
Exemple de connexió en sèrie
La figura mostra la connexió sèrie de 4 plaques fotovoltaiques. La potència del generador (PGEN) és independent del tipus de connexió. Com que el generador està format per 4 plaques (N), la potencia que resulta és de 1.000 W:
Com que estan connectades en sèrie, el corrent del generador ISC GENERADOR coincideix amb el d’un dels panells ISC, ja que tots són iguals:
A l’estar connectades en sèrie, la tensió del generador serà la suma de les tensions de cada panell. Com que tots els panels són iguals i hi ha quatre (N) connectats en sèrie, la tensió de circuit obert del generador (VOC GENERADOR ) és:
Connexions en paral·lel de plaques FV
Consisteix a connectar, d’una banda, els terminals positius de tots els mòduls i, de l’altra, tots els terminals negatius. La sortida del conjunt serà entre el terminal positiu i el negatiu de qualsevol mòdul.
En la connexió en paral·lel (figura) la intensitat elèctrica generada en el mòdul fotovoltaic se suma a la generada pels altres mòduls, de manera que l’augment de potència es basa en el manteniment del voltatge que pot donar un mòdul i la suma d’intensitats generades pel voltatge dels mòduls connectats.
Cal destacar que l’augment d’intensitat produeix un augment de les pèrdues per efecte Joule (escalfor dels conductors), fet que obliga a muntar conductors de molta secció per tal que puguin suportar intensitats elevades.
Exemple de connexió en paral·lel
La figura mostra la connexió en paral·lel de 4 plaques fotovoltaiques.
La potència del generador (PGEN) és de 1.000 W:
En la connexió en paral·lel, totes les plaques tenen la mateixa tensió, per tant la tensió de circuit obert del generador fotovoltaic (VOC GEN) és:
Com que tots els panels són iguals i hi ha quatre (N), el corrent de curtcircuit del generador (ISC GEN ) és:
Connexions mixtes de plaques FV
Sovint fem connexions mixtes sèrie-paral·lel, atès que hem de treballar a un voltatge determinat i tindrem un nombre concret de mòduls.
En aquest cas, connectem en sèrie el nombre de mòduls que ens generi el voltatge de funcionament i connectarem en paral·lel el nombre de grups que faci falta per a assolir la potència necessària, amb una configuració com la que podeu observar en la figura.
Cal destacar que el fet d’agrupar grups de plaques en sèrie fa que si alguna de les plaques té menor producció que la resta, tota la seva línia es veurà afectada.
Exemple de connexió mixta
La figura mostra la connexió mixta de quatre plaques fotovoltaiques formada per dues branques de dues plaques en sèrie.
La potència del generador (PGEN> és de 1.000 W:
En la connexió mixta, la tensió del generador serà igual a la tensió d’una de les branques, ja que totes són iguals i tenen 2 plaques solars (N=2) en sèrie. Per tant la tensió de circuit obert del generador fotovoltaic (VOC GEN) és:
El corrent del generador serà la suma del corrents de cada branca. Com que hi ha dues branques (M=2), el corrent de curtcircuit del generador (ISC GEN) és:
Díodes de pas a les plaques votovoltaiques
Les caixes de connexions dels mòduls disposen d’un díode (bypass), connectat en antiparal·lel entre els seus borns. Aquest díode dóna un pas alternatiu al corrent generat pels mòduls connectats en sèrie en cas de fallada d’aquest, ja sigui per avaria o perquè li toca l’ombra.
En situacions d’ombrejament les cèl·lules o plaques es converteixen en una càrrega resistiva que dificulta el pas del corrent generat per les altres plaques o cèl·lules de la sèrie. Tota la filera en sèrie queda fora de servei o en baixa producció, cosa que perjudica el rendiment de la instal·lació en consumir energia per efecte Joule.
Per exemple en el cas d’ombrejament d’una placa connectada en una sèrie de plaques, aquesta passaria a ser consumidora i, per tant, restaria voltatge en comptes de sumar a la sèrie. Aleshores, el díode de la placa afectada quedarà polaritzat i serveix de pont al pas del corrent elèctric, tal com s’indica a la figura.
Quan la placa és alliberada són il·luminats pel Sol, el flux de corrent elèctric passa a través de les cèl·lules que integren el mòdul. No pot passar a través del díode, ja que la seva polaritat és inversa i té l’ànode (+) a un voltatge inferior al càtode (-), tal com es mostra en la figura.
Estructures de suport de les plaques
L’estructura de suport de les plaques és un dels elements de la instal·lació que estarà sotmès a importants esforços mecànics i a un alt nivell d’agressió ambiental. Per això cal que aquests factors es considerin en el disseny i en el muntatge d’una instal·lació solar fotovoltaica, per tal de reduir la fatiga mecànica i la degradació de l’estructura.
En aquest sentit es poden utilitzar una sèrie de materials força específics per a les estructures de suport, entre els quals cal destacar: l’acer inoxidable, l’alumini, el ferro galvanitzat amb una capa protectora de com a mínim 80 micres, fusta tractada, etc. Però el cargolam haurà de ser d’acer inoxidable, que haurà de complir la norma MV-106. En el cas que l’estructura sigui galvanitzada, s’admetran cargols galvanitzats, exceptuant la subjecció dels mòduls a la mateixa estructura, que seran d’acer inoxidable.
-

- Plaques fotovoltaiques, ancorades sobre lloses de formigó sobreposades a la coberta
Pel que fa al tipus d’ancoratge per a una estructura de suport, aquest dependrà del format de la base de què disposem (coberta, terrat, façana o sobre un tub). També dependrà de les forces que hi actuïn a sobre com a conseqüència de la pressió del vent a què es trobi sotmès.
En cas de muntatge sobre cobertes planes l’opció més segura es basa en la utilització de contrapesos prefabricats per a l’ancoratge. Aquestes peces donen estabilitat a l’estructura a causa del seu pes únicament; per tant, no serà necessari perforar la coberta
Per a instal·lacions petites, el mercat ofereix unes solucions senzilles, que consisteixen en calaixos de plàstic que s’omplen de material pesant (runa, sorra, pedres, blocs de ciment…) a sobre dels quals es fixen les plaques.
En els casos en què les cobertes siguin d’uralita o bé siguin cobertes metàl·liques, s’haurà d’estudiar la possibilitat d’incorporar una estructura autosuportant subjectada sobre les columnes laterals o les bigues transversals.
Estructures mòbils
Les estructures mòbils amb accionament manual estan totalment desaconsellades perquè necessiten un seguiment intensiu per part de l’usuari i això s’ha demostrat del tot ineficaç.
-

- Estructures muntades sobre coberta sandvitx
D’altra banda, hi ha sistemes de suport mòbils d’accionament automàtic que permeten el seguiment continu de la trajectòria solar mitjançant posicionadors electromecànics.
Aquests sistemes tenen una bona implantació en grans instal·lacions fotovoltaiques de connexió a la xarxa perquè poden augmentar la producció energètica fins a un 35%, sempre que l’estructura i el mecanisme de seguiment garanteixin una bona solidesa mecànica, siguin robustes i ofereixin fiabilitat.
Però en aquest cas, caldrà avaluar altres factors en la implantació d’aquestes estructures com poden ser: l’augment del cost global de la instal·lació i l’augment d’ocupació d’espai, que en el cas del muntatge de diverses unitats la projecció d’ombres d’aquests equips augmentarà entre un 30% i 70% respecte a la projecció d’ombra de les estructures fixes.
Per aquest motiu, tot i que els sistemes de seguiment solar permeten un augment de la producció només seran recomanables en les instal·lacions en què el balanç econòmic cost instal·lació-producció energètica sigui veritablement favorable als sistemes amb seguiment o en els casos que el seguiment sigui un requeriment del tipus de placa a utilitzar.
Pel que fa a tipologies de seguidors solars, podem diferenciar bàsicament:
-

- Seguidor solar de dos eixos
- Els seguidors d’un eix
- Els seguidors a dos eixos
Tipologies d’instal·lacions solars fotovoltaiques
Per a identificar la resta d’elements de les instal·lacions fotovoltaiques caldrà diferenciar clarament la tipologia d’instal·lació.
La figura mostra les diferents tipologies d’instal·lacions solars fotovoltaiques:
Instal·lacions d'autoconsum
En les instal·lacions d’autoconsum si la demanda elèctrica de l’edifici és superior a la generació fotovoltaica s’importarà la diferencia des de la xarxa de distribució elèctrica.
- Instal·lació solar fotovoltaica aïllada. Sistema solar fotovoltaic recolzat per bateries on no hi ha una connexió física entre el sistema solar fotovoltaic i la xarxa de distribució elèctrica. S’utilitza en llocs on és costós fer arribar la xarxa de distribució elèctrica.
- Instal·lació solar fotovoltaica connectada a la xarxa. Són instal·lacions que estan interconnectades amb la xarxa de distribució elèctrica i hi treballen en paral·lel. Depenent de la configuració i ús podem classificar-les de la manera següent:
- Instal·lacions de producció elèctrica. L’energia elèctrica generada es ven directament a la companyia elèctrica.
- Instal·lacions d’autoconsum. L’energia generada s’utilitza per al consum instantani, de manera que si en algun moment no s’utilitza tota l’energia, es pot vendre l’excedent a la xarxa (instal·lació amb excedent) o no (instal·lació sense excedent).
A més a més, les instal·lacions autoconsum tenen dues configuracions diferents:
- Sense bateries: L’energia generada s’utilitza per al consum instantani, de manera que si en algun moment no s’utilitza tota l’energia generada, es ven l’excedent a la xarxa.
- Amb bateries: L’excedent d’energia generada s’aprofita per carregar les bateries de la instal·lació, de manera que quan es necessiti, la instal·lació s’alimentarà des de les bateries. Les instal·lacions amb bateries permeten emmagatzemar energia quan el consum energètic de la instal·lació es menor que l’energia que genera el camp fotovoltaic, amb l’objectiu de utilitzar l’energia emmagatzemada en els moments que hagi una demanda energètica més gran que l’energia fotovoltaica instantània generada.
En tots dos casos, quan sigui necessari, la instal·lació s’alimentarà des de la xarxa de distribució elèctrica.
Les instal·lacions d’autoconsum amb bateries són més cares i complexes, per tant tarden més temps en amortitzar-se.
Cada una d’aquestes tipologies cobreix un tipus de necessitats ben diferenciades i requereix elements força diferenciats.
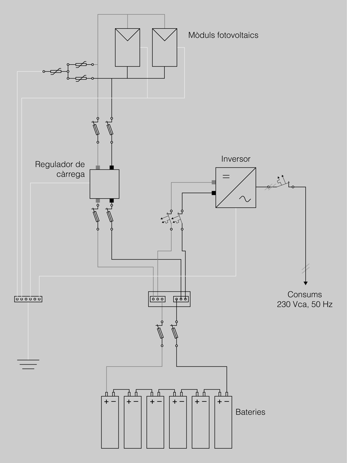
Elements específics de les instal·lacions fotovoltaiques autònomes
Les instal·lacions fotovoltaiques autònomes estaran destinades al subministrament elèctric allà on el cost del manteniment i instal·lació de les línies elèctriques no és rendible, és a dir, per a instal·lacions aïllades de la xarxa elèctrica.
Les instal·lacions solars fotovoltaiques autònomes (figura) disposaran dels següents elements bàsics:
- Acumuladors d’energia elèctrica
- Reguladors de càrrega
- Convertidors d’energia elèctrica per a aplicacions autònomes
Acumuladors d'energia elèctrica o bateries
En les instal·lacions fotovoltaiques autònomes, cal emmagatzemar l’energia captada durant les hores de radiació solar a fi de poder cobrir el subministrament durant les hores que no n’hi ha (cicle diari i cicle estacional).
Per això les instal·lacions fotovoltaiques autònomes requereixen sistemes d’acumulació d’energia que:
- Subministraran energia en absència de radiació: nits i dies amb núvols, cicle diari i cicle estacional.
- Mantindran estable de voltatge la instal·lació: la tensió a la sortida de les plaques varia en funció de la radiació incident i la càrrega connectada, per la qual cosa la connexió directa a plaques no és massa viable en la major part de les ocasions.
- Subministraran una potència instantània, o durant un temps limitat, superior a la que el camp de plaques podria generar encara en el millor dels casos. És el cas de l’engegada de motors, com per exemple pot ser el motor d’una nevera.
Tipus d'acumuladors
Els acumuladors o bateries utilitzades tradicionalment en les instal·lacions solars fotovoltaiques són les de tipus plom-àcid, formats per uns elèctrodes (plaques) de plom com a material bàsic immersos en una solució electrolítica (aigua amb àcid sulfúric).
D’entre els acumuladors electroquímics de plom àcid disponibles en el mercat cal destacar dues tipologies:
- Acumuladors estacionaris tubulars (figura) (construïts amb plaques tubulars i reixes amb baix contingut d’antimoni): format per un únic vas de 2 V. Això permet fabricar bateries de molta capacitat ja que en el mateix evolvent només hi ha un vas. Normalment s’utilitzaran quan les necessitats són elevades. Són els ideals per a instal·lacions solars, atès que han estat dissenyades per a ser descarregades lentament i recarregades quan hi hagi disponibilitat d’energia.
- Acumuladors compactes o tipus monobloc (figura): Normalment són bateries de 12 V formades per una combinació de 6 vasos de 2 V en sèrie en un mateix envolvent. Com que hi ha sis vasos la capacitat que es pot aconseguir en aquest cas és limitat. També les podem trobar de 6 V i 24 V.
- Les bateries de tracció (figura) (estan pensades per a moure vehicles i carretons elèctrics): són més econòmiques que les estacionàries i poden donar un bon servei en instal·lacions fotovoltaiques, sempre que es tingui en compte que requereixen un manteniment més freqüent.
Actualment, a més a més de les bateries de àcid-plom s’utilitzen d’altres tipus:
Pes de les bateries
Un desavantatge de les bateries d’àcid-plom és el seu pes. A partir d’una capacitat de 300 Ah aproximadament s’utilitzen bateries tubulars de 2 V, i s’instal·len en sèrie fins aconseguir la tensió nominal de la instal·lació (12V, 24V o 48V).
- Bateries d’àcid-plom. Les bateries tubulars són de dos volts i es poden aconseguir bateries monobloc compactes associant-les en serie i paral·lel per obtenir la tensió i capacitat desitjada. La vida útil d’aquest tipus de bateria està per sota de 10 anys i cal evitar les descàrregues profundes (no s’aprofita completament tota la capacitat d’una bateria). Per això, en el dimensionament s’aconsella que la profunditat de descarrega no sigui superior a 50%.
- Bateries de tipus gel o AGM. Bateries semblants a les bateries d’àcid plom, però són estanques i no requereixen manteniment. La seva vida útil és una mica superior als 10 anys.
- Bateries d’ió-liti. Actualment són de les bateries més utilitzades ja que admeten sobrecarregues profundes i , per tant, no cal sobredimensionar-les. És a dir, la profunditat de descarrega pot ser del 100 %. La seva vida útil és d’uns 15 anys i no requereixen manteniment. La tensió nominal de cada cel·la d’una bateria de liti és de 3,16 V. Per aconseguir tensions nominals més grans les cel·les es connecten en sèrie per aconseguir bateries de 12,8 V (4 cel·les en sèrie) i 25,6 V (8 bateries) en sèrie.
Principi bàsic de funcionament de la bateria de plom àcid
Quan un acumulador de plom-àcid rep corrent elèctric, el sulfat de plom adherit a les plaques es transforma en plom que continua en les plaques i en àcid sulfúric que passa a l’electròlit, tal com reflecteix la següent fórmula de procés.
En el moment de la descàrrega el procés s’inverteix; per tant, l’àcid sulfúric es combina amb el plom de les plaques fins a formar sulfat de plom.
Circuit equivalent
Al conjunt format per una parella d’elèctrodes (ànode o positiu fet de diòxid de plom, PbO2 i càtode o negatiu fet de plom) en bany electrolític (aigua destil·lada amb una concentració d’1/3 d’àcid sulfúric) se l’anomena cel·la o vas de bateria i té com a característica principal la capacitat de mantenir una diferència de potencial elèctric nominal de 2 V (variable en un cert rang en funció del seu estat de càrrega, 1,85 a 2,40 V).
La bateria és, doncs, un generador de voltatge, a diferència de la cèl·lula solar, que ho és d’intensitat. Les bateries reals es diferencien de les ideals o teòriques, en què porten associada una resistència en sèrie amb el generador de voltatge, tal com es pot apreciar en la figura.
Aquesta resistència sèrie, interna, provoca caigudes de tensió segons la llei d’Ohm quan és travessada pel corrent, tant en el procés de càrrega com de descàrrega.
De manera que podem definir el voltatge de la bateria en funció de l’estat en què es trobi de la següent manera:
- Voltatge en repòs: és el voltatge en el moment en què la bateria no rep càrrega ni tampoc alimenta consums, aleshores VB serà igual al VBI , ja que en no passar intensitat no hi ha caiguda de tensió per efecte de la resistència sèrie.
- Voltatge en càrrega: és el voltatge quan la bateria rep corrent dels mòduls solars, aleshores VB és igual al VBI més la caiguda de tensió en la resistència sèrie; per tant, aquest valor sempre serà superior al voltatge de repòs.
- Voltatge en descàrrega: és el voltatge de la bateria quan aquesta alimenta els consums, aleshores VB serà igual a VBI menys la caiguda de tensió en la resistència interna; per tant, sempre serà inferior a la de repòs.
A mesura que anem carregant la bateria, hi ha més concentració d’àcid de sulfúric en l’electròlit i, per tant, augmenta el valor de VBI, mentre que baixa el valor de la resistència interna.
Quan la bateria s’està descarregant, aleshores el procés s’inverteix, cada cop hi ha més sulfat adherit a les plaques de plom i menys àcid dissolt, baixa el valor de VBI, mentre que augmenta la resistència interna al pas del corrent.
En aquest sentit és important conèixer que, quan es connecta l’acumulador als mòduls FV, el voltatge de l’acumulador determina el voltatge de funcionament dels mòduls. Així, doncs, la corba de funcionament dels mòduls tindrà un punt de funcionament condicionat per la tensió de l’acumulador i no a l’inrevés, de manera que el valor de la potència que dóna el mòdul s’ajusta en funció de la tensió de l’acumulador connectat.
El primer gràfic de la figura mostra una corba I-V típica d’una placa fotovoltaica indicant el punt de màxima potència, mentre que en el segon gràfic es mostra la corba de la mateixa placa però s’indica la potència de treball de la placa amb una tensió condicionada per l’acoblament sobre una bateria. Com es pot observar, la potència emesa per la placa acoblada a la bateria és inferior a la que es pot obtenir si es treballen en el punt de màxima potència.
Paràmetres identificatius d'una bateria
Un cop establerta la tipologia i format de l’acumulador, cal identificar els paràmetres característics d’aquest, que permetran definir el funcionament de l’equip en la instal·lació i els requeriments de manteniment.
Podem resumir com a paràmetres mes significatius:
- Capacitat (Ah): màxima quantitat d’electricitat que pot emmagatzemar. En la pràctica, i per a evitar danys irreversibles a la bateria, tan sols pot proporcionar una part de la capacitat total, que anomenem capacitat útil. La capacitat útil depèn del tipus d’acumulador i de les condicions de treball, però sol tenir valors des del 40% fins al 80% de la capacitat màxima.
La quantitat d’electricitat que pot proporcionar un acumulador també depèn del temps de descàrrega, de manera que la capacitat serà més gran com més lentament es produeixi la descàrrega.
La capacitat de la bateria s’expressa en ampers hora(Ah).Valors associats aC5, C25, C100, que representa els temps de descàrrega sobre el qual s’ha establert la capacitat de la bateria (C5 = descàrrega en 5 hores). - Profunditat de descàrrega: és el tant per cent sobre la capacitat màxima de l’acumulador que es pot extreure de la bateria en condicions normals. És un terme molt variable que depèn molt del tipus d’acumulador i que influeix en la seva vida útil.
- Vida útil: se sol mesurar en cicles (més que en anys), de manera que un cicle és un procés complet de càrrega-descàrrega (fins a arribar a la profunditat de descàrrega recomanada). Si suposem un cicle mitjà d’un cicle per dia i un acumulador ben mantingut, hauria de durar un mínim de 10 anys.
- Autodescàrrega: és un fenomen pel qual un acumulador, per causes diverses, es descarrega lentament però de manera contínua i sense estar connectat a un circuit extern.
Durant el funcionament d’una bateria hi ha dos conceptes semblants que ens permeten identificar el nivell de càrrega d’una bateria (vegeu la figura):
- SOC (State of Charge): estat de càrrega. Indica com de plena està una bateria.
- DOD (Deep of Discharge): profunditat de descàrrega. Indica com de buida està una bateria.
Associació de bateries
Les especificacions dels acumuladors d’una instal·lació vindrà determinada per la capacitat necessària i per la tensió nominal de la instal·lació. Per tant, en ocasions caldrà connectar entre si diferents bateries per aconseguir el resultat desitjat.
Per aconseguir la tensió necessària sovint utilitzarem la connexió en sèrie de diferents bateries:
- Com que estan en sèrie, cada bateria contribueix a la tensió total.
- Com que estan en sèrie i el corrent que subministra cadascuna és el mateix, la capacitat total de l’associació és la mateixa que la d’una bateria.
Associació en serie de bateries
En l’exemple de la figura s’associen 6 bateries de 2 V en sèrie per aconseguir els 12 V nominals d’una instal·lació. La capacitat total no varia (500 Ah).
Sovint no trobem en el mercat bateries amb la capacitat necessària, per tant s’utilitzarà una connexió en paral·lel:
- Com que estan en paral·lel, la tensió de sortida serà la mateixa que la d’una bateria.
- Com que estan en paral·lel, cada bateria contribuirà al corrent total que subministra i per tant, la capacitat total de l’associació és la suma de la capacitat de cada bateria.
Associació en paral·lel de bateries
En l’exemple de la figura s’utilitzen bateries compactes de 12 V de capacitat 400 Ah, però la capacitat que necessitem en una instal·lació és de 800 Ah. Com que no trobem en el mercat bateries d’aquesta capacitat s’opta per connectar dues bateries en paral·lel:
La tensió de l’associació es manté a 12 V:
En la connexió mixta de bateries la tensió de la associació depèn del nombre de bateries (N) que formen cada branca, mentre que la capacitat total depèn del nombre total de branques (M).
Associació mixta de bateries
En l’exemple de la figura s’utilitzen bateries compactes de 6 V de capacitat 200 Ah.
Com que la tensió nominal que se necessita és de 12 V, s’utilitzen branques de dues bateries:
La capacitat nominal de cada branca es manté a 200 Ah.
Quan associen dues d’aquestes branques, la capacitat nominal de la connexió es duplica:
Regulador de càrrega
A primera vista sembla que una instal·lació solar fotovoltaica només necessiti mòduls fotovoltaics (per a la generació del corrent elèctric) i d’acumuladors (per a emmagatzemar l’electricitat fins al moment que calgui consumir-la). Tot i que aquest concepte intuïtiu podria ser vàlid, hi ha un element clau en les instal·lacions, que és l’encarregat que tant el procés de càrrega com descàrrega dels acumuladors es realitzi de manera que l’acumulador estigui sempre dins de les condicions correctes de funcionament. Aquest element és el regulador de càrrega.
Cal considerar que les plaques solars es dissenyen perquè puguin donar una tensió més elevada que la tensió de final de càrrega de les bateries. Així, s’assegura que les plaques sempre estan en condicions de carregar la bateria, fins i tot quan la temperatura de les cel·les de la bateria sigui alta i es produeixi una disminució del voltatge generat.
Aquesta sobretensió té dos inconvenients:
- D’una banda, es perd una petita part de l’energia màxima teòrica, que pot donar la placa (10%), que s’obtindria si treballés a tensions una mica més altes que les que imposa la bateria.
- D’altra banda, quan la bateria arribi al seu estat de plena càrrega, la placa seguirà aportant energia a la bateria, cosa que produirà una sobrecàrrega que perjudicarà la bateria i que la pot fer malbé.
El regulador de càrrega (figura) s’encarrega de regular el corrent que absorbeix la bateria per tal que mai se sobrecarregui perillosament. Per aquest motiu, detecta i mesura constantment el voltatge de la bateria, mesura el seu estat de càrrega i, si aquest arriba a un valor de consigna prèviament establert corresponent al valor de tensió màxima admesa, actua tallant el flux de corrent cap a la bateria o bé deixa que en passi tan sols una part per mantenir-la en estat de plena càrrega, sense sobrepassar-se. Aquest corrent mínim s’anomena de flotació i es dóna quan la bateria està a plena càrrega i rep només l’energia suficient per a mantenir-la en aquest estat (que en períodes llargs compensarà l’autodescàrrega).
La funcionalitat bàsica del regulador en una instal·lació fotovoltaica es concretarà en:
- Protecció contra sobrecàrregues de l’acumulador (tall per alta): aquesta és la funció bàsica del regulador. Evita que la bateria s’escalfi, que es perdi aigua de l’electròlit per evaporació.
- Desconnexió per bateria baixa (tall per baixa): aquesta funció fa que el regulador talli el subministrament de corrent cap als consums en corrent continu si el nivell de càrrega de l’acumulador és massa baix; per tant, corre el perill d’una descàrrega profunda, fet que originaria problemes de sulfatació.
- Protecció contra curtcircuits: aquesta funció permet, mitjançant un fusible, protegir el regulador mateix, així com la sortida de l’acumulador de patir intensitats elevades en cas de curtcircuit en algun dels circuits de consum de la instal·lació.
- Díode de bloqueig, que permet el pas de corrent en un sol sentit des de les plaques a la bateria i no en sentit contrari. Aquest díode és necessari quan la radiació és baixa i la tensió de la bateria és superior a la de les plaques, així s’evita que la bateria es descarregui per les plaques solars. És important no confondre aquest díode de bloqueig amb el díode de bypass (variant) de les plaques, ja que les funcions que realitzen són ben diferents.
- Visualització de funcions: la majoria de reguladors tenen algun sistema visual que permet obtenir informació sobre l’estat de la instal·lació, bé sigui simplement amb uns indicadors dient que les plaques estan donant corrent, si la bateria està carregada o descarregada, o bé més acuradament per mitjà d’indicadors dels nivells actuals de càrrega, voltatge de bateries…
Tipus de reguladors
Tot i que hi ha reguladors de diferents tecnologies, per raons d’adaptació del mercat, actualment predominen les dues tecnologies següents:
- Regulador PWM (Pulse Width Modulation). Aquest tipus de regulador utilitza la tècnica anomenada PWM per carregar la bateria a partir de la tensió del generador fotovoltaic. Aquest regulador actua com un interruptor modulat, fet que condiciona que la tensió del camp de panells tingui un valor proper a la tensió de final de càrrega de la bateria:
- La regulació només es produeix quan la tensió d’entrada és més gran que la tensió de càrrega de les bateries, desaprofiten-se part de l’energia generada la qual és proporcional a la diferència entre la tensió de bateria i la tensió MPPT del panell.
- En les instal·lacions que utilitzen un regulador PWM, la tensió del generador s’ha d’adaptar a la tensió nominal del sistema acumulador.
- Reguladors amb seguiment de màxima potència (figura): Aquesta és la versió més sofisticada dels reguladors que hi ha al mercat, ja que incorpora un convertidor DC/DC a la sortida dels mòduls solars, cosa que permet aïllar el voltatge de treball dels mòduls del voltatge de les bateries. D’aquesta manera, els mòduls poden treballar en el seu punt de màxima potència i, per tant, al màxim rendiment possible. Altres avantatges d’aquest tipus de reguladors són:
- Poder utilitzar panells de tensions diferents a les requerides per a la càrrega de bateries, com per exemple panells dissenyats específicament per anar connectats a la xarxa.
- Configurar camps de panells amb tensions elevades que permeten reduir la secció de cables o les pèrdues per caiguda de tensió en els panells.
Convertidors d'energia elèctrica cc/ca per a aplicacions autònomes
En les instal·lacions fotovoltaiques autònomes que requereixen un subministrament d’energia elèctrica en corrent altern, caldrà incorporar-hi equips que transformin el corrent continu amb valors baixos de tensió subministrats per les bateries en corrents alterns de valors de tensió normalitzats en baixa tensió (230 V monofàsics o 400 V trifàsics). Aquests equips són els inversors (també coneguts com a onduladors).
Requeriments bàsics del convertidor per a instal·lacions autònomes
En les instal·lacions fotovoltaiques els convertidors (figura) han de garantir un subministrament d’energia elèctrica en AC, d’una qualitat equivalent a la que s’exigeix a la xarxa elèctrica convencional.
Per això cal que en la selecció dels convertidors es considerin els següents paràmetres com a imprescindibles per al bon funcionament de la instal·lació:
- Estabilitat del voltatge de sortida/entrada: s’admeten variacions de fins al 10% per a convertidors d’ona quadrada i del 5% per a convertidors d’ona sinodal. Són valors que les normes admeten per al voltatge de les xarxes elèctriques convencionals, independentment de la potència demanada per al consum. D’altra banda, en instal·lacions amb acumuladors, la tensió d’entrada no podrà ser mai superior al 125% ni inferior al 85% de la tensió nominal d’entrada del convertidor.
- Tipus d’ona: normalitzat amb una ona sinusoïdal pura.
- Capacitat de sobrecàrrega (potències punta) i de protecció tèrmica: molt útil en instal·lacions amb motors, ja que en el moment d’engegada es pot duplicar la potència necessària per al funcionament nominal, encara que només durant uns segons. Cal tenir en compte que qualsevol motor, a l’hora d’engegar, pot consumir un corrent fins a cinc vegades la intensitat nominal i que, per regla general, és entre dues i tres vegades.
- Eficiència energètica o rendiment del convertidor: és la relació entre l’energia que facilita el convertidor als consums en corrent altern i l’energia que necessita aquest convertidor d’entrada (de la bateria). Si el convertidor dissenyat per a una potència determinada treballa en una fracció d’aquesta potència, el rendiment baixarà. S’ha d’exigir a un convertidor sinusoïdal un rendiment del 70% treballant a un 20% de la potència nominal i del 85% quan treballi a una potència superior al 40% de la nominal.
- Engegada automàtica i estat en espera: permet que les parts de potència del mateix convertidor es desconnectin en absència de consums i es tornin a connectar en el moment que detectin una demanda energètica per sobre d’un nivell llindar prèviament fixat.
- Protecció contra la inversió de polaritat i curtcircuits: opcions bàsiques, ateses les possibilitats d’error o de funcionament defectuós dels circuits de consum que són elevades durant la vida del convertidor.
- Baixa distorsió harmònica: paràmetre relacionat amb la qualitat de l’ona generada. Els harmònics normalment s’eliminen per mitjà de filtres, encara que això comporti pèrdues. La variació de la freqüència de la tensió de sortida serà inferior al 3% de la nominal.
- Possibilitat de ser combinat en paral·lel: permetrà un possible creixement de la instal·lació i de la potència de consum.
- Bon comportament amb la variació de la temperatura: marge d’operació entre -5 ºC i 40 ºC.
Evidentment aquestes instal·lacions hauran d’incorporar totes les proteccions elèctriques normalitzades per a aquest tipus d’instal·lacions, tal com es recull en les ITC corresponents.
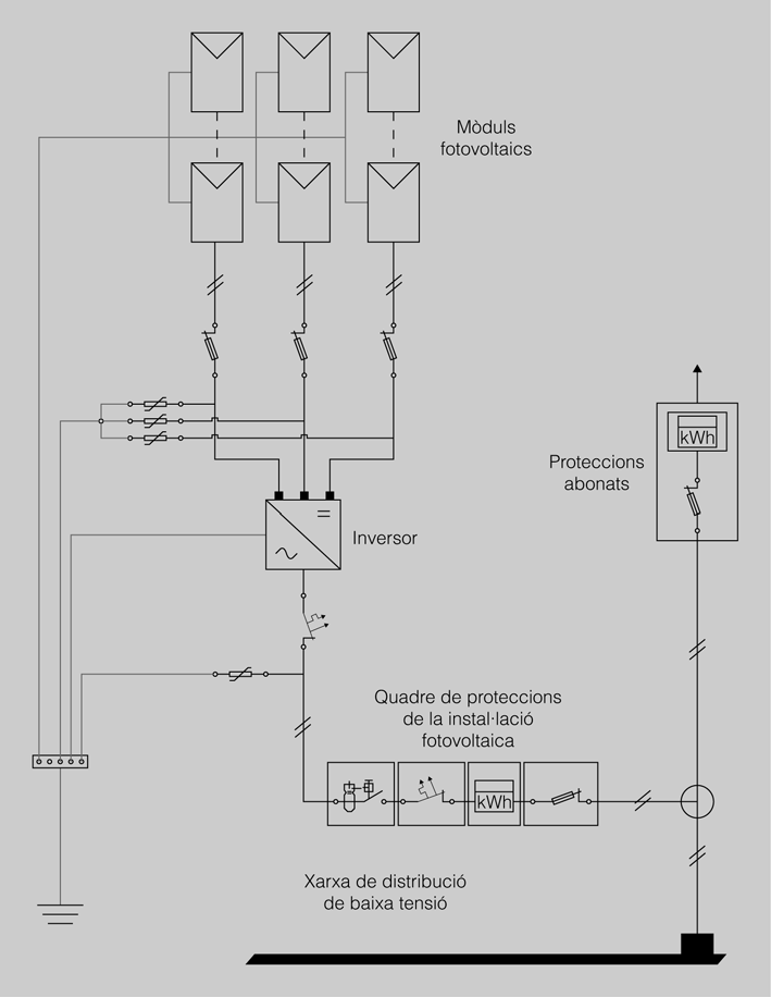
Elements específics de les instal·lacions fotovoltaiques connectades a la xarxa
Aquesta tipologia d’instal·lació fotovoltaica fa referència a petites centrals generadores d’electricitat en baixa tensió que estan connectades a la xarxa de distribució d’electricitat.
Les instal·lacions solars fotovoltaiques connectades a la xarxa de distribució disposaran dels elements bàsics que es mostren en la figura.
Convertidor de connexió a la xarxa
En qualsevol instal·lació fotovoltaica de connexió a la xarxa, l’inversor és la base del sistema. És molt important tenir-ne clares les característiques tècniques d’aquest: potència, rangs de treball, tensió DC-AC, freqüència i potència màxima assolida. Aquests paràmetres determinaran la configuració de la resta d’elements, així com la de la instal·lació fotovoltaica.
En general en el mercat podem trobar un ampli ventall de convertidors (figura) amb multitud d’opcions, però en aquest cas és necessari prioritzar que els equips a seleccionar han d’estar homologats i hauran de complir com a mínim les característiques següents:
- Funcions bàsiques requerides:
- Transformar la CC del generador fotovoltaic en CA en BT, sincronitzant-la amb la xarxa.
- Regular el punt de treball del generador fotovoltaic (tensió i corrent) per a seguir el punt de màxima potència, que varia en funció de les condicions de radiació i temperatura.
- Característiques mínimes requerides:
- Rendiment mínim del 90% en condicions de funcionament nominals.
- Capacitat de suportar la tensió de circuit obert i la intensitat de curt circuit del generador fotovoltaic.
- Factor de potència no inferior al 95% i baix nivell d’harmònics.
- Compliment de la reglamentació sobre les limitacions en les emissions electromagnètiques.
- Homologació i marcatge CE compliment de les directives (DC 89/ 336/CEE) i (DC 73/23/CEE).
- Proteccions mínimes necessàries:
- Desconnexió de la xarxa per fallades de tensió, freqüència o fase amb un retard a la connexió de 3 min.

- Protecció per sobre intensitat i sobre tensió.
- Interruptor de desconnexió en càrrega.
- Transformador d’aïllament o algun altre sistema de separació galvànica entre la xarxa i la instal·lació fotovoltaica. Amb una rigidesa dielèctrica de com a mínim 2.500 V.
Encara que no ho especifiqui la normativa, és força interessant per al manteniment i seguiment de les instal·lacions que els convertidors incorporin sistemes de visualització, monitorització i control de les dades i paràmetres de funcionament de tota la instal·lació. La pantalla de visualització en els equips i el programari per a monitorització en l’ordinador són cada vegada més importants per al manteniment preventiu de les instal·lacions.
Punt de connexió a la xarxa
Les companyies elèctriques habitualment estableixen els punts d’interconnexió amb la xarxa. En aquest tipus de sistemes, en les instal·lacions muntades en edificis, el punt de connexió estarà determinat per la potència i les característiques d’aquestes:
Xarxa interior
Des de la CGP cap a l’interior de l’edifici (autoconsum).
Xarxa exterior
Des de la CGP cap a l’exterior de l’edifici.
- Potència < 100 kW: en aquestes instal·lacions, en les quals una part o la totalitat de l’energia produïda pugui ser consumida en el mateix edifici, la instal·lació es realitzarà en la xarxa interior, en concret en la derivació individual de l’abonat, entre el comptador i la caixa de protecció i comandament.
- Potència > 100 kW: aquestes instal·lacions, o aquelles sense consum en el propi edifici, se situaran en paral·lel amb la connexió ja instal·lada per al consum de l’edifici o de la construcció establerta —en la qual normalment ja es troben els comptadors de consums— i/o a un punt localitzat per la mateixa companyia.
Aquesta connexió a la companyia distribuïdora la verificarà la companyia pertinent, de manera que hi ha la possibilitat de canvis en la connexió cap a altres punts de la mateixa línia si així es determinés. D’aquesta forma, de vegades pot haver-hi una certa distància (centenars de metres) des del quadre fins al punt que especifiqui la companyia.
-

- Punt de connexió d'una instal·lació monofàsica
Normes generals d'aplicació en la unió a la xarxa
La potència màxima de la planta no pot excedir més del 50% de la potència nominal del transformador de la subestació elèctrica o de la capacitat de la mateixa xarxa definida en la zona de la connexió.
No s’acceptaran connexions d’instal·lacions que produeixin caigudes de tensió provocades per la connexió-desconnexió superiors al 2%.
Evidentment, aquests punts d’unió a la xarxa comercial s’han de dissenyar de forma que les pèrdues de rendiment acumulades per la planta solar amb tot el periple que es pot produir des que es genera un kWh fins que s’injecta a la xarxa elèctrica siguin minimitzats. L’elecció d’equips inversors, cables i escomeses, transformadors i control en la reducció de les hores de paralització de la planta per diversos factors han d’estar ben gestionats i informats.
Els armaris de proteccions i/o quadre de connexions tenen la funció d’incloure els instruments de mesura de l’energia produïda i consumida, així com les proteccions elèctriques (seccionador automàtic, contactor magnetotèrmic i diferencial). Aquests elements de protecció poden ser redundants en relació amb els que ja adopten els mateixos inversors en el seu disseny per tal d’evitar tant la pertorbació de la xarxa elèctrica a causa d’una mala qualitat com la pertorbació de la producció solar envers els danys que el mateix sistema pugui produir a l’equipament interconnectat com a la resta d’usuaris de la xarxa.




























