Programació mitjançant Grafcet d'instal·lacions automatitzades controlades per autòmats programables
El funcionament de les instal·lacions automatitzades es pot definir mitjançant circuits combinacionals o seqüencials.
Un circuit combinacional és un sistema lògic en el qual les sortides, en un moment donat, depenen només dels valors binaris de les entrades; correspon a la realització física de les funcions booleanes i, per tant, es pot definir mitjançant la taula de veritat. Per implementar els circuits combinacionals senzills es poden utilitzar portes lògiques, circuits integrats que tenen funcions més complexes, i els quals és més freqüent la combinació de diferents circuits integrats.
Un automatisme seqüencial és aquell en què les sortides en cada instant no depenen únicament de les entrades, sinó que també depenen dels estats anteriors i de la seva evolució.
El Grafcet és una de les diferents maneres en què es pot representar un quadern de càrregues, com els diagrames de flux, diagrames espai-fase, espai-temps, etc. necessaris, entre altres motius, per les dificultats que comporta la descripció d’automatismes seqüencials de manera literal, que acostuma a ser un procés llarg, incòmode, imprecís i a vegades incomplet. Grafcet descriu les especificacions tecnològiques i funcionals d’una instal·lació i permet l’estudi de l’automatisme de manera rigorosa i fàcil d’aplicar a la indústria.
El Grafcet és un diagrama funcional que permet descriure els comportaments de l’automatisme en relació amb les informacions que rep, defineix un funcionament rigorós, clar i entenedor, i evita incoherències, bloquejos o conflictes en el funcionament.
Quadern de càrregues
Nom genèric que reben tots els gràfics que representen el funcionament dels automatismes seqüencials.
El Grafcet (gràfic funcional de comandament d’etapes i transicions), fou creat l’any 1970 fruit de la col·laboració de dues empreses elèctriques, Telemecanique i Aper, i dues associacions, AFCET (Associació Francesa per a la Cibernètica, Economia i Tècnica) i ADEPA (Agència Nacional per al Desenvolupament de la Producció Automatitzada), totes franceses. El mes de juny de 1982 es va crear la norma francesa UTE NF C 03-190 Grafcet per a la descripció dels sistemes lògics de comandament. Actualment és un mètode homologat a França i Alemanya, amb la norma DIN, i l’any 1988 es reconegué amb la norma internacional IEC 848, però no amb el nom de Grafcet sinó amb el terme preparació de diagrames funcionals per a sistemes de control. Avui dia és una eina imprescindible per automatitzar processos seqüencials complexos mitjançant PLC.
Representació del Grafcet
Un Grafcet és una successió d’etapes que tenen les seves accions associades de manera que quan l’etapa està activa es duen a terme les accions que hi té associades.
Les etapes estan unides mitjançant línies d’unió i, enmig de cada línia, entre dues etapes, hi ha una transició, i a cada transició correspon una receptivitat, és a dir, una condició que s’ha de complir per poder franquejar la transició. Es diu que una transició està validada quan l’etapa immediatament anterior està activa, i que en aquest moment si la receptivitat associada es compleix la transició és franquejable. En franquejar una transició es desactiven totes les etapes anteriors i s’activen les posteriors.
Les etapes inicials es representen amb doble línia i s’han d’activar automàticament en posar en marxa el sistema. En la figura podeu veure la representació d’un Grafcet amb els elements que el configuren.
Nivells del Grafcet
En funció del tipus de descripció que feu en el Grafcet, s’estableixen tres nivells d’especificació. En la taula podeu veure representats aquests tres nivells.
| Grafcet de nivell 1 | Grafcet de nivell 2 | Grafcet de nivell 3 |
|---|---|---|
| Descripció funcional Es descriuen els moviments que fa la instal·lació. | Descripció tecnològica Es representen els símbols dels components. | Descripció operativa Es representen les entrades i sortides del PLC. |
- Descripció funcional: En el primer nivell es fa una descripció global de l’automatisme en què es reflecteixen els moviments que fa la instal·lació i que permeten comprendre’n ràpidament el funcionament. És el tipus de gràfic que faríeu per explicar de manera concreta i entenedora el que voleu que faci la instal·lació als tècnics que l’han de dissenyar.
En aquest nivell no es fa cap referència a les tecnologies utilitzades, és a dir, no s’especifica si la comporta s’obrirà utilitzant un cilindre pneumàtic o un motor, ni quin tipus de detector senyalitzarà que la comporta està oberta. En la figura teniu representat un gràfic de nivell 1 amb la descripció funcional. - Descripció tecnològica: En aquest nivell es fa una descripció a escala tecnològica i operativa de l’automatisme, representant els símbols que corresponen als components de la instal·lació que fan els moviments; per tant, han de quedar perfectament definides les tecnologies utilitzades per a cada funció i les tasques que han de dur a terme els elements escollits.
En la figura podeu observar que és un gràfic idèntic al de nivell 1, substituint la descripció dels moviments pels moviments que els fan, i es veu que en aquest nivell s’especifica el tipus de tecnologia emprat, tot indicant, per exemple, que l’actuador, que fa que la comporta s’obri, és un cilindre pneumàtic (Y1), i que el senyal que indica que està oberta és un detector inductiu (B1). - Descripció operativa: Es representen les entrades i sortides de l’autòmat programable en què estan connectats tots els components.
En la figura podeu observar que és un gràfic idèntic al de nivell 2, substituint els símbols dels elements que representen els actuadors i sensors per les entrades i sortides per on estan connectats al PLC.
Etapes del Grafcet
Les etapes defineixen la seqüència de funcionament de la instal·lació. Es representen per un quadrat amb un nombre en la part superior per identificar-la, una línia a la part superior, que correspon a l’entrada, i una altra a la part inferior, que correspon a la sortida. Poden estar actives o inactives. Una etapa està activa quan correspon al moment concret de l’evolució de l’automatisme d’una instal·lació i es representa mitjançant un punt a la part inferior. Les etapes inicials es representen amb doble requadre. En la figura podeu veure la representació de diferents tipus d’etapes
En la descripció tecnològica es concreta, per exemple, si una comporta s’obre mitjançant un motor o un cilindre pneumàtic.
Transicions del Grafcet
Les transicions indiquen la possibilitat d’evolució entre etapes; es representen mitjançant una línia perpendicular a la línia d’unió entre les dues etapes. No és obligatori enumerar-les però si es fa, el nombre ha d’anar entre parèntesis a l’esquerra de la transició, i no hi pot haver mai dues transicions consecutives sense una etapa entre mig ni dues etapes consecutives sense una transició. En la figura teniu diversos exemples de representació de les transicions.
Receptivitats del Grafcet
La receptivitat correspon a una expressió algebraica i sempre està associada a una transició; es representa a la dreta de la transició i és la condició que s’ha de complir per franquejar la transició i que el Grafcet evolucioni i passi d’una etapa a una altra.
En la taula teniu uns exemples de diferents expressions algebraiques corresponents a receptivitats.
| Expressió | Condició per franquejar la transició |
|---|---|
| T > 25 °C | Temperatura superior a 25 graus |
| C3 | El comptador 3 ha arribat al valor preseleccionat |
| S2 + B3 | Estan accionats el polsador S2 o el detector B3 |
| B1 * B4 | Estan accionats els detectors B1 i B4 |
| S2 * (B4 + S3) | Està accionat el polsador S2 i el detector B4 o B3 |
| = 1 | Receptivitat sempre validada |
Les receptivitats normalment corresponen a elements externs que estan connectats al PLC, com entrades o interns del PLC mateix, com temporitzadors, comptadors, registres, etc., però també hi pot haver receptivitats condicionades per altres etapes del Grafcet o per senyals amb flancs positius o negatius.
En la figura teniu uns exemples d’aquests tipus de receptivitats.
Línies d'unió
Les línies d’unió uneixen les etapes amb les transicions i les transicions amb les etapes, indiquen el camí de les evolucions. Es dibuixen habitualment en sentit vertical o horitzontal i aquesta evolució és sempre en sentit descendent; en cas que no sigui així s’ha d’especificar el sentit amb una fletxa.
És molt freqüent trobar etapes amb diverses línies d’entrades o de sortida; en aquests casos s’han d’encreuar línies per evitar confusions. En la figura teniu uns exemples de com es poden solucionar els casos d’etapes amb diverses entrades o sortides.
Quan una línia uneix dues etapes que estan molt allunyades o fins i tot en diferents fulls del plànol es pot representar com indica la figura.
Regles d'evolució
El Grafcet representa el funcionament d’una instal·lació automatitzada amb un procés seqüencial. En cada etapa es fa una acció concreta, i a mesura que passa d’etapa dóna les ordres als actuadors perquè el procés dugui a terme les tasques concretes. El pas d’una etapa a una altra del Grafcet s’entén com evolució del Grafcet.
Perquè un Grafcet evolucioni, és a dir, perquè executi la seqüència de funcionament etapa a etapa, s’han de complir les regles següents:
Regla 1. Inicialització
En la inicialització del sistema s’han d’activar totes les etapes inicials, i només les inicials. Les etapes inicials poden començar per qualsevol nombre. En la figura teniu un exemple de representació d’etapes inicials, amb doble requadre i amb el nombre corresponent.
Regla 2. Evolució de les transicions
Una transició està validada quan totes les etapes immediatament anteriors a aquesta estan actives.
Una transició és franquejable quan està validada i la seva receptivitat és certa. Tota transició franquejable ha de ser immediatament franquejada.
Una transició evoluciona quan les etapes anteriors estan actives i les seves receptivitats associades són certes.
En la figura teniu representades les condicions perquè evolucioni una transició, l’etapa anterior activa i la receptivitat associada certa.
Regla 3. Evolució de les etapes actives
En franquejar una transició s’han d’activar totes les etapes immediatament posteriors i desactivar simultàniament totes les immediatament anteriors.
En la figura podeu veure com quan la transició està franquejada estan actives les etapes posteriors 4 i 5 i desactivades les anteriors 2 i 3.
Regla 4. Simultaneïtat en el franquejament de les transicions
Les transicions simultàniament franquejables han de ser simultàniament franquejades. Normalment s’assenyalen amb un * i un nombre.
Transicions simultàniament franquejables
Us podeu trobar una instal·lació amb diferents processos que en un moment determinat han de coincidir per continuar; per tant, els Grafcet de cada procés estaran aturats en una etapa concreta esperant que l’altre procés també arribi a l’etapa determinada. Els Grafcet no evolucionen fins que estiguin actives aquestes etapes, que han de ser franquejades a la vegada.
En la figura s’han assenyalat les dues etapes amb un “* 1”; podeu veure que en aquest exemple hi ha una condició comuna S1 i altres d’específiques de cada transició. Com les dues etapes s’han de franquejar simultàniament, fixeu-vos que les receptivitats d’una etapa s’han de tenir en compte a l’hora de franquejar l’altra, per això cada transició té les seves receptivitats més les que siguin diferents de l’altra transició.
Regla 5. Prioritat de l’activació
Si en evolucionar un Grafcet, una etapa ha de ser activada i desactivada al mateix temps, haurà de romandre activa.
Fixeu-vos en el Grafcet de la figura: si estem en l’etapa 2 i la receptivitat S2 és certa, segons la regla 3 s’ha d’activar l’etapa posterior, és a dir, la 2, i desactivar l’etapa anterior, la 2 també; per tant, segons la regla 5, haureu de deixar l’etapa 2 activa.
Accions associades a etapes
La norma IEC-848 (Preparació de diagrames funcionals per a sistemes de control) presenta de manera general la descripció de les accions associades a les etapes, mitjançant un rectangle unit amb una línia a l’etapa corresponent.
En la figura podeu veure les diferents maneres en què es poden representar les accions associades a les etapes.
Segons les necessitats es pot dividir el rectangle en dues parts, i es pot indicar a l’esquerra de la descripció de l’acció mitjançant una lletra el comportament de l’acció una vegada que s’activa l’etapa, i que pot ser:
1) Acció condicionada
L’acció condicionada s’identifica amb la lletra C i indica que l’acció només s’executarà quan, estant l’etapa activa, s’acompleixi la condició. En l’exemple de la figura teniu dues accions associades a una etapa i una està condicionada: quan l’etapa 2 estigui activa el contactor K2M funcionarà sempre però el K1M només ho farà si, a més, està connectat el polsador S2.
2) Acció retardada
L’acció retardada s’identifica amb la lletra D i implica que l’acció comença un cert temps després de l’activació de l’etapa. En l’exemple de la figura el contactor K2M es connectarà al mateix moment que s’activi l’etapa 2, però el K1M ho farà 8 s després, i si el Grafcet evoluciona a l’etapa següent abans de transcórrer el temps programat, no arribaria a connectar-se.
3) Acció limitada en el temps
L’acció limitada en el temps s’identifica amb la lletra L i implica que l’acció finalitza un cert temps després de l’activació de l’etapa. En l’exemple de la figura la sirena accionada pel contactor K1M començarà a sonar quan s’activi l’etapa 5 i deixarà de sonar 2 s després.
4) Acció impulsional
L’acció impulsional s’identifica amb la lletra P i correspon a una acció limitada a un temps molt curt però suficient per aconseguir l’efecte desitjat. En el cas dels PLC aquest temps acostuma a ser la durada d’un cicle, i l’exemple de la figura el contactor K3M es connectarà quan s’activi l’etapa 4 i es desconnectarà immediatament.
5) Acció memoritzada
L’acció memoritzada implica que l’acció s’activa en una etapa determinada i es desactiva en una altra. En l’exemple de la figura el contactor K1M es connecta en l’etapa 5 i es desconnecta en l’etapa 7. Aquest tipus d’acció s’utilitza molt per connectar actuadors monoestables com motors o cilindres de simple efecte per evitar haver de donar l’ordre de connectar en totes les etapes intermèdies que hi ha entre la que dóna l’ordre de connectar i la de desconnectar.
Estructures bàsiques del Grafcet
La majoria de processos seqüencials es poden descriure mitjançant la combinació de les tres estructures bàsiques d’un Grafcet: seqüència única, selecció de seqüència i seqüències simultànies.
Seqüència única
Una seqüència única està formada per una successió d’etapes que són activades una a continuació de l’altra, amb la característica que cada etapa té en la sortida una única transició i cada transició és validada per una única etapa. En la figura podeu veure un exemple d’un Grafcet de seqüència única.
Es diu que una seqüència està activa si com a mínim hi ha una etapa activada, i que està inactiva si totes les etapes estan desactivades.
Selecció de seqüència
Una selecció de seqüència es presenta quan en la sortida d’una etapa la línia d’unió es bifurca i hi ha diverses transicions i, per tant, la seqüència pot evolucionar en distintes etapes. Les receptivitats d’aquestes transicions han de ser exclusives, és a dir, no poden ser certes les dues a la vegada, i el Grafcet ha d’evolucionar solament en un dels diversos camins possibles. En la figura podeu veure un exemple d’un Grafcet amb selecció de seqüència, en què des de l’etapa 6 el Grafcet pot evolucionar cap a l’etapa 7 o l’etapa 12. Fixeu-vos que la receptivitat S1 fa que les transicions siguin exclusives: si S1 està accionat, és a dir, si S1 és cert, podrà evolucionar cap a l’etapa 7, i si no és cert ho podrà fer cap a l’etapa 12.
Salts d'etapes
Un salt d’etapes és una variant de l’estructura de selecció de seqüència que permet saltar una o diverses etapes; el salt es pot fer de dues maneres:
1) Salt cap endavant
Anomenat normalment salt, permet en una seqüència única saltar l’evolució d’una o diverses etapes quan les accions que es fan en aquestes etapes no siguin necessàries. En la figura podeu veure un exemple de Grafcet amb salt d’etapes, en què des de l’etapa 5, si és certa la transició S2, el Grafcet evoluciona per l’etapa 6, 7, etc., i si no és certa, S2 salta a l’etapa 8 i deixa d’executar les accions associades a les etapes 6 i 7.
2) Salt endarrere (figura)
Anomenat normalment repetició de seqüència, permet tornar a començar la mateixa seqüència mentre la receptivitat corresponent no sigui certa. Aquesta estructura és molt habitual en instal·lacions en què un procés s’ha de repetir diverses vegades, i hi ha un comptador que en valida la receptivitat. En la figura podeu veure un exemple de Grafcet amb repetició de seqüència en què des de l’etapa 3, i mentre no sigui certa la receptivitat S6, es repetiran les accions associades a les etapes 2 i 3 i, en el moment que S6 sigui certa, el Grafcet evolucionarà a l’etapa 4 i continuarà el seu procés.
Seqüències simultànies
Una estructura de seqüències simultànies és aquella en què, quan es franqueja una transició, s’activen diverses etapes simultàniament, amb la característica que a partir d’aquest moment aquestes etapes inicien unes seqüències independents: quan una finalitza la seva tasca espera que ho faci l’altra, i així, quan les darreres etapes de cada seqüència estan actives i sigui certa la receptivitat associada a la transició, la transició estarà franquejada i el Grafcet evolucionarà a l’etapa següent.
L’inici i el final de les seqüències simultànies es representa amb doble línia. En la figura podeu veure un exemple de Grafcet amb seqüències simultànies, en què les etapes 7 i 2 s’activaran simultàniament quan, estant l’etapa 6 activa, hi hagi receptivitat S1 i per activar l’etapa 9 és necessari que estiguin actives les darreres etapes de cada seqüència, és a dir, les etapes 2 i 8 i que sigui certa la receptivitat S4.
Implementació del Grafcet
Una vegada dissenyat el Grafcet corresponent al procés que es vol fer, heu de confeccionar l’esquema elèctric que controli aquest procés i, per tant, heu de programar dos esquemes:
1) Esquema corresponent a les condicions d’activació de les etapes.
A partir del Grafcet dissenyat, s’obtenen les condicions d’activació i desactivació de les etapes tenint en compte el següent:
- Una etapa s’activa quan les etapes immediatament anteriors estan actives i la transició està franquejada.
- Quan activeu una etapa heu de desactivar les etapes immediatament anteriors.
- A cada línia d’unió correspon una ordre d’activació d’una etapa i desactivació de les anteriors, i es duu a terme en una branca elèctrica.
- Cada branca elèctrica estarà formada per un contacte de l’etapa actual, en sèrie amb els contactes corresponents a les receptivitats de la transició que donen l’ordre de set a l’etapa destinació i a la vegada reset a l’etapa origen.
2) Esquema corresponent a l’activació de les accions associades a les etapes.
A partir del Grafcet dissenyat, s’obtenen les condicions d’activació i desactivació de les accions associades a les etapes tenint en compte el següent:
- Les accions s’executen mentre l’etapa a la qual està associada està activa.
- L’esquema corresponent a l’activació de cada acció es fa en una branca diferent.
Esquema d'activació d'etapes del Grafcet
El circuit elèctric corresponent a l’activació de les etapes del Grafcet perquè aquest evolucioni, a mesura que la instal·lació funciona, consisteix en branques elèctriques que activen l’etapa següent i desactiven l’actual quan la transició entre les dues etapes sigui franquejable. Les branques estan formades per un contacte corresponent a l’etapa origen, en sèrie amb els contactes de les receptivitats que donen l’ordre set a l’etapa destinació, i a la vegada l’ordre de reset a l’etapa origen.
En les transicions us podeu trobar diferents tipus de receptivitats i haureu d’adaptar l’esquema a les seves característiques.
1) Receptivitat condicionada per un sol element
En la figura podeu veure l’esquema corresponent a l’activació d’una etapa condicionada per un sol element. Observeu que la branca elèctrica està formada per uns contactes de l’etapa origen 1 en sèrie amb un contacte de la receptivitat S1 que donen l’ordre set de l’etapa destinació, la 2, i reset de l’etapa origen, la 1.
2) Receptivitat condicionada per dos elements en sèrie
En la figura podeu veure l’esquema corresponent a l’activació d’una etapa condicionada per dos elements en sèrie. Observeu que l’expressió algebraica de la transició és B1 * B4, i per això en el circuit aquests contactes estan en sèrie.
3) Receptivitat condicionada per dos elements en paral·lel
En la figura podeu veure l’esquema corresponent a l’activació d’una etapa condicionada per dos elements en paral·lel. Observeu que l’expressió algebraica de la transició és S2 + B3, i per això en el circuit aquests contactes estan en paral·lel entre ells i en sèrie amb el contacte corresponent a l’etapa.
4) Receptivitat condicionada per diversos elements en connexió mixta
En la figura podeu veure l’esquema corresponent a l’activació d’una etapa condicionada per diversos elements en connexió mixta. Observeu que l’expressió algebraica de la transició és S2’ * (B4 + S3), és a dir, un contacte negat de S2 que està en sèrie amb el conjunt dels contactes B4 i S3, que estan en paral·lel entre ells.
5) Receptivitat condicionada per etapes
En la figura podeu veure l’esquema corresponent a l’activació d’una etapa condicionada per altres etapes. Això vol dir que l’evolució d’aquest Grafcet s’atura en l’etapa 3 i espera que s’activi l’etapa 20 d’aquest Grafcet o d’un altre, per continuar el funcionament corresponent en l’etapa 4.
Exemple de receptivitat condicionada per etapes
Una cinta que transporta ampolles de vi, quan arriba a la zona de rebre l’ampolla, espera que el procés d’emplenament i etiquetatge finalitzi per continuar el procés.
6) Receptivitat condicionades per flancs
En la figura podeu veure l’esquema corresponent a l’activació d’una etapa condicionada per flancs positius o negatius. Observeu que l’etapa 3 s’activarà en el moment de connectar S1 amb el flanc de pujada, és a dir, que a la bobina de set de l’etapa 3 només arriba senyal elèctric durant un instant, però queda activada per les característiques de la funció set.
El mateix passa amb l’activació de l’etapa 4, però ho fa amb el flanc de baixada de S3, és a dir, l’etapa s’activarà quan desconnectem l’interruptor S3.
7) Receptivitat condicionada per temps
En la figura podeu veure l’esquema corresponent a l’activació d’una etapa condicionada per temps. Observeu que l’expressió algebraica de la transició conté un temporitzador, és a dir, el Grafcet evolucionarà de l’etapa 3 a la 4 quan estigui accionat S3 i a més hagin transcorregut 5 s des de l’activació de l’etapa 3. Observeu en l’esquema de la dreta de la figura que, en la segona branca corresponent a l’evolució del Grafcet, els contactes d’S3 i del temporitzador T1 estan en sèrie, però falta concretar quan s’ha de connectar el temporitzador, i per això abans d’aquesta branca està programat el circuit corresponent a la posada en marxa del temporitzador.
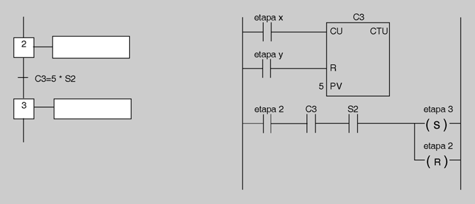
8) Receptivitat condicionada per comptadors
En la figura podeu veure l’esquema corresponent a l’activació d’una etapa condicionada per comptadors. Observeu que l’expressió algebraica de la transició conté un comptador amb preselecció, és a dir, el Grafcet evolucionarà de l’etapa 2 a la 3 quan estigui accionat S2 i el comptador hagi comptat cinc impulsos; per tant, en la branca corresponent a l’evolució del Grafcet els contactes de S2 i del comptador C3 estan en sèrie, però falta connectar el comptador amb la preselecció de cinc impulsos i les ordres d’inicialització i les condicions de comptatge. Però falta concretar quan s’ha de connectar el comptador, per això abans de la branca amb els contactes del comptador s’ha de programar el circuit corresponent a la posada en marxa del comptador, que en aquest exemple es posaria a zero en l’etapa y i comptaria en l’etapa x.
9) Etapa amb selecció de seqüència
En la figura podeu veure l’esquema corresponent a una etapa amb selecció de seqüència. Observeu que de l’etapa 6 es generen dues branques, que corresponen a les dues línies d’unió corresponents a la bifurcació; per tant, hi ha una branca per a l’evolució de l’etapa 6 a la 7 i una altra per a l’evolució de l’etapa 6 a la 12.
10) Etapa amb salt (figura)
En la figura podeu veure l’esquema corresponent a una etapa amb salt. Observeu que el circuit elèctric correspon al d’una selecció de seqüència, ja que, en definitiva, des de l’etapa 5 hi ha una bifurcació a dues etapes.
11) Etapa amb bucle
En la figura podeu veure l’esquema corresponent a una etapa amb bucle. El circuit elèctric correspon al d’un salt, encara que en aquest cas és un salt endarrere.
12) Etapa amb inici de seqüència simultània
En la figura podeu veure l’esquema corresponent a una etapa amb inici de seqüència simultània. Quan hi ha seqüències simultànies, aquestes s’han d’activar a la vegada, i per això la branca elèctrica corresponent a l’evolució del Grafcet està formada per un contacte de l’etapa origen, la 6, en sèrie amb la receptivitat S1, que donen l’ordre de set a l’etapa destinació, en aquest cas la 7 i la 2, i a la vegada reset de l’etapa origen.
13) Etapa amb final de seqüència simultània
En la figura podeu veure l’esquema corresponent a una etapa amb final de seqüència simultània. En un Grafcet amb seqüències simultànies cada seqüència executa les seves accions al seu ritme, independentment de les altres seqüències, però han de finalitzar totes les seqüències abans de continuar amb la seqüència comuna, i per això la branca elèctrica corresponent a l’evolució del Grafcet està formada pels contactes corresponent a les etapes finals de cada seqüència, la 8 i la 2, en sèrie amb la receptivitat S4, que donen l’ordre de set a l’etapa destinació, la 9, i fan el reset de les etapes origen, la 8 i la 2.
Esquema d'activació d'accions
Amb els contactes corresponents a les etapes s’activaran les accions associades a aquestes, utilitzant una branca per a cada acció. Quan una etapa té associada més d’una acció es podrien connectar en paral·lel les dues accions i així utilitzar només una branca, però pensant que els exemples aquí exposats són molt senzills, i que els esquemes reals són molt més complexos, és aconsellable utilitzar una branca per a cada acció.
Les accions associades a les etapes es duen a terme mitjançant els actuadors, com motors, electrovàlvules, bombetes de senyalització, etc. Aquests actuadors es divideixen en dos grups: monoestables i biestables.
Utilitzant una branca per a cada acció és molt fàcil modificar l’esquema i activar l’acció des d’altres etapes, afegint un contacte en paral·lel.
- Actuador monoestable. La majoria d’actuadors són monoestables, es posen en marxa mitjançant un únic actuador i aquest funciona mentre li arriba senyal elèctric.
- Actuador biestable. Disposa de dos actuadors, i necessita només un impuls per activar de manera permanent qualsevol dels dos actuadors.
Els motors, bombetes, etc., són actuadors monoestables, i els cilindres pneumàtics i hidràulics poden ser monoestables o biestables.
Els cilindres monoestables s’accionen mitjançant una única electrovàlvula: el cilindre avança mentre arriba tensió a l’electrovàlvula i retrocedeix quan no li n’arriba; en canvi, els cilindres biestables s’accionen amb dues electrovàlvules, una per avançar i una altra per retrocedir, de manera que amb un impuls a l’electrovàlvula d’avançar, avança i es queda en aquesta posició fins que s’enviï un impuls a l’electrovàlvula de retrocedir.
Les accions associades a les etapes del Grafcet poden tenir alguna funció addicional:
- Acció condicionada. En la figura podeu veure l’esquema corresponent a l’activació d’una acció condicionada. Observeu que l’etapa 2 activa els contactors K1M i K2M, però el primer necessita per funcionar que també estigui connectat S2.
- Acció retardada. En la figura podeu veure l’esquema corresponent a l’activació d’una acció retardada. Observeu que l’etapa 2 activa els contactors K2M directament, i també connecta el temporitzador que retarda l’activació del contactor K1M, que s’activarà sempre que el temporitzador hagi comptat el temps programat i continuï l’etapa 2 activa.
- Acció limitada en el temps. En la figura podeu veure l’esquema corresponent a l’activació d’una acció limitada en el temps. Observeu que l’etapa 5 activa un temporitzador que en passar 2 s canviarà l’estat dels seus contactes. La sirena K1M es posa en marxa quan s’activa l’etapa 5 i deixarà de funcionar quan obri el contacte del temporitzador en passar 2 s d’activar-se l’etapa o quan l’etapa 5 es desactivi abans d’aquest temps.
- Acció impulsional. En la figura podeu veure l’esquema corresponent a l’activació d’una acció impulsional. Observeu que l’etapa 4, en sèrie amb un contacte tancat d’un relé, activa el contactor K3M, i a la vegada també s’activa el relé; per tant, immediatament després d’activar-se l’etapa, el contacte tancat obrirà i provocarà la desconnexió del contactor K3M.
- Acció memoritzada. En la figura podeu veure l’esquema corresponent a l’activació d’una acció memoritzada. Observeu que l’etapa 6 dóna l’ordre d’activar el contactor K1M mitjançant l’operació set, que fa que es mantingui activat quan es desactivi l’etapa 6, i es mantindrà així fins a l’etapa 8, que dóna l’ordre dereset al contactor. Aquest tipus d’acció s’utilitza molt per posar en marxa els actuadors monoestables, i així no cal donar l’ordre d’activació a totes les etapes que hi ha entremig.
Implementació d'estructures bàsiques del Grafcet
El Grafcet defineix la seqüència de funcionament d’un procés i la seva implementació consisteix en la conversió d’aquest Grafcet en un esquema elèctric; una vegada desenvolupat l’esquema corresponent s’ha de definir el tipus de control utilitzat, que pot ser de lògica cablejada o, el més freqüent, de lògica programada, és a dir, un autòmat programable.
Per implementar un Grafcet mitjançant un PLC, heu de seguir el procés següent:
Podeu anar a la secció “Annexos” del web d’aquest mòdul, en què trobareu el programa de TIA PORTAL V14 SP1 que us permetrà comprovar el funcionament dels programes que feu.
- Associar a cada etapa un registre intern que permeti saber si l’etapa està activada o no. En la familia d’autòmats S7-1200 de Siemens assignareu les marques identificades amb la lletra M, de manera que la marca tindrà el valor 1 si l’etapa està activada i 0 si està desactivada.
- Escriure el codi del programa per activar l’etapa inicial del Grafcet en posar en marxa el sistema de control. En la figura teniu l’esquema en què mitjançant una marca de sistema anomenada marca de primer cicle (FirstScan) i que hem direccionat com M255.0, que es posa amb valor lògic 1 durant un scan quan el PLC passa de stop a run, fa el reset de l’etapa 0 i fins a un total de 10; per tant, va des de la 0 fins a la 9 i a continuació fa el set de l’etapa 0, i només de l’etapa 0.
- Introduir el programa corresponent als esquemes elèctrics de les activacions de les etapes i les accions.
Sempre haureu que mirar el mapa de memòria del PLC que escolliu per saber quins registres interns podeu fer servir.
| Símbol | Direcció | Comentari |
|---|---|---|
| SE | I 0.1 | Selector |
| M | I 1.0 | Polsador de marxa |
| BA_0 | I 2.0 | El cilindre A es troba retrocedit |
| BA_1 | I 2.1 | El cilindre A es troba avançat |
| BB_0 | I 2.2 | El cilindre B es troba retrocedit |
| BB_1 | I 2.3 | El cilindre B es troba avançat |
| BC_0 | I 2.4 | El cilindre C es troba retrocedit |
| BC_1 | I 2.5 | El cilindre C es troba avançat |
| YA_1 | Q 0.0 | El cilindre A avança |
| YA_0 | Q 0.1 | El cilindre A retrocedeix |
| YB_1 | Q 0.2 | El cilindre B avança |
| YC_1 | Q 0.3 | El cilindre C avança |
| etapa_0 | M 0.0 | etapa 0 |
| etapa_1 | M 0.1 | etapa 1 |
| etapa_2 | M 0.2 | etapa 2 |
| etapa_3 | M 0.3 | etapa 3 |
| etapa_4 | M 0.4 | etapa 4 |
| etapa_5 | M 0.5 | etapa 5 |
| etapa_6 | M 0.6 | etapa 6 |
| etapa_7 | M 0.7 | etapa 7 |
| etapa_8 | M 1.0 | etapa 8 |
| etapa_9 | M 1.1 | etapa 9 |
1) Implementació d’un Grafcet de seqüència única
En la secció “Annexos” del web d’aquest mòdul podeu trobar l’arxiu HMI_3_CILINDRES_01. zap14, corresponent al disseny del sistema de control de 3 cilindres electropneumàtics.
A la secció “Annexos” del web d’aquest mòdul trobareu un exemple d’implementació d’un Grafcet de seqüència única.
En la figura podeu veure els nivells 2 i 3 d’un Grafcet de seqüència única, corresponent a un procés que podeu fer amb la màquina simulada en l’SCADA de la figura.
La seqüència comença en posar el PLC en run en l’etapa 0, que s’activa de manera automàtica, i en què la màquina no fa cap acció; en el moment que els tres cilindres estan retrocedits heu d’accionar el polsador de marxa M, i el Grafcet evoluciona de la manera següent:
- En el network 2 estan tots els contactes a 1 i, per tant, es fa el set de l’etapa 1 i el reset de l’etapa 0; això vol dir que ara estarà activa l’etapa 1, i només l’etapa 1. En els network 7 i 9 els contacte de l’etapa 1 es posa a 1 i, per tant, activaran les sortides YA_1 i YB_1, que faran que els cilindres A i B avancin.
- Quan els cilindres hagin avançat tancaran els contactes BA_1 i BB_1 i, per tant, en el network 3 els tres contactes estaran a 1; llavors es fa elset de l’etapa 2 i el reset de la 1, i això vol dir que ja no es dóna l’ordre a les sortides YA_1 i YB_1, però el cilindre A, com que és biestable, romandrà avançat fins que no es doni l’ordre de retrocedir a la sortida, i el cilindre B, encara que és monoestable també romandrà avançat, ja que la sortida YB_1 ha estat activada en el network 9 mitjançant una instrucció set i romandrà així fins que no es doni l’ordre de reset. En elnetwork 11 el contacte de l’etapa 2 que està a 1 fa set de la sortida YC_1, fent que el cilindre C avanci.
- Quan el cilindre C hagi avançat tancarà el contacte BC_1 i, per tant, en el network 4 els dos contactes estaran a 1 i faran set de l’etapa 3 i reset de la 2; llavors es posen a 1 els contactes de l’etapa 3 i els networks 8 i 12 activen les sortides YA_0 i YC_1, respectivament, que fan que retrocedeixin els cilindre A i C.
- Quan els cilindres A i C estiguin retrocedits, en el network 5 tots els contactes estan a 1 i, per tant, es fa set de l’etapa 4 i reset de la 3; el contacte de l’etapa 4 programat en el network 10 es posa a 1 i activa el reset de la sortida YB_1, que fa que el cilindre B retrocedeixi.
- Quan el cilindre B ha retrocedit, en el network 6 tots els contactes estan a 1 i, per tant, es fa el set de l’etapa 0 i el reset de la 4.
- Ara la màquina es troba en l’etapa 0, amb els tres cilindres retrocedits, en la mateixa posició que a l’inici del procés, preparada per iniciar un altre cicle de funcionament quan s’accioni el polsador de marxa.
En la figura teniu l’esquema en diagrama de contactes corresponent a la implementació del Grafcet de la figura, que podeu utilitzar per programar l’autòmat programable perquè la maqueta de la figura executi aquesta seqüència.
2) Implementació d’un Grafcet amb selecció de seqüència
Ara feu l’activitat “Implementació d’un Grafcet de seqüència única”, que trobareu en la secció “Activitats” del web d’aquest mòdul.
En la figura podeu veure els nivells 2 i 3 d’un Grafcet amb selecció de seqüència, corresponent a un procés que podeu dur a terme amb la màquina simulada en l’SCADA de la figura.
Fixeu-vos que de l’etapa 3 surten dos camins, ja que la línia d’unió es bifurca en dues, una que evoluciona a l’etapa 4 i una altra que ho fa a l’etapa 7, i que les receptivitats associades a les transicions de cada línia d’unió són exclusives, és a dir, no poden ser certes les dues a la vegada, ja que en una hi ha la condició del selector SE normalment obert en repòs, mentre que en l’altra està normalment tancat. En l’etapa 3 la màquina es troba amb el cilindre B avançat i l’A i C retrocedits, i en funció de l’estat del selector SE la seqüència pot evolucionar per dos camins:
a) Selector sense accionar: la seqüència continua per les etapes 4, 5 i 6, que farà que el cilindre A primer avanci i després retrocedeixi, i per acabar retrocedeixi el cilindre B.
b) Selector accionat: la seqüència continua per les etapes 7, 8 i 6, fent que avanci i retrocedeixi el cilindre C i que després retrocedeixi el cilindre B.
Una vegada finalitzada l’acció de l’etapa 6, independentment de la seqüència feta, els tres cilindres estan retrocedits i el Grafcet evoluciona a l’etapa 0, i la màquina es troba en la posició inicial preparada per iniciar un altre cicle de funcionament.
En la figura teniu l’esquema en diagrama de contactes corresponent a la implementació del Grafcet de la figura; fixeu-vos que en els networks 5, 6 i 7 estan programades les branques elèctriques corresponents a l’evolució del Grafcet per a la seqüència A, etapes 3, 4, 5 i 6, i en els networks 8, 9 i 10 hi ha les corresponents a l’evolució per a la seqüència B, etapes 3, 7, 8 i 6.
3) Implementació d’un Grafcet amb bucle amb comptador
Ara feu l’activitat “Implementació d’un Grafcet amb selecció de seqüència”, que trobareu en la secció “Activitats” del web d’aquest mòdul.
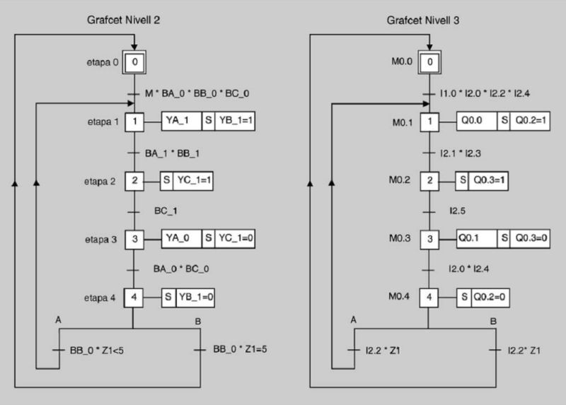
En la figura podeu veure els nivells 2 i 3 d’un Grafcet amb un bucle corresponent a un procés que podeu fer amb la màquina simulada en la maqueta de la figura. Fixeu-vos que la condició, per a la selecció de l’execució de les seqüències A o B, és que la màquina hagi repetit cinc vegades les accions associades a les etapes 1 a 4. El comptador Z1 compta les vegades que es fa aquesta seqüència, i mentre el valor sigui inferior a 5 el Grafcet evoluciona de l’etapa 4 a la 1, i torna a repetir la seqüència, i un cop hagi fet la maniobra cinc vegades el comptador canvia l’estat dels seus contactes i fa que evolucioni de l’etapa 4 a la 0.
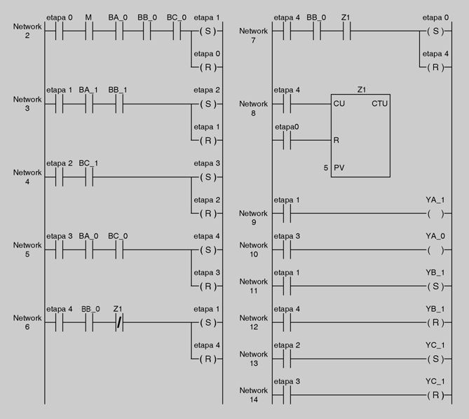
En la figura teniu l’esquema en diagrama de contactes corresponent a la implementació del Grafcet de la figura.
Hi podeu veure que en el network 6, si el contacte del comptador Z1 no està accionat, farà set de l’etapa 1 i en el network 7 el contacte de Z1 està obert i no fa set de l’etapa 0, i quan el comptador hagi comptat 5 obrirà el contacte del network 6, tancarà el del network 7 i farà el set de l’etapa 0 en comptes de l’etapa 1.
Fixeu-vos també que el comptador, programat en la xarxa o network 8, compta per l’entrada CU mitjançant l’etapa 4, que és l’última etapa del bucle, i que s’inicialitza per l’entrada R amb l’etapa 0, que és l’etapa immediatament anterior a l’inici del bucle. El comptatge i la inicialització del comptador es podrien fer des d’altres etapes, però convé establir uns criteris que serveixin per a tots els casos, i el que hem aplicat aquí de comptar amb l’última etapa del bucle i inicialitzar el comptador amb l’etapa immediatament anterior al bucle és el més adequat.
4) Implementació d’un Grafcet amb seqüències simultànies
Ara feu l’activitat “Implementació d’un Grafcet amb bucle amb comptador”, que trobareu en la secció “Activitats” del web d’aquest mòdul.
En la figura podeu veure els nivells 2 i 3 d’un Grafcet amb seqüències simultànies corresponent a un procés que podeu dur a terme amb la màquina simulada en la maqueta de la figura. Fixeu-vos que la màquina, a partir de l’etapa 2 i quan sigui certa la receptivitat BB_1, és a dir, quan el cilindre B estigui avançat, farà dues seqüències a la vegada:
A la secció “Annexos” del web d’aquest mòdul trobareu un exemple d’implementació d’un Grafcet amb seqüències simultànies.
- D’una banda, amb les accions associades a les etapes 3, 4 i 5 farà les maniobres de retrocedir el cilindre A, després retrocedirà el cilindre B i a continuació avançaran a la vegada els cilindres A i B.
- De l’altra banda, avançarà el cilindre C i després retrocedirà.
Les dues seqüències han començat a la vegada, i cadascuna finalitza sense tenir en compte l’altra, però la transició per continuar per l’etapa 6 té les receptivitats, que seran certes quan hagin finalitzat les dues seqüències.
En la figura teniu l’esquema en diagrama de contactes corresponent a la implementació del Grafcet de la figura; fixeu-vos que en el network 4 es fa a la vegada set de les etapes 3 i 8, i amb això les dues seqüències simultànies comencen a executar-se a la vegada, i en elnetwork 8 estan en sèrie els contactes de les etapes 5 i 9 per fer set de l’etapa 6.























































