Fonts d'alimentació
-

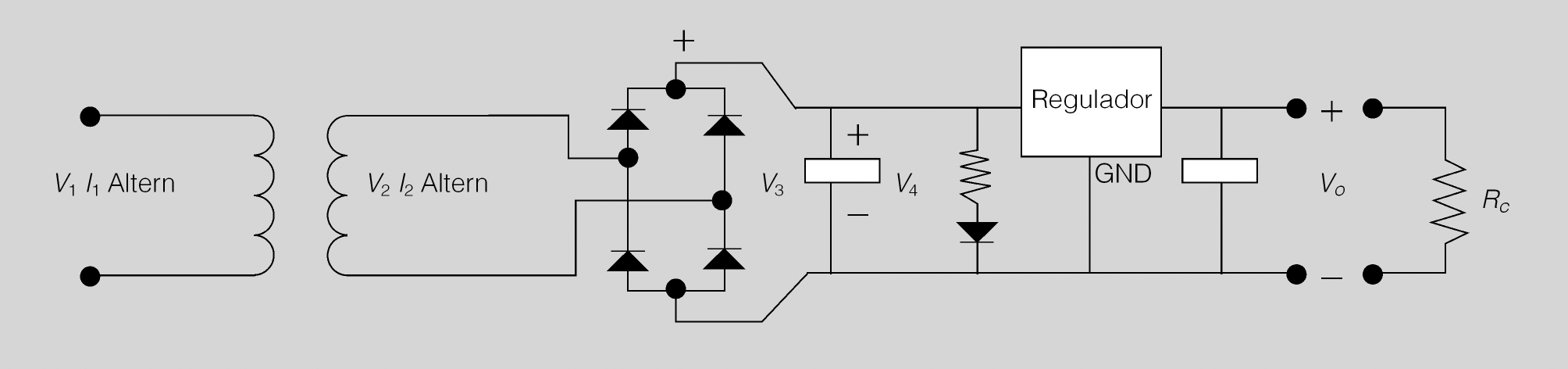
- Font d'alimentació d'un ordinador personal (PC)
Qualsevol equip electrònic —sia un televisor, un DVD, un computador, un equip d’àudio, etc.— disposa d’una font d’alimentació (FA). Aquesta s’encarrega de subministrar les diferents tensions per tal que la resta de circuits de l’equipament funcioni correctament. Si falla la FA, falla tot l’equip.
La tensió per a l’ús domèstic i industrial se subministra en corrent altern; per tant, serà necessari transformar aquest senyal altern en un senyal continu. El seu símbol apareix en la figura.
En un endoll domèstic tenim 230 V 50 Hz.
La funció de la font d’alimentació és transformar la tensió alterna (corrent altern, AC) a tensió contínua (corrent continu, DC) de la manera més estable possible, sense sorolls, i així subministrar les tensions necessàries per al funcionament correcte dels components electrònics que formen part d’un aparell.
Soroll
El soroll és el senyal no desitjable que apareix conjuntament amb el senyal de sortida i, si és prou gran, en modifica la forma i el valor. Per exemple, quan fem servir l’assecador davant d’un televisor en marxa es produeixen fluctuacions de la imatge.
Hi ha diversos tipus de fonts d’alimentació, com ara les fonts d’alimentació lineals i les fonts d’alimentació commutades, que varien en la seva eficiència i altres característiques.
Fonts lineals: estabilització i regulació amb dispositius integrats
Una font d’alimentació lineal converteix la tensió de corrent altern (AC) d’una sortida de la xarxa elèctrica en una tensió de corrent continu (DC) a través d’una etapa de regulació de tensió lineal. Aquesta etapa utilitza components electrònics, com ara transistors i díodes, per reduir la tensió AC d’entrada a la tensió DC desitjada de sortida, eliminant el soroll i les fluctuacions de la línia elèctrica. Les fonts d’alimentació lineals són simples, fiables i produeixen una tensió de sortida de soroll baix, però solen ser menys eficients energèticament que les fonts d’alimentació commutades. Es troben en molts dispositius electrònics que requereixen una sortida de tensió constant i estable, com ara instruments de laboratori, amplificadors i circuits de control.
En la figura podeu veure la connexió de cadascun dels blocs d’una font lineal. A l’entrada tenim un senyal AC i a la sortida DC; com que és un senyal continu hem de diferenciar el terminal positiu del negatiu. Després del bloc rectificador, el senyal tractat ja té polaritat. A la sortida de cada un d’aquests blocs tenim un tipus d’ona diferent; per tant, observant-la, podrem detectar avaries, mals funcionaments i verificar que funciona correctament. Per poder fer aquests mesuraments és necessari saber utilitzar correctament l’oscil·loscopi i el multímetre.
Una font d’alimentació lineal està formada pels blocs següents:
- Transformador
- Rectificador
- Filtre
- Estabilitzador o regulador
L’estabilitzador és l’últim bloc de la FA i, com el seu nom indica, té la funció d’eliminar les fluctuacions de la tensió de sortida, és a dir, estabilitzar-la a una tensió contínua (figura). Noteu que en el circuit de la figura la tensió de sortida del pont de díodes és la mateixa que la de sortida del filtre (V3 = V4).
Estabilitzador amb díode Zener
Una font d’alimentació lineal amb díode Zener és una font d’alimentació que utilitza un díode Zener com a element regulador per mantenir una sortida de tensió constant i estable. El díode Zener és un tipus especial de díode que es pot polaritzar en inversa per operar a una tensió constant, que és la seva tensió de Zener. En aquesta configuració, el díode Zener actua com a regulador de tensió, limitant la tensió de sortida de la font d’alimentació a la tensió de Zener. Això garanteix que la tensió de sortida sigui sempre la mateixa, independentment de les fluctuacions de la tensió d’entrada i de la càrrega connectada a la font d’alimentació. Les fonts d’alimentació lineals amb estabilitzador amb díode Zener són senzilles i econòmiques, però tenen una eficiència energètica més baixa que altres tipus de fonts d’alimentació, ja que la diferència de tensió entre la tensió d’entrada i la tensió de sortida es dissipa com a calor en l’estabilitzador.
En la figura podeu veure l’esquema final d’una FA amb l’esquema de connexió de l’estabilitzador.
-

- Diferents díodes Zener
El díode Zener és un element electrònic bàsic, que en sentit directe es comporta com un díode normal. Però, al contrari del díode, quan es polaritza en sentit invers, també condueix, i manté en els extrems una tensió constant, fins i tot si varia el corrent invers que el travessa.
El díode Zener s’utilitza en sentit invers en el circuit estabilitzador.
El símbol del díode Zener és el que apareix en la figura.
Les característiques principals del díode Zener són les següents:
- Vz: tensió de Zener, que és aquella que es manté constant en els extrems del díode quan està polaritzat inversament.
- Iz mín: valor mínim en què el díode es manté constant en la zona inversa.
- Pz: potència màxima que pot arribar a dissipar.
Als annexos de la unitat hi trobareu simulacions de circuits estabilitzadors amb Zener, amb i sense càrrega.
Per trobar el valor de la resistència de protecció (Rp) del díode Zener per a un circuit com el de la figura, utilitzarem la fórmula següent:
Valors típics de díodes Zener
Díodes Zener de Vz igual a: 5V1 = 5,1 volts, 8V2 = 8,2 volts… Normalment en l’encapsulació va imprès aquest valor.
En què V4 és la tensió de sortida del filtre i Io és la intensitat que es vol lliurar a la càrrega.
El valor de Vz del díode que utilitzarem ha de ser igual a la tensió desitjada a la sortida Vo, ja que el díode Zener mantindrà aquest valor constant (Vz = Vo).
Estabilitzador amb reguladors integrats
Els reguladors de tensió més habituals són els de tres terminals. Hi ha diferents encapsulacions, com les que apareixen en la figura, depenent del consum de potència que han de tenir.
Els reguladors són circuits formats per un nombre elevat de components, integrats dins d’una única encapsulació, que són capaços de proporcionar una tensió constant a la sortida. Els reguladors redueixen la tensió d’arrissament unes 100.000 vegades, cosa que esdevé negligible a la pràctica.
En la figura apareix una font d’alimentació amb regulador integrat.
Les característiques o requisits del circuit de la figura són:
- La tensió entre Vo i GND serà de valor fix i estable, i dependrà del tipus de regulador.
- La tensió d’entrada al regulador V4 ha de ser uns 3 volts superior a la Vo per tal d’assegurar el funcionament correcte del circuit regulador.
- El condensador de sortida evita possibles oscil·lacions o impureses.
Alguns reguladors permeten el muntatge d’un radiador mitjançant un orifici (com és el cas de l’encapsulació TO-220). L’orifici és metàl·lic i coincideix amb el terminal GND. El radiador es col·locarà verticalment, i és millor utilitzar el tipus d’aleta anoditzada i negra, ja que dissipa més calor que les d’alumini blanc. L’objectiu principal és refredar el regulador; si no ho aconseguim, s’han d’utilitzar altres mètodes de refrigeració com poden ser ventiladors, com es fa, per exemple, en la FA d’un ordinador personal.
Radiador com a dissipador
Quan utilitzem un radiador per dissipar la calor, la superfície d’unió s’ha de protegir mitjançant una pasta conductora de la calor i de l’electricitat, per tal de millorar-ne la transmissió, omplint possibles forats i impedint la corrosió de l’alumini produïda pel pas d’un corrent.
Els reguladors més utilitzats són els 78XX i 79XX. La nomenclatura utilitzada és descrita en la taula.
| Caràcters | Significat |
|---|---|
| Primer grup | Lletres que indiquen el fabricant |
| Segon grup | 78 si la tensió de sortida és positiva, 79 si és negativa |
| Tercer grup | M si Iomàx = 0,5 A, S si Iomàx = 2 A, cap si Iomàx = 1,5 A |
| Quart grup | Valor nominal de la tensió de sortida, en dues xifres |
| Cinquè grup | C si la temperatura de funcionament va de 0 a 155 ºC, cap si va de —55 a 155 ºC |
| Sisè grup | Una lletra que fa referència al tipus d’encapsulació |
A part dels reguladors de sortida fixa, n’hi ha d’ajustables, com el component LM317.
En la secció Activitats d’aquesta unitat hi trobareu un complet exercici d’anàlisi i disseny d’una font regulada amb un integrat LM317.
Fonts commutades: característiques, fonaments i blocs funcionals
Les fonts commutades són circuits electrònics que converteixen un corrent continu en un corrent polsant de freqüència alta, que després es convertiran una altra vegada en un corrent continu.
Les fonts commutades es van desenvolupar inicialment per a aplicacions militars i aeroespacials en els anys seixanta. La raó principal d’aquest desenvolupament es basava en el fet que tenien un pes i un volum molt més reduïts que les fonts lineals.
D’aleshores ençà s’han desenvolupat diverses topologies i circuits de control que han esdevingut d’ús comú en fonts commutades per a aplicacions industrials i comercials.
Avui en dia la majoria dels equips que utilitzem tenen alimentacions de 12 V.
Els avenços de la tecnologia han implicat també que aquests equips comportin un alt grau de sofisticació i que, per tant, siguin molt sensibles als sorolls, les sobretensions o els canvis bruscos en les tensions d’alimentació.
Sobretensió
La sobretensió és una tensió que supera els límits determinats pel fabricant de l’element connectat a la font d’alimentació.
La sofisticació dels equips electrònics ha fet imprescindible que les fonts d’alimentació regulades garanteixin l’estabilitat de la tensió que alimenta l’equip. D’altra banda, per poder aconseguir potències de sortida d’uns 100 a 500 W amb les baixes tensions que necessiten els transistors actuals (12 V), calen corrents d’alimentació alts (20 A o més), la qual cosa ha implicat que les antigues fonts basades en transformadors voluminosos s’hagin substituït per fonts més segures i més petites, les fonts commutades.
Reguladors commutats a la freqüència pròpia
Les fonts commutades són circuits que generen la seva freqüència de treball, per la qual cosa es diu que són reguladors a la freqüència pròpia, per diferenciar-los dels reguladors que funcionen a la freqüència de la xarxa elèctrica. Poden funcionar a una freqüència fixa o variable, i fan servir convertidors a partir d’un corrent continu per generar un corrent polsant de cicle de treball o freqüència variable. En la figura podem veure el temps de variació del cicle de treball.
Configuracions bàsiques
Les fonts commutades són circuits relativament complexos, però sempre en podem diferenciar quatre blocs constructius bàsics, com es mostra en la figura.
- El primer bloc rectifica i filtra la tensió alterna d’entrada i la converteix en una tensió contínua polsant.
- El segon bloc s’encarrega de convertir la tensió contínua en una ona quadrada d’alta freqüència (de 10 a 200 kHz). Aquesta és aplicada a una bobina o al primari d’un transformador.
- El tercer bloc rectifica i filtra la sortida d’alta freqüència del bloc anterior i dóna una tensió contínua pura.
- El quart bloc s’encarrega de regular l’oscil·lació del segon bloc. Aquest bloc consisteix en un oscil·lador de freqüència fixa, una tensió de referència, un comparador de tensió i un modulador d’amplada de pols (pulse width modulator, PWM).
El modulador d’amplada de pols (PWM) rep el pols de l’oscil·lador i en modifica el cicle de treball segons el senyal del comparador, el qual confronta la tensió contínua de la sortida del tercer bloc amb la tensió de referència.
Modulador d'amplada de pols (PWM)
Un modulador d’amplada de pols (PWM) és un circuit que genera una freqüència en funció d’un senyal d’entrada en comparació amb un altre de referència, de manera que l’amplada del pols varia en funció d’aquest senyal d’entrada.
En la majoria dels circuits de fonts commutades trobarem el primer i el quart blocs com a elements pràcticament invariables. En canvi, el segon i el tercer tindran diferents tipus de configuracions.
De vegades el quart bloc estarà format per un circuit integrat; altres vegades, però, ens trobarem amb circuits totalment transistoritzats. El segon bloc és realment l’ànima de la font i tindrà configuracions bàsiques anomenades reductor (buck), elevador (boost) i reductor-elevador (buck-boost).
Reductor (buck)
El reductor és un circuit, de configuració bàsica, del segon bloc d’una font commutada (figura); aquest circuit interromp l’alimentació i proveeix d’una ona quadrada d’amplada de pols variable un simple filtre LC. La tensió es produeix per mitjà de la variació de la freqüència de treball del transistor. La característica més important d’aquest circuit és que la tensió de sortida Vout és més petita que la tensió d’entrada Vin:
Filtre LC: filtre format per bobina i condensador.
Vout és l’abreviatura de tensió de sortida. Vin és l’abreviatura de tensió d’entrada.
En la majoria dels casos, n’hi ha prou amb aquesta regulació i només caldrà ajustar lleument la relació de voltes en el transformador per compensar les pèrdues per l’acció de càrrega resistiva, la caiguda en els díodes i la tensió de saturació dels transistors en la commutació.
Elevador (boost)
L’elevador és un circuit, de configuració bàsica, del segon bloc d’una font commutada (figura). Aquest dispositiu presenta un funcionament una mica complex: el circuit elevador emmagatzema l’energia en la bobina i aplica l’energia emmagatzemada més la tensió d’alimentació a la càrrega. Aquest procediment és molt utilitzat en sistemes de flaix fotogràfics o d’ignició de l’automotor per recarregar la càrrega capacitativa. També es fa servir com un molt bon carregador de bateries. Aplica sempre una quantitat fixa de potència a la càrrega sense fixar-se en la seva impedància.
La característica més important d’aquest circuit és que la tensió de sortida Vout és més gran que la tensió d’entrada Vin:
Reductor-elevador (buck-boost)
El reductor-elevador és un circuit, de configuració bàsica, del segon bloc d’una font commutada (figura). Aquest circuit, també anomenat flyback, és una evolució dels circuits reductor i elevador, però presenta una diferència fonamental respecte d’aquests, atès que aplica a la càrrega només l’energia emmagatzemada en la inductància.
Un flyback és un circuit del tipus del reductor-elevador (buck-boost) però amb aïllament.
Com podem observar, el sistema elevador només pot regular quan la tensió de sortida Vout és més gran que la tensió d’entrada Vin, mentre que el flyback o reductor-elevador pot regular sempre, independentment de si la tensió de sortida és més petita o més gran que la tensió d’entrada.
Esquema d'una font commutada completa
En l’esquema de la figura podem veure una font commutada de tipus professional en blocs. Hi podrem observar cadascuna de les parts que la componen.
Hi podem distingir tres grans blocs: el primer, comú a totes les fonts, comprèn el rectificador i el filtre; el segon, que és el bloc del convertidor amb aïllament, pot ser perfectament qualsevol dels que confirmen les configuracions bàsiques de les fonts commutades o d’altres configuracions disponibles (forward, semipont, pont, etc.), i el tercer, anomenat realimentació, està format per un amplificador comparador, un controlador d’amplada de pols (PWM) i un altre convertidor de CC que governarà el circuit de comandament del primer convertidor. Com podem veure, hi ha dos convertidors de CC que garanteixen una gran estabilitat i control.
L’etapa de potència és la part del circuit per on circula molt corrent, normalment regulat per un transistor o tiristor.
L’etapa de control és la part del circuit que controla en funció d’uns senyals establerts. Hi circula molt poc corrent.
















