Tipus d’instal·lacions solars fotovoltaiques
Les instal·lacions solars fotovoltaiques són instal·lacions generadores que transformen l’energia solar en energia elèctrica. Aquestes instal·lacions estan formades per diferents elements elèctrics i electrònics, on el principal component que s’utilitza són els mòduls fotovoltaics, els quals transformen la radiació solar en energia elèctrica en forma de corrent continu.
Normativa
La normativa de referència que cal aplicar a les instal·lacions solars fotovoltaiques dependrà del tipus de sistema solar fotovoltaic que s’instal·li, però en qualsevol cas, una instal·lació solar fotovoltaica és una instal·lació elèctrica que ha de complir els requisits que estableix el Reglament electrotècnic de baixa tensió (REBT).
Per altra banda, les instal·lacions solars fotovoltaiques han de complir la normativa específica que regula aquestes instal·lacions i el Codi tècnic de l’edificació (CTE).
La normativa municipal pot regular també alguns aspectes relacionats amb una instal·lació solar fotovoltaica.
Normes UNE
Sovint, la normativa aplicable a aquest tipus d’instal·lació fa referència a les característiques que han de complir els materials utilitzats, especificant les normes UNE aplicables en cada cas.
Tipologies d'instal·lacions solars fotovoltaiques
Podem diferenciar les tipologies d’instal·lacions solars fotovoltaiques següents:
L’autoconsum és la producció d’electricitat per al consum propi.
- Instal·lació solar fotovoltaica aïllada. Instal·lació en la qual no hi ha en cap moment capacitat física de connexió elèctrica amb la xarxa de transport o de distribució elèctrica. Aquest tipus d’instal·lació també s’anomena instal·lació solar fotovoltaica autònoma.
- Instal·lació solar fotovoltaica d’autoconsum. Instal·lació solar fotovoltaica connectada a la xarxa de distribució elèctrica on l’energia generada pot ser consumida directament per l’edifici o habitatge que dona servei i l’energia sobrant s’envia a la xarxa de distribució elèctrica.
- Central fotovoltaica. Instal·lació solar fotovoltaica connectada directament a la xarxa de transport o de distribució elèctrica on tota l’energia produïda està destinada a la venda i es bolca directament a la xarxa elèctrica. Aquestes instal·lacions normalment poden anomenar-se de diferents maneres: hort solar, granja solar, parc solar…
Les instal·lacions desconnectades de la xarxa mitjançant dispositius interruptors o equivalents no es consideraren aïllades.
Normativa aplicable
La figura resumeix el marc legal de les instal·lacions solars fotovoltaiques.
En la taula s’enumeren les principals normes que afecten aquestes instal·lacions.
| Reial Decret | Contingut |
|---|---|
| RD 1955/2000, d’1 de desembre | Regula les activitats de transport, distribució, comercialització, subministrament i procediments d’autorització d’instal·lacions d’energia elèctrica. |
| RD 842/2002, de 2 d’agost | Aprova el Reglament electrotècnic per a baixa tensió. |
| RD 413/2014, de 6 de juny | Regula l’activitat de producció d’energia elèctrica a partir de fonts d’energia renovables, cogeneració i residus. |
| RD 1183/2020, de 29 de desembre | Accés i connexió a les xarxes de transport i distribució d’energia elèctrica. |
| RD 1699/2011, de 18 de novembre | Regula la connexió a xarxa d’instal·lacions de producció d’energia elèctrica de petita potència. |
| RD 15/2018, del 5 d’octubre | Mesures urgents per a la transició energètica i la protecció dels consumidors. |
| RD 244/2019, del 5 d’abril | Regula les condicions administratives, tècniques i econòmiques de l’autoconsum d’energia elèctrica. |
Alguns aspectes definits per la normativa actual són els següents:
Impost al Sol
La normativa actual deroga l’impost al Sol, el qual establia un peatge a l’energia generada mitjançant panells fotovoltaics en totes aquelles instal·lacions que estiguessin connectades a la xarxa de distribució elèctrica, per tal de compensar a les empreses distribuïdores d’electricitat el cost de mantenir una xarxa elèctrica de la qual els productors d’energies renovables també se’n beneficiaven.
- Es reconeix el dret de l’autoconsum compartit per part d’un o diversos consumidors.
- S’eliminen les traves administratives pel desenvolupament d’instal·lacions solars fotovoltaiques d’autoconsum de potència instal·lada igual o menor a 100 kW.
- Totes aquelles instal·lacions solars fotovoltaiques d’autoconsum amb excedents de potència instal·lada inferior o igual a 15 kW no serà necessari sol·licitar els drets d’accés ni la connexió a la xarxa de distribució elèctrica.
- S’introdueix la simplificació administrativa i tècnica, especialment per les instal·lacions de petita potència.
- Per a potències instal·lades superiors a 100 kW la normativa vigent és el RD 1955/2000.
- Cada comunitat autònoma ha de crear un registre per inscriure les instal·lacions d’autoconsum.
- S’elimina l’impost per l’electricitat generada a les instal·lacions fotovoltaiques d’autoconsum, coneguda com l’impost al Sol.
Les companyies distribuïdores també estableixen uns requisits tècnics particulars associats a la interconnexió amb la xarxa elèctrica de la seva titularitat.
Projecte tècnic
La tramitació d’una instal·lació solar fotovoltaica requereix realitzar una memòria tècnica descriptiva (MTD) o un projecte tècnic (PT), depenent del tipus de connexió a la xarxa i de la potència de la instal·lació.
La ITC-BT-04 del REBT estableix les consideracions següents:
Projecte tècnic
És necessari un projecte tècnic quan la connexió és de baixa tensió amb potència superior a 10 kW i per a connexions a la xarxa d’alta tensió per a qualsevol potència d’instal·lació. Aquest projecte l’haurà de redactar i signar un tècnic titulat competent.
- Instal·lacions generadores de baixa tensió de menys de 10 kW. És suficient realitzar una memòria tècnica descriptiva (MTD) de la instal·lació.
- Instal·lacions generadores de baixa tensió a partir de 10 kW. Cal realitzar un projecte tècnic de la instal·lació elèctrica, realitzat i signat per un tècnic competent.
- Instal·lacions generadores d’alta tensió. Cal elaborar un projecte tècnic, independentment de la potència instal·lada.
La memòria tècnica de disseny (MTD) l’haurà d’elaborar una empresa instal·ladora habilitada si la connexió de la instal·lació solar és de baixa tensió i amb una potència igual o inferior a 10 kW.
REBT
El Reglament electrotècnic per a baixa tensió (REBT) i les seves instruccions tècniques complementàries (ITC-BT) tenen per objecte establir el marc de les condicions tècniques i garanties que han de reunir les instal·lacions elèctriques connectades a una font de subministrament de baixa tensió, amb les finalitats següents:
- Preservar la seguretat de les persones i els béns.
- Assegurar el funcionament normal d’aquestes instal·lacions i prevenir les pertorbacions en altres instal·lacions i serveis.
- Contribuir a la fiabilitat tècnica i a l’eficiència econòmica de les instal·lacions.
Les instal·lacions solars fotovoltaiques han de complir els requisits que estableix el REBT.
ITC-BT-40. Instal·lacions generadores de baixa tensió
La ITC-BT-40 del REBT s’aplica a les instal·lacions generadores, que són aquelles dedicades a transformar qualsevol tipus d’energia no elèctrica en energia elèctrica.
Aquesta ITC classifica les instal·lacions generadores en els tipus següents:
- a) Les instal·lacions aïllades per a ús exclusiu d’alimentar càrregues o circuits de baixa tensió.
- b) Les instal·lacions generadores assistides, per a ús exclusiu d’alimentació de càrregues o circuits de baixa tensió que poden estar alternativament alimentats per la xarxa o pel generador.
- c) Instal·lacions interconnectades:
- c1) Les instal·lacions generadores amb punt de connexió a la xarxa de distribució de baixa tensió on hi ha altres circuits i instal·lacions de baixa tensió connectats a ella, independentment que la finalitat de la instal·lació sigui tant vendre energia com alimentar càrregues, en paral·lel amb la xarxa.
- c2) Les instal·lacions generadores amb punt de connexió a la xarxa d’alta tensió mitjançant un transformador elevador de tensió, que no té altres xarxes de distribució de baixa tensió que alimenten càrregues alienes, connectades a aquest. Aquest esquema està igualment inclòs en les condicions del REBT, encara que per la seva consideració d’instal·lació generadora connectada directament a la xarxa d’AT requereix condicions especials de connexió, atenent les reglamentacions vigents sobre proteccions i condicions de connexió en alta tensió.
Les instal·lacions solars fotovoltaiques, com a instal·lacions generadores, han de complir les indicacions establertes en la ITC-BT-40.
Normes UNE
L’Associació Espanyola de Normalització (UNE) és l’únic Organisme de Normalització al nostre país.
UNE: Una norma espanyola.
L’objectiu de la normalització i estandardització és l’elaboració d’una sèrie d’especificacions tècniques que en general poder utilitzar-se de manera voluntària per les empreses com a garantia de qualitat dels materials utilitzats, de les pràctiques d’instal·lació utilitzades i dels serveis oferts. Aquesta pràctica facilita l’execució homogènia de les instal·lacions i els intercanvis comercials.
Encara que les normes són documents d’aplicació voluntària, hi ha casos en què el seu compliment és obligatori. Per exemple, en el REBT es relacionen les normes UNE que han de complir els components de les instal·lacions elèctriques.
El conjunt normatiu establert per l’Associació Espanyola de Normalització té el seu principal origen als organismes internacionals de normalització electrotècnica, com ara la Comissió Electrotècnica Internacional (CEI) o el Comitè Europeu de Normalització Electrotècnica (CENELEC).
Molts aspectes de les instal·lacions fotovoltaiques estan referenciades a les normes UNE-EN, desenvolupades pel comité CTN 206/SC82.
Normes UNE-EN
Les normes UNE-EN són la versió oficial en espanyol de les normes europees (EN), que s’han adoptat i harmonitzat després de l’aprovació de l’òrgan nacional dins de l’estructura de normalització nacional (UNE).
Les normes AEN/CTN 206/SC82, elaborades pel Comitè Tècnic de Normalització, sobre Sistemes d’Energia Solar Fotovoltaica, defineixen els principals paràmetres normalitzats que s’exigeixen als equips i a les instal·lacions fotovoltaiques. Aquestes normes recullen criteris, requisits, informacions, paràmetres, característiques, procediments i fonaments de mesura, mètodes de càlcul, assaigs, qualificacions de disseny i aprovació de tipus, avaluacions i guies per als elements i les característiques d’un sistema de conversió fotovoltaic d’energia solar.
A tall d’exemple, la taula mostra alguna de les normes desenvolupades per aquest comitè.
| Norma | Contingut |
|---|---|
| UNE-EN 60904 4:2020 | Dispositius fotovoltaics. Part 4: dispositius de referència fotovoltaics. Procediments per establir la traçabilitat de calibratge |
| UNE-EN 62788 1-6:2017/A1:2020 | Procediments de mesura de materials utilitzats en mòduls fotovoltaics |
| UNE-EN 62852:2015/A1:2020 | Connectors per a aplicacions de corrent continu en sistemes fotovoltaics |
| UNE-EN IEC 62446 2:2020 | Sistemes fotovoltaics (FV). Requisits per a assaigs, documentació i manteniment. Part 2: sistemes connectats a la xarxa. Manteniment de sistemes fotovoltaics (FV) |
| UNE 206007-1:2013 | Requisits de connexió a la xarxa elèctrica. Part 1: inversors per a connexió a la xarxa de distribució |
Codi tècnic de l'edificació
El Codi tècnic de l’edificació (CTE) és el conjunt de normativa que estableix les exigències bàsiques que han de complir els edificis i les seves instal·lacions.
El Reial decret que regula el Codi tècnic de l’edificació es complementa amb els documents bàsics (DB), els quals determinen la forma i les condicions en què s’han de complir les exigències per assolir la qualitat adequada als edificis. Les exigències que s’inclouen en el CTE són:
- Exigències bàsiques de seguretat estructural (SE).
- Exigències bàsiques de seguretat en cas d’incendi (SI).
- Exigències bàsiques de seguretat d’utilització i accessibilitat (SUA).
- Exigències bàsiques de salubritat (HS).
- Exigències bàsiques de protecció davant del soroll (HR).
- Exigències bàsiques d’estalvi d’energia (HE).
Exemple d'aplicació del CTE
Les condicions de l’ancoratge dels panells (estructura i fixacions) han de complir els requisits i la metodologia de càlcul determinada en l’apartat de seguretat estructural (DB SE) del CTE, que defineix les regles i procediments que permeten complir les exigències bàsiques de seguretat estructural.
El Codi tècnic de l’edificació, a l’apartat DB HE 5, estableix quins edificis de nova construcció (hotels, hospitals, centres comercials, etc.) disposaran de sistemes de generació d’energia elèctrica procedent de fonts renovables per a ús propi o subministrament a la xarxa.
IDAE
El Pliego de Condiciones Técnicas publicat per l’IDAE és un document guia per al dimensionament de les instal·lacions fotovoltaiques (aïllades i interconnectades). Aquest document no és d’obligat compliment, però és una guia tècnica de referència.
IDAE: Instituto para la Diversificación y Ahorro de la Energía
Elements de les instal·lacions fotovoltaiques
La figura mostra una instal·lació solar fotovoltaica típica. Els principals elements que s’utilitzen en aquestes instal·lacions són els següents:
Les instal·lacions fotovoltaiques inclouen una sèrie de components que normalment, excepte els panells solars, s’instal·len a l’interior i, per tant, no tenen un impacte visual des de l’exterior.
- Mòduls fotovoltaics.
- Elements d’emmagatzematge.
- Regulador de càrrega.
- Inversors.
- Elements de seguretat i protecció.
- Sistema mesura.
Mòduls fotovoltaics
A la figura podeu veure els elements que formen un generador fotovoltaic.
Mòdul fotovoltaic
Un mòdul fotovoltaic està format per un nombre determinat de cèl·lules solars que, depenent del nombre i la seva superfície, determinaran la potència del panell, així com la resta de característiques tècniques que el defineixen. La potència d’un panell solar pot variar des dels 40 W o menys fins als 500 W o més.
El generador fotovoltaic està format per un conjunt de panells o mòduls fotovoltaics que transformen la radiació solar directament en electricitat de corrent continu (CC). Els panells fotovoltaics s’agrupen en conjunts anomenats cadenes, sèries o strings per tal de formar un camp o generador fotovoltaic.
En les instal·lacions solars fotovoltaiques aïllades la connexió dels panells solars pot realitzar-se en paral·lel.
-

- Generador fotovoltaic format per una cadena de tres mòduls solars.
Els mòduls fotovoltaics es connecten entre si per formar cadenes fotovoltaiques. Cada cadena fotovoltaica està constituïda per la connexió en sèrie de mòduls fotovoltaics.
Finalment, el camp fotovoltaic o generador fotovoltaic, està conformat per la connexió de diferents cadenes fotovoltaiques.
Elements d'emmagatzematge
-

- Bateries d'emmagatzematge. Algunes instal·lacions inclouen bateries per emmagatzemar l’excés d’energia generada durant el dia, permetent utilitzar-la en moments de baixa o nul·la producció solar, com ara de nit.
Com què la generació d’energia d’un camp fotovoltaic és variable i depèn de la radiació solar, aquesta no sempre està disponible. Per tant, depenent del tipus d’instal·lació serà necessari emmagatzemar l’energia en les hores de màxima generació per tal d’utilitzar-la en les hores que no hi ha producció d’energia solar o en el moment de més demanda energètica de la instal·lació receptora.
Els elements que emmagatzemen aquesta energia són les bateries o acumuladors.
Aquests dispositius s’utilitzen en les instal·lacions aïllades i en algunes instal·lacions d’autoconsum connectades a la xarxa elèctrica. Les bateries es connecten abans de l’inversor, ja que aquestes emmagatzemen corrent continu.
Regulador de càrrega
-

- Regulador de càrrega d'una instal·lació solar fotovoltaica aïllada. Aquest dispositiu s'encarrega de protegir les bateries contra descàrregues profundes i sobrecàrregues.
Per tal d’allargar la vida útil de les bateries, el seu procés de càrrega ha de ser controlat. L’element que controla l’estat de les bateries i la seva càrrega i descàrrega és el regulador de càrrega.
El regulador de càrrega és un element opcional de les instal·lacions d’autoconsum, la funció principal del qual és gestionar l’estat de càrrega de les bateries solars, assegurant una càrrega òptima per prolongar la seva vida útil. En cas de no haver-hi bateries, no serà necessària la seva instal·lació.
Inversor
-

- L’inversor d'una instal·lació aïllada s’encarrega de transformar el corrent continu (12, 24 o 48V) generat per la instal·lació fotovoltaica en corrent altern (230 V-50 Hz) que utilitzen els aparells de consum o la xarxa elèctrica convencional.
L’inversor és l’element encarregat de transformar el corrent continu generat pels mòduls fotovoltaics i, si és el cas, emmagatzemat en les bateries, en corrent altern.
La principal classificació dels inversors ve determinada pel tipus d’instal·lació:
- Inversor per a instal·lació solar aïllada.
- Inversor per a connexió a la xarxa elèctrica.
Elements de seguretat i protecció
-

- Quadre de protecció d'una instal·lació solar fotovoltaica. La part de CA d'aquesta instal·lació està protegida per un dispositiu de protecció de sobretensions transitòries, per un interruptor automàtic i per un interruptor diferencial.
Les instal·lacions elèctriques incorporen dispositius que protegeixen tant la mateixa instal·lació elèctrica com a les persones contra riscos elèctrics. Aquests elements s’instal·len en el corresponent quadre elèctric.
Els principals elements de protecció d’una instal·lació són:
- Proteccions contra sobrecàrregues i curtcircuits: fusibles, interruptors automàtics…
- Proteccions contra les sobretensions transitòries, que poden produir-se en el generador fotovoltaic per descàrregues atmosfèriques.
- Proteccions contra contactes elèctrics indirectes: interruptors diferencials.
Sistema de mesura
El comptador elèctric mesura l’energia consumida per la instal·lació que subministra la companyia elèctrica. En una instal·lació connectada a la xarxa també mesura l’energia abocada a la xarxa de distribució elèctrica. Per tant, una instal·lació solar pot necessitar dos comptadors diferents o un comptador bidireccional.
-

- El comptador elèctric bidireccional permet calcular la compensació d’excedents, és a dir, mesura la diferència entre l'energia consumida de la xarxa i l'energia que s'aboca en ella.
El comptador bidireccional mesura tant l’energia consumida de la xarxa elèctrica com l’energia injectada en ella quan el sistema fotovoltaic genera més electricitat de la que necessita la instal·lació.
Simbologia
Per identificar els elements d’una instal·lació solar fotovoltaica, com podeu veure a la figura, s’utilitzen símbols normalitzats.
Aquests símbols s’utilitzen per representar els esquemes elèctrics de la instal·lació.
Esquema elèctric
L’esquema elèctric representa la connexió de tots els components de la instal·lació i la seva interconnexió.
Aquest esquema es realitza sense cap mena d’escala i no es tenen en compte consideracions dimensionals.
Quan cal realitzar el replanteig general d’una instal·lació solar fotovoltaica és necessari disposar dels esquemes i plànols necessaris que la descriguin, que cal saber interpretar. Els dos esquemes principals que poden representar una instal·lació solar són els següents:
- L’esquema multifilar (figura) descriu com es realitzen les connexions dels elements i el nombre de conductors que formen part del circuit.
- L’esquema unifilar (figura) simplifica els esquemes multifilars i redueix el nombre de conductors i els símbols dels elements utilitzats.
Esquema funcional
L’esquema funcional o esquema de principi té per finalitat comprendre el principi de funcionament del circuit que es representa.
Esquema de principi
Esquema gràfic que representa, de manera simplificada i funcional, els elements que constitueixen una instal·lació i les connexions que s’estableixen entre aquests. En aquest esquema pot aparèixer de manera simplificada les característiques dels elements de la instal·lació, com ara longituds, característiques tècniques, dimensions, etc.
L’esquema funcional representa tots els elements de la instal·lació amb totes les connexions. S’ha de realitzar de manera senzilla i esquemàtica per a una fàcil comprensió del funcionament del circuit.
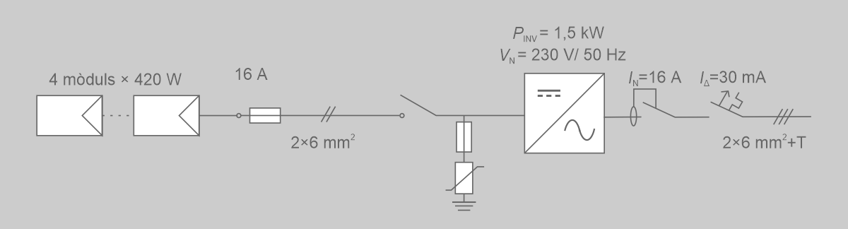
Aquests tipus d’esquemes sovint no utilitzen símbols normalitzats i en el seu lloc s’utilitzen símbols funcionals que representen els components utilitzats en la instal·lació. A la figura teniu un exemple d’esquema funcional d’una instal·lació solar fotovoltaica aïllada.
Instal·lacions solars fotovoltaiques
La figura mostra les principals tipologies d’instal·lacions solars fotovoltaiques:
- Instal·lació solar fotovoltaica aïllada. Sistema solar fotovoltaic sostingut per bateries on no hi ha una connexió física entre el sistema solar fotovoltaic i la xarxa de distribució elèctrica. S’utilitza en llocs on és costós fer arribar la xarxa de distribució elèctrica.
- Instal·lació solar fotovoltaica connectada a la xarxa. Són instal·lacions que estan interconnectades amb la xarxa de distribució elèctrica i hi treballen en paral·lel. Depenent de la configuració i ús podem classificar-les de la manera següent:
- Instal·lacions de producció elèctrica (centrals solars). L’energia elèctrica generada es ven directament a la companyia elèctrica.
- Instal·lacions d’autoconsum. L’energia generada s’utilitza per al consum instantani, de manera que si en algun moment no s’utilitza tota l’energia, es pot vendre l’excedent a la xarxa (instal·lació amb excedents) o no (instal·lació sense excedents).
Instal·lacions solars fotovoltaiques aïllades
Les instal·lacions fotovoltaiques autònomes, també anomenades instal·lacions solars fotovoltaiques aïllades, estan destinades al subministrament elèctric allà on el cost del manteniment i instal·lació de les línies elèctriques no és rendible. Per tant, són instal·lacions aïllades de la xarxa elèctrica.
Una instal·lació solar fotovoltaica aïllada és un tipus d’instal·lació d’autoconsum que no està connectada a la xarxa de distribució elèctrica.
Com podeu veure a la figura les instal·lacions solars fotovoltaiques autònomes estan formades pels següents elements bàsics:
Convertidor CC/CC
Quan els elements de consum treballen en corrent continu a una tensió diferent de la de les bateries cal utilitzar un convertidor CC/CC, el qual adequa la tensió de sortida proporcionada per l’acumulador a la tensió dels consums.
- Camp fotovoltaic.
- Acumuladors d’energia elèctrica.
- Reguladors de càrrega.
- Convertidors d’energia elèctrica per a aplicacions autònomes: inversors o convertidors CC/CC.
Encara que una instal·lació solar fotovoltaica autònoma pot cobrir el 100% de les necessitats elèctriques d’una instal·lació, sovint s’acompanya d’un sistema de suport convencional com ara un grup electrogen.
Aquest tipus d’instal·lació proporciona alimentació elèctrica tant en corrent continu (12 V, 24 V o 48 V) com en corrent altern utilitzant un inversor que subministra el corrent equivalent al de la xarxa elèctrica de distribució pública de 230 V/50 Hz.
Per tal d’aprofitar al màxim l’energia generada per la instal·lació solar es recomana realitzar un consum energètic responsable per part de l’usuari i utilitzar electrodomèstics de baix consum.
Les aplicacions més habituals d’aquestes instal·lacions són:
- Electrificació d’habitatges allunyats de la xarxa elèctrica.
- Aplicacions agrícoles i ramaderes: bombament d’aigua, sistemes de reg…
- Senyalització i comunicacions.
- Etc.
Instal·lacions solars fotovoltaiques d'autoconsum (connectades a la xarxa)
Les instal·lacions solars fotovoltaiques d’autoconsum són instal·lacions solars connectades a la xarxa de distribució elèctrica on es pot cobrir totalment o parcialment el consum d’energia elèctrica d’un habitatge o edifici o qualsevol centre consumidor mitjançant un sistema de generació propi.
Instal·lacions d'autoconsum
En les instal·lacions d’autoconsum si la demanda elèctrica de l’edifici és superior a la generació fotovoltaica, s’importarà la diferència des de la xarxa de distribució elèctrica.
Configuracions bàsiques
Les instal·lacions solars fotovoltaiques generen energia elèctrica durant el dia quan hi ha radiació solar, és a dir, la generació d’energia es concentra a les hores centrals del dia, quan hi ha més sol.
Quan el sistema de generació no produeix energia suficient es pot continuar consumint electricitat a través de la xarxa elèctrica i, en determinats casos, quan la producció sigui superior a la demanda, és possible abocar l’excedent a la xarxa.
Les hores de generació d’energia normalment no coincideixen amb les hores en què es produeix el consum. Per tant, quan s’utilitzi una instal·lació solar fotovoltaica hi ha dues opcions bàsiques:
- Realitzar un consum instantani i vendre l’excedent a la xarxa.
- Utilitzar bateries per emmagatzemar l’energia sobrant.
Com que la instal·lació interior sempre està connectada a la xarxa de distribució elèctrica, no hi ha risc de quedar-se sense subministrament quan no hi ha generació fotovoltaica.
Les instal·lacions d’autoconsum tenen dues configuracions bàsiques diferents, que podeu veure a la figura
El preu de venda de l’energia elèctrica a la xarxa sempre estarà per sota del preu de compra d’aquesta.
- Sense bateries: l’energia generada s’utilitza per al consum instantani, de manera que si en algun moment no s’utilitza tota l’energia generada, es ven l’excedent a la xarxa.
- Amb bateries: l’excedent d’energia generada s’aprofita per carregar les bateries de la instal·lació amb l’objectiu d’utilitzar l’energia emmagatzemada en els moments que hi hagi una demanda energètica més gran que l’energia fotovoltaica instantània generada.
Definicions
En les instal·lacions d’autoconsum podem definir els conceptes següents:
Les instal·lacions amb bateries permeten emmagatzemar energia quan el consum energètic de la instal·lació és menor que l’energia que genera el camp fotovoltaic.
- Autoconsum d’energia: aprofitament de l’energia elèctrica generada mitjançant una instal·lació fotovoltaica per abastir un edifici o un habitatge. Aquest autoconsum es pot realitzar de manera instantània per alimentar les càrregues de la instal·lació o pot utilitzar-se per emmagatzemar l’energia en bateries.
- Autoconsum col·lectiu: grup de diversos consumidors que acorden subministrar-se d’energia elèctrica que prové d’instal·lacions de generació properes i associades a les de consum.
- Excedents: l’energia que no és utilitzada de forma instantània en el moment de ser generada, s’aboca a la xarxa elèctrica.
- Compensació: l’excedent que s’ha abocat a la xarxa es descompta de la factura elèctrica de cada punt de subministrament associat, a través del mecanisme de compensació simplificada.
- Balanç net horari. diferència entre l’energia generada abocada a la xarxa i l’energia subministrada de la xarxa elèctrica durant el tram d’una hora.
Modalitats d'autoconsum
Es defineix l’autoconsum com el consum per part d’un o diversos consumidors d’energia elèctrica provinent d’instal·lacions de producció pròximes a les de consum i associades a aquests.
La taula resumeix les principals modalitats d’instal·lacions d’autoconsum.
Dispositius antiabocament a la xarxa
Els titulars de les instal·lacions sense excedents han de disposar de l’avaluació de conformitat del dispositiu antiabocament instal·lat. Els dispositius antiabocament han de complir el que disposa l’annex I, apartat I.4 de l’ITC-BT-40 del Reglament de Baixa Tensió.
| Subministrament amb autoconsum sense excedents | Subministrament amb autoconsum amb excedents | |||||
|---|---|---|---|---|---|---|
| Injecció d’energia excedentària a la xarxa | No: amb dispositiu físic instal·lat d’antiabocament a xarxa | Possible: sense dispositiu físic instal·lat d’antiabocament a xarxa | ||||
| Normativa aplicable | RD 1699/2011 | RD 1955/2000, RD 1699/2011, RD 413/2014 | ||||
| Potència de generació | ≤ 100 kW | > 100 kW | ≤ 15 kW en sòl urbanitzat | ≤ 100 kW (resta de casos) | ≤ 100 kW | > 100 kW |
| Acollits a compensació | No (individual) Sí (col·lectiu) | No (individual) Sí (col·lectiu) | Sí (individual i col·lectiu) | Sí (individual i col·lectiu) | No | No |
| Registre de productors de Catalunya (RIPRE) | No s’inscriuen | No s’inscriuen | No s’inscriuen | No s’inscriuen | S’inscriuen | S’inscriuen |
| Registre d’autoconsum de Catalunya (RAC) | S’inscriuen totes | |||||
Registre d'Autoconsum a Catalunya (RAC)
Les instal·lacions d’autoconsum que s’han tramitat sota el Reial decret 15/2018, de 5 d’octubre, de mesures urgents per a la transició energètica i la protecció dels consumidors i sota el Reial decret 244/2019, de 5 d’abril, pel qual es regulen les condicions administratives, tècniques i econòmiques de l’autoconsum d’energia elèctrica s’han d’inscriure en el Registre d’Autoconsum de Catalunya (RAC).
Per legalitzar una instal·lació fotovoltaica d’autoconsum cal que la instal·lació s’aculli a alguna de les següents modalitats d’autoconsum:
En funció de la potència de generació elèctrica, de la generació d’excedents i de la possible compensació, s’estableixen diferents casos de tramitació.
Tramitació de les instal·lacions d'autoconsum
La tramitació de les instal·lacions d’autoconsum fotovoltaic inclou tràmits amb administracions tant a nivell local, com autonòmic i estatal, depenent de la potència de la instal·lació, la modalitat d’autoconsum, el tipus de connexió, si és una instal·lació individual o col·lectiva, etc.
- Autoconsum sense excedents. La instal·lació està connectada a la xarxa elèctrica, però té un dispositiu que evita que l’excedent energètic s’aboqui a la xarxa.
- Autoconsum amb excedents. La instal·lació està connectada a la xarxa elèctrica i a més de generar energia per a l’autoconsum, aboca a la xarxa elèctrica els excedents:
- Autoconsum acollit a la compensació simplificada d’excedents. La part no consumida d’energia s’aboca a la xarxa i, a canvi, l’usuari rep una compensació econòmica per part de la comercialitzadora a la factura mensual.
- Autoconsum no acollit a la compensació simplificada d’excedents. En aquest cas, els excedents d’energia produïda per la instal·lació d’energia solar fotovoltaica es venen al mercat elèctric.
La documentació requerida variarà en funció de la modalitat d’autoconsum.
Els titulars de les instal·lacions amb excedents han d’escollir si volen vendre els excedents de la seva instal·lació de generació o bé volen acollir-se al mecanisme de compensació simplificada.
- Si opten per vendre els excedents, s’han d’inscriure al RIPRE (Registre d’instal·lacions de producció d’energia elèctrica).
- Si opten per no vendre els excedents, no s’han d’inscriure al RIPRE i els titulars no estan sotmesos als drets i deures dels productors d’energia elèctrica.
Una instal·lació es pot acollir a la compensació d’excedents si es compleixen els requisits següents:
- La font d’energia és renovable.
- La potència instal·lada no supera els 100 kW.
- Contracte d’accés del consumidor i dels serveis auxiliars únic o unificat.
- No hi ha cap altre règim retributiu.
Autoconsum acollit a la compensació simplificada d'excedents
La figura mostra l’esquema del funcionament general de la modalitat d’autoconsum individual amb excedents i amb compensació.
Aquestes instal·lacions han de disposar d’un contracte de compensació d’excedents entre productor i consumidor associat.
L’energia excedent d’una instal·lació solar s’aboca a la xarxa elèctrica de distribució. Aquest excedent d’energia queda registrat pel comptador elèctric en trams d’una hora. A partir dels valors registrats, s’apliquen els dos mecanismes següents de manera consecutiva:
- Primer s’aplica el balanç net horari. En cada tram d’una hora, cada kWh d’energia generada que no s’utilitza i, per tant, s’aboca a la xarxa, es descompta de l’energia utilitzada de la xarxa durant aquella mateixa hora.
Si hi ha més energia abocada a la xarxa que no pas consum, la diferència passa al mecanisme de compensació simplificat. Si en un tram horari el consum és superior a la generació, no hi ha energia destinada a la compensació i la diferència entre el consum de la xarxa i l’energia de generació es comptabilitza al preu habitual de consum. - En el moment de la facturació s’aplica la compensació simplificada d’excedents. Aquest mecanisme estableix que l’energia generada no utilitzada de forma instantània ni descomptada fruit del balanç horari, la qual és enregistrada pel comptador elèctric, es descompta de la factura elèctrica segons un preu establert per l’empresa comercialitzadora (preu de compensació).
La compensació és mensual i no acumulable i com a molt es compensarà el valor de l’energia utilitzada de la xarxa.
L’estalvi econòmic que s’obté en la factura elèctrica depèn de l’ús de l’energia que es faci:
- Autoconsum directe: consum de l’energia en el mateix moment que es produeix. Aquesta és la manera més eficient d’estalvi, ja que l’energia generada per la instal·lació solar no té cost.
- Compensació d’excedents (regulat per normativa): el preu de compensació de l’energia excedent pot variar segons la tarifa contractada a la companya comercialitzadora. La compensació és mensual i no es pot acumular per mesos posteriors. El preu resultant de la compensació simplificada d’excedents com a màxim serà el preu de cost d’energia utilitzada.
- Excedents no compensats: per poder aprofitar l’import d’excedents que no són compensats segons el mecanisme de compensació simplificada la companya comercialitzadora pot oferir serveis addicionals que beneficien a l’usuari.
Exemple de compensació simplificada
La taula mostra un exemple de compensació simplificada.
| Hora | Consum real | Producció d’energia | Consum de la xarxa | Preu horari | Excedent | Preu compensació |
|---|---|---|---|---|---|---|
| 8:00 | 0,6 kWh | 0,2 kWh | 0,4 kWh | 0,14 €/kWh | 0 kWh | —- |
| 9:00 | 0,4 kWh | 0,3 kWh | 0,1 kWh | 0,13 €/kWh | 0 kWh | —- |
| 10:00 | 0 kWh | 0,5 kWh | 0,0 kWh | 0,11 €/kWh | 0,5 kWh | —- |
| 11:00 | 0,6 kWh | 1,0 kWh | 0,4 kWh | 0,11 €/kWh | 0,4 kWh | —- |
| 12:00 | 2,6 kWh | 1,5 kWh | 1,1 kWh | 0,11 €/kWh | 0 kWh | —- |
| 13:00 | 1,5 kWh | 2,1 kWh | 0,0 kWh | 0,12 €/kWh | 0,6 kWh | —- |
| Total | 5,7 kWh | 5,6 kWh | 2 kWh | —- | 1,5 kWh | 0,1 €/kWh |
En aquest exemple, si mirem el balanç net, veiem que hem acabat utilitzant 2 kWh de la xarxa i hem abocat 1,5 kWh.
El cost del consum d’energia es factura segons el preu establert a cada tram horari (preu de venda de la comercialitzadora), però al final es descompta l’energia excedent.
En aquest exemple, el preu facturat en la franja horària de la taula és el següent:
Preu facturat variable = Consum - Compensació = 0,4 kWh·0,14 €/kWh +
0,1 kWh·0,13 €/kWh + 0,0 kWh·0,11 €/kWh + 0,4 kWh·0,11 €/kWh +
1,1 kWh·0,11 €/kWh + 0,0 kWh·0,12 €/kWh - 1,5 kWh·0,1 €/kWh =
0,234 € - 0,15 € = 0,084 €
En el cas que el valor resultant sigui negatiu, és a dir, que hem abocat més que no pas hem consumit de la xarxa, el valor econòmic del terme d’energia serà de 0 €, ja que per llei no es pot compensar més que el valor econòmic de l’energia consumida de la xarxa.
Recordeu que la factura inclou despeses fixes que no es poden compensar: part fixa de potència, lloguer del comptador i impostos associats a aquests conceptes.
Autoconsum col·lectiu
Les instal·lacions d’autoconsum poden ser individuals o col·lectives.
A les individuals, la instal·lació de generació està associada a un sol habitatge, per exemple una instal·lació fotovoltaica a la teulada d’una casa unifamiliar que alimenta només els consums propis de l’habitatge: enllumenat, electrodomèstics, etc.
L’autoconsum col·lectiu es produeix quan diferents consumidors s’uneixen per compartir l’energia que generi una o diverses instal·lacions d’autoconsum. Aquest seria el cas, per exemple d’una instal·lació en una comunitat de veïns, on tots o alguns habitatges comparteixen la instal·lació fotovoltaica ubicada a la coberta de l’edifici. Aquesta instal·lació permet alimentar la instal·lació interior de cada usuari i també els serveis comuns de l’edifici (ascensor, enllumenat de l’escala…).
La figura mostra el principi de funcionament de l’autoconsum individual i el col·lectiu.
La normativa també permet que més d’un habitatge estigui associat a la mateixa instal·lació de generació.
Centrals solars fotovoltaiques
Les centrals solars (horts solars, camps solars…) són un tipus d’instal·lació solar fotovoltaica connectada a la xarxa on tota l’energia produïda pel camp fotovoltaic està destinada a la venda.
Les instal·lacions d’autoconsum col·lectiu donen servei a diferents consumidors agrupant els usuaris d’edificis d’habitatges, polígons industrials, centres comercials, etc.
La figura mostra el diagrama de principi d’una central solar fotovoltaica.
Podem diferenciar dos casos diferents, els tràmits dels quals també ho són:
- Instal·lació generadora acollida a venda de tota l’energia produïda fins a 100 kW.
- Instal·lació generadora acollida a venda de tota l’energia produïda de més de 100 kW.
En tots dos casos per tal de posar en funcionament la instal·lació generadora els titulars d’aquestes instal·lacions han de sol·licitar una autorització administrativa a l’òrgan competent de la Generalitat de Catalunya en matèria d’energia i la inscripció al Registre d’instal·lacions de producció d’energia elèctrica (RIPRE).
La figura mostra un parc solar sobre un terreny rural. Habitualment aquestes instal·lacions es munten sobre coberta o sobre el terreny.

















