Dibuix tècnic aplicat
El dibuix tècnic és un sistema de representació gràfic de diversos tipus d’objectes, amb la finalitat de proporcionar prou informació per facilitar l’anàlisi, ajudar a elaborar el disseny i possibilitar-ne la futura construcció i manteniment.
El dibuix tècnic acostuma a fer-se amb l’ajut de mitjans informatitzats o, directament, sobre paper o altres suports plans. Els objectes, peces, màquines, edificis, plans urbans, etc., se solen representar en planta (vista superior, vista de sostre, planta de pis, coberta, etc.), alçat (vista frontal o anterior i lateral; almenys una) i seccions (o talls ideals) indicant-hi clarament les dimensions mitjançant acotacions; són necessàries un mínim de dues projeccions (vistes de l’objecte) per aportar informació útil de l’objecte.
El dibuix tècnic engloba treballs com ara esbossos o croquis, esquemes, diagrames, plànols elèctrics i electrònics, representacions de tot tipus d’elements mecànics, plànols d’arquitectura, urbanisme, etc., resolts mitjançant l’auxili de conceptes geomètrics, en què són aplicades la matemàtica, la geometria euclidiana, diversos tipus de perspectives, escales, etc.
El dibuix pot ser plasmat en una gran varietat de materials, com per exemple diversos tipus de paper, llenç o acetat; també podem projectar-lo en pantalla, mostrar-lo en un monitor, recrear animacions gràfiques dels volums, etc. Per fer el dibuix tècnic emprem diversos estris o instruments: regles de diversos tipus, compassos, llapis, esquadres, cartabó, tiralínies, retoladors, etc. Actualment, es fa servir sobretot la informàtica, en el vessant de disseny assistit mitjançant programes (CAD, 3D, vectorial, etc.) amb resultats òptims i en procés de millora continu.
Representació
Per a la representació i la realització de peces de mecanització hem de tenir en compte tot un seguit de normes tècniques de dibuix que són molt útils per a aquesta representació i realització.
Els cossos geomètrics, peces i elements de mecanització es representen i queden definits per les projeccions ortogràfiques sobre sis plànols perpendiculars entre ells que reben el nom de plànols principals.
Aquestes sis projeccions, anomenades correntment vistes, reben els noms d’alçat, planta, perfil esquerre, perfil dret, vista inferior i vista posterior.
Aconseguim la representació en un únic pla (figura) fent coincidir tots sis plànols en un d’ells mitjançant girs d’aquests sobre les arestes corresponents.
Sistema dièdric
El sistema dièdric és un sistema de representació geomètric dels elements de l’espai sobre un plànol, és a dir, la reducció de les tres dimensions de l’espai a les dues dimensions del plànol, utilitzant una projecció ortogonal sobre dos plànols que es tallen perpendicularment. Per generar les vistes dièdriques, un dels plans s’abat sobre el segon.
En el sistema europeu de representació, i si res no ho impedeix, les vistes (figura) haurien d’ocupar necessàriament la posició assenyalada en la figura.
Quan per alguna raó una de les vistes no ocupa la posició que li toca d’acord amb la regla anterior, al peu haurà de dur la indicació següent: “Vista per…”.
La visual que origina l’esmentada vista s’identificarà amb una fletxa i una lletra majúscula, tal com es pot observar en la figura.
A la pràctica n’hi ha prou amb tres vistes per deixar definida qualsevol peça. Normalment, dibuixem l’alçat (vista principal), la planta i un dels perfils. En algunes peces n’hi ha prou amb dues vistes (alçat i planta o alçat i perfil) per definir-les completament (figura). En aquest cas, no dibuixarem la tercera vista.
Quan una peça pugui ser representada per l’alçat i planta o per l’alçat i perfil, triarem les dues possibilitats que donin lloc a menys línies de traços. En podem observar dos exemples en la figura.
Altres peces poden quedar perfectament definides per una sola vista amb l’ajuda de l’acotació, signes especials o indicacions complementàries. En aquest cas només haurem de dibuixar aquesta vista (vegeu la figura).
En la figura s’han representat un cilindre (figuraa) i un prisma (figurab). En la figuraa, la cota 50 amb el signe Ø com a exponent indica que la secció recta és un cercle de 50 mm de diàmetre. En la segona peça (figurab) la cota 60 amb el signe quadrat com a exponent indica que es tracta d’un prisma la secció recta del qual és un quadrat de 60 mm de costat.
Com a regla general no hem de dibuixar més vistes que les indispensables per a la definició exacta i completa de la peça. Són excepcions de la regla anterior les peces complicades en les quals una altra vista o vistes, a més de les indispensables, poden facilitar el treball de lectura i interpretació del dibuix de la peça.
Si algun detall de la peça no queda clarament definit en les vistes normals, podem dibuixar-ne una vista parcial. Al peu d’aquesta vista parcial també hem de posar la indicació següent: “Vista per…”, i identificarem la visual que la va originar amb una fletxa i una lletra majúscula (vegeu la figura).
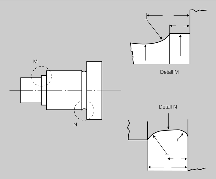
Quan en el dibuix d’una peça hi hagi zones de difícil lectura perquè la mida dels detalls continguts en aquestes zones és petita, les dibuixarem a part, ampliant-les convenientment (figura). Envoltarem la zona ampliada amb un cercle de punt i traç i una lletra majúscula.
El detall ampliat durà al peu la indicació: “Detall…”.
No hem de dibuixar les vistes d’una peça ni massa juntes ni excessivament separades. Els espais lliures entre les vistes dependran de la grandària de les vistes i seran prou amplis per col·locar les cotes o anotacions necessàries.
La vista de front o alçat és la vista principal i ha de ser escollida curosament perquè permeti apreciar allò que és més important i característic de la peça.
En els dibuixos de conjunt hauríem de representar les peces en la posició d’ocupació o funcionament. En els dibuixos de detall, representarem les peces en la posició de fabricació. Si una peça adopta diverses posicions en el procés de fabricació, per dibuixar-la triarem la posició predominant en aquest procés.
Cotes
Els plànols són documents que defineixen completament els objectes que representen. Per definir aquests objectes necessitem: les vistes que defineixen la forma geomètrica i les cotes que defineixen les dimensions. Una cota és el valor numèric expressat a les unitats de mesura apropiades, que es representa mitjançant línies, xifres, símbols i textos.
Dibuixem les arestes i línies de contorn de superfícies visibles per l’observador amb línia contínua i gruixuda. L’espessor d’aquest tipus de línies dependrà de la grandària del dibuix.
En dibuixos de gran grandària convindran línies d’espessors grans i en dibuixos petits línies d’espessor més fi.
Dibuixem les arestes i línies de contorn ocultes amb línies de traços d’espessor igual a la meitat d’allò que hem escollit per a les línies contínues corresponents a les arestes vistes.
Els traços tindran la mateixa longitud i els espais entre ells haurien de ser iguals i molt petits (figura).
Les línies de traços han de començar i acabar en traç, llevat que siguin prolongació de línies contínues. Només en aquest cas començaran i acabaran en espai. Vegeu-ne exemples en la figura.
Tallarem les línies de traços sempre en traç (figura). Quan les línies de traços estiguin compostes per arcs, o arcs i rectes, els traços haurien de tenir el principi o el final als punts de tangència.
Quan dues línies de traços paral·leles estiguin molt juntes (figura), hauríem de dibuixar-les amb els traços desplaçats entre elles.
Si en una vista coincideixen una línia contínua i una de traços, dibuixarem només la primera (figura).
Només cal que dibuixem línies de traços que siguin totalment necessàries per a la definició exacta de la peça. Si en una o dues vistes d’una peça queda definit un detall que en altres vistes estaria representat en línies de traços, podem prescindir d’aquestes mateixes línies de traços en les altres vistes (figura).
Les vistes simètriques han de dur eixos de simetria de traç i punt (figura). L’espessor d’aquests eixos és la tercera part del de les línies contínues d’arestes vistes. La longitud dels traços haurà de ser uniforme i dependrà de la grandària del dibuix. Col·locarem els punts, d’igual espessor que els dels traços, a la meitat de l’espai lliure entre aquests. Els espais seran molt petits.

Només podem tallar els eixos en traç.
Quan els eixos siguin molt curts (figura), els dibuixarem amb línia contínua.
Els eixos han de sobresortir una mica de les vistes però no podem perllongar-los d’una vista a una altra (figura).
Els eixos que es refereixen solament a un detall de la peça haurien de limitar la longitud a ell mateix (figura).
Només podem ometre els eixos en els casos senzills en què no calgui indicar-ne la simetria (figura).
No hem de dibuixar eixos transversals en l’eix longitudinal de les peces (figura).
Quan una línia de traços coincideix amb un eix (figura), dibuixarem només en la zona de coincidència.
En les peces simètriques (figura) podem dibuixar només la meitat de les vistes, fins a l’eix de simetria. Aquest haurà de dur la indicació de la simetria mitjançant dues ratlles curtes paral·leles. En tot cas convé que una de les vistes mostri la peça completa.
En el sistema europeu hi ha una posició obligada de les vistes diferent del sistema americà. Podeu veure aquestes posicions en la figura.
Croquis
Un croquis és fonamental per a la mecanització d’una peça. Els croquis o esbossos són una representació feta a mà sense gran exactitud però amb totes les característiques que en defineixen el disseny. Serveixen per a una primera transmissió d’idees entre el dissenyador i la resta de persones implicades en el disseny. El fem a mà amb llapis o retoladors amb un suport molt variat (paper, cartolina…), entre els quals destaca el paper mil·limetrat.
-

- Croquis d'una peça
Els croquis no estan afectats per l’escala, tot i que sí han de ser proporcionats.
La diferència entre un plànol i un croquis és la qualitat de les línies dibuixades (figura). Les línies dels plànols són perfectes i el dibuix està proporcionat. Les línies del croquis es fan a mà alçada i no són perfectes, encara que convé mantenir-ne les proporcions.
Acotació
Després de seleccionar les vistes necessàries perquè puguem interpretar la peça que volem fer al taller i després de dibuixar-la a mà alçada sobre el paper de fer croquis, l’operació més important que queda per fer és l’acotació. Acotar una peça és indicar sobre el dibuix fet totes les dimensions de la peça, de tal manera que l’operari i altres persones que hi intervinguin en l’elaboració no hagin de fer cap operació aritmètica, ni mesurar una cota sobre l’esmentada pàgina per conèixer-la.
Els elements que intervenen per acotar una peça són els següents:
- Línies de cota. Serveixen per indicar les mesures i es col·loquen generalment perpendiculars a les arestes o paral·lelament a la dimensió que s’ha de acotar (figuraa). Hem de col·locar aquestes línies a tot estirar a 8 mm de les arestes del cos. Les línies de cota paral·leles han |d’estar a una distància prou gran entre elles i sempre que sigui possible aquesta distància hauria de ser uniforme i mai de menys de 5 mm (figurab). No hem de fer servir els eixos i les arestes com a línies de cota (figurac), sinó que els dibuixem amb una línia contínua fina.
- Línies auxiliars de cota. Les mesures que no posem entre les arestes del cos les posarem per mitjà de línies auxiliars de cota que s’indicaran directament en les arestes del cos i sobresurten aproximadament uns 2 mm de les línies de cota. Sempre que sigui possible, no hem de creuar aquest tipus de línies amb altres línies (figuraa). Les dibuixem amb línia contínua fina. Assenyalem els extrems de les línies de cota amb fletxes la longitud de les quals és aproximadament cinc vegades l’amplària de les arestes del cos, és a dir, si dibuixem les arestes visibles amb línies contínues de 0,5 mm, la longitud de la fletxa serà de 2,5 mm. La punta de la fletxa forma un angle de 15º aproximadament (figurab).
En el procés de mecanització d’una peça l’operari que la mecanitzarà, segons el croquis que se li ha lliurat, no ha de tenir cap dubte sobre les mesures representades, ni ha d’haver de fer cap càlcul. El fet d’acotar amb aquest sistema l’orienta en la mecanització. Si vol afegir-hi alguna cota més, com a ajuda, la posarà entre parèntesis.
-

- S’anomena torn a un conjunt de màquines eina que permeten mecanitzar peces de forma geomètrica. Aquestes màquineseina operen fent girar la peça a mecanitzar (subjecta en el capçal o fixada entre els punts de centrament) mentre una o diverses eines de tall són empeses en un moviment regulat d’avanç contra la superfície de la peça, tallant l’encenall d’acord amb les condicions tecnològiques de mecanitzat adequades i el croquis presentat.
Exemple de procés de mecanització
El procés de fabricació per mecanitzar la peça de la figuraa és el següent: a partir d’una barra de 25 mm de Ø (figurab, c, d i e).
Com podem observar en la figura, l’acotació de la peça acabada està basada en el procés de mecanització que s’ha seguit en el torn. El mateix es fa si es tracta d’una altra peça i una altra màquina.
Una de les característiques fonamentals d’un croquis és que les seves figures estan acotades. Que el dibuix d’una peça o objecte inclogui el valor de les seves dimensions, és a dir, que estigui acotat, és fonamental, sobretot per a l’operari que, seguint els plànols que se li presenten, ha de fabricar les peces o objectes.
Les dimensions d’una peça estan indicades per l’acotació corresponent. L’acotació d’una peça ha de correspondre’s a les seves dimensions al final del procés de fabricació, és a dir, a la peça completament acabada i preparada per treballar.
Hem de triar i indicar les cotes als dibuixos, tenint en compte les operacions de fabricació, funció i comprovació de les peces. Per aquest motiu és important que el projectista o dibuixant conegui a fons aquestes operacions per arribar a una acotació correcta.
L’acotació ha de ser de tal manera que en el taller puguem deduir sense cap esforç i sense possibilitat de dubte o error les dimensions de la peça. Per això hem de col·locar les cotes de manera clara i fàcilment llegible.
Per la mateixa raó cal fitar les dimensions necessàries per construir la peça sense ometre’n cap.
Una cota important oblidada invalida tot el dibuix. Les cotes han de correspondre a dimensions que puguem mesurar directament sobre la peça una vegada construïda.
L’acotació de peces està normalitzat, és a dir, està subjecte a determinades normes i regles, cosa que permet que qualsevol persona que conegui la normativa pugui interpretar perfectament qualsevol dibuix, pel que fa a les seves dimensions.
Podem classificar les cotes en dos grups:
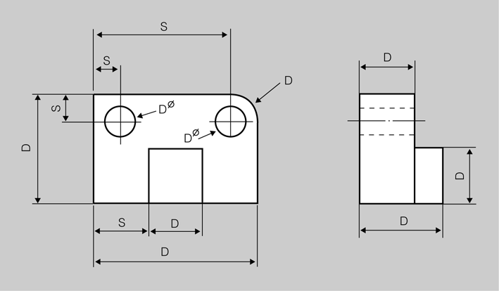
- Les cotes de dimensió fan referència a la grandària de les formes o elements bàsics com ara prismes, cilindres, cons, etc., que constitueixen la peça.
- Les cotes de situació són les que indiquen la posició d’aquests elements bàsics, els uns en relació amb els altres, en el conjunt de la peça. En la figura, assenyalem les cotes de dimensió amb una D i les de situació, amb una S.
Per fer una acotació correcta hem de començar per les cotes de dimensió i una vegada col·locades aquestes, hem de posar les cotes de situació.
Fitarem cada dimensió només un cop, ja que cal fer-ho sobre la vista que defineixi millor la forma de la dimensió a mesurar.
Les magnituds que acotem són les longituds i els angles. Expressem les longituds en mil·límetres, i, tret que s’utilitzin altres unitats, només escriurem la xifra que representi la magnitud sense necessitat de posar la unitat (figura). Expressem els angles en graus, minuts i segons sexagesimals.
Hem d’evitar les cotes duplicades per la confusió que un excés de xifres pot originar en la lectura del dibuix. Anomenem duplicades les cotes col·locades en vistes diferents que indiquen la grandària d’una mateixa dimensió.
També hem d’evitar les cotes innecessàries, i ho són les que no són precises per a la construcció de la peça ni per a cap altra operació posterior de comprovació. No hem de fitar les dimensions de les formes que resultin de per si en el procés de fabricació.
En general, és preferible fitar les vistes per l’exterior. No obstant això, podem col·locar cotes per l’interior si amb això no perjudiquem la claredat del dibuix (figura). Quan en una peça hàgim de fitar dimensions exteriors i interiors procurarem disposar ambdós grups de cotes separats entre ells.
Farem la col·locació o repartiment de cotes pel dibuix sempre tenint en compte la claredat (figura). Les col·locarem de manera ordenada, repartides uniformement i mai amuntegades.
Hem d’aplicar l’acotació amb línies plenes, evitant sempre que sigui possible fer-ho a línies de traços.
Per a l’acotació d’un dibuix fem servir els elements següents:
- Línies de cota
- Línies auxiliars de cota
- Fletxes de cota
- Xifres de cota
- Línies de referència (figura)
Disposem les línies de cota paral·leles a la dimensió a fitar (figura). Són de traç fi i continu i duen un buit al centre per a l’escriptura de la xifra de cota.
Les línies de cota han d’estar separades de les arestes del cos a una distància proporcional a la grandària del dibuix. En cap cas aquesta distància serà menor de 8 mm. Entre dues línies de cota paral·leles hi haurà una separació també proporcional a la grandària del dibuix, però mai serà inferior a 5 mm, i a més, les línies de cota paral·leles haurien de tenir una separació uniforme entre elles (figura).
No podrem utilitzar les arestes i eixos en cap cas com a línies de cota (vegem la figura).
En arcs i angles les línies de cota són un arc concèntric (figura).
En cas de falta d’espai, podem col·locar les línies de cota tal com s’indica en la figura.
Procurarem, sempre que sigui possible, que les línies de cota no es tallin entre elles ni amb altres línies.
No podrem traçar línies de cota en prolongació de les arestes de la peça (figura).
En l’acotació de peces simètriques, dibuixades completes, les línies de cota indicaran dimensions entre punts i eixos d’elements simètrics i mai entre aquests i l’eix de simetria (figura).












































