Configuració d'instal·lacions solars fotovoltaiques connectades a la xarxa
Tècnicament, les instal·lacions solars fotovoltaiques interconnectades a la xarxa per a la venda elèctrica (centrals solars) i les instal·lacions solars per a l’autoconsum són semblants, però els seus objectius finals són diferents, ja que, segons el cas, caldrà garantir el subministrament elèctric de l’usuari final o no.
Per tant, els criteris de disseny inicials són diferents.
Tipus d'instal·lacions
Les diferents tipologies d’instal·lacions solars fotovoltaiques connectades a la xarxa són les següents:
- Centrals fotovoltaiques.
- Instal·lacions d’autoconsum.
Centrals fotovoltaiques
La figura mostra una instal·lació solar fotovoltaica connectada a la xarxa, l’objectiu de la qual és la producció d’energia per a la venda elèctrica.
Classificació
Les centrals solars destinades a la venda d’energia elèctrica poden classificar-se en funció de la potència instal·lada: petita, mitja o gran potència.
Com a norma general, les instal·lacions fotovoltaiques connectades a xarxa que tenen potències superiors als 100 kW s’anomenen horts o parcs solars. Aquests tipus d’instal·lacions es connecten a la xarxa de distribució en mitja o alta tensió.
Com més potència tingui una central solar més es complica la seva instal·lació, ja que pot requerir centres de transformació o subestacions elèctriques amb els equips i dispositius associats que incorporen.
Altres tipus d’instal·lacions més petites, de potències entre 5 kW i 100 kW, s’instal·len normalment a les teulades dels edificis. Aquestes instal·lacions reben el nom d’edificis fotovoltaics i lliuren l’energia en baixa tensió.
Instal·lacions de petita i mitja potència
Les instal·lacions de petita i mitja potència utilitzen un únic inversor (figura):
- Els sistemes fotovoltaics de fins a 15 kW, per ser sistemes de poca potència, es poden connectar a la xarxa monofàsica en baixa tensió, a una tensió nominal de 230 V en CA.
- Per a potències superiors a 15 kW, la connexió ha de ser a una línia trifàsica (3 x 400/230 V) i amb un desequilibri màxim entre les fases de 5 kW.
El principal avantatge d’aquest tipus d’instal·lació és la facilitat de manteniment i un cost econòmic petit. Però quan aquesta tipologia utilitza un inversor amb un únic MPPT presenta els desavantatges següents:
Els inversors d’instal·lacions connectades a la xarxa regulen el funcionament del camp fotovoltaic realitzat el seguiment del punt de màxima potència (MPPT).
- Qualsevol defecte de la instal·lació provoca l’aturada de tota de la producció de la planta.
- Dificultat d’ampliar la instal·lació.
- Reducció de la producció quan les condicions de funcionament de cada cadena o mòdul són diferents.
La utilització d’un inversor o MPPT per cada cadena limita els problemes d’acoblament entre mòduls i inversors i la reducció del rendiment de la planta a conseqüència de l’ombrejat o l’exposició al Sol no uniforme.
Si l’inversor només té un MPPT i les cadenes es connecten a un únic inversor, l’ombreig o fallada d’una cadena provoca una reducció gran del rendiment elèctric de la central.
En aquesta configuració és possible utilitzar mòduls amb característiques diferents en cada cadena per augmentar l’eficiència i fiabilitat de tota la planta.
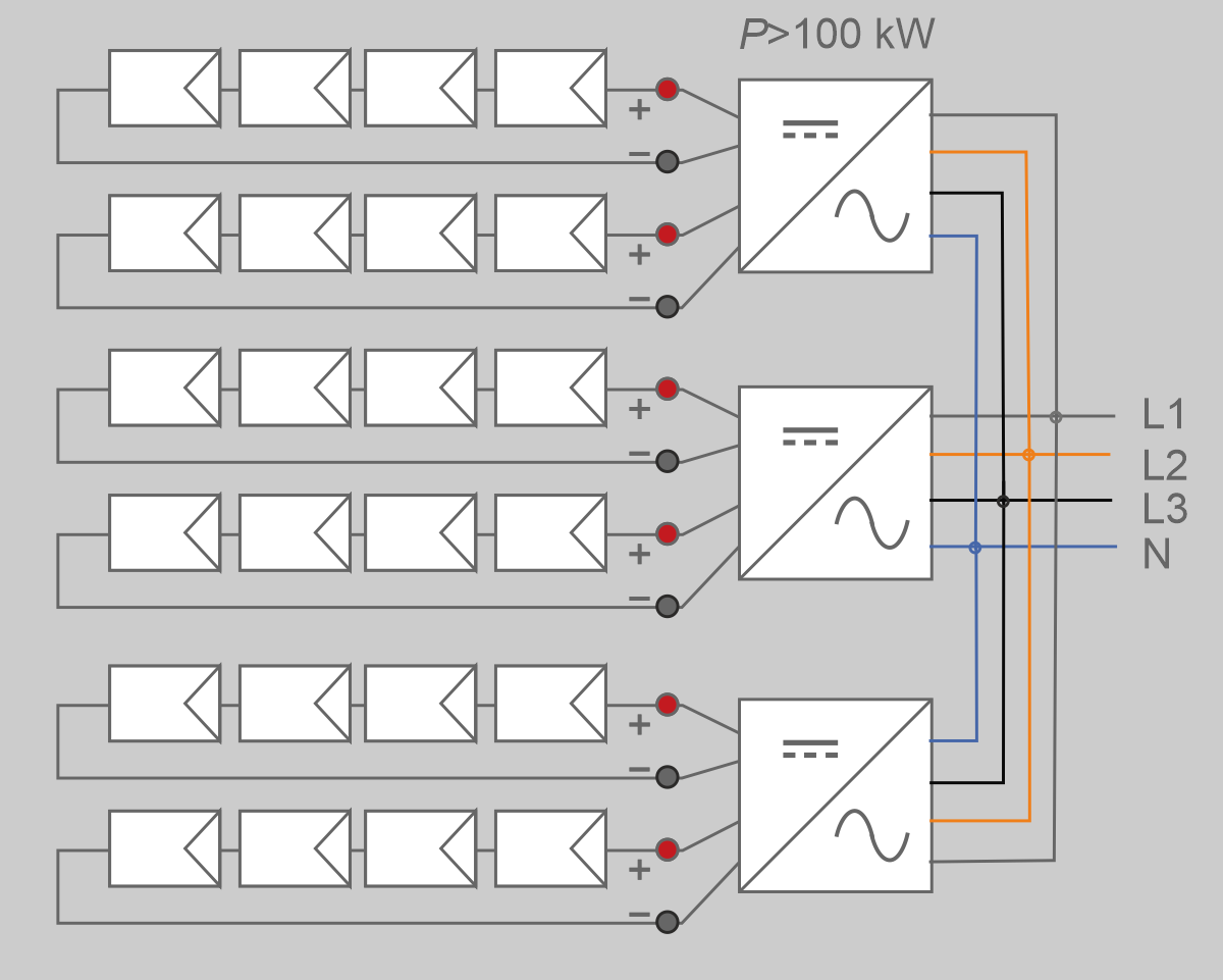
Instal·lacions de gran potència
Les instal·lacions de gran potència comprenen aquelles amb una potència de l’inversor més gran de 100 kW, però n’hi ha que poden superar 1 MW de potència instal·lada.
Quan la utilització d’un únic inversor és insuficient per aconseguir la potència necessària, s’utilitzen diversos inversors.
En les centrals solars de grans dimensions, com podeu veure a la figura, es divideix el camp fotovoltaic en diferents parts (subcamps), cadascuna proveïda d’un inversor propi al qual es connecten diferents cadenes en paral·lel a diferents punts d’entrada MPPT.
A mesura que la potència de la planta solar augmenta, cada cadena o conjunt de cadenes pot connectar-se al seu propi inversor. D’aquesta manera cada cadena funciona en el seu MPPT.
En disposar de diferents inversors, qualsevol problema en un subcamp no implica la pèrdua de producció de tota la planta, sinó únicament la de l’inversor afectat.
Avantatges
Aquesta configuració manté l’avantatge de la reducció dels problemes causats per l’ombreig i l’exposició desigual de les cadenes, així com els problemes deguts a l’ús de mòduls de característiques diferents, sempre que les cadenes dels subcamps amb mòduls idèntics i amb la mateixa exposició a la radiació solar es connectin al mateix inversor o MPPT.
Per efectuar les operacions de manteniment i verificació sense deixar fora de servei tota la planta solar, es recomana que cada cadena fotovoltaica pugui desconnectar-se per separat. Per tant, s’utilitzen quadres de distribució (figura) que faciliten la connexió en paral·lel de les cadenes fotovoltaiques. En aquests quadres s’instal·len els diferents elements de protecció de cada cadena fotovoltaica.
Proteccions
La protecció contra sobrecàrregues d’una cadena o generador fotovoltaic es realitza mitjançant un interruptor automàtic o un fusible, mentre que la protecció contra el corrent invers pot realitzar-se mitjançant díodes de bloqueig. També cal instal·lar dispositius de protecció contra les sobretensions transitòries.
Instal·lacions d'autoconsum
En una instal·lació d’autoconsum l’energia generada pel sistema solar fotovoltaic que no s’utilitza per a l’edifici, genera un excedent.
Aquest excedent fotovoltaic pot gestionar-se de diferents maneres:
- Sense gestió: l’excedent fotovoltaic s’exporta a la xarxa de distribució elèctrica.
- Amb gestió: l’excedent d’energia fotovoltaica s’administra per aprofitar-lo al màxim. Per a això tenim diferents opcions:
- Emmagatzemar l’energia en bateries.
- Escalfar aigua calenta sanitària.
- Carregar un vehicle elèctric.
Seguint aquests criteris, podem classificar diferents tipologies d’instal·lacions d’autoconsum:
- Autoconsum instantani.
- Autoconsum instantani amb emmagatzematge.
- Autoconsum amb gestió dinàmica d’excedents.
Autoconsum instantani
En una instal·lació d’autoconsum instantani l’energia generada pel sistema solar fotovoltaic pot ser consumida directament per l’edifici i l’excedent es lliura a la xarxa de distribució elèctrica.
La figura mostra l’esquema de principi d’aquest tipus d’instal·lació:
El consum d’energia elèctrica que procedeix de la xarxa de distribució elèctrica serà la diferència entre la demanda elèctrica de l’edifici i l’energia elèctrica generada pel sistema solar fotovoltaic.
- Si la generació fotovoltaica és inferior a la demanda elèctrica de l’edifici, s’importarà la diferència d’electricitat de la xarxa de distribució.
- Si la generació fotovoltaica és superior a la demanda elèctrica de l’edifici hi ha un excedent fotovoltaic, que s’abocarà a la xarxa.
La figura mostra la corba de consum d’aquest tipus d’instal·lació:
Injecció zero
En les instal·lacions amb injecció zero cal reduir el rendiment de l’inversor fins a ajustar-lo a la demanda elèctrica de l’edifici i instal·lar un dispositiu antiabocament a la xarxa.
- (1) Durant la nit i quan la producció energètica és insuficient, la instal·lació s’alimenta des de la xarxa de distribució elèctrica.
- (2) Durant el dia, la instal·lació s’alimenta directament des del generador fotovoltaic.
- (3) Si hi ha excedent d’energia es lliura a la xarxa.
Autoconsum instantani amb emmagatzematge
Una instal·lació d’autoconsum instantani amb emmagatzematge permet gestionar l’excedent fotovoltaic, de manera que en lloc de lliurar-lo a la xarxa de distribució elèctrica, s’utilitza per a carregar les bateries de la instal·lació. Així, quan la generació fotovoltaica sigui insuficient, l’habitatge pot alimentar-se des de les bateries en lloc d’alimentar-se des de la xarxa elèctrica.
La figura mostra l’esquema de principi d’aquesta tipologia d’instal·lació. Un cop el camp fotovoltaic ha generat l’energia i assolida la demanda elèctrica de l’edifici, en el cas que es produeixin excedents es procedeix a la càrrega de les bateries.
Els sistemes d’emmagatzematge d’energia utilitzats en els sistemes connectats a la xarxa tenen com a objectiu reduir el consum d’energia de la xarxa, utilitzant un banc de bateries.
La importància d’aquesta tipologia és que permet independitzar la coincidència en el temps entre la generació fotovoltaica i la demanda d’electricitat de l’edifici.
Diferència entre la generació fotovoltaica i la demanda d'electricitat
És molt comú, sobretot en habitatges, que durant les hores de més Sol no hi hagi molta demanda energètica a l’edifici, de manera que a vegades pot desaprofitar-se més del 50% de la generació fotovoltaica. En canvi, a primera hora del dia i al vespre les demandes elèctriques augmenten, però en aquestes hores la generació fotovoltaica és molt reduïda.
En el mercat hi ha diferents tipus de bateries: Pb-àcid, tipus gel…, però les més aconsellades en aquest tipus d’instal·lació són les d’ió-liti.
La figura mostra la corba de consum d’una instal·lació d’autoconsum instantani amb emmagatzematge:
- Durant la nit, si les bateries estan descarregades, la instal·lació s’alimenta des de la xarxa de distribució elèctrica.
- Durant el dia, la instal·lació s’alimenta directament des del generador fotovoltaic.
- Si hi ha excedent d’energia, aquest s’utilitza per carregar les bateries.
- Quan les bateries s’han carregat completament, l’excedent es lliura a la xarxa.
- Quan l’energia generada pel camp fotovoltaic és insuficient, la instal·lació s’alimenta des de les bateries.
La configuració d’aquest tipus d’instal·lació depèn de les característiques dels components utilitzats:
- Inversor híbrid. Aquest tipus d’inversor té capacitat de regular la càrrega de les bateries.
- Inversor convencional. En aquest cas cal instal·lar addicionalment un regulador de càrrega independent.
Autoconsum amb gestió dinàmica d'excedents
La figura mostra el principi de funcionament de la gestió dinàmica d’excedents d’una instal·lació.
Gestió dinàmica d'excedents
El procés de gestió dinàmica d’excedents garanteix l’ús òptim de l’energia fotovoltaica excedent en una instal·lació, de manera que aquest pot utilitzar-se per carregar un vehicle elèctric o escalfar aigua.
Una manera d’optimitzar el consum de l’energia subministrada pel generador fotovoltaic és aprofitar l’energia excedent per realitzar alguna de les tasques següents:
Ohmpilot
Regulador de consum del fabricant Fronius que permet el control intel·ligent d’elements tèrmics per l’escalfament d’aigua i altres dispositius tèrmics.
- Derivar l’energia no consumida a un escalfador d’aigua elèctric (Ohmpilot) controlat per un regulador de consum. En aquest dispositiu pot configurar-se la potència de regulació i aprofitar l’energia fotovoltaica excedent per controlar de manera intel·ligent els elements calefactors d’una instal·lació.
- Recarregar un cotxe elèctric en les hores planificades (Wattpilot), prioritzant la recàrrega amb l’energia solar excedent o de la xarxa elèctrica en els moments en què les tarifes elèctriques són més flexibles. D’aquesta manera, la càrrega estarà sempre garantida de la manera més econòmica possible.
La figura mostra la corba de consum i generació d’aquest tipus d’instal·lació.
WattPilot
Carregador del fabricant Fronius que facilita la gestió de la càrrega intel·ligent de vehicles elèctrics.
Vehicle elèctric
Un vehicle elèctric disposa d’una bateria de gran capacitat. Per tant, una solució que optimitza el consum de l’energia generada per la instal·lació és la integració de la connexió del vehicle a l’edifici. D’aquesta forma la bateria del vehicle elèctric podrà emmagatzemar l’excedent del sistema fotovoltaic en el cas que la bateria de la instal·lació estigui plena.
Un carregador per a cotxe elèctric pot connectar-se a una instal·lació fotovoltaica i controlar de manera intel·ligent la càrrega de les bateries amb l’energia solar generada i, si és el cas, cercar les tarifes més econòmiques quan cal carregar-les des de la xarxa elèctrica.
Especificacions inicials de la instal·lació
El dimensionament d’una instal·lació fotovoltaica és diferent si la instal·lació està destinada exclusivament a la venda d’energia, a l’autoconsum instantani o bé a l’autoconsum amb emmagatzematge.
Però hi ha un conjunt de criteris de disseny i especificacions inicials que són comunes a totes les instal·lacions solars fotovoltaiques connectades a la xarxa. Per al dimensionament d’aquestes instal·lacions cal considerar els següents factors:
En el cas de les instal·lacions d’autoconsum, caldrà establir el consum i la potència instal·lada en l’edifici o habitatge.
- La situació del camp solar, que determinarà la radiació solar rebuda i la inclinació i orientació òptimes dels mòduls.
- La disposició del muntatge: amb seguiment, fix, integrat en l’edifici, sobre la teulada…
- Els obstacles i les possibles ombres que es puguin produir.
- La superfície disponible i la potència fotovoltaica que cal instal·lar.
- El compliment de la normativa actual. En els edificis de nova construcció pot ser obligatòria la instal·lació d’una potència mínima procedent de fonts renovables.
Una vegada definida la potència fotovoltaica que cal instal·lar segons les especificacions de la instal·lació, caldrà realitzar la configuració del generador fotovoltaic i seleccionar l’inversor més adient a la solució adoptada.
Altres factors que cal tenir en compte són el pas del cablejat i la ubicació de l’inversor.
Inclinació i orientació òptimes
L’objectiu d’una instal·lació solar fotovoltaica connectada a la xarxa és obtenir la màxima producció energètica anual.
L’angle d’inclinació dels mòduls d’una instal·lació solar fotovoltaica connectada a la xarxa que permet un aprofitament òptim de l’energia depèn de la latitud (Φ) del lloc d’instal·lació i ve determinada per l’expressió següent:
Aquesta expressió es pot simplificar per la següent:
L’orientació òptima en l’hemisferi nord sempre és el sud.
Inclinació òptima dels mòduls a Catalunya
Podem considerar que a tota Catalunya la latitud és pràcticament constant de 41°.
Per tant, la inclinació òptima dels mòduls d’una instal·lació connectada a la xarxa és d’uns 30º:
També podem calcular la inclinació òptima amb l’expressió simplificada següent:
Una inclinació entre 30° i 35° permet maximitzar la producció energètica anual. Així i tot, si la inclinació final dels mòduls és lleugerament diferent, la producció energètica no variarà significativament.
La inclinació òptima dels mòduls d’una instal·lació connectada a la xarxa a Catalunya és d’uns 30° aproximadament. En la pràctica, s’utilitzen valors que varien entre 30° i 35°.
Radiació rebuda
La generació d’energia fotovoltaica depèn de la radiació rebuda en el lloc d’instal·lació.
En la taula podeu comparar la radiació solar global diària sobre una superfície inclinada de 30° en les capitals de província de Catalunya per a una orientació sud (0°).
| Ciutat | Gen | Feb | Mar | Abr | Mai | Jun | Jul | Ago | Set | Oct | Nov | Des | Anual |
|---|---|---|---|---|---|---|---|---|---|---|---|---|---|
| Barcelona | 3,18 | 3,91 | 4,87 | 5,71 | 6,20 | 6,39 | 6,35 | 6,03 | 5,34 | 4,37 | 3,46 | 2,98 | 4,90 |
| Tarragona | 3,43 | 4,23 | 5,24 | 6,09 | 6,54 | 6,69 | 6,61 | 6,26 | 5,52 | 4,49 | 3,57 | 3,13 | 5,15 |
| Girona | 3,23 | 3,89 | 4,74 | 5,48 | 5,90 | 6,05 | 5,98 | 5,63 | 4,98 | 4,10 | 3,33 | 2,98 | 4,69 |
| Lleida | 2,05 | 3,21 | 4,62 | 5,75 | 6,40 | 6,64 | 6,57 | 6,11 | 5,18 | 3,79 | 2,42 | 1,68 | 4,54 |
Per conèixer la producció energètica anual és d’interès les HSP de mitjana anuals:
- Barcelona: HSP(30°) = 4,90 h.
- Tarragona: HSP(30°) = 5,15 h.
- Girona: HSP(30°) = 4,69 h.
- Lleida: HSP(30°) = 4,54 h.
Disposició dels mòduls
Per triar la disposició dels mòduls (vertical o horitzontal), quan s’instal·len en bancades sobre la superfície, hi ha dos criteris:
- Ombres (figura). Cal valorar la influència de les ombres sobre la superfície dels panells. En la disposició vertical, les ombres poden provocar la pèrdua del 100% de la producció energètica, ja que actuen tots els díodes de bypass del mòdul. En canvi, en la disposició horitzontal només actuaran els díodes afectats per les fileres de cèl·lules ombrejades.
- Cost de l’estructura de suport (figura). La col·locació dels mòduls en posició vertical estalvia superfície de suport, a causa de la forma rectangular que tenen tots els panells, de manera que també s’estalvien costos.
-

- Les estructures coplanars s'utilitzen en cobertes inclinades o en cobertes lleugeres que no admeten grans esforços mecànics.
En el cas d’utilitzar una estructura coplanar, la disposició dels panells vindrà determinada pel tipus d’ancoratge emprat (figura). Com a norma general, quan es col·loca un panell en horitzontal, un sistema coplanar permet fixar els ancoratges i fer servir el menor material possible en posicionar els raïls sobre el costat més curt de la placa solar.
Ombres
Per tal de maximitzar la producció energètica cal minimitzar les pèrdues per ombres (FS).
La distància mínima de separació (d) entre una filera de mòduls i l’obstacle més proper d’alçada (h) ve determinada a Catalunya per la següent expressió:
La separació entre panells (d) en funció de la seva inclinació (β) i de la seva longitud (l), ve determinada pel factor (K) que podeu veure a la taula:
| β | 20° | 25° | 30° | 35 | 40° | 45° | 50° | 55° | 60° |
|---|---|---|---|---|---|---|---|---|---|
| Factor K | 1,63 | 1,76 | 1,87 | 1,98 | 2,06 | 2,13 | 2,20 | 2,23 | 2,25 |
La figura resumeix les distàncies mínimes en fileres de panells en les instal·lacions connectades a la xarxa. En aquestes instal·lacions, com que sovint la seva inclinació és de 30º o 35º, la distància entre mòduls serà la següent:
- β(30º):

- β(35º):

Potència fotovoltaica instal·lada
Un factor limitant de les instal·lacions connectades a la xarxa fa referència a la seva potència, ja que segons la potència instal·lada els tràmits i els requisits són diferents:
La potència fotovoltaica màxima que podem instal·lar ve determinada per la superfície disponible.
- Instal·lacions de producció d’energia elèctrica de petita potència (P < 100 kW). El rang de potència pot ser molt variable, sent habitual de 5 kW fins a 100 kW.
- Instal·lacions destinades a la generació a gran escala, generalment propietat de grans empreses elèctriques (P > 100 kW). En aquest cas, el límit de potència resta establert per la potència d’evacuació de la línia de connexió a la xarxa, que és determinat per la companyia distribuïdora.
La normativa aplicable per a les centrals fotovoltaiques és molt diferent depenent de si la potència de la instal·lació és superior a 100 kW o no.
Per al dimensionament de la potència d’una instal·lació, tindrem en compte els dos paràmetres següents:
- Potència instal·lada o potència pic. Potència màxima instal·lada dels panells del sistema solar fotovoltaic.
- Potència nominal. Potència nominal de l’inversor o inversors utilitzats en la instal·lació.
Tot i que el camp fotovoltaic tingui una potència més gran que l’inversor, aquest limitarà la potència de sortida en el moment de màxima radiació. En el cas que la potència del camp fotovoltaica sigui més baixa que la potència nominal de l’inversor, la potència de sortida mai superarà la potència nominal de la instal·lació.
La selecció de l’inversor es realitza en funció de la potència fotovoltaica instal·lada.
La potència de l’inversor (PINV) més adequada pot determinar-se a partir d’un valor entre 0,8 i 0,9 de la potència fotovoltaica instal·lada (PPV):
Aquesta relació considera la pèrdua de potència dels mòduls en condicions de funcionament reals (temperatura de treball, caigudes de tensió a les connexions elèctriques, etc.) i l’eficiència de l’inversor.
Considerarem que la potència nominal d’una instal·lació fotovoltaica és la potència nominal de l’inversor.
En tot cas, la potència màxima que podem instal·lar a l’entrada d’un inversor vindrà determinada per les especificacions subministrades pel fabricant.
La potència generada pel camp fotovoltaic varia segons les condicions de funcionament i, a vegades, pot superar la potència nominal de l’inversor. Per això, l’inversor està equipat amb una limitació automàtica de la potència subministrada per resoldre situacions en què la potència generada és més gran del normal.
Exemple de selecció d'un inversor
La figura mostra exemples de selecció de la potència nominal de l’inversor (PINV) a partir de la potència fotovoltaica instal·lada (PPV). Com a exemple, la potència nominal de l’inversor que cal utilitzar en una instal·lació de potència fotovoltaica instal·lada de 12 kW és d’aproximadament 10 kW:
Configuració del camp fotovoltaic
Una vegada determinada la potència fotovoltaica que cal instal·lar, s’haurà de seleccionar l’inversor fotovoltaic i establir la configuració que millor s’adapta a les característiques d’aquest.
Requisits dels mòduls fotovoltaics
Per garantir la màxima producció energètica, els requisits que han de complir els mòduls fotovoltaics connectats a la mateixa entrada d’un inversor són els següents:
- Tots els mòduls fotovoltaics han de ser del mateix tipus.
- Tots els mòduls fotovoltaics han de tenir la mateixa orientació i inclinació.
- En el dia estadísticament més fred, la tensió en circuit obert del camp fotovoltaic mai no ha de superar la tensió d’entrada màxima de l’inversor.
- Totes les cadenes connectades a la mateixa entrada o al mateix MPPT han de tenir el mateix nombre de mòduls fotovoltaics.
- Cal respectar els valors límit de la potència, tensió i corrent d’entrada màxims de l’inversor.
Situacions particulars en el muntatge de mòduls fotovoltaics
La figura mostra diferents situacions en el muntatge de mòduls fotovoltaics:
- En una central solar, la instal·lació es realitza per minimitzar les pèrdues per ombres. La quantitat de mòduls en sèrie de cada cadena depèn de l’inversor o inversors utilitzats. Cada cadena pot utilitzar diferent tipus de mòdul si estan connectats a entrades diferents de l’inversor.
- En les instal·lacions en teulades, siguin per a la venda o per a l’autoconsum, serà necessari utilitzar cadenes independents quan els mòduls utilitzats siguin diferents, la inclinació dels mòduls depenguin del lloc d’instal·lació o les ombres afectin de manera diferent segons la seva ubicació.
Hi ha situacions que s’intenta aprofitar la màxima superfície per instal·lar panells, encara que la generació no sigui l’òptima per la presència d’ombres.
Configuració de l'inversor
La taula mostra les característiques tècniques típiques que proporciona el fabricant d’un inversor de connexió a xarxa. Aquestes característiques hauran de ser compatibles amb la configuració del generador fotovoltaic.
| Dades d’entrada | |
|---|---|
| Potència màxima del generador FV | 3,0 kW |
| Nombre MPPT independents/nombre de cadenes per MPPT | 1/1 |
| Màxim corrent d’entrada | 10 A |
| Màxim corrent de curtcircuit | 18 A |
| Rang de tensió d’entrada CC (MPPT) | 160 V - 500 V |
| Tensió CC mínima d’entrada | 50 V |
| Tensió CC mínima de posada en marxa | 80 V |
| Tensió d’entrada màxima | 600 V |
| Tensió d’entrada nominal | 360 V |
| Dades de sortida | |
| Potència nominal CA | 1.500 W |
| Corrent de sortida CA | 7 A |
| Tensió de sortida | 230 V/50 Hz |
| Rendiment màxim | 97% |
Entre les característiques que cal considerar en el dimensionament correcte de l’inversor, destaquen les següents:
- Costat CC:
- Potència màxima fotovoltaica d’entrada.
- Tensió màxima admissible.
- Rang de variació de la tensió MPPT en condicions de funcionament estàndard.
- Costat CA:
- Potència nominal i potència màxima que pot subministrar de manera contínua.
- Intensitat nominal.
- Tensió i freqüència de sortida.
Cal seleccionar la configuració del generador fotovoltaic en funció de les característiques de l’inversor, determinant el nombre de mòduls de cada cadena fotovoltaica i el nombre de cadenes necessàries.
El nombre de mòduls que pot instal·lar-se en cada entrada d’un inversor vindrà determinat (figura) per:
- Nombre màxim de mòduls:
- Potència fotovoltaica màxima d’entrada de l’inversor.
- Tensió màxima del sistema dels mòduls fotovoltaics utilitzats.
- Tensió màxima d’entrada que pot suportar l’inversor, quan els mòduls estan en circuit obert.
- Tensió màxima de seguiment MPPT en condicions de funcionament normals.
- Nombre mínim de mòduls:
- Tensió mínima o tensió mínima d’arrencada de l’inversor.
- Tensió mínima de seguiment MPPT en condicions de funcionament normals.
Influència de la temperatura
El punt de treball del generador fotovoltaic depèn de les condicions de treball de cada moment, però és especialment important la influència de la temperatura en la tensió i corrent que proporcionen els mòduls fotovoltaics. Per tant, el càlcul del nombre de mòduls màxim s’hauria de realitzar amb la tensió del mòdul a la temperatura de funcionament més baixa (típicament -10º), mentre que el nombre mínim de mòduls hauria de realitzar-se a la temperatura més elevada (típicament +50º), quan la seva tensió és més petita.
Per a simplificar el càlcul del nombre màxim de panells que poden connectar-se en sèrie a l’entrada d’un inversor, com a criteris bàsics de disseny utilitzarem només els següents:
El generador fotovoltaic ha de complir tots els requisits establerts en les característiques de l’inversor. També les especificacions del corrent màxim d’entrada.
- Tensió màxima del sistema.
- Potència màxima de l’inversor fotovoltaic.
- Tensió màxima de l’inversor.
Tensió màxima del sistema
El nombre de mòduls d’una cadena fotovoltaica ve limitada per la tensió màxima que pot suportar l’inversor, però també per la tensió màxima del sistema especificada pel fabricant del mòdul.
La tensió màxima del sistema és la tensió màxima que pot suportar un panell quan es connecta en sèrie amb altres panells per formar una cadena fotovoltaica.
Aquesta tensió depèn del panell, sent habituals valors de 600 V, 750 V, 1.000 V o de 1.500 V.
El nombre de mòduls màxim (N) que podem connectar en sèrie dependrà, doncs, de la tensió màxima del sistema (VMÀX) i de la tensió màxima de circuit obert del mòdul (VOC MÀX):
Exemple de càlcul del nombre màxim de mòduls d'una cadena
Considerarem un exemple per determinar el nombre de mòduls que poden connectar-se a l’inversor de la taula a partir de les característiques del mòdul fotovoltaic que mostra la taula.
| PPMP | 285 W |
| IPMP | 9,06 A |
| VPMP | 31,5 V |
| ISC | 9,69 A |
| VOC | 38,7 V |
| VMÀX | 1.000 V |
La tensió màxima del sistema (VMÀX) d’aquest mòdul és de 1.000 V i la seva tensió de circuit obert (VOC) és de 38,7 V.
La tensió màxima del mòdul (VOC MÀX) que cal esperar en condicions de temperatures baixes és de 46,44 V:
El nombre màxim de mòduls (N) que poden connectar-se en sèrie és de 21:
Potència màxima de l'inversor fotovoltaic
En nombre de mòduls màxim (N) que podem connectar a un inversor, repartits en una o diverses cadenes, ve limitat per la seva potència màxima fotovoltaica (PMÀX PV) i per la potència de cada mòdul fotovoltaic (PMÀX) utilitzat:
Tensió màxima de l'inversor
La tensió màxima del generador fotovoltaic es produirà quan la temperatura sigui la més baixa. Per tant, la tensió màxima de circuit obert d’una cadena fotovoltaica (VOC GEN MÀX), formada per N mòduls en sèrie és:
Aquesta tensió mai ha de superar la tensió màxima que pot suportar l’inversor (VMÀX INV). Per tant, el nombre màxim de mòduls (N) que podem instal·lar en sèrie és:
Exemple de càlcul del nombre de mòduls màxim que poden connectar-se a l'entrada d'un inversor
La tensió d’entrada màxima de l’inversor (VMÀX INV) de la taula és de 600 V.
La tensió màxima de circuit obert de cada mòdul (VOC MÀX) és de 46,44 V. Per tant, el nombre màxim de mòduls (N) que poden connectar-se en sèrie sense superar aquesta tensió és de 12:
Com que la tensió màxima del sistema dels panells i la tensió màxima de l’inversor no coincideixen, el nombre de mòduls ve limitat pel sistema amb menys tensió màxima, en aquest cas l’inversor.
Nombre de mòduls del camp fotovoltaic
El nombre de mòduls que podem instal·lar a l’entrada d’un inversor haurà de complir tots els requisits establerts. Per tant, el nombre màxim de mòduls serà el més petit dels calculats.
Exemple de selecció del nombre de mòduls d'una cadena fotovoltaica
En la configuració de l’inversor de la taula, el nombre de mòduls màxim, de les característiques especificades a la taula, que poden connectar-se a l’entrada és:
- Segons la tensió màxima del sistema, el nombre màxim de mòduls que poden connectar-se en sèrie és de 21.
- Segons la potència fotovoltaica de l’inversor el nombre màxim de mòduls que poden connectar-se a l’inversor, repartits en una o diverses cadenes d’entrada, és de 10.
- Segons la tensió màxima de l’inversor, el nombre màxim de mòduls que poden connectar-se en sèrie és de 12.
Per tant, el nombre de mòduls que podem instal·lar és el menor dels valors calculats, és a dir, 10 mòduls.
DB HE5
La secció HE5 del document bàsic (DB) del codi tècnic de l’edificació (CTE) estableix la generació mínima d’energia elèctrica procedent de fonts renovables en els edificis de nova construcció o grans rehabilitacions d’edificis existents.
L’àmbit d’aplicació d’aquesta secció de la norma és el següent:
En aquestes instal·lacions no és obligatori instal·lar una central fotovoltaica, ja que poden instal·lar-se antres tipus de fonts d’energia renovable.
- Edificis de nova construcció quan superin els 1.000 m2 construïts.
- Ampliacions d’edificis existents quan s’incrementi la superfície construïda en més de 1.000 m2.
- Edificis existents que es reformin íntegrament o es produeixi un canvi del seu ús característic, sempre que se superin els 1.000 m2 de superfície construïda.
Aquests edificis disposaran de sistemes de generació d’energia elèctrica procedent de fonts renovables per a ús propi o per a subministrament a la xarxa.
La superfície construïda inclou la superfície de les zones destinades a aparcament a l’interior de l’edifici i exclou les zones exteriors comunes.
La potència a instal·lar mínima (PMÍN) serà la menor de les resultants d’aquestes dues expressions:
On:
- Fpr;el: factor de producció elèctrica, que pren un valor de 0,005 per a ús residencial privat i de 0,010 per a la resta d’usos [kW/m2].
- S: superfície construïda de l’edifici [m2].
- Sc: superfície de coberta no transitable o accessible únicament per a conservació [m2].
- Soc: superfície de coberta no transitable o accessible únicament per a conservació ocupada per captadors solars tèrmics [m2].
Exemple d'aplicació del CTE
Un edifici d’habitatges de nova construcció té una superfície construïda de 2.500 m2. Aquest edifici té 7 plantes, amb 4 habitatges per planta i la superfície de la teulada és de 450 m2 de coberta no transitable, en la qual s’instal·la una superfície de 50 m2 de captadors tèrmics.
La potència a instal·lar mínima serà la menor de les potències següents:
La potència mínima a instal·lar en aquest edifici és de 12,5 kW.
Configuració d'una central solar
Com que les instal·lacions fotovoltaiques connectades a la xarxa per a la venda d’energia elèctrica no han de garantir el subministrament energètic de cap usuari, en el dimensionament dels sistemes s’utilitza algun dels criteris següents:
- Característiques del generador fotovoltaic.
- Producció elèctrica anual.
- Màxima superfície disponible.
- Rendibilitat de les instal·lacions.
A partir d’aquests criteris s’establiran les especificacions inicials de la instal·lació.
Característiques del generador fotovoltaic
-

- Estructures muntades sobre coberta sandvitx.
Podem classificar dos tipus de sistemes que s’utilitzen en aquest tipus d’instal·lació:
- Estructures fixes. Proporcionen una posició fixa adequada al conjunt de mòduls, caracteritzant-se per una inclinació que optimitza la captació de la radiació solar. Les estructures fixes són molt senzilles i s’ha aconseguit una notable reducció de costos en plantes grans.
- Estructures mòbils. Proporcionen una incidència de la radiació del Sol gairebé perpendicular als mòduls durant tot el temps, de manera que la captació d’energia pot augmentar fins a un 35% respecte a la producció amb estructures fixes. Aquestes estructures també reben el nom d’estructures amb seguiment solar.
-

- Estructura mòbil utilitzada en les centrals solars.
Les estructures mòbils permeten el seguiment continu de la trajectòria solar mitjançant posicionadors electromecànics. Normalment, s’activen mitjançant motors que mantenen la superfície dels mòduls orientada cap al Sol. Amb el seguiment solar s’aconsegueix que els inversors treballin més temps a prop de la seva màxima potència, de manera que l’eficiència de la instal·lació és més gran.
Les estructures mòbils amb accionament manual estan totalment desaconsellades perquè necessiten un seguiment intensiu per part de l’usuari i això s’ha demostrat del tot ineficaç.
Aquestes estructures s’utilitzen habitualment en grans instal·lacions fotovoltaiques de connexió a la xarxa, ja que permeten augmentar de manera significativa la producció energètica.
Per contra, la utilització d’aquest tipus d’estructura augmenta el cost global de la instal·lació.
Hi ha dues tipologies de seguidors solars (figura):
Rendibilitat
Els sistemes de seguiment solar s’utilitzen en aquelles instal·lacions en les quals un augment de la producció justifiqui el cost addicional de l’estructura de suport mòbil.
Els seguidors solars optimitzen la producció solar dels panells fotovoltaics, augmentant la producció anual més del 30% respecte de les estructures fixes.
- Seguidors solars d’un eix. Aquests seguidors només permeten seguir la trajectòria del Sol en un angle, normalment la posició azimutal (eix est-oest).
- Seguidors solars de dos eixos. Aquests seguidors permeten fer un seguiment de la trajectòria solar tant en l’angle d’alçada solar com en el de posició azimutal (eix est-oest).
Encara que un sistema de seguiment solar permet un augment de la producció només és recomanable la seva utilització en aquelles instal·lacions en què un estudi econòmic garanteixi un balanç econòmic favorable entre el cost de la instal·lació i l’augment de la producció energètica.
Producció elèctrica anual
En els sistemes connectats a la xarxa elèctrica, cal tenir en compte la productivitat, és a dir, l’energia total que podem abocar a la xarxa al llarg de l’any per unitat de potència pic fotovoltaica instal·lada.
En aquest sentit, i a partir de seguiments empírics d’instal·lacions en servei, es poden establir per a Catalunya, en instal·lacions totalment lliures d’ombres i amb una orientació sud i una inclinació de 35°, valors de 900 a 1.350 kWh anuals per cada kW instal·lat com a valor realista de la producció estimada quan no existeix cap sistema de seguiment de la posició del Sol.
Pel que fa a la superfície disponible, s’ha de tenir en compte la potència específica del mòdul fotovoltaic (Wp/m2) de les dues tecnologies que actualment estan disponibles en el mercat: el silici monocristal·lí (200 W/m2) i el policristal·lí (150 W/m2).
Exemple d'estimació de la producció energètica anual
L’energia anual estimada (EESTIMADA) que podem obtenir d’una instal·lació connectada a la xarxa d’una potència pic (P) de 20 kW i una producció anual estimada per kW instal·lat (E) de 1.200 kWh/any és de 24.000 kWh/any:
Màxima superfície disponible
Com a punt de partida del dimensionament, s’ha de considerar la limitació de l’espai disponible, tenint en compte que per a la ubicació dels panells és necessari disposar d’una superfície lliure d’ombres i amb una incidència de radiació solar directa com a mínim de 4 hores al dia, en el mes més desfavorable.
En el dimensionament de les instal·lacions solars fotovoltaiques de connexió a xarxa, un dels condicionants de partida serà la ubicació i l’espai disponible per als panells.
Aquest criteri de disseny té en compte la superfície disponible i el nombre de mòduls que poden encabir-se. Amb aquestes dades podem calcular la potència de pic instal·lada que tindrà el nostre generador fotovoltaic segons la potència del mòdul fotovoltaic instal·lat.
La taula proporciona la potència típica per m2 dels panells solars segons la seva tecnologia i el tipus d’instal·lació. Com podem veure a la figura l’ocupació efectiva de la superfície depèn de la disposició dels panells:
La potència del generador fotovoltaic estarà limitada per la superfície disponible que tinguem per instal·lar els mòduls fotovoltaics. Com més superfície, més panells i més energia generada. Per tant, és important conèixer la superfície ocupada per cada mòdul fotovoltaic.
- Disposició distribuïda en bancades: l’ocupació mitjana efectiva varia perquè cal preveure separació entre les bancades per prevenir les ombres.
- Disposició sobreposada en la coberta: en aquest cas no cal separar els mòduls per evitar les ombres, per tant, la captació solar és màxima.
| Tipus de panell | Rendiment típic | Sobreposada a la teulada | Distribuïda en bancades |
|---|---|---|---|
| Monocristal·lí | 18%-20% | 175 W/m2 - 200 W/m2 | 80 W/m2 - 100 W/m2 |
| Policristal·lí | 15%-18% | 150 W/m2 - 175 W/m2 | 70 W/m2 - 80 W/m2 |
Podem avaluar de manera aproximada la potència màxima que podem instal·lar en una superfície a partir de les característiques del panell a utilitzar.
Exemple d'estimació de la potència màxima instal·lable
La figura mostra la superfície de la parcel·la de la instal·lació sota estudi. La superfície disponible destinada als panells és de 2.800 m2:
La instal·lació dels mòduls solars es realitza sobre bancades i els panells instal·lats són de silici policristal·lí. Segons la taula la potència instal·lada que cal esperar per m2 varia entre 70 W/m2 i 80 W/m2. Si agafem com a referència un valor mitjà de 75 W/m2, la potència fotovoltaica màxima estimada és de 210 kW:
En les instal·lacions sobre cobertes cal afegir-hi altres aspectes limitants, com ara els relacionats amb la capacitat de càrrega de la coberta en el cas de disposició en edificis i limitacions en la fixació de les estructures.
Disseny d'una central solar
Com a criteri de disseny d’una central solar fotovoltaica tindrem en compte la superfície disponible i el nombre de mòduls que poden instal·lar-se.
Per això, seguirem els passos següents:
- Determinació de la inclinació i orientació òptimes.
- Estudi de les ombres i càlcul de la separació entre obstacles i entre mòduls.
- Càlcul del nombre de mòduls que poden instal·lar-se.
- Càlcul de la potència màxima instal·lada.
- Selecció i configuració de l’inversor.
- Estudi de la producció d’energia anual.
Instal·lació sota estudi
La figura mostra la instal·lació sota estudi.
Les especificacions inicials del projecte són les següents:
- Terreny d’una superfície de 3.600 m2.
- Instal·lació sobre el terra amb panells fixos.
- Situació: Barcelona.
- Orientació nord-sud del terreny.
- Criteri de disseny: màxima potència disponible.
La parcel·la on se situarà la planta fotovoltaica serà barrada en tot el seu perímetre mitjançant una tanca formada per una xarxa metàl·lica i pals amb l’objecte d’evitar intrusions i la lliure circulació de vehicles o personal no autoritzat.
La disposició dels panells es realitzarà en el terreny, sobre suports fixos que els aixequen 0,5 m del terra per evitar les ombres produïdes per la vegetació. La disposició dels panells sobre la superfície del terreny es realitza en vertical, per tant, hem de considerar una longitud (l) del mòdul d’1,618 m.
Amb aquestes dades determinarem la potència màxima que pot ubicar-se en aquest terreny amb un panell fotovoltaic específic.
Les característiques del mòdul fotovoltaic seleccionat són les següents:
- Potència: 200 W
- Dimensions: 814 mm × 1.618 mm = 0,814 m × 1,618 m
Per tasques de manteniment, es deixaran passadissos de pas: un de central de 4 m i dos de laterals de 2 m.
Inclinació i orientació òptimes
En aquest tipus d’instal·lació no hi ha cap condicionant que no permeti l’orientació i la inclinació òptima dels mòduls per tal d’assolir la màxima generació d’energia possible.
A Catalunya l’orientació òptima dels panells és al sud geogràfic (ubicació a l’hemisferi nord) i una inclinació aproximada de 30º.
Ombres
Per tal d’evitar les ombres caldrà determinar la distància entre els obstacles pròxims (d1) i la distància entre fileres (d2) de mòduls, tal com podeu veure a la figura.
Exemple de distribució dels mòduls
La figura mostra la superfície útil disponible per instal·lar els mòduls en la instal·lació sota estudi.
La inclinació (β) adoptada dels panells és de 30º.
Distància de la primera filera de panells a la caseta
Tenint en compte l’alçada de la caseta, podem determinar la distància mínima que ha de tenir la primera filera de panells (d1). L’alçada de la caseta (H) és de 3,0 m, però com que els panells estan aixecats 0,5 m del terra (h’), l’alçada real de l’obstacle respecte de les plaques (h) és de 2,5 m:
Per tant, caldrà disposar la primera filera de panells a una distància (d1) de la caseta d’uns 5,1 m:
Distància entre fileres
La longitud (l) del panell és d’1,618 m i el factor k especificat a la taula per a una inclinació de 30º pren un valor d’1,87. Per aquesta inclinació la distància entre panells (d2) ha de ser de 3,0 m com a mínim per a no produir ombres:
Nombre de mòduls instal·lats
Una vegada determinada la distància entre fileres, caldrà determinar el nombre de mòduls que poden instal·lar-se en cada filera. Com a condicionant, caldrà deixar espai de pas suficient per dur a terme tasques de manteniment.
També cal determinar el nombre de fileres que poden instal·lar-se, tenint en compte la distància que cal deixar entre fileres i, si és el cas, la distància de la primera filera a obstacles pròxims.
El nombre total de mòduls (N) que podem instal·lar dependrà del nombre de fileres que poden instal·lar-se (N1) i del nombre de mòduls de cada filera (N2):
Exemple de càlcul del nombre de mòduls
En la instal·lació sota estudi de la figura, cal calcular el nombre total de mòduls (N) que poden instal·lar-se, tenint en compte deixar espai de pas suficient per tasques de manteniment en els dos laterals de 2 m i un passadís central de pas de 4 m.
Nombre de mòduls per filera
Tenint en compte els passadissos de manteniment, disposem de dues fileres laterals (filera a i filera b), cadascuna de les quals té una amplada disponible entre passadís lateral i carril central de 16 m:
Com que l’amplada de cada panell és de 814 mm (0,814 m) caben en total 19 panells a la filera a:
L’espai que ocupen els 19 panells és de 15,5 m (19 panells · 0,0814 m).
Com que la filera b és igual, el nombre de mòduls que caben també és de 19:
Com que hi ha dues fileres laterals, hi haurà en total 38 panells per cada filera completa (N2):
Nombre de fileres
Per calcular el nombre total de fileres de mòduls (N1) que poden instal·lar-se, cal tenir en compte la distància mínima de la primera filera a la caseta (d1) i la distància mínima entre fileres (d2).
La longitud útil disponible entre la primera filera de mòduls i la tanca posterior és de 64,9 m:
El nombre de fileres (N1) que caben en la parcel·la, tenint en compte l’espai útil, és de 21:
En total, les fileres ocupen una llargada de 63 m (21 fileres · 3,0 m). Per tant, al darrere quedarà espai sobrant per dur a terme tasques de manteniment.
Nombre total de mòduls instal·lats
La instal·lació està formada per 21 fileres de 38 panells cadascuna, per tant, el generador fotovoltaic està format per 798 panells:
Potència màxima instal·lada
Una vegada es coneix el nombre total de mòduls (N) que poden instal·lar-se i la seva potència (PMÀX), podem avaluar la potència màxima instal·lada (PINSTAL·LADA):
Exemple de càlcul de la potència instal·lada
En la instal·lació sota estudi de la figura podem instal·lar 798 panells de 200 W cadascun. La potència màxima instal·lada (PINSTAL·LADA) és de 159,6 kW:
Configuració de l'inversor
A partir de la potència fotovoltaica instal·lada i el nombre de mòduls utilitzats, cal seleccionar l’inversor o inversors necessaris i realitzar la configuració del camp fotovoltaic, agrupant els mòduls en sèrie per realitzar cadenes.
Exemple de selecció i configuració de l'inversor
La instal·lació sota estudi té una potència fotovoltaica instal·lada de 159,6 kW i el nombre de mòduls utilitzat és de 798.
L’inversor utilitzat ha de permetre instal·lar aquesta potència fotovoltaica i ha de tenir una potència nominal (PINV) aproximada de 127,7 kW:
Com que la potència és elevada es realitzarà una instal·lació trifàsica. Dels inversors disponibles que es mostren a la taula se selecciona el model de potència nominal de 125 kW.
| Dades d’entrada | |||
|---|---|---|---|
| Potència màxima del generador FV | 70 kW | 140 kW | 170 kW |
| Nombre MPPT independents/nombre de cadenes per MPPT | 4/2 | 10/2 | 7/3 |
| Màxim corrent per entrada | 20 A | 20 A | 24 A |
| Màxim corrent per MPPT | 30 A | 30 A | 38 A |
| Màxim corrent de curtcircuit per MPPT | 40 A | 40 A | 50 A |
| Rang de tensió d’entrada MPPT | 200 V - 1.000 V | 200 V - 1.000 V | 200 V - 1.000 V |
| Tensió CC mínima d’arrencada | 200 V | 200 V | 200 V |
| Tensió d’entrada màxima | 1.100 V | 1.100 V | 1.100 V |
| Tensió d’entrada nominal | 600 V | 600 V | 600 V |
| Dades de sortida | |||
| Potència nominal CA | 50 kW | 100 kW | 125 kW |
| Corrent de sortida CA | 72,2 A | 144 A | 180,4 A |
| Tensió de sortida | 400 V | 400 V | 400 V |
| Freqüència | 50 Hz | 50 Hz | 50 Hz |
| Rendiment màxim | 98% | 98% | 98% |
L’inversor seleccionat, com podeu veure a la figura té 21 entrades, amb una disposició de 7 MPPT independents.
Com que l’inversor té en total 21 entrades, intentarem fer cadenes iguals per cada entrada repartint els mòduls:
La taula resumeix els resultats de càlcul de cada cadena fotovoltaica que forma el generador fotovoltaic, els quals són compatibles amb les característiques l’inversor utilitzat.
| Valors límit | ||
|---|---|---|
| Corrent de curtcircuit | ISC GEN | 10,7 A |
| Corrent de curtcircuit màxim | 1,25·ISC GEN | 1,25·10,7 A = 13,4 A |
| Tensió de circuit obert | VOC GEN | 912 V |
| Tensió de circuit obert màxima | 1,2·VOC GEN | 1,2·912 V = 1.094 V |
| Punt de màxima potència (PMP) | ||
| Corrent | IPMP GEN | 10 A |
| Corrent màxim | 1,25·IPMP GEN | 1,25·10 A = 12,5 A |
| Tensió | VPMP GEN | 760 V |
| Tensió màxima | 1,2·VPMP GEN | 1,2·760 V = 912 V |
La figura resumeix la configuració de les entrades d’un dels MPPT de l’inversor, formada per la connexió de 3 cadenes de 38 mòduls.
L’inversor limita el corrent màxim per entrada i per MPPT. Com que cada MPPT controla 3 entrades, el corrent màxim de cada MPPT d’entrada de l’inversor (IPMP MPPT) en condicions de funcionament normals no supera el corrent màxim permès:
Tampoc supera el corrent màxim de curtcircuit (ISC MPPT MÀX ) per MPPT:
Producció energètica estimada
L’objectiu d’una planta solar és la venda de l’energia abocada a la xarxa de distribució, per tant, és important conèixer l’energia que genera.
L’energia elèctrica abocada a la xarxa (ECA) en un any serà la resultant d’aplicar la següent expressió:
La potència nominal de la instal·lació fotovoltaica és la potència de l’inversor.
També podem estimar l’energia generada (ECA) a partir de la potència fotovoltaica instal·lada tenint en compte un rendiment global de la instal·lació (PR):
Rendiment global d'una instal·lació
Per a l’avaluació correcta de la producció solar estimada d’una instal·lació fotovoltaica de connexió a la xarxa, cal tenir en compte els diferents factors de pèrdues energètiques que es produeixen en la cadena d’equips de la instal·lació. El rendiment global d’una instal·lació o PR (Perfomance ratio) s’estima en el 75% (0,75).
Exemple de càlcul de la producció energètica estimada
La irradiació anual que es rep en el lloc d’instal·lació per a una orientació dels panells de 0º (sud) i una inclinació de 30º és d’aproximadament 1.789,5 kWh/m2 (aquesta dada es pot extreure de diferents fonts, com ara l’Atlas Solar de Catalunya), que es correspon amb unes HSP de 4,9 h.
En el lloc d’instal·lació s’utilitza un inversor de 125 kW de potència nominal. L’energia anual generada, calculada a partir de la potència de l’inversor (PINV), és d’aproximadament 223,6 MW:
Si estimem l’energia anual que genera la nostra instal·lació a partir de la potència fotovoltaica instal·lada (PPV), considerant que no hi ha pèrdues per ombres:
Podem estimar que la producció energètica anual de la instal·lació estarà compresa entre 214 MWh l 223,6 MWh, en funció del rendiment real del generador fotovoltaic.
Configuració d'una instal·lació d'autoconsum
Els criteris de disseny de les instal·lacions d’autoconsum en la part tècnica són semblants als d’una central solar fotovoltaica, però l’objectiu principal és la ràpida amortització de la inversió de la instal·lació a partir de l’estalvi energètic que suposa l’autoconsum, i si és el cas, la venda d’excedents.
Com que difícilment podem cobrir les necessitats energètiques d’un edifici perquè la producció i el consum no s’ajusten en el temps, caldrà valorar la possibilitat d’incorporar un sistema d’emmagatzematge a bateries en la instal·lació.
Perfil de consum
L’objectiu durant el disseny d’una instal·lació solar d’autoconsum és l’adaptació del sistema fotovoltaic al consum real de l’habitatge o edifici.
Per cobrir aquesta demanda energètica caldrà avaluar la disponibilitat d’espai a la teulada o altres superfícies i considerar els possibles obstacles que puguin produir ombres. Alhora caldrà determinar la radiació rebuda en el lloc de la instal·lació per avaluar la capacitat de generació energètica de la instal·lació fotovoltaica sota disseny.
Per determinar la potència que cal instal·lar en una instal·lació d’autoconsum per cobrir, de manera eficient, la demanda energètica del client és important conèixer el perfil de consum del client (corba de la demanda energètica) i la potència màxima assolida pel punt de subministrament en cada període.
Perfil de consums
La manera més senzilla i fiable per conèixer el consum d’electricitat d’un edifici és procedir al monitoratge de la instal·lació elèctrica i extreure dades reals de consums i potències.
Corba de la demanda energètica
En la figura es comparen la corba de consum d’un habitatge i la corba de generació d’energia prevista per a una potència fotovoltaica instal·lada de 2 kW.
La corba de la demanda elèctrica d’un habitatge o edifici s’obté del monitoratge durant un període de temps del consum. Lògicament, la demanda dependrà del dia, però s’observa que les hores de consum més gran són les primeres hores del matí i les últimes de la tarda. El consum diari aproximat de la instal·lació és de 17 kWh i l’anual de 6.200 kWh.
Les corbes de generació d’energia depenen del mes de l’any i s’observa que són molt diferents a l’estiu i a l’hivern. En l’estiu s’assoleix una punta màxima d’1,8 kW de potència, mentre a l’hivern baixa a 1,0 kW.
La instal·lació proposada té una potència instal·lada de 2,0 kW. Per aquesta potència i la localització del lloc d’instal·lació l’energia anual generada s’estima en uns 3.000 kWh.
Cal tenir cura de dimensionar una instal·lació tenint en compte la potència màxima instantània, ja que normalment s’assoleix en contades ocasions.
Cobertura solar
De la producció d’energia solar fotovoltaica i del consum de l’edifici es deriven dos conceptes que defineixen la instal·lació sota disseny:
- Quota d’autoconsum (aprofitament solar). Quantitat d’energia generada per la instal·lació solar que és consumida per l’edifici:

- Cobertura solar o quota autàrquica (QA). Percentatge d’autoconsum d’una instal·lació solar fotovoltaica amb relació al consum d’un edifici:

Per exemple, una quota d’autoconsum del 60% indica que hi ha un 40% de l’energia generada que no és autoconsumida per la instal·lació i s’aboca a la xarxa.
Calcular aquestes quotes requereix conèixer quina de l’energia produïda per la instal·lació és realment autoconsumida per l’edifici, paràmetre que a vegades és difícil d’identificar, ja que la producció i el consum no és simultani. Per tant, avaluar-los requereix el monitoratge durant un temps del consum i de la generació de la instal·lació.
Si un edifici no disposa d’una instal·lació fotovoltaica, la quota autàrquica és del 0%, ja que tot el consum elèctric depèn de la xarxa elèctrica. En canvi, si s’aconsegueix aprofitar tota l’energia generada per a l’autoconsum, la quota autàrquica és del 100%. Per aconseguir això cal adaptar el consum al perfil de l’energia generada, cosa que és difícil.
Factor de dimensionament
Com a punt de partida en el disseny d’una instal·lació d’autoconsum s’establirà quin és el factor de dimensionament requerit.
El factor de dimensionament (FD) d’una instal·lació d’autoconsum és la relació entre l’energia que genera la instal·lació fotovoltaica i el consum de la instal·lació:
Com a criteri de disseny, podem establir el factor de dimensionament de la instal·lació i realitzar el càlcul de la potència del generador fotovoltaic necessària per satisfer la demanda energètica requerida. Un valor típic és un factor de dimensionament que varia entre el 60% i el 100%.
El factor de dimensionament (FD) relaciona la quota d’autoconsum (aprofitament) i la quota autàrquica (cobertura).
Exemple de càlcul del factor de dimensionament d'una instal·lació
La instal·lació sota estudi de la figura té una potència instal·lada de 2,0 kW. Per aquesta potència i la localització del lloc d’instal·lació (HSP = 4,9 h), l’energia diària generada s’estima en uns 7,35 kWh:
El consum diari aproximat de la instal·lació és de 12 kWh.
El factor de dimensionament (FD) d’aquesta instal·lació és del 61%:
Balanç energètic d'una instal·lació
Per realitzar el balanç energètic d’una instal·lació cal utilitzar dades reals del consum i de la generació solar fotovoltaica, que podem extreure de les eines de monitoratge que s’utilitzen en les instal·lacions fotovoltaiques:
- Consum diari (ECONSUMIDA): quantitat total d’energia elèctrica que consumeix diàriament (EDIÀRIA) un habitatge o edifici. L’energia que utilitza la instal·lació pot procedir directament del generador fotovoltaic, i si és el cas de les bateries, o de la xarxa de distribució.
- Consum de la xarxa (EXARXA): quantitat d’energia elèctrica que es consumeix de la xarxa.
- Consum directe (EAUTOCONSUMIDA): energia consumida procedent directament de la instal·lació fotovoltaica.
- Injecció a la xarxa (EABOCADA): quantitat d’energia elèctrica no consumida que s’aboca a la xarxa.
Exemple de balanç energètic d'una instal·lació
La figura mostra el balanç energètic d’una instal·lació d’autoconsum sense emmagatzematge.
El consum diari de la instal·lació és de 12 kWh. L’energia consumida (EDIÀRIA) procedeix part de la instal·lació fotovoltaica i part de la xarxa:
Per tant, l’energia autoconsumida directament del generador fotovoltaic és de 4 kWh:
L’energia generada per la instal·lació fotovoltaica la consumeix la instal·lació i l’excedent s’aboca a la xarxa:
Per tant, l’energia que s’aboca a la xarxa en la nostra instal·lació és de 3,3 kWh:
A partir d’aquestes dades podem avaluar el rendiment d’aquesta instal·lació:
- Quota d’autoconsum:

- Cobertura solar:

- Factor de dimensionament:

En les instal·lacions d’autoconsum amb emmagatzematge també podem considerar la quantitat d’energia elèctrica que s’ha consumit de les bateries.
Potència fotovoltaica instal·lada
Les dades de partida per al càlcul de la potència fotovoltaica que cal instal·lar són les següents:
Podem realitzar el disseny a partir de les dades energètiques mitjanes diàries o anuals. El resultat serà el mateix.
- EDIÀRIA: energia mitjana diària que consumeix la instal·lació.
- FD (factor de dimensionament): percentatge d’energia fotovoltaica que el client vol generar respecte del consum de la instal·lació.
- EGENERADA: energia mitjana diària generada pel camp fotovoltaic.
El criteri de disseny és el següent:
Exemple de potència fotovoltaica necessària en una instal·lació d'autoconsum
La instal·lació sota estudi de la figura, situada a Barcelona, té un consum anual aproximat de 4.380 kWh.
Les dades que ens permeten calcular la potència fotovoltaica que cal instal·lar són les següents:
- EDIÀRIA = 12 kWh
- HSP(30º) = 4,90 h (mitjana anual d’hores solars pic diàries)
- Rendiment global de la instal·lació (PR) = 0,75
- Factor de dimensionament (FD) desitjat de 60% (0,6).
L’energia mitjana diària (EGENERADA) que ha de subministrar el generador fotovoltaic és de 7,2 kWh:
A partir d’aquesta energia, podem calcular la potència fotovoltaica (PPV) que cal instal·lar:
Per tant, la potència fotovoltaica aproximada que cal instal·lar és d’uns 2 kW.
Nombre de plaques necessàries
En les instal·lacions d’autoconsum, un cop obtinguda la potència fotovoltaica instal·lada (PPV i la potència del mòdul fotovoltaic (PMÀX) utilitzat caldrà calcular el nombre de mòduls (N) a instal·lar, que obtindrem de la següent expressió:
Càlcul del nombre de mòduls a instal·lar
En l’habitatge de la figura per aconseguir el factor de dimensionament desitjat s’ha d’instal·lar una potència fotovoltaica (PPV) de 2 kW.
El mòdul seleccionat (PMÀX) té una potència de 250 W. Per tant, el nombre de mòduls (N) necessaris és de 8:
Configuració del camp fotovoltaic
Els criteris de selecció i de disseny de l’inversor d’una instal·lació d’autoconsum són els mateixos que qualsevol altre inversor de connexió a xarxa.
La configuració del camp fotovoltaic depèn de les característiques de potència i tensió d’entrada de l’inversor seleccionat.
L’inversor seleccionat ha de ser compatible amb el generador fotovoltaic, és a dir, ha de treballar dins del marge de tensió, corrent i potència que subministra el camp fotovoltaic.
També hi ha d’haver compatibilitat de la instal·lació respecte dels valors de sortida de l’inversor, que es corresponen amb els de les instal·lacions de CA de 230 V i 50 Hz en el cas d’instal·lacions monofàsiques amb una potència variable dins del marge de potència demandada pel consum de la instal·lació.
Com a norma general la connexió dels mòduls es realitza en sèrie per formar cadenes i, depenent de la potència necessària, aquestes cadenes poden connectar-se en paral·lel o a diferents entrades de l’inversor.
Els criteris de configuració del camp fotovoltaic d’una instal·lació connectada a la xarxa són els mateixos que en una central solar.
A partir del nombre de mòduls que formen el generador fotovoltaic cal establir l’esquema de connexió entre ells, de manera que s’optimitzi la connexió amb l’inversor:
- El nombre de mòduls connectats en sèrie per a cada entrada vindrà limitada per l’inversor, ja que necessita una tensió mínima per posar-se en marxa, una tensió mínima perquè el MPPT comenci a funcionar i una tensió màxima d’entrada que pot suportar.
- L’inversor ha de permetre el corrent d’entrada que subministra cada branca de connexions de panells en sèrie.
Selecció de l'inversor
L’inversor seleccionat en la instal·lació sota estudi és el de la taula. El nombre de panells que formen la instal·lació és de 8. Aquests es connectaran en sèrie a l’entrada CC de l’inversor seleccionat, tal com es mostra a la figura.
Les característiques d’entrada de l’inversor són compatibles amb la configuració de la instal·lació:
- PPV = 2.000 W < 3.000 W = PMÀX CC
- ISC GEN = 9,3 A
- ISC GEN MÀX = 1,25·ISC GEN = 1,25·9,3 A = 11,6 A < 18 A = IMÀX CC
- VOC GEN = 280 V
- VOC GEN MÀX = 1,2·VOC GEN = 1,2·280 V = 336 V < 600 V = VMÀX CC
- VPMP = 232 V (dins del marge de funcionament MPPT de 160 V - 500 V)
La potència nominal de sortida de l’inversor és d’1,5 kW.
És important consultar les característiques tècniques dels inversors utilitzats en una instal·lació.
Bateries
Les instal·lacions d’autoconsum instantani amb emmagatzematge utilitzen bateries per emmagatzemar part de l’energia excedent en lloc d’abocar-la a la xarxa.
Encara que en el mercat podem trobar diferents tipus de bateries, des de les Pb-àcid fins a les d’OPzS i les de tipus gel, les bateries d’ió-liti són les més aconsellables avui en dia per utilitzar-les en les instal·lacions d’autoconsum.
Les bateries de Pb-àcid utilitzades tradicionalment tenen els següents desavantatges:
- La profunditat de descàrrega aconsellada per augmentar la seva vida útil ha de ser del 50%, el que provoca que cal augmentar la seva capacitat al doble per garantir les necessitats de la instal·lació.
- La seva vida útil és reduïda, per sota dels 10 anys.
- A partir d’una capacitat determinada, al voltant de 300 Ah, el seu pes és considerable, de manera que és difícil la seva maniobrabilitat, sobretot en espais petits. Per això s’utilitzen vasos de 2 V que connectats en sèrie, permeten assolir les tensions nominals habituals de les instal·lacions solars: 12 V, 24 V o 48 V.
Bateries d'ió-liti
Les bateries d’ió-liti són les bateries més utilitzades actualment, ja que admeten sobredescàrregues profundes i, per tant, no cal sobredimensionar-les. És a dir, permeten una profunditat de descàrrega del 100%.
-

- Bateries d'ió-liti de 48 V.
La vida útil d’una bateria d’ió-liti és més gran que la d’altres tipus de bateries, aproximadament uns 15 anys i a més a més no requereixen manteniment.
Les principals característiques tècniques d’aquest tipus de bateries són les següents:
- Capacitat nominal. Quantitat d’energia que pot emmagatzemar la bateria, mesurada en kWh. Típicament, la capacitat d’aquestes bateries varia entre 2 kWh i 15 kWh, però poden connectar-se en paral·lel per ampliar la capacitat d’emmagatzematge a mesura que les necessitats energètiques augmentin.
- Potència. Quantitat d’energia que pot subministrar en un instant determinat, mesurat en kW. Aquest paràmetre determina el nombre d’aparells elèctrics que es poden connectar alhora quan s’alimenten directament des de la bateria.
- Profunditat de descàrrega. Aquest tipus de bateries permeten la descàrrega profunda. Podem considerar profunditats de descàrrega típiques de 90% a 100%.
- Eficiència. Són bateries molt eficients, que tenen poques pèrdues en el procés de transformació i emmagatzematge de l’energia. Les bateries d’ió-liti solen tenir entre un 95% i un 97% d’eficiència.
- Vida útil. La vida útil típica, mesurada en cicles de càrrega i descarrega varia entre 4.000 i 6.000 cicles, que equivalen a una vida superior als 10 anys.
- Compatibilitat amb inversors. Hi ha diferents tipus de bateries d’ió-liti, per tant, caldrà comprovar la compatibilitat amb l’inversor seleccionat.
És recomanable instal·lar aquest tipus de bateries dins d’un rack o armari de distribució (figura) que garanteixi la correcta col·locació, la temperatura ambiental i la seva integritat quan treballin agrupades, allargant la seva vida útil.
Les bateries d’ió-liti utilitzen la tecnologia BMS (Battery Management System) que controla la càrrega i descàrrega garantint la seguretat.
Tipus de bateries d'ió-liti
Hi ha dos tipus de bateries d’ió-liti:
- Baixa tensió: bateries de tensió nominal convencional de 12 V, 24 V i 48 V.
- Alta tensió: bateries que operen en un rang de tensió que varia entre 300 V i 450 V. D’aquesta manera s’aconsegueix reduir el corrent que subministren per augmentar la seva eficiència.
Normalment, els inversors híbrids treballen amb bateries d’alta tensió, que cal escollir segons els requisits de l’inversor utilitzat: tipus de bateria, tensió nominal, capacitat nominal, etc.
La taula mostra les característiques tècniques d’una bateria d’ió-liti d’alta tensió. Per a aconseguir la capacitat desitjada (energia utilitzable) cal utilitzar els mòduls de capacitat de 2,56 kWh necessaris.
| Característiques d’un mòdul | 2,56 kWh / 102 V / 38 kg | |||
|---|---|---|---|---|
| Nombre de mòduls | 2 | 3 | 4 | 5 |
| Energia utilitzable | 5,12 kWh | 7,68 kWh | 10,24 kWh | 12,8 kWh |
| Potència màxima de sortida | 5 kW | 10 kW | 15 kW | 20 kW |
| Corrent màxim de sortida | 25 A | 25 A | 25 A | 25 A |
| Corrent de sortida de pic | 50 A, 5 s | 50 A, 5 s | 50 A, 5 s | 50 A, 5 s |
| Tensió nominal | 204 V | 306 V | 408 V | 510 V |
| Rang de tensió de funcionament | 160~240 V | 240~360 V | 320~480 V | 400~600 V |
| Dime nsions | 712×585×298 mm | 945×585×298 mm | 1.178×585×298 mm | 1.411×585×298 mm |
| Pes | 91 kg | 129 kg | 167 kg | 205 kg |
La taula proporciona les característiques tècniques de la bateria d’ió-liti de baixa tensió de la figura. Com podeu comprovar, el fabricant especifica la capacitat nominal en Ah, ja que aquestes són utilitzades principalment en les instal·lacions solars aïllades.
| Tensió nominal | 48 V |
| Capacitat nominal | 100 Ah |
| Màxim corrent de descàrrega | 100 A |
| Tensió final de descàrrega | 43,2 V |
| Corrent de càrrega recomanada | 20 A |
| Corrent màxim de càrrega | 100 A |
| Dimensions | 443 mm x 400 mm x 133 mm |
| Pes | 44 kg |
BMS (Battery Management System)
Per garantir la seguretat i evitar accidents, les bateries d’ió-liti utilitzen el sistema de gestió de bateries BMS. Aquest sistema realitza un seguiment de la quantitat d’energia que entra i surt de la bateria i supervisa la tensió de les seves cel·les. Les funcions bàsiques del sistema BMS són:
- Controlar l’estat de càrrega de la bateria.
- Protegir les cel·les i garantir-ne l’ús correcte.
- Monitorar la velocitat de càrrega per evitar danys.
Disseny d'instal·lacions d'autoconsum amb bateries
Com a norma general, no s’aprofita tota l’energia generada en una instal·lació d’autoconsum, ja que dependrà de l’ús que realitzi l’usuari.
Per minimitzar la utilització de l’energia elèctrica de la companyia elèctrica, les instal·lacions d’autoconsum poden incloure un sistema d’acumulació d’energia, mitjançant bateries, que permet aprofitar l’excedent d’energia produïda durant les hores de radiació solar en les quals el consum d’energia instantània és inferior a la producció solar.
Criteris de disseny
Com a criteris de disseny, encara que depenen de les necessitats del client, podem establir els següents:
- Factor de dimensionament (FD): 100 %. El camp fotovoltaic generarà tota l’energia consumida per la instal·lació.
- Factor d’emmagatzematge (FE): variable, depenent del perfil de consum de la instal·lació.
Per exemple, si s’estableix un factor d’emmagatzematge del 60%, les bateries poden emmagatzemar fins al 60% de l’energia generada. Depenent del perfil de consum de la instal·lació, el 40% restant pot consumir-se directament o abocar-se a la xarxa.
El sistema solar fotovoltaic s’ha de dimensionar com a mínim perquè l’edifici es pugui alimentar amb la suma de l’energia autoconsumida des del camp fotovoltaic i l’energia emmagatzemada per les bateries. Per tant, el camp fotovoltaic ha de generar com a mínim l’energia que consumeix la instal·lació (FD=1):
El dimensionament de la part de la instal·lació que es correspon a l’autoconsum instantani ja s’ha descrit, per tant, només caldrà preveure els càlculs per l’emmagatzematge de la bateria.
La bateria ha d’emmagatzemar l’energia especificada durant el disseny (FE):
En el disseny de la capacitat d’emmagatzematge de la bateria, cal prestar atenció, doncs, una capacitat superior o inferior a la necessària provocarà una distorsió en els cicles de càrrega i descàrrega de la bateria, problema que afectarà la seva vida útil.
La capacitat nominal (EBAT) de la bateria dependrà de la seva profunditat de descàrrega (PD):
Dies d'autonomia
Com què les instal·lacions connectades a la xarxa tenen el suport de la xarxa de distribució elèctrica, no cal preveure dies d’autonomia. Per tant, el criteri de disseny és d’una autonomia mínima de 24 hores, fet que significa disposar d’una bateria d’ió-liti amb una capacitat màxima igual al de la demanda elèctrica diària de la instal·lació.
Exemple de disseny de les bateries d'una instal·lació d'autoconsum
La instal·lació sota estudi de la figura, situada a Barcelona, té un consum diari aproximat de 12 kWh.
Com que s’utilitzen bateries, el camp fotovoltaic ha de subministrar com a mínim tota l’energia que necessita la instal·lació:
La potència fotovoltaica instal·lada (PPV) cal que generi tota aquesta energia:
L’autoconsum estimat és del 40%, de manera que el 60% (FE) d’energia restant cal emmagatzemar-la en les bateries:
Per tant, per emmagatzemar 7,2 kwh, considerant una profunditat de descàrrega del 100%, necessitem una bateria de capacitat nominal (EBAT) de com a mínim 7,2 kWh:
Així doncs, per satisfer les necessitats d’emmagatzematge d’aquesta instal·lació, cal una bateria d’ió-liti de 7,2 kWh, que ha d’incorporar un equip de càrrega i descàrrega d’una potència equivalent a la del convertidor de la instal·lació fotovoltaica.
Una bateria adequada per aquesta instal·lació és la de 3 blocs de la taula, que té una capacitat útil de 7,68 kWh.
Els inversors híbrids poden funcionar amb bateries i sense bateries, per tant, són ideals per a una instal·lació inicial sense bateries.
La profunditat de descàrrega (PD) típica d’una bateria d’ió-liti és més gran de 90% (0,9).
Inversor híbrid
Quan utilitzem bateries en les instal·lacions amb autoconsum instantani, la millor opció és utilitzar un inversor híbrid, el qual pot gestionar directament la càrrega de la bateria.
La taula mostra les característiques tècniques típiques que proporciona el fabricant d’un inversor híbrid de connexió a xarxa.
| Dades d’entrada | |
|---|---|
| Potència màxima de sortida del generador FV | 4,0 kW |
| Nombre de seguidors MPP | 2 |
| Nombre d’entrades CC | 2 + 2 |
| Màxim corrent d’entrada | 12 A / 12 A |
| Màxim corrent de curtcircuit | 24 / 24 A |
| Rang de tensió d’entrada CC | 80 V - 1.000 V |
| Tensió CC mínima de posada en marxa ) | 80 V |
| Tensió d’entrada nominal | 710 V |
| Rang de tensió MPP | 150 V - 800 V |
| Dades de sortida | |
| Potència nominal CA | 3.000 W |
| Corrent de sortida CA | 13 A |
| Tensió de sortida | 230 V / 50 Hz |
| Rendiment màxim | 98 % |
| Connexió de la bateria | |
| Nombre de connexions CC | 1 |
| Corrent màxim d’entrada | 25 A |
| Rang de tensió d’entrada | 150 V - 455 V |
| Potència màxima d’entrada/sortida | 3.500 W |
Exemple de selecció de l'inversor
La potència fotovoltaica de la instal·lació sota disseny és de 3,3 kW. S’utilitza una bateria d’alta tensió d’ió-liti de capacitat 7,68 kWh i d’una tensió nominal de 306 V.
La potència màxima de sortida de la bateria és de 10 kW, superior a la potència nominal de 3 kW de l’inversor.
Aquesta configuració és compatible amb l’inversor híbrid de la taula.
Utilització d'eines en línia
Per calcular la generació anual d’energia fotovoltaica d’un sistema solar hi ha diferents opcions:
- Càlcul manual a partir de taules de radiació (Atlas solar de Catalunya), tenint en compte les HSP (hores solar pic).
- Utilització d’eines en línia, com ara el portal web de la Comissió Europea (PVGIS).
- Utilització de programari professional.
Amb el programari en línia PVGIS podem calcular el rendiment i la producció energètica d’una instal·lació fotovoltaica connectada a la xarxa.
Entrada de dades per al càlcul del rendiment d'un sistema PV connectat a la xarxa
La figura mostra les dades d’entrada que cal introduir en l’eina PVGIS per simular el rendiment d’un sistema fotovoltaic connectat a la xarxa:
- Tecnologia PV. Tipus de mòdul fotovoltaic utilitzat, per determinar el rendiment.
- Potència màxima instal·lada. Potència del camp fotovoltaic en les condicions estàndard de mesura (STC).
- Pèrdues del sistema. Pèrdues estimades que redueixen l’energia generada pel sistema fotovoltaic. Per defecte l’eina estima unes pèrdues del 14%, però podem utilitzar 25%, que equivalen a un rendiment global de la instal·lació (PR) del 75%.
- Posició del muntatge. Inclinació, orientació i forma de muntatge dels mòduls, els quals influeixen en la seva temperatura:
- Muntatge lliure. Els mòduls estan muntats en un bastidor que permeten que l’aire flueixi lliurement pel darrere, afavorint que no s’escalfin i augmentat el rendiment.
- Sobre la teulada o integrat en l’edifici. Els mòduls estan integrats en l’estructura de la paret o sostre d’un edifici, sense moviment d’aire pel darrere. Per tant, el rendiment serà menor a causa de l’escalfament dels mòduls.
Les pèrdues del sistema són les degudes als cables, inversors, brutícia dels mòduls, etc. Cal considerar també que els mòduls perden eficiència al llarg dels anys, motiu pel qual l’energia generada anirà minvant any rere any.
- Càlcul del cost de l’electricitat PV. A partir de les dades introduïdes i del preu de l’electricitat podem realitzar un petit estudi sobre l’amortització de la instal·lació.
Instal·lació sobre la teulada d'un habitatge
Les dades d’entrada d’un sistema fotovoltaic connectat a la xarxa, amb les característiques de la instal·lació de la figura, són les següents:
- Localització [Lat/Lon] : 41,448º;2,104º (Barcelona).
- Base de dades: PVGIS-SARAH3.
- Tecnologia FV: Silici cristal·lí.
- FV instal·lada [kWp]: 4,4.
- Pèrdues sistema [%]: 25.
- Angle d’inclinació [°]:30.
- Angle d’azimut [°]: 0.
- Posició de muntatge: sobre la teulada.
Resultat de la simulació
El resultat de la simulació mostra de manera gràfica la producció d’energia mensual i la irradiació solar en el pla de muntatge dels panells, així com la producció i la irradiació anual.
La figura mostra l’exemple d’un sistema de potència fotovoltaica de 4,4 kW instal·lat sobre la teulada d’un habitatge. El resum dels principals resultats calculats és el següent:
- Producció anual FV [kWh]: 5.763,57
- Irradiació anual [kWh/m2]: 1.993,7
L’eina permet descarregar els resultats en format base de dades (CSV), per poder analitzar-los amb comoditat. La figura mostra el contingut d’aquest arxiu CSV que genera els resultats que teniu resumits a la taula.
CSV
Un fitxer CSV (comma-separated values) és un fitxer de text que conté dades separades per un caràcter delimitador: comes, tabuladors… Aquest fitxer pot editar-se amb programari de bases de dades per visualitzar-lo i editar-lo.
Exemple d'anàlisi de resultats
La taula resum els resultats del contingut de l’arxiu CSV que genera el programari. A partir d’aquestes dades podem avaluar la producció d’energia diària i mensual que genera la instal·lació.
Per exemple, l’energia mitjana diària que genera aquesta instal·lació és de 15,79 kWh.
Podem comparar aquest resultat amb el valor teòric que cal esperar amb les dades disponibles de la instal·lació:
| Mes | Ed | Em | H(i)d | H(i)m |
|---|---|---|---|---|
| 1 | 12,45 | 386,04 | 4,04 | 125,32 |
| 2 | 14,12 | 395,49 | 4,67 | 130,77 |
| 3 | 16,26 | 503,93 | 5,48 | 170,03 |
| 4 | 17,45 | 523,56 | 6,02 | 180,56 |
| 5 | 18,89 | 585,74 | 6,63 | 205,6 |
| 6 | 19,55 | 586,41 | 7,0 | 210,08 |
| 7 | 19,44 | 602,57 | 7,05 | 218,61 |
| 8 | 18,24 | 565,5 | 6,6 | 204,48 |
| 9 | 15,98 | 479,41 | 5,67 | 170,14 |
| 10 | 13,56 | 420,23 | 4,66 | 144,38 |
| 11 | 11,8 | 353,94 | 3,92 | 117,67 |
| 12 | 11,64 | 360,74 | 3,74 | 116,07 |
| Any | 15,79 | 480,3 | 5,46 | 166,14 |
| Ed: Producció mitjana d’energia diària (kWh/dia) | ||||
| Em: Producció mitjana d’energia mensual (kWh/mes) | ||||
| H(i)d: Irradiació global diària mitja (kWh/m2/dia) | ||||
| H(i)m: Irradiació global mensual mitja (kWh/m2/mes) | ||||
Instal·lació fotovoltaica normalitzada d'1 kW
Per poder analitzar una instal·lació i avaluar el seu rendiment per a diferents potències fotovoltaiques podem normalitzar la instal·lació utilitzant una potència fotovoltaica d’1 kW.
D’aquesta manera, podem avaluar el rendiment per qualsevol potència instal·lada multiplicant els resultats obtinguts per la potència de la instal·lació sota estudi.
Instal·lació fotovoltaica normalitzada a 1 kW
La figura figura mostra l’entrada de dades per al càlcul d’una instal·lació solar connectada a la xarxa. Si introduïm una potència d’1 kW, estem normalitzant els resultats per a aquesta potència.
La figura mostra els resultats de la simulació. A partir d’aquí podem calcular la producció energètica per a qualsevol altra potència.
Les dades de la taula mostren el resum dels resultats de la simulació per a una potència instal·lada d’1 kW en la que l’energia anual generada és de 1.365,07 kWh. En una instal·lació amb una potència instal·lada de 4,4 kW, l’energia anual generada serà de 6.006,308 kWh:
| Mes | Energia diària (kWh) | Energia mensual (kWh) | Radiació diària (kWh/m2) | Radiació mensual (kWh2) |
|---|---|---|---|---|
| Gener | 2,94 | 91,02 | 4,04 | 125,32 |
| Febrer | 3,34 | 93,53 | 4,67 | 130,77 |
| Març | 3,85 | 119,38 | 5,48 | 170,03 |
| Abril | 4,14 | 124,23 | 6,02 | 180,56 |
| Maig | 4,49 | 139,05 | 6,63 | 205,60 |
| Juny | 4,64 | 139,21 | 7,00 | 210,08 |
| Juliol | 4,62 | 143,13 | 7,05 | 218,61 |
| Agost | 4,33 | 134,34 | 6,60 | 204,48 |
| Setembre | 3,79 | 113,68 | 5,67 | 170,14 |
| Octubre | 3,20 | 99,32 | 4,66 | 144,38 |
| Novembre | 2,78 | 83,41 | 3,92 | 117,67 |
| Desembre | 2,73 | 84,76 | 3,74 | 116,07 |
| Anual | 3,74 | 113,76 | 5,46 | 166,14 |
| Producció anual FV [kWh] | 1.365,07 | |||
La figura mostra els resultats reals de la simulació per a una potència instal·lada de 4,4 kWh.
Connexió a la xarxa
Les instal·lacions solars fotovoltaiques connectades a la xarxa són instal·lacions generadores de tensió formades per tres elements bàsics:
- Generador fotovoltaic. Habitualment s’instal·la sobre qualsevol terreny proper a la xarxa elèctrica, sobre la teulada d’un edifici o integrat en qualsevol element estructural del mateix edifici.
- Inversor fotovoltaic. Instal·lat en l’interior de l’edifici.
- Punt de connexió amb la xarxa elèctrica. Aquest element està condicionat pel tipus d’instal·lació: autoconsum o venda d’energia.
Punt de connexió
El punt de connexió és el punt on s’interconnecta la instal·lació fotovoltaica amb la xarxa de distribució elèctrica.
Com a norma general, en les instal·lacions d’autoconsum, el punt de connexió se situa en la xarxa interior.
Les companyies elèctriques habitualment estableixen els punts d’interconnexió amb la xarxa. En aquest tipus de sistemes, en les instal·lacions muntades en edificis, el punt de connexió serà determinat per la potència i la tipologia de la instal·lació:
Xarxa interior
Des de la caixa general de protecció (CGP) cap a l’interior de l’edifici (autoconsum).
Xarxa exterior
Des de la CGP cap a l’exterior de l’edifici.
- Potència < 100 kW: en aquestes instal·lacions, en les quals una part o la totalitat de l’energia produïda pugui ser consumida en el mateix edifici, la instal·lació es realitzarà en la xarxa interior, en concret en la derivació individual de l’abonat, entre el comptador i la caixa de protecció i comandament.
- Potència > 100 kW: aquestes instal·lacions, o aquelles sense consum en el propi edifici, se situaran en paral·lel amb la connexió ja instal·lada per al consum de l’edifici o de la construcció establerta —en la qual normalment ja es troben els comptadors de consums— o a un punt localitzat per la mateixa companyia. Per tant, en les instal·lacions de venda d’energia, el punt de connexió se situa en la xarxa de distribució o en la caixa general de l’abonat (CGP).
Aquesta connexió amb la xarxa distribuïdora la verificarà la companyia pertinent, de manera que hi ha la possibilitat de canvis en la connexió cap a altres punts de la mateixa línia si així es determinés. D’aquesta forma, de vegades pot haver-hi una certa distància (centenars de metres) des del quadre fins al punt que especifiqui la companyia.
Instal·lacions d'autoconsum
La figura mostra el diagrama de principi de la connexió a la xarxa d’una instal·lació d’autoconsum. Com a norma general, en aquestes instal·lacions, el punt de connexió se situa en la xarxa interior de l’edifici o habitatge.
Els sistemes fotovoltaics de fins a 15 kW, per ser sistemes de poca potència, es poden connectar a la xarxa monofàsica en baixa tensió, a una tensió nominal de 230 V en CA. Per a potències superiors, es dissenyen amb una connexió trifàsica.
Com a exemple, la figura mostra el punt de connexió a la xarxa d’una instal·lació d’autoconsum individual.
La normativa també permet que més d’un habitatge estiguin associats a la mateixa instal·lació de generació. En aquest cas, quan la instal·lació és d’autoconsum col·lectiu, hi ha diferents possibilitats de connexió:
- En la xarxa interior. La instal·lació de generació es connecta a la xarxa interior dels consumidors, és a dir, el conjunt de circuits interiors que podem trobar a la comunitat de veïns (figura).
- A través de la xarxa de distribució. Les instal·lacions d’autoconsum col·lectives mixtes poden donar servei a diferents consumidors agrupant els usuaris d’edificis d’habitatges, polígons industrials, centres comercials, etc. En aquest cas els consumidors es connecten a la instal·lació mitjançant la xarxa elèctrica de distribució pública, és a dir, fora de les instal·lacions pròpies de la comunitat de veïns (figura).
Instal·lació d'autoconsum col·lectiva mixta
En una instal·lació d’autoconsum col·lectiva mixta el generador fotovoltaic es connecta a la xarxa interior d’un o més consumidors i la resta de participants ho fan a través de la xarxa general de distribució elèctrica, complint les condicions necessàries de distància:
- La connexió s’ha de realitzar a la xarxa de baixa tensió del mateix centre de transformació al qual pertany el consumidor.
- La distància màxima entre el generador i els consums ha ser menor de 500 m. En el cas d’instal·lacions fotovoltaiques ubicades a cobertes o sòl industrial, aquesta distància màxima s’amplia a 2.000 m.
- La instal·lació generadora i els consumidors associats han d’estar ubicats a la mateixa referència cadastral.
Instal·lacions de venda d'energia
-

- Punt de connexió d'una instal·lació monofàsica.
En les instal·lacions de venda d’energia, el punt de connexió se situa en la xarxa de distribució o en la caixa general de protecció (CGP) de l’abonat (figura).
Les condicions tècniques de connexió queden determinades per la companyia distribuïdora d’electricitat, sent la petició d’aquest punt de connexió un dels tràmits administratius que s’han de fer prèviament a l’execució d’una instal·lació.
En aquest cas les empreses elèctriques estableixen el punt d’interconnexió amb la xarxa.
Equipaments d'interconnexió
A tota instal·lació fotovoltaica, s’instal·larà un quadre d’interconnexió amb la xarxa. En aquest punt es reuneixen les connexions derivades dels diferents inversors elèctrics i generadors elèctrics. És el punt de connexió de tot el sistema.
Aquest quadre de connexions té la funció d’incloure els instruments de mesura de l’energia produïda i consumida, així com les proteccions elèctriques (seccionador automàtic, contactor magnetotèrmic i diferencial). Aquests elements de protecció poden ser redundants en relació amb els que ja adopten els mateixos inversors en el seu disseny per tal d’evitar tant la pertorbació de la xarxa elèctrica a causa d’una mala qualitat com la pertorbació de la producció solar envers els danys que el mateix sistema pugui produir a l’equipament interconnectat com a la resta d’usuaris de la xarxa.
D’altra banda, aquests armaris poden incloure els comptadors de mesurament i els transformadors de tensió per adaptar-se a la tensió de xarxa.
Les instal·lacions generadores de venda d’energia han d’implementar un comptador d’energia d’injecció a la xarxa elèctrica per comptabilitzar l’energia generada per la instal·lació i la que consumeix.
Aquest comptador ha d’estar homologat per la companyia distribuïdora i complir amb el que estableix la normativa específica sobre els punts i equips de mesura. El comptador s’instal·la dins d’un mòdul amb la resta d’elements de protecció general de la interconnexió. Aquest mòdul ha de poder ser precintat per la companyia distribuïdora i s’ha d’ubicar al punt límit publicoprivat de la propietat, amb accés per part de la companyia les 24 hores i els 365 dies de l’any.
Normes generals d'aplicació en la unió a la xarxa
Les normes generals d’aplicació que defineixen la connexió entre la xarxa elèctrica són els següents:
- La potència màxima de la planta fotovoltaica no pot excedir més del 50% de la potència nominal del transformador de la subestació elèctrica o de la capacitat de la mateixa xarxa definida a la zona de connexió.
- No s’acceptaran connexions d’instal·lacions que produeixin caigudes de tensió elèctrica provocades per la connexió i desconnexió que siguin superiors al 2%.
- Els armaris de proteccions o quadre de connexions tenen la funció d’incloure els instruments de mesura de l’energia produïda i consumida, així com les proteccions elèctriques (dispositius d’acció automàtica) que demana la normativa vigent.
Exemple d’instal·lació solar fotovoltaica connectada a la xarxa
En el dimensionament de les instal·lacions solars fotovoltaiques de connexió a xarxa per autoconsum, un dels condicionants de partida serà la ubicació i l’espai disponible per als mòduls solars.
En aquest exemple determinarem la disposició dels panells sobre la superfície d’una teulada per tal subministrar la potència calculada durant el disseny, segons la distribució que podeu veure a la figura.
Especificacions inicials del projecte
Les característiques de la instal·lació sota estudi són les següents:
- Habitatge unifamiliar.
- Instal·lació sobre la teulada amb panells fixos i sobre una caseta coplanar.
- Situació: Tarragona
- Orientació nord-sud de la teulada.
- Tipus de panells a instal·lar (taula): M-295
| Característica | M-295 |
|---|---|
| Potència nominal (PPMP) | 295 W |
| Tensió en el punt de màxima potència (VPMP) | 31,22 V |
| Corrent en el punt de màxima potència (IPMP) | 9,45 A |
| Tensió de circuit obert (VOC) | 38,40 V |
| Corrent de curtcircuit (ISC) | 10,10 A |
| Rendiment (η) | 19,56% |
| Dimensions | 1.665 × 1.002 × 40 mm |
S’aprofitarà l’estructura de la teulada fer realitzar dues sèries de panells independents que es connectaran cadascuna a una de les dues entrades de l’inversor escollit.
Estudi cas a). Instal·lació coplanar sobre la caseta de la teulada
Aprofitant la inclinació del sostre de la caseta de la teulada, s’instal·larà una connexió en sèrie de panells independents. En aquest cas la inclinació dels panells ve determinada per la inclinació de la teulada de la caseta i la solució adoptada es mostra a la figura.
Aquesta disposició permet la instal·lació de dues branques de tres plaques solars. La connexió física es realitzarà per formar una única cadena de 6 panells.
Les característiques del mòdul fotovoltaic escollit són les següents:
- PMÀX = 295 W
- VPMP = 31,22 V
- IPMP = 9,45 A
- V OC = 38,4 V
- ISC = 10,10 A
Les característiques del camp fotovoltaic que resulten de l’associació en sèrie, les quals les podeu veure resumides en la figura, són les següents:
- PMÀX GEN = N · PMÀX = 6 · 295 W = 1.770 W
- VPMP GEN = N · VPMP = 6 · 31,22 V = 187,32 V
- IPMP GEN = 9,45 A
- VOC GEN = 6 · VOC = 6 · 38,4 V = 230,4 V
- ISC GEN= ISC = 10,10 A
La potència instal·lada d’aquesta cadena és de 1.770 W.
Estudi cas b). Instal·lació sobre la teulada amb panells fixos
Per tal d’evitar les ombres i realitzar el millor aprofitament solar possible, caldrà definir l’espai entre els obstacles de la teulada i les fileres de panells.
La inclinació recomanada a totes les poblacions de Catalunya és d’uns 30 ° per aquest tipus d’instal·lació. La latitud de la ciutat de Tarragona és de 41,7°, que li correspon una inclinació òptima (β) de 31,7 °:
Així, doncs, li correspondrà una inclinació dels panells de 31,7° respecte a l’horitzontal, escollint una inclinació final de 30°.
La figura mostra la disposició dels mòduls sobre la teulada.
La distància mínima (d1) entre la primera filera de mòduls i la paret de la teulada d’alçada 1,6 m és de 3,25 m:
La distància entre mòduls (d2), per a una inclinació de 30° i una longitud del mòdul d’1,002 m és d’1,82 m:
L’amplada disponible de la teulada és de 8,5 m. El nombre de mòduls (N1) que poden instal·lar-se en cada filera, els quals tenen una amplada d’1,665 m, és de 5:
El nombre de fileres (N2) que poden instal·lar-se, tenint en compte la fondària de la teulada disponible, la distància entre mòduls (d2) d’1,87 m i la distància entre la paret (d1) de 3,25 m, és de 3:
El nombre màxim de mòduls (N) que poden instal·lar-se en la teulada és de 15 (3 fileres de 5 panells):
Per tal de racionalitzar l’espai a la teulada, s’instal·laran només dues branques de cinc panells que es connectaran en sèrie (figura). En total 10 mòduls fotovoltaics. Les característiques del generador fotovoltaic que resulta d’aquesta connexió són les següents:
- PMÀX GEN = N·PMÀX = 10 · 295 W = 2.950 W
- VPMP GEN = N·VPMP = 10 · 31,22 V = 312,2 V
- IPMP GEN = 9,45 A
- VOC GEN = 10·VOC = 10 · 38,4 V = 384 V
- ISC GEN= ISC = 10,10 A
Potència total instal·lada
La potència solar fotovoltaica total instal·lada és la suma de la potència de les dues branques:
Selecció de l'inversor
Com que tenim dues branques de panells amb condicions d’instal·lació diferents, com ara la inclinació i el nombre de mòduls, cal utilitzar un inversor amb dues entrades que puguin regular el punt de màxima potència de manera independent. En la figura podeu veure un exemple de configuració.
S’escull un inversor de potència nominal de CA de 3.500 W que admet una potència màxima fotovoltaica de 5.500 W.
Els criteris bàsics de selecció de l’inversor es mostren en la taula, on es compara les característiques del generador fotovoltaic i les característiques de l’inversor seleccionat:
- La tensió i el corrent màxim del generador han d’estar per sota dels especificats per l’inversor.
- La tensió del generador en el punt de màxima potència ha d’estar dins del rang de regulació de l’inversor.
- La potència de CC del generador ha d’estar per sota de la tensió màxima especificada pel fabricant de l’inversor.
| Generador fotovoltaic | Cas a | Cas b | Inversor | |
|---|---|---|---|---|
| Corrent màxim de sortida (1,25·ISC GEN) | 1,2·10,1 A = 12,6 A | 1,2·10,1 A = 12,6 A | 15 A | Intensitat màxima |
| Tensió màxima de sortida (1,2·VOC GEN ) | 1,2·230,4 V = 276,5 V | 1,2 ·384 V = 460 V | 600 V | Tensió d’entrada màxima |
| Tensió en el punt de màxima potència (1,2·VPMP GEN) | 1,2·187,32 V = 224,8 V | 1,2·312,2 V = 374,6 V | 110-500 V | Rang de tensions MPP |
| Potència del generador de CC | 2.950 W + 1.770 W = 4.720 W | 5.500 W | Potència màxima de CC | |
| —- | —- | —- | 3.500 W | Potència nominal de CA |
La potència nominal de la instal·lació ve determinada per la potència nominal (CA) de l’inversor utilitzat, en aquest cas 3.000 W.
Energia generada
La taula resumeix la radiació anual mitja en el lloc d’instal·lació (Tarragona).
| Branca | Orientació | Inclinació | Radiació (MJ/m)2) | Radiació (kWh/m)2) | HSP |
|---|---|---|---|---|---|
| Cas a | 0° | 20° | 18,04 | 5,01 | 5,01 h |
| Cas b | 0° | 30° | 18,55 | 5,15 | 5,15 h |
L’energia diària generada per la instal·lació és la suma d’energies que genera cada cadena fotovoltaica:






















































