Configuració d’instal·lacions solars fotovoltaiques aïllades
Les instal·lacions solars fotovoltaiques aïllades s’han de dissenyar per tal de garantir el subministrament d’energia elèctrica d’acord amb una demanda d’energia preestablerta. Com a guió per al dimensionament de la instal·lació establirem els següents paràmetres:
- Dades d’entrada:
- Característiques de les necessitats a cobrir.
- Energia diària necessària.
- Radiació solar incident.
- Dades a calcular:
- Nombre de plaques necessàries.
- Capacitat i voltatge de l’acumulador.
- Característiques del regulador de càrrega.
- Característiques de l’inversor.
- Equips auxiliars necessaris.
Especificacions inicials
Per determinar les necessitats energètiques d’una instal·lació caldrà especificar com a mínim els següents paràmetres:
- Tipologia d’instal·lació.
- Lloc d’instal·lació.
- Tipus d’utilització: caps de setmana i diària.
- Estacionalitat de la utilització: estiu i hivern.
- Consum energètic de la instal·lació.
- Dies d’autonomia requerits.
- Rendiment de la instal·lació.
- Disponibilitat de sistema auxiliar de subministrament elèctric.
Tipologia de la instal·lació
Les instal·lacions fotovoltaiques autònomes estan destinades al subministrament elèctric allà on el cost de la instal·lació de les línies elèctriques no és rendible, és a dir, per a instal·lacions aïllades de la xarxa elèctrica.
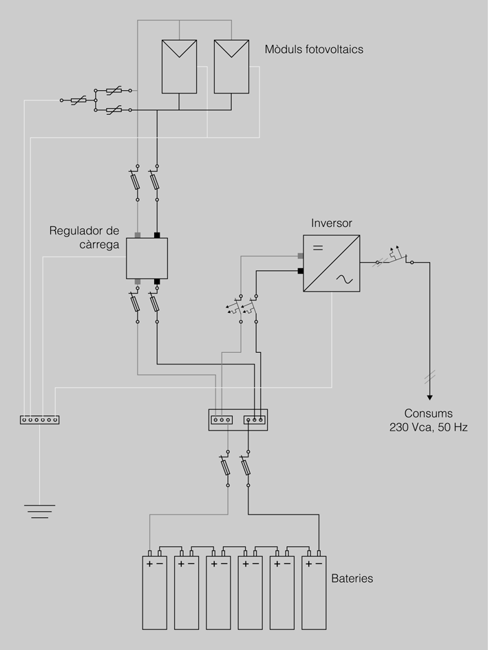
La figura mostra l’esquema bàsic d’una instal·lació solar aïllada típica. Aquestes instal·lacions disposaran, com a mínim, dels següents elements:
- Mòduls fotovoltaics.
- Acumuladors d’energia elèctrica.
- Reguladors de càrrega.
- Convertidors d’energia elèctrica per a aplicacions autònomes (inversors).
Tipus de càrrega
Les instal·lacions fotovoltaiques (figura) poden alimentar dos tipus de càrregues diferents:
- Càrregues de CC: els equips de corrent continu generalment corresponen amb utilitzacions d’il·luminació, televisió i petits electrodomèstics. Aquests equips tenen un cost més gran que els de CA, però són més eficients perquè la instal·lació no necessita inversor.
- Càrregues de CA: els equips de corrent altern corresponen als elements de consum utilitzats en les instal·lacions convencionals. Aquest tipus d’instal·lacions requereixen un inversor que transformi el corrent CC a corrent CA.
Normalment, podem trobar instal·lacions amb els dos tipus de càrregues, tal com podeu veure a la figura.
Sistemes de bombament d'aigua
Una altra aplicació comuna dels sistemes fotovoltaics són els sistemes de bombament d’aigua, els quals s’utilitzen quan hi ha dificultat o impossibilitat per a la connexió a la xarxa elèctrica convencional. Aquests sistemes es poden alimentar amb bombes de corrent continu o de corrent altern.
En aquestes instal·lacions, com podeu veure a la figura, no sempre és necessària la instal·lació de bateries, ja que es pot bombar la màxima quantitat d’aigua possible durant tot el període en què hi hagi radiació solar i emmagatzemar-la.
Lloc d'instal·lació
El lloc d’instal·lació condiciona la radiació solar rebuda i, per tant, la capacitat de generació d’energia del camp fotovoltaic de la instal·lació.
En la taula podeu comparar la radiació solar global diària sobre una superfície inclinada 50º en les capitals de província de Catalunya per a una orientació sud (0º). Com podeu comprovar, la ciutat amb una radiació anual mitjana més gran és Tarragona (5,06 kWh/m2) mentre Lleida és la de menys radiació (4,37 kWh/m2).
La inclinació de 50º és la que s’utilitza típicament en les instal·lacions solars aïllades d’ús tot l’any.
| Ciutat | Gen | Feb | Mar | Abr | Mai | Jun | Jul | Ago | Set | Oct | Nov | Des | Anual |
|---|---|---|---|---|---|---|---|---|---|---|---|---|---|
| Barcelona | 3,65 | 4,26 | 4,96 | 5,40 | 5,52 | 5,52 | 5,56 | 5,56 | 5,29 | 4,64 | 3,93 | 3,48 | 4,81 |
| Girona | 3,73 | 4,25 | 4,84 | 5,20 | 5,27 | 5,25 | 5,26 | 5,21 | 4,94 | 4,36 | 3,78 | 3,51 | 4,64 |
| Tarragona | 3,95 | 4,62 | 5,34 | 5,75 | 5,80 | 5,75 | 5,77 | 5,76 | 5,46 | 4,77 | 4,04 | 3,66 | 5,06 |
| Lleida | 2,28 | 3,45 | 4,70 | 5,45 | 5,71 | 5,73 | 5,75 | 5,65 | 5,13 | 4,00 | 2,67 | 1,88 | 4,37 |
Ús de la instal·lació
Com podeu veure a la taula, que mostra la radiació solar global diària sobre superfícies inclinades (MJ/m2/dia) en Barcelona per a una orientació sud (0º), la radiació rebuda depèn de cada mes i varia segons la inclinació dels mòduls.
| Inclinació | Gen | Feb | Mar | Abr | Mai | Jun | Jul | Ago | Set | Oct | Nov | Des | Anual |
|---|---|---|---|---|---|---|---|---|---|---|---|---|---|
| 0º | 6,80 | 9,65 | 13,88 | 18,54 | 22,25 | 24,03 | 23,37 | 20,42 | 16,05 | 11,40 | 7,73 | 6,04 | 15,04 |
| 5º | 7,70 | 10,56 | 14,72 | 19,15 | 22,58 | 24,21 | 23,63 | 20,93 | 16,85 | 12,32 | 8,66 | 6,94 | 15,71 |
| 10º | 8,56 | 11,41 | 15,47 | 19,67 | 22,78 | 24,25 | 23,74 | 21,31 | 17,54 | 13,17 | 9,55 | 7,80 | 16,29 |
| 15º | 9,37 | 12,19 | 16,14 | 20,07 | 22,84 | 24,13 | 23,7 | 21,59 | 18,13 | 13,95 | 10,38 | 8,61 | 16,78 |
| 20º | 10,12 | 12,90 | 16,70 | 20,35 | 22,76 | 23,87 | 23,52 | 21,76 | 18,61 | 14,63 | 11,15 | 9,37 | 17,17 |
| 25º | 10,81 | 13,52 | 17,17 | 20,51 | 22,6 | 23,48 | 23,24 | 21,8 | 18,98 | 15,23 | 11,85 | 10,07 | 17,46 |
| 30º | 11,43 | 14,07 | 17,52 | 20,54 | 22,32 | 23,02 | 22,86 | 21,71 | 19,23 | 15,73 | 12,47 | 10,71 | 17,65 |
| 35º | 11,97 | 14,52 | 17,77 | 20,45 | 21,90 | 22,43 | 22,34 | 21,48 | 19,36 | 16,13 | 13,01 | 11,28 | 17,73 |
| 40º | 12,44 | 14,88 | 17,91 | 20,23 | 21,35 | 21,70 | 21,69 | 21,12 | 19,37 | 16,43 | 13,47 | 11,77 | 17,71 |
| 45º | 12,83 | 15,15 | 17,94 | 19,89 | 20,67 | 20,84 | 20,9 | 20,63 | 19,26 | 16,63 | 13,85 | 12,19 | 17,58 |
| 50º | 13,14 | 15,32 | 17,86 | 19,43 | 19,87 | 19,86 | 20,00 | 20,02 | 19,03 | 16,72 | 14,13 | 12,53 | 17,33 |
| 55º | 13,36 | 15,40 | 17,67 | 18,85 | 18,95 | 18,77 | 18,97 | 19,29 | 18,68 | 16,71 | 14,32 | 12,78 | 16,98 |
| 60º | 13,49 | 15,37 | 17,36 | 18,16 | 17,92 | 17,60 | 17,84 | 18,44 | 18,22 | 16,59 | 14,42 | 12,95 | 16,53 |
| 65º | 13,53 | 15,25 | 16,95 | 17,36 | 16,83 | 16,41 | 16,71 | 17,48 | 17,65 | 16,36 | 14,42 | 13,04 | 16,00 |
| 70º | 13,49 | 15,03 | 16,44 | 16,46 | 15,70 | 15,14 | 15,48 | 16,43 | 16,97 | 16,03 | 14,33 | 13,03 | 15,38 |
| 75º | 13,35 | 14,72 | 15,83 | 15,47 | 14,48 | 13,78 | 14,18 | 15,35 | 16,19 | 15,60 | 14,14 | 12,94 | 14,67 |
| 80º | 13,13 | 14,31 | 15,12 | 14,41 | 13,18 | 12,36 | 12,8 | 14,17 | 15,31 | 15,08 | 13,86 | 12,77 | 13,87 |
| 85º | 12,82 | 13,81 | 14,32 | 13,29 | 11,82 | 10,93 | 11,35 | 12,93 | 14,34 | 14,45 | 13,5 | 12,51 | 13,00 |
| 90º | 12,43 | 13,23 | 13,44 | 12,11 | 10,41 | 9,57 | 9,99 | 11,62 | 13,3 | 13,74 | 13,04 | 12,16 | 12,08 |
En una instal·lació solar aïllada, on el consum és constant al llarg de tot l’any, la inclinació òptima dels panells solars ve determinada per l’ús de la instal·lació. En la taula podem comprovar els criteris generals de càlcul de la inclinació òptima dels panells per captar la màxima radiació possible.
| Aplicació | Inclinació recomanada |
|---|---|
| Instal·lacions d’ús d’hivern | Latitud del lloc + 20º |
| Instal·lacions d’ús continuat tot l’any sense grup electrogen de suport | Latitud del lloc +15º |
| Instal·lacions d’ús continuat tot l’any amb grup electrogen de suport | Latitud del lloc +10º |
| Instal·lacions d’ús principal a l’estiu | Latitud del lloc - 10º |
| Instal·lacions d’ús estacional | Angle complementari a l’alçada solar de l’època d’ús |
Exemple. Estacionalitat de la utilització
Les coordenades geogràfiques de Tarragona són les següents:
- Latitud: 41,12º.
- Longitud 1,25º.
La inclinació òptima (βÒPTIMA) per a una instal·lació d’ús continuat tot l’any amb grup electrogen de suport en aquesta ciutat és d’aproximadament 50º:
La figura mostra la radiació rebuda sobre una superfície inclinada de 50º a Tarragona. Com podeu veure la radiació rebuda depèn del mes d’utilització i, per tant, la generació d’energia de la instal·lació fotovoltaica també dependrà de l’època d’utilització.
Com que la trajectòria de l’alçada solar té una relació directa amb la latitud de la ubicació, podem establir uns criteris generals per a definir la inclinació de les plaques.
La localització geogràfica del lloc d’instal·lació determinarà la radiació solar rebuda.
Tipus d'utilització: caps de setmana/diària
El tipus d’utilització de la instal·lació, primera residència o de cap de setmana, determinarà l’energia de reserva (bateries) i la potència del generador que cal preveure quan les condicions de generació són baixes (dies nuvolosos). En aquest sentit, el tipus d’utilització condiciona alguns factors de disseny de la instal·lació:
- Si la utilització de la instal·lació és diària, els mòduls fotovoltaics han de subministrar com a mínim l’energia que cada dia necessita la instal·lació.
- En el cas d’una utilització de cap de setmana, les bateries s’hauran carregat durant els dies en què la instal·lació no s’utilitza, per tant, la potència del camp fotovoltaic pot ser menor.
Dies d'autonomia
Els dies d’autonomia d’una instal·lació indiquen la quantitat de dies que una bateria pot proporcionar energia sense necessitat de recàrrega.
Els dies d’autonomia és una dada important per determinar la capacitat d’emmagatzematge d’energia d’una bateria i la possibilitat de proporcionar energia durant períodes prolongats sense radiació solar disponible, com ara els dies nuvolosos.
Una bateria amb una capacitat útil de 1.000 Wh i un consum diari de 200 Wh tindrà una autonomia de 5 dies.
L’autonomia d’una bateria depèn de diferents factors, com ara la seva capacitat, el consum d’energia dels dispositius connectats a ella i de l’eficiència durant el procés de càrrega i descàrrega de la bateria.
Un criteri per determinar els dies d’autonomia és el següent:
- Instal·lacions totalment autònomes i de difícil accés (equips de telecomunicacions, boies, etc.): cal aplicar tants dies d’autonomia com dies núvols seguits mostrin les estadístiques meteorològiques més properes al lloc d’ubicació (de 3 a 10 dies).
- Electrificació rural d’ús diari: de 4 a 6 dies. Aquest valor es pot reduir a tres si existeix un grup electrogen de suport amb engegada automàtica.
- Electrificació d’habitatges de cap de setmana: de 2 a 3 dies.
Tipus de consum
El principal objectiu d’una instal·lació solar fotovoltaica aïllada és garantir el subministrament elèctric d’una instal·lació durant tots els mesos d’utilització. Per tant, coneguda la radiació rebuda i el consum de la instal·lació caldrà escollir el mes crític de disseny.
Aquest mes dependrà del tipus de consum de la instal·lació:
- Instal·lacions amb consum constant.
- Instal·lacions amb consum variable.
Instal·lacions amb consum constant
Si no hi ha variació dels hàbits de consum dels usuaris en els diferents mesos de l’any, el consum és constant durant tot el temps d’utilització de la instal·lació.
El mes de disseny quan el consum és constant depèn del tipus d’ús de la instal·lació i serà aquell que durant la utilització de la instal·lació la radiació rebuda sigui menor.
Per al mes de disseny, la instal·lació està ajustada a la demanda energètica de l’habitatge i la resta de mesos estarà sobredimensionada. Per tant, el disseny d’una instal·lació es realitza per a les dades de radiació del pitjor mes d’utilització:
- En el cas d’instal·lacions que s’utilitzen durant tot l’any, a l’hemisferi nord, el mes de disseny és desembre.
- En el cas d’instal·lacions d’ús estacional, per exemple l’estiu (juny-setembre), el mes de disseny serà juny.
Exemple de selecció del mes de disseny
Prenent com a referència la radiació rebuda (Gmensual) en el lloc d’instal·lació (Tarragona) de la figura, podem determinar que la radiació (Gdiària) que s’ha de prendre com a referència en una instal·lació d’ús anual és la del mes de desembre. En aquest cas, la radiació rebuda és de 133,73 kWh/m2 durant tot el mes. La radiació diària Gdiària rebuda és de 4,31 kWh/m2:
En el cas d’una instal·lació que s’utilitza en els mesos estivals (abril-setembre), el mes de disseny que cal considerar és abril, amb una radiació mensual de 173,29 kWh/m2. La radiació diària Gdiària rebuda és de 5,78 kWh/m2:
Recordeu que la radiació diària en kWh/m2 determinen les hores solar pic (HSP) que es reben en el lloc d’instal·lació.
Per comparar la capacitat de producció energètica amb el consum de la instal·lació, s’utilitza el factor F o factor de càrrega, que relaciona la capacitat de generació d’energia dels sistemes fotovoltaics respecte del consum de la instal·lació:
Com més petit és aquest factor, menor serà la capacitat del generador fotovoltaica per cobrir les necessitats d’energia de la instal·lació. Per garantir el subministrament d’energia el factor F ha de ser més gran que 1.
Com que durant la fase de disseny encara no es coneix la potència fotovoltaica instal·lada, com a referència per escollir el mes crític de disseny utilitzarem la relació següent:
Exemple de selecció del mes de disseny en una instal·lació amb consum constant
La taula mostra la radiació rebuda a Barcelona per a una inclinació de 50º i el consum d’una instal·lació.
Com que no disposem de dades de la potència fotovoltaica instal·lada podem comparar la relació entre les HSP i el consum.
El consum diari de la instal·lació és d’1,5 kWh, constant durant tots els mesos de l’any. Podem comprovar que el pitjor mes és desembre, ja que la relació HSP/consum és la més petita, tal com calia esperar.
| Mes de disseny | Gen | Feb | Mar | Abr | Mai | Jun | Jul | Ago | Set | Oct | Nov | Des |
|---|---|---|---|---|---|---|---|---|---|---|---|---|
| Radiació (MJ/m2/dia) | 13,14 | 15,32 | 17,86 | 19,43 | 19,87 | 19,86 | 20,00 | 20,02 | 19,30 | 16,72 | 14,13 | 12,53 |
| Consum diari (kWh) | 1,5 | 1,5 | 1,5 | 1,5 | 1,5 | 1,5 | 1,5 | 1,5 | 1,5 | 1,5 | 1,5 | 1,5 |
| HSP | 3,7 | 4,3 | 5,0 | 5,4 | 5,5 | 5,5 | 5,6 | 5,6 | 5,4 | 4,6 | 3,9 | 3,5 |
| HSP/Consum | 2,4 | 2,8 | 3,3 | 3,6 | 3,7 | 3,7 | 3,7 | 3,7 | 3,6 | 3,1 | 2,6 | 2,3 |
Instal·lacions amb consum variable
Normalment, el consum d’una instal·lació no és constant al llarg de tot l’any, ja que depenent de l’època de l’any els hàbits de consum són diferents: calefacció a l’hivern, èpoques estivals amb menys utilització de la instal·lació…
El mes de disseny serà aquell amb un factor F o una relació HSP/consum més petita. Per tant, caldrà cercar el mes de disseny avaluant el consum i la radiació solar rebuda en cada mes.
Exemple de selecció del mes de disseny en una instal·lació de consum variable
La taula compara la radiació rebuda en una instal·lació solar a Barcelona per a una inclinació de 50º i el consum diari de la instal·lació per cada mes de l’any. Com podeu veure el consum és diferent cadascun dels mesos de l’any.
| Mes de disseny | Gen | Feb | Mar | Abr | Mai | Jun | Jul | Ago | Set | Oct | Nov | Des |
|---|---|---|---|---|---|---|---|---|---|---|---|---|
| Radiació (MJ/m2/dia) | 13,14 | 15,32 | 17,86 | 19,43 | 19,87 | 19,86 | 20,00 | 20,02 | 19,30 | 16,72 | 14,13 | 12,53 |
| Consum diari (kWh) | 1,0 | 1,0 | 1,2 | 1,5 | 1,4 | 2,6 | 2,4 | 2,5 | 1,2 | 1,0 | 1,0 | 1,2 |
| HSP | 3,65 | 4,26 | 4,96 | 5,40 | 5,52 | 5,52 | 5,56 | 5,56 | 5,36 | 4,64 | 3,93 | 3,48 |
| F (HSP/Consum) | 3,7 | 4,3 | 4,1 | 3,6 | 3,9 | 2,1 | 2,3 | 2,2 | 4,5 | 4,6 | 3,9 | 2,9 |
En aquest cas el mes crític de disseny és agost, ja que la relació entre la radiació rebuda i el consum és més petita.
El disseny es realitzarà per al mes d’agost considerant una inclinació òptima dels panells de 30º, com si la utilització de la instal·lació fos estival. En la taula podem comprovar com que amb aquesta inclinació la relació HSP/consum ha augmentat respecte d’una orientació de 50º.
| Mes de disseny | Gen | Feb | Mar | Abr | Mai | Jun | Jul | Ago | Set | Oct | Nov | Des |
|---|---|---|---|---|---|---|---|---|---|---|---|---|
| Radiació (MJ/m2/dia) | 11,43 | 14,07 | 17,52 | 20,52 | 22,32 | 23,02 | 22,86 | 21,71 | 19,23 | 15,73 | 12,47 | 10,71 |
| Consum diari (kWh) | 1,0 | 1,0 | 1,2 | 1,5 | 1,4 | 2,6 | 2,4 | 2,5 | 1,2 | 1,0 | 1,0 | 1,2 |
| HSP | 3,18 | 3,91 | 4,87 | 5,70 | 6,20 | 6,39 | 6,35 | 6,03 | 5,34 | 4,37 | 3,46 | 2,98 |
| F (HSP/Consum) | 3,2 | 3,9 | 4,1 | 3,8 | 4,4 | 2,5 | 2,6 | 2,4 | 4,5 | 4,4 | 3,5 | 2,5 |
Disponibilitat de sistema auxiliar de subministrament elèctric
En les instal·lacions en què sigui necessari garantir el 100% del subministrament elèctric en qualsevol situació, caldrà utilitzar un grup electrogen de suport.
Un grup electrogen és una màquina integrada per un motor de combustió interna i un generador de corrent elèctric.
La figura mostra el principi d’utilització d’un grup electrogen en una instal·lació solar fotovoltaica. El grup electrogen es connecta a una connexió pròpia que tenen els inversors/carregadors i entra en servei en situacions excepcionals quan el generador fotovoltaic i les bateries no poden alimentar la instal·lació.
Per instal·lar un generador en plantes fotovoltaiques aïllades convé que compti amb la funció d’arrencada automàtica. D’aquesta manera els generadors elèctrics es posaran en funcionament de manera automàtica per proveir un mínim de subministrament elèctric.
L’inversor/carregador reparteix la potència que li arriba del grup electrogen entre les bateries i els consums, realitzant aquesta operació de manera automàtica.
Quan s’utilitza un inversor convencional el grup electrogen pot subministrar l’energia elèctrica directament als consums, mitjançant un sistema de commutació extern que desconnecti la sortida de CA de l’inversor i connecti el grup electrogen als consums, tal com podeu veure a la figura.
En el pitjor escenari, bateria descarregada i màxima utilització de la potència de l’inversor, el generador de suport ha de tenir prou potència per atendre l’energia que demanda l’inversor i subministrar la càrrega a les bateries.
Especificacions inicials de la instal·lació sota estudi
La figura resum les especificacions inicials d’una instal·lació sota estudi:
- La instal·lació solar fotovoltaica es realitzarà a una zona rural a prop de Barcelona, s’utilitzarà durant tot l’any.
La ubicació de la instal·lació té les coordenades geogràfiques següents:
- Latitud: 41,44º.
- Longitud: 2,11º.
- Les plaques solars s’instal·laran en l’orientació i la inclinació òptimes.
- Els dies d’autonomia requerits són 4.
- Previsió de càrregues elèctriques: cal preveure l’alimentació en CA dels components bàsics d’una instal·lació (il·luminació, nevera, rentadora i TV). El consum energètic és constant al llarg de l’any.
- Per tal d’augmentar el rendiment de la instal·lació, s’utilitzaran càrregues de baix consum.
- Les càrregues de la instal·lació de 230 V/50 Hz (aparells AC) s’alimentaran des d’un inversor.
- S’utilitzarà un grup electrogen de suport per garantir el subministrament elèctric si cal alimentar la instal·lació en situacions de baixa radiació solar.
Demanda energètica de la instal·lació
Per avaluar les necessitats de producció energètica del camp fotovoltaic caldrà establir quin és el consum de la instal·lació.
L’inversor d’una instal·lació cal dimensionar-lo per suportar els pics de consum (per exemple, arrencada de motors o encès de lluminàries amb reactàncies) i normalment presenten un baix rendiment quan operen molt per sota de la seva potència nominal.
Perfil de consum elèctric
El perfil de consum elèctric estableix com s’utilitza l’energia elèctrica en una instal·lació.
El nombre de panells necessaris depèn de l’energia consumida i de la radiació que es rep en el lloc d’instal·lació.
Aquest perfil proporciona la informació sobre com s’utilitza l’energia elèctrica en els diferents moments del dia, dies de la setmana o èpoques de l’any. Conegut el perfil de consum d’una instal·lació podem preveure la seva demanda energètica per planificar el disseny del sistema solar fotovoltaic.
La demanda energètica d’una instal·lació bàsicament és de tres tipus:
- Tèrmica, que satisfà els requisits d’aigua calenta sanitària (ACS), calefacció i refrigeració.
- Lluminosa, que proporciona confort lumínic.
- Elèctrica, que proporciona connexió als diferents aparells elèctrics de l’habitatge.
Per reduir les necessitats energètiques i, per tant, el cost de la instal·lació fotovoltaica, les característiques dels dispositius utilitzats han de tenir les característiques següents:
- Es recomana la utilització d’electrodomèstics de baix consum.
- No es recomana la utilització d’equips amb escalfament elèctric, ja que el consum d’aquests dispositius és molt elevat. Per tant, haurem d’evitar utilitzar forns elèctrics, microones, radiadors elèctrics, assecadores…
Tipus de càrregues
Els dispositius utilitzats en una instal·lació poden ser de dos tipus:
- Aparells d’ús variable. La utilització d’aquests dispositius es realitza durant un temps determinat, segons les necessitats de l’usuari (taula). En aquest cas, l’energia consumida dependrà del temps d’utilització.
- Aparells d’ús continuat. Aquests dispositius funcionen durant tot el dia o durant cicles (taula) i les dades de consum es determinen per cicles de funcionament, per exemple un dia, anual, una rentada…
| Dispositiu | Potència |
|---|---|
| Bombeta led | 11 W - 22 W |
| Planxa | 700 W - 1.200 W |
| Microones | 100 W - 1.000 W |
| Televisió | 100 W |
| Calefactor | 1.000 - 3.000 W |
| Ordinador | 200 W |
| Forn | 1.000 - 2.500 W |
| Ventilador | 50 - 100 W |
| Assecador de cabell | 500 - 1.200 W |
| Dispositiu | Energia |
|---|---|
| Frigorífic de baix consum | 500 - 1.200 Wh/dia |
| Rentadora | 1.500 - 2.500 Wh/rentada |
| Rentadora en fred | 400 Wh/rentada |
| Rentavaixelles | 1.000 - 1.500 Wh/rentada |
| Assecadora | 2.000 - 2.500 Wh/assecat |
Com que durant el disseny cal conèixer, a més del consum, la potència instal·lada, haurem de cercar la potència de funcionament dels aparells d’ús continuat.
Exemple de càlcul de la potència d'un aparell d'ús continuat
Els frigorífics tenen un funcionament intermitent que garanteix que es mantingui la consigna de temperatura. La principal dada que subministra el fabricant és el consum energètic anual.
Per exemple, el consum d’un frigorífic (A++) és d’uns 220 kWh/any, que equivalen a uns 600 Wh/dia. Per al disseny de l’inversor ens interessa la potència nominal del frigorífic, dada que és difícil de trobar en les especificacions tècniques del fabricant, però que podem estimar-la en uns 200 W, que equivalen a un funcionament intermitent de 3 hores diàries:
Cal tenir en compte que quan es connecta, la demanda de potència instantània d’una nevera per ser més elevada.
L’energia que consumeixen al dia o durant un any una nevera ve donada directament pel fabricant a través dels catàlegs.
Taula de consum
Un cop determinat el perfil de la demanda energètica, caldrà elaborar una taula de consum, tenint en compte la potència (P) i el temps (t) d’utilització dels diversos equips, per tal d’establir la demanda energètica total diària en Wh/dia.
La taula de consum ens permet avaluar la quantitat d’energia que una instal·lació consumeix.
Cal recordar que en termes elèctrics l’energia és igual a una potència per un temps d’aplicació.
En aquesta taula avaluem de manera individual quin és el consum de cada dispositiu (Econsumida) de la instal·lació segons la seva potència nominal (P) i el temps d’utilització (t):
La suma del consum de cada dispositiu ens determinarà l’energia que consumeix la instal·lació (Econsumida) en tot un dia:
Exemple d'estimació del consum energètic d'una instal·lació
La taula mostra la demanda energètica total (E) de la instal·lació de l’exemple de la figura, la qual és de 1.381 Wh:
| Dispositiu | Potència | Unitats | Temps d’ús | Energia |
|---|---|---|---|---|
| Llum | 11 W | 4 | 4 h | 176 Wh |
| TV | 85 W | 1 | 3 h | 255 Wh |
| Rentadora | 350 W | 1 | 1 h | 350 Wh |
| Nevera | 200 W | 1 | 3 h | 600 Wh |
| Consum total CA | 1.381 Wh | |||
Rendiment de la instal·lació
La següent expressió avalua el rendiment global (R) d’una instal·lació solar fotovoltaica, a partir de les pèrdues que presenten cadascun dels elements que la formen:
Aquesta expressió ens permetrà justificar els valors de rendiment que utilitzarem quan dissenyem una instal·lació. Els coeficients que utilitzarem per avaluar el rendiment són els següents:
- kb. Coeficient de pèrdues del regulador de càrrega (rendiment del regulador) i de les bateries:
- 0,05 en sistemes que no demanin descàrregues intenses.
- 0,1 en sistemes amb descàrregues profundes.
- kc. Coeficient de pèrdues del convertidor CC/CA (inversor):
- 0,05 per a convertidors sinusoidals purs, treballant en règim òptim.
- 0,1 en altres condicions de treball, lluny de l’òptim.
- kv. Coeficient de pèrdues vàries. Agrupa altres pèrdues com per exemple les pèrdues produïdes en els cables per l’efecte Joule:
- 0,05 - 0,15 com a valors de referència.
- Ka. Coeficient d’autodescàrrega diària de la bateria:
- 0,002 per a bateries de baixa autodescàrrega (liti).
- 0,005 per a bateries estacionàries de Pb-àcid (les més habituals).
- 0,012 per a bateries d’alta autodescàrrega (arrencada d’automòbils).
- N. Nombre de dies d’autonomia de la instal·lació, en els quals la instal·lació ha d’operar sota una irradiació mínima (dies ennuvolats continus) i es consumirà més energia de la que el sistema fotovoltaic serà capaç de generar.
- 4 - 10 dies com a valors de referència en instal·lacions d’ús diari.
- 2 - 3 dies en instal·lacions d’ús de cap de setmana.
- PD. Profunditat de descàrrega diària de la bateria. Depèn del tipus de bateria utilitzada:
- 0,9 per bateries de liti.
- 0,8 per bateries AGM o de tipus gel.
- 0,5 per bateries de Pb-àcid.
Exemple de càlcul del rendiment d'una instal·lació solar fotovoltaica aïllada
Exemple
Tenint en compte els següents coeficients, calcularem el rendiment global (R) d’una instal·lació fotovoltaica aïllada:
- Profunditat de descàrrega dels acumuladors (PD): 50% (0,5) en les bateries de Pb-àcid.

- Dies d’autonomia mínims de la instal·lació: 5 dies.

- Rendiment de les bateries/regulador de càrrega: 95%. Per tant, unes pèrdues del 5% (0,05).

- Autodescàrrega de les bateries: 0,5% diari (0,005).

- Altres pèrdues: 10% (0,1).

- Rendiment del convertidor: 95%. Per tant, les pèrdues són del 5% (0,05):

El rendiment global d’aquesta instal·lació (R) és del 76%
En la mateixa instal·lació, les càrregues que s’alimenten directament de la bateria (consums en CC), eviten les pèrdues de l’inversor (kc = 0), per tant, el seu rendiment serà més gran:
Per simplificar els càlculs, ja que sovint és difícil identificar alguns dels coeficients de pèrdues, considerarem el següent rendiment global en funció del tipus d’instal·lació:
- R = 0,75 per a instal·lacions amb subministrament en CA.
- R = 0,80 per a instal·lacions amb subministrament en CC.
Les instal·lacions que no utilitzen cap inversor per convertir el corrent CC en corrent CA tenen més rendiment, ja que s’estalvien les pèrdues d’aquest dispositiu.
Energia diària necessària
Al valor del consum diari previst (Wh/dia), li aplicarem el factor global de rendiment (R) de la instal·lació fotovoltaica que engloba els autoconsums i rendiments particulars dels elements que la integren: (regulador, acumulador, convertidor CC/CA…) de manera que el resultat, que anomenem energia necessària, és l’energia bruta que cal produir en els mòduls per a satisfer amb efectivitat els consums nets previstos. Aquest valor serà sempre superior a l’energia neta que es vol subministrar als consums.
Dividint el valor d’energia requerida pels consums (E), de la taula de consum, pel rendiment global de la instal·lació (R), obtenim l’energia necessària que cal subministrar (ENECESSÀRIA), tal com mostra la següent expressió:
Exemple de càlcul de l'energia necessària d'una instal·lació
En la instal·lació de l’exemple de la figura, a partir del consum energètic teòric de 1.381 Wh s’ha de calcular el consum energètic real necessari per fer front als múltiples factors de pèrdues de la instal·lació fotovoltaica. Com que totes les càrregues s’alimenten en CA des de l’inversor, s’aplica un rendiment del 75% (0,75). Per tant, l’energia necessària (ENECESSÀRIA) que s’ha de subministrar diàriament en aquesta instal·lació és de 1.841 Wh:
Aquesta és l’energia diària que ha de generar el camp fotovoltaic, ja que a causa de les pèrdues només s’aprofitaran 1.381 Wh.
En una instal·lació mixta amb càrregues de CC, que s’alimenten directament des de les bateries, i de CA, que s’alimenten des de l’inversor, cal aplicar un rendiment diferent a cada tipus de consum per avaluar l’energia necessària de la instal·lació:
Exemple de càlcul de l'energia necessària en una instal·lació mixta
La taula mostra la taula de consum d’una instal·lació que utilitza càrregues alimentades en CC i en CA.
| Dispositiu | Potència | Unitats | Temps d’ús | Energia |
|---|---|---|---|---|
| Consum CA | ||||
| Frigorífic | 100 W | 1 | 6 h | 600 Wh |
| Rentadora | 1.000 W | 1 | 1 h | 1.000 Wh |
| Televisió | 100 W | 1 | 4 h | 400 Wh |
| Ordinador | 200 W | 1 | 3 h | 600 Wh |
| Forn | 800 W | 1 | 1 h | 800 Wh |
| Consum total CA | 3.400 Wh | |||
| Consum CC | ||||
| Il·luminació | 11 W | 8 | 4 h | 352 Wh |
| Consum total CC | 352 Wh | |||
Si avaluem el consum de la instal·lació hem de diferenciar el tipus:
Les necessitats que cal cobrir, tenint en compte el consum de la instal·lació, són:
Per tant, l’energia diària que haurà de subministrar el generador fotovoltaic és de 4.973,3 Wh:
Tensió nominal de la instal·lació
La tensió nominal de la instal·lació determinarà el voltatge del banc de bateries i les característiques del regulador de càrrega i de l’inversor de la instal·lació.
El voltatge de l’acumulador haurà de ser escollit, de manera que sigui prou elevat per a garantir corrents de càrrega/descàrrega raonables (I < 100 A), així com un correcte acoblament amb el voltatge del grup de plaques fotovoltaiques (12 V, 24 V, 48 V…).
La figura mostra el balanç de tensions i corrents en la instal·lació fotovoltaica. Per a una potència de l’inversor determinada, com més gran sigui la tensió nominal de la instal·lació, més petit serà el corrent que subministren les bateries i la resta de components de la instal·lació, ja que la configuració del camp fotovoltaic s’ha d’adaptar a la tensió nominal.
Tensió nominal
En el cas d’instal·lacions autònomes, la tensió nominal dels sistemes d’acumulació és de 12 V, 24 V o 48 V.
Com a exemple la taula mostra els valors de la tensió nominal recomanables de la instal·lació en funció de la potència. Aquesta potència és la potència instantània que en un moment determinat subministren les bateries a la instal·lació. Si la potència és molt gran també ho serà el corrent. Per tant, una manera de reduir el corrent mantenint la potència és augmentant la tensió nominal de la instal·lació, és a dir, la tensió nominal del banc de bateries.
Hi ha instal·lacions que utilitzen una tensió nominal de 36 V.
Consum racional
Un consum racional de les càrregues permet un millor aprofitament de la instal·lació. Això s’aconsegueix no connectant alhora tots els dispositius de la instal·lació, sobretot els de més potència. La idea és la mateixa que la potència contractada en una instal·lació domèstica. Encara que tinguem molts equips a la instal·lació (calefactor elèctric, microones, TV, rentadora, etc.) mai tenim tots els equips connectats alhora i, per això, la potència contractada és menor que la potència de tots els dispositius de la instal·lació.
| Potencia | Tensió nominal |
|---|---|
| P < 1.200 W | 12 V |
| 1.200 W < P < 2.400 W | 24 V |
| P > 2.400 W | 48 V |
Exemple de selecció de la tensió nominal d'una instal·lació
La instal·lació, la taula de consum de la qual s’especifica en la taula, té uns requisits de potència que es resumeixen a la taula.
| Dispositiu | Potència | Unitats | Potència total |
|---|---|---|---|
| Consum CA | |||
| Frigorífic | 100 W | 1 | 100 W |
| Rentadora | 1.000 W | 1 | 1.000 W |
| Televisió | 100 W | 1 | 100 W |
| Ordinador | 200 W | 1 | 200 W |
| Forn | 800 W | 1 | 800 W |
| Potència total CA | 2.200 W | ||
| Consum CC | |||
| Il·luminació | 11 W | 8 | 88 W |
| Potència total CC | 88 W | ||
Si considerem que tots els dispositius de la instal·lació es poden connectar alhora, la potència de la instal·lació a efectes d’establir la tensió nominal de la instal·lació és de 2.288 W. En aquest cas, la tensió nominal recomanada per a la instal·lació és de com a mínim de 24 V.
En el cas que la instal·lació faci un ús racional i no connecti la rentadora (1.000 W) i el forn (800 W) alhora, podem reduir la potència de la instal·lació a 1.488 W. Per aquesta potència, la tensió nominal recomanada també és de 24 V.
Perfil de consum
La figura mostra diferents perfils de consum d’una instal·lació. L’energia diària consumida en cada instal·lació és la mateixa (2.400 Wh), però la distribució del consum és diferent en cada moment del dia, ja que la potència de la instal·lació també ho és.
El consum detallat de cada perfil està resumit en la taula.
| Hora | Consum constant (Wh) | Consum nocturn (Wh) | Consum domèstic (Wh) |
|---|---|---|---|
| 0 h | 100 | 200 | 10 |
| 1 h | 100 | 200 | 10 |
| 2 h | 100 | 200 | 10 |
| 3 h | 100 | 200 | 10 |
| 4 h | 100 | 200 | 10 |
| 5 h | 100 | 200 | 10 |
| 6 h | 100 | 200 | 10 |
| 7 h | 100 | 200 | 100 |
| 8 h | 100 | 0 | 200 |
| 9 h | 100 | 0 | 400 |
| 10 h | 100 | 0 | 600 |
| 11 h | 100 | 0 | 100 |
| 12 h | 100 | 0 | 100 |
| 13 h | 100 | 0 | 10 |
| 14 h | 100 | 0 | 10 |
| 15 h | 100 | 0 | 50 |
| 16 h | 100 | 0 | 50 |
| 17 h | 100 | 0 | 20 |
| 18 h | 100 | 0 | 50 |
| 19 h | 100 | 0 | 50 |
| 20 h | 100 | 200 | 50 |
| 21 h | 100 | 200 | 150 |
| 22 h | 100 | 200 | 200 |
| 23 h | 100 | 200 | 100 |
| Consum total (Wh) | 2.400 | 2.400 | 2.400 |
Si atenem els diferents tipus d’aplicacions fotovoltaiques, podem definir de manera qualitativa alguns perfils de consum:
- Corba de consum constant. El consum és constant durant tot el dia i també es manté constant al llarg de l’any. Aquest perfil de consum es correspon a aplicacions com les següents:
- Sistemes d’alarma.
- Senyalització marina o ferroviària.
- Repetidors del senyal de ràdio.
- Estacions meteorològiques.
- Electrificació de tanques.
- Corba de consum nocturn. En aquest cas el consum es produeix en hores nocturnes. Per tant, la variació d’aquest consum és inversament proporcional a la durada del dia i a l’hivern el consum és més gran que a l’estiu. Aquest perfil de consum es presenta en les aplicacions següents:
- Il·luminació.
- Senyalització de carreteres.
- Cartells publicitaris.
- Fars marins.
- Corba de consum domèstic. Per establir el perfil de consum cal tenir en compte els hàbits del lloc estudiant cada cas. Per tant, no es pot establir un gràfic concret, però el consum es concreta en les hores on la instal·lació està ocupada.
Exemple de selecció de la tensió nominal de la instal·lació
Encara que l’energia consumida en les tres aplicacions de la figura és la mateixa, els requisits de cada instal·lació són diferents, de manera que la potència de l’inversor serà diferent en cada instal·lació.
Per altra banda, la tensió nominal de la instal·lació depèn de la potència instal·lada. En tots tres exemples, la potència és inferior a 1.200 W, per tant, s’utilitzarà una tensió nominal del sistema de 12 V.
En canvi, en la instal·lació, el perfil de consum del qual podeu veure a la figura, el consum a les 11:00 h és de 1.300 Wh. Si considerem un consum constant durant tota aquesta hora, la potència utilitzada és de 1.300 W:
Per aquesta potència, la tensió nominal recomanada és de 24 V, ja que la màxima potència demandada és de 1.300 W.
Generador fotovoltaic
Una vegada se selecciona la potència del mòdul fotovoltaic, cal calcular el nombre de mòduls necessaris per satisfer la demanda energètica de la instal·lació i determinar la seva configuració en sèrie, paral·lel o mixta.
El generador fotovoltaic d’una instal·lació solar autònoma ve condicionat pel tipus de regulador de càrrega seleccionat.
Nombre de plaques necessàries
El nombre de plaques fotovoltaiques necessàries en una instal·lació és la dada més important a calcular, ja que generalment serveix com a referència a l’hora de calcular altres components del sistema, fins i tot per a fer una aproximació al cost final de la instal·lació.
Per determinar el nombre de plaques necessàries diferenciarem dues situacions:
- Instal·lacions d’ús diari.
- Instal·lacions de cap de setmana.
Instal·lacions d'ús diari
El nombre de mòduls (N) del camp fotovoltaic determina l’energia que genera (EGENERADA) la instal·lació:
La potència de pic del mòdul (PMÀX) seleccionat ens serà subministrada pel fabricant.
El rendiment de camp (ηcamp) inclou les pèrdues degudes a la brutícia dels mòduls i als efectes negatius que té el fet d’utilitzar mòduls que, a causa de la tolerància del fabricant, no són exactament d’igual potència. Aquest valor pot variar entre 0,7 i 0,9, però normalment agafarem un valor de referència de 0,8, és a dir, un 80% de rendiment.
En instal·lacions autònomes el rendiment del camp fotovoltaic serà normalment de 0,8.
La radiació solar i les hores solar pic (HSP) seran les corresponents al mes de pitjor relació entre la irradiació i el consum, generalment el mes de desembre quan es tracta d’electrificacions d’habitatges d’utilització continuada i consum constant.
Cal tenir en compte que si l’època de càlcul és l’hivern, la pèrdua de rendiment en els mòduls per efecte de la temperatura serà pràcticament inexistent i que les pèrdues per brutícia també seran molt petites, atès que la pluja neteja sovint els mòduls a l’hivern i la pols en suspensió és menor que a l’estiu.
L’energia que genera el camp fotovoltaic de la instal·lació ha de ser com a mínim igual a l’energia que consumeix la instal·lació.
El càlcul del nombre de mòduls necessaris (N) en una instal·lació autònoma quedarà determinat per la següent expressió:
Exemple de càlcul del nombre de plaques necessàries en una instal·lació d'ús diari
La tensió nominal de la instal·lació sota estudi de la figura, en base a la potència instal·lada d’uns 679 W aproximadament, és de 12 V i l’energia que ha de subministrar el generador és de 1.841 Wh.
Les característiques dels panells solars utilitzats són els mostrats a la figura, els quals tenen una potència nominal de 120 W i són adequats per les instal·lacions de 12 V de tensió nominal (36 cèl·lules).
Si considerem un rendiment de camp de 0,8, el nombre de panells necessaris (N) que necessitem en la instal·lació sota disseny és d’aproximadament 6:
Com que la tensió nominal de la instal·lació és de 12 V, podem connectar els 6 panells en paral·lel.
Instal·lacions de cap de setmana
Si una instal·lació solar fotovoltaica només s’utilitza el cap de setmana el nombre de panells necessaris ha de permetre la càrrega de les bateries durant els dies que la instal·lació no s’utilitza. En aquest cas, el nombre de mòduls (N) necessaris podem calcular-los a partir de l’expressió següent:
Exemple de càlcul del nombre de plaques necessàries en una instal·lació de cap de setmana
Si la instal·lació sota estudi només s’utilitza el cap de setmana, el nombre de panells necessaris (N) és de 3:
Com que la tensió nominal de la instal·lació és de 12 V, podem connectar els 3 panells en paral·lel, tal com mostra la figura.
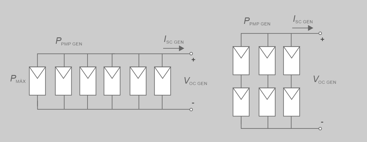
Configuració del camp fotovoltaic
Una vegada coneguda la potència del mòdul seleccionat (PMÀX) i calculat el nombre de mòduls necessaris (N) queda definida la potència del camp fotovoltaic (PPV):
Com que la potència del camp fotovoltaic no depèn de la seva configuració, caldrà decidir el tipus de connexió: en sèrie, paral·lel o mixta.
Aquesta connexió dependrà dels factors següents:
- Tensió nominal. La tensió nominal de la instal·lació i tensió nominal dels panells ha de coincidir. En el cas d’instal·lacions de tensió nominal de 48 V caldrà connectar branques de dos mòduls en sèrie de 24 V de tensió nominal.
- Tipus de regulador de càrrega. La utilització de reguladors de càrrega MPPT permet configuracions més flexibles, facilitant la connexió en sèrie o mixta de mòduls.
En la figura podeu comprovar diferents exemples de configuració del camp fotovoltaic.
Banc de bateries
La capacitat útil del banc de bateries de la instal·lació ha de garantir l’autonomia de la instal·lació durant els dies especificats durant el disseny:
La capacitat útil de la bateria en Wh (CÚTIL), depèn de la seva tensió nominal (V) i vindrà determinada per la profunditat de descàrrega (PD) especificada:
Voltatge de l'acumulador
La tensió nominal recomanada d’una instal·lació fotovoltaica ve determinada per la potència de la instal·lació.
El voltatge de l’acumulador haurà de ser escollit, de manera que sigui prou elevat per a garantir corrents de càrrega/descàrrega raonables, així com un correcte acoblament amb el voltatge del grup de plaques fotovoltaiques (12 V, 24 V o 48 V).
La tensió nominal de les bateries ve determinada per la tensió nominal de la instal·lació i ha de ser compatible amb la resta de components del sistema: camp fotovoltaic, regulador de càrrega i inversor.
Capacitat de l'acumulador
Un cop establert el voltatge de treball de la instal·lació, cal considerar que la bateria és el magatzem d’energia; per tant, la seva capacitat serà determinada pel consum diari i pel nivell d’autonomia que vulguem obtenir, variable en funció del tipus d’instal·lació. Aquestes variables les podem concretar en:
- Els dies d’autonomia que cal aplicar dependran de les estadístiques meteorològiques del lloc d’ubicació de la instal·lació, del grau de fiabilitat desitjat pel client i per l’ús que l’usuari realitza de la instal·lació. Com a norma general els dies d’autonomia requerits poden variar de 3 a 5 dies.
- La profunditat de descàrrega mitjana d’una bateria que tindrem en compte en el càlcul depèn del tipus emprat:
- 0,9 a 1,0 per a acumuladors de liti.
- 0,7 a 0,8 per a acumuladors estacionaris VLRA (AGM i gel).
- 0,5 a 0,6 per a acumuladors estacionaris de Pb-àcid.
- 0,2 a 0,3 per a acumuladors d’engegada (automòbil).
Un cop determinada l’autonomia podem calcular la capacitat de la bateria (CN) amb la següent expressió:
Per establir la profunditat de descàrrega d’una bateria caldrà consultar les especificacions que estableix el seu fabricant.
-

- Exemple de configuració d'un banc de bateries amb acumuladors de 2 V.
Exemple de càlcul de la capacitat d'un banc de bateries
La capacitat del banc de bateries és determinada pel consum diari i pel nivell d’autonomia que vulguem obtenir, variable que està en funció del tipus d’instal·lació. En la instal·lació sota estudi de la figura les dades de partida són les següents:
- Energia necessària: 1.841 Wh
- Dies d’autonomia: 4 dies.
- Tensió nominal de la instal·lació: 12 V
- Profunditat de descàrrega: 0,5 (bateria de Pb-àcid)
A partir d’aquestes dades calculem la capacitat necessària (CN) del banc de bateries:
Com que la capacitat necessitaria és elevada, caldrà recórrer a bateries tubulars de tensió nominal de 2 V, com les disponibles a la taula. La bateria seleccionada és la de referència OPzS 1320, la qual té una capacitat nominal de 1.320 Ah, capacitat immediatament superior a la calculada.
Per a una tensió nominal de 12 V es connectaran 6 d’aquestes bateries en sèrie.
| Referència | Tensió nominal (V) | Capacitat nominal C100 (Ah) |
|---|---|---|
| OPzS 190 | 2 | 190 |
| OPzS 245 | 2 | 245 |
| OPzS 305 | 2 | 305 |
| OPzS 380 | 2 | 380 |
| OPzS 450 | 2 | 450 |
| OPzS 550 | 2 | 550 |
| OPzS 660 | 2 | 660 |
| OPzS 765 | 2 | 765 |
| OPzS 985 | 2 | 985 |
| OPzS 1080 | 2 | 1.080 |
| OPzS 1320 | 2 | 1.320 |
| OPzS 1410 | 2 | 1.410 |
| OPzS 1650 | 2 | 1.650 |
| OPzS 1990 | 2 | 1.990 |
| OPzS 2350 | 2 | 2.350 |
| OPzS 2500 | 2 | 2.500 |
| OPzS 3100 | 2 | 3.100 |
| OPzS 3350 | 2 | 3.350 |
| OPzS 3850 | 2 | 3.850 |
| OPzS 4100 | 2 | 4.100 |
| OPzS 4600 | 2 | 4.600 |
L’energia útil que emmagatzema el banc de bateries és de 7.920 Wh:
Aquesta energia és suficient per alimentar la instal·lació durant 4 dies seguits:
Regulador de càrrega
El regulador de càrrega és el dispositiu que realitza la gestió de la càrrega i descàrrega de les bateries en els sistemes solars fotovoltaics. Per tant, haurà de ser compatible amb la tensió nominal i tipus de bateria utilitzada.
La configuració del regulador de càrrega comença amb la selecció del tipus de regulador a utilitzar. Com a criteri general:
- Regulador PWM. Aquest tipus de regulador s’utilitza en instal·lacions solars de petita potència.
- Regulador MPPT. Aquest tipus de regulador s’utilitza en instal·lacions solars de mitjana i gran potència.
Criteris de selecció del regulador
La selecció del regulador de càrrega d’una instal·lació dependrà de les característiques de cada sistema i caldrà considerar les següents condicions de servei, les quals es resumeixen a la figura:
- La selecció del regulador de càrrega ve determinada per la tensió nominal (VN) de la instal·lació.
- El corrent màxim d’entrada del regulador (IMÀX) que s’ha de considerar és el corrent de curtcircuit màxim del generador fotovoltaic (ISC GEN MÀX), amb un factor de sobredimensionat d’1,25 per evitar danys al regulador:
- El corrent màxim de sortida del regulador (IMÀX) vindrà determinada per la potència de la instal·lació (PINSTAL·LACIÓ) o de l’inversor utilitzat, considerant també un factor de sobredimensionat d’1,25:
- La tensió màxima d’entrada del regulador (VMÀX) serà la tensió màxima en circuit obert del generador (VOC GEN MÀX), considerant un factor de sobredimensionat d’1,2 que preveu les pitjors condicions de temperatura:
Els reguladors de càrrega es caracteritzen per la intensitat màxima que poden suportar, així com pel voltatge nominal de treball. Podem definir com a valors estàndards d’intensitat dels models en el mercat els 5 A, 10 A, 15 A, 20 A, 30 A, 40 A, 50 A i 60 A. I pel que fa a la tensió nominal: 12 V, 24 V o 48 V.
Selecció d'un regulador de càrrega PWM
La selecció del regulador de càrrega comença a partir de la determinació de la tensió nominal de la instal·lació, és a dir, la tensió del banc de bateries: 12 V, 24 V o 48 V.
-

- Exemple de panell de tensió nominal de 12 V (36 cèl·lules).
Un regulador de càrrega de 12 V/24 V detecta la tensió de la bateria i es configura de manera automàtica.
Els reguladors PWM només poden utilitzar-se amb mòduls fotovoltaics de 36 cèl·lules (tensió nominal de 12 V) i 72 cèl·lules (tensió nominal de 24 V). En cas contrari s’està desaprofitant més energia de la necessària, ja que la tensió de la bateria condiciona el punt de treball del generador fotovoltaic. En el cas d’instal·lacions de tensió nominal de 48 V, caldrà utilitzar una configuració sèrie de dos mòduls fotovoltaics de 24 V.
En les instal·lacions que utilitzen un regulador PWM, la tensió del generador s’ha d’adaptar a la tensió nominal del sistema acumulador.
En funció de la tensió nominal de la instal·lació podem utilitzar alguna de les configuracions següents:
- 12 V: només poden utilitzar-se panells solars de 12 V (36 cèl·lules). Per aconseguir la potència fotovoltaica necessària cal connectar els mòduls en paral·lel, per no incrementar la tensió del generador fotovoltaic. En la figura podeu veure diferents exemples.
-

- Exemple de panell de tensió nominal de 24 V (72 cèl·lules).
- 24 V: podem utilitzar panells solars de 24 V (72 cèl·lules) o de 12 V (36 cèl·lules). En el cas d’utilitzar panells de 12 V caldrà connectar dos en sèrie per aconseguir la tensió de treball necessària. Per aconseguir la potència necessària connectarem aquestes configuracions en paral·lel. En la figura podeu veure diferents configuracions.
- 48 V: poden utilitzar-se dos panells en sèrie de 24 V (72 cèl·lules), connectant aquestes branques en paral·lel per aconseguir la potència de disseny necessària. En la figura podeu veure diferents configuracions.
Depenent de la potència del generador instal·lada, caldrà instal·lar més o menys branques de mòduls en paral·lel, de manera que el corrent que se subministra al regulador augmenta de manera significativa.
La taula compara diferents models de reguladors de la mateixa sèrie d’un fabricant. La principal diferència entre ells és el corrent màxim d’entrada i de sortida.
| Paràmetre | Model 16 A | Model 25 A | Model 50 A | Model 60 A |
|---|---|---|---|---|
| Tensió nominal [V] | 12 V - 24 V | 12 V - 24 V | 12 V - 24 V | 12 V - 24 V |
| Tensió d’entrada màxima [V] | 40 V | 40 V | 45 V | 45 V |
| Corrent màxim d’entrada (mòduls) [A] | 16 A | 25 A | 50 A | 60 A |
| Corrent màxim de sortida (càrrega) [A] | 16 A | 25 A | 50 A | 60 A |
| Autoconsum [mA] | 10 mA | 10 mA | 15 mA | 15 mA |
En la selecció del regulador de càrrega tindrem cura de deixar un marge de seguretat en el corrent i la tensió que subministra el generador fotovoltaic:
Exemple de selecció del regulador de la instal·lació sota estudi
La instal·lació sota estudi de la figura té una tensió nominal de 12 V i està formada per 6 panells fotovoltaics de 120 W.
Els criteris de selecció del regulador d’aquesta instal·lació, que es resumeixen en la figura, són els següents:
El model de regulador de càrrega més adequat en aquesta configuració és el de 60 A.
Selecció d'un regulador de càrrega MPPT
-

- Exemple de característiques tècniques d'un mòdul de 60 cèl·lules.
El regulador MPPT pot separar la tensió de funcionament dels panells solars de la tensió de la bateria, sempre que la tensió de sortida del generador fotovoltaic sigui més gran que la tensió del banc de bateries. D’aquesta manera el seguidor del punt de màxima potència (MPPT) podrà situar la tensió de treball del conjunt de panells solars a l’òptima per obtenir la màxima producció possible.
Amb reguladors MPPT es pot utilitzar qualsevol classe de panell sempre que el rang de tensió dels generadors estigui entre els límits marcats per cada model d’inversor. Si hem de realitzar associacions en paral·lel per augmentar la potència total, totes les branques han d’operar al mateix voltatge.
La taula compara les característiques tècniques de diferents reguladors MPPT.
Per limitar el corrent d’entrada del regulador MPPT, el fabricant especifica la potència fotovoltaica màxima que pot connectar-se a la seva entrada en funció de la tensió nominal de la instal·lació. Per exemple, el model de regulador de 35 A, admet diferents configuracions:
- A 12 V limita la potència fotovoltaica a 500 W:

- A 24 V limita la potència fotovoltaica a 1.000 W:

- A 48 V limita la potència fotovoltaica a 2.000 W:

Lògicament, el corrent calculat és superior al que subministrarà el generador, ja que la tensió nominal (VN) d’un mòdul és inferior a la tensió en el punt de màxima potència (VPMP) en el qual treballarà.
| Paràmetre | Model 10 A | Model 15 A | Model 20 A | Model 35 A | Model 45 A |
|---|---|---|---|---|---|
| Tensió nominal | 12 V / 24 V | 12 V / 24 V | 12 V / 24 V | 12 V / 24 V / 48 V | 12 V / 24 V / 48 V |
| Tensió d’entrada màxima | 75 V | 100 V | 100 V | 150 V | 150 V |
| Potència FV màxima (12 V) | 135 W | 200 W | 290 W | 500 W | 650 W |
| Potència FV màxima (24 V) | 270 W | 400 W | 580 W | 1.000 W | 1.300 W |
| Potència FV màxima (48 V) | —- | —- | 1.160 W | 2.000 W | 2.600 W |
| Corrent màxim de sortida (càrrega) | 10 A | 15 A | 20 A | 35 A | 45 A |
| Autoconsum | 10 mA | 10 mA | 20 mA | 20 mA | 20 mA |
El rang de funcionament en què el regulador pot realitzar el seguiment del punt de màxima potència depèn del regulador, però com a norma general només funcionarà si la tensió fotovoltaica supera la tensió de la bateria en uns 5 V perquè arrenqui el controlador MPPT. Un cop arrencat, la tensió fotovoltaica mínima ha de ser superior en 1 V per fer el seguiment del punt de màxima potència.
-

- Els panells solars de 60 cèl·lules estan dissenyats específicament per treballar amb reguladors MPPT.
Reguladors MPPT
Un regulador MPPT, sempre que la tensió del camp fotovoltaic sigui almenys 1 V superior a la de la bateria, buscarà contínuament la tensió on el panell solar produeix més energia i després transformarà aquesta energia mitjançant un convertidor CC/CC a la tensió necessària per carregar la bateria.
La figura mostra diferents exemples de configuracions.
La taula resum possibles configuracions. La selecció del regulador es realitza d’acord amb la tensió màxima d’entrada del regulador (VMÀX) i a la potència màxima que suporta el regulador (PPV MÀX), la qual ha de ser superior a la que subministra el generador fotovoltaic (PGEN). La tensió utilitzada també condicionarà la tensió nominal (VN) de les bateries instal·lades.
| Característica del regulador | VMÀX = 100 V | VMÀX = 150 V | PGEN | VN |
|---|---|---|---|---|
| Un panell | Possible | No aconsellable | 270 W | 12 V |
| Dos panells en sèrie | Possible | Possible | 540 W | 12 V, 24 V |
| Tres panells en sèrie | - | Possible | 810 W | 12 V, 24 V, 48 V |
| Quatre panells (mixta) | Possible | Possible | 1.080 W | 12 V, 24 V |
| Cinc panells | - | - | - | - |
| Sis panells (mixta) | - | Possible | 1.620 W | 12 V, 24 V, 48 V |
| Vuit panells (mixta) | Possible | Possible | 2.160 W | 12 V, 24 V |
Com a conclusió, podem comprovar que per a un regulador de VMÀX = 100 V podem connectar cadenes de 2 mòduls de 60 cèl·lules com a màxim i per a un regulador de VMÀX = 150 V podem connectar 3 mòduls en sèrie. El nombre de cadenes en paral·lel del generador vindrà limitat per la potència del regulador MPPT.
Exemple de selecció d'un regulador MPPT en la instal·lació sota estudi
En la instal·lació sota estudi de la figura s’utilitzarà un regulador de càrrega MPPT, utilitzant panells fotovoltaics de 60 cèl·lules. Els panells utilitzats tenen les característiques següents:
- PPMP = 270 W
- VOC = 37,4 V
- ISC = 9,1 A
Si considerem un rendiment del camp fotovoltaic de 0,8, el nombre de panells necessaris (N) per a la instal·lació sota disseny és d’aproximadament 3:
Amb 3 panells la potència fotovoltaica instal·lada serà de 810 W.
L’única configuració possible amb tres panells és la connexió en paral·lel que podem veure a la figura.
Els criteris de selecció del regulador són els següents:
El model de 35 A de la taula és adequat, ja que permet una potència fotovoltaica màxima d’entrada de 1.000 W sempre que la configuració del generador subministri una tensió nominal de 24 V.
Hem de considerar que amb aquest regulador, el corrent màxim de sortida que pot proporcionar és de 35 A.
Inversor
L’inversor s’encarrega d’alimentar les càrregues de CA de la instal·lació.
Inversors d'instal·lacions solars fotovoltaiques aïllades
La taula mostra les característiques tècniques de diferents inversors d’instal·lacions fotovoltaiques aïllades.
| Model | 150 | 300 | 600 | 800 | 1000 | 1500 | 3000 |
|---|---|---|---|---|---|---|---|
| Tensió nominal d’entrada | 12 V CC (10 V-16 V) / 24 V CC (20 V-32 V) | ||||||
| Potència de sortida continua | 150 W | 300 W | 600 W | 800 W | 1.000 W | 1.500 W | 3.000 W |
| Potència de sortida de pic | 250 W | 450 W | 900 W | 1.100 W | 1.400 W | 2.000 W | 4.000 W |
| Tensió nominal de sortida | 230 V AC ± 2% / 50 Hz ± 0,5% | ||||||
| Forma d’ona de sortida | Ona sinusoidal pura THD < 2% | ||||||
| Rendiment | 88% | 89% | 88% | 88% | 88% | 88% | 87% |
| Consum sense càrrega | < 5 W | ||||||
Les dades bàsiques que cal determinar de l’inversor d’una instal·lació solar fotovoltaica són:
- Tensió nominal d’entrada: depèn de la tensió nominal del banc de bateries.
- Tensió nominal de sortida: com a norma general alimentarem instal·lacions monofàsiques a 230 V/50 Hz.
- Potència nominal de sortida o potència de sortida contínua: aquesta potència vindrà determinada per la potència instantània demandada pels consums de la instal·lació.
Coeficient de simultaneïtat
En qualsevol instal·lació elèctrica podem establir un coeficient de simultaneïtat en funció de les càrregues instal·lades i de l’ús que es fa d’elles.
El coeficient de simultaneïtat (CS) és la relació que hi ha entre els punts d’utilització que poden funcionar simultàniament i el nombre total d’aquests punts. Per tant, aquest coeficient ens indica el percentatge d’equips de la instal·lació que poden funcionar de manera simultània.
El coeficient de simultaneïtat ens determina la relació entre la potència elèctrica instal·lada i la potència de l’inversor que cal utilitzar.
La taula mostra el consum d’una instal·lació. Si tots els dispositius de la instal·lació es connecten alhora, la potència de la instal·lació (PINSTAL·LADA) és molt gran:
| Dispositiu | Potència | Unitats | Potència total |
|---|---|---|---|
| Llum | 22 W | 8 | 176 W |
| Frigorífic | 200 W | 1 | 200 W |
| Rentadora | 1.000 W | 1 | 1.000 W |
| Televisió | 100 W | 2 | 200 W |
| Calefactor | 1.500 | 1 | 1.500 W |
| Ordinador | 200 W | 3 | 600 W |
| Microones | 700 W | 1 h | 700 W |
| Potència total | 4.376 W | ||
Durant la utilització d’una instal·lació és molt improbable que tots els dispositius estiguin connectats alhora, per tant, podem considerar un coeficient de simultaneïtat per tal d’establir el nombre de dispositius que poden connectar-se.
Per exemple, si considerem un coeficient de simultaneïtat (CS) del 50%, la potència màxima que podem demandar a l’inversor serà de 2.668 W:
En el cas de considerar un coeficient de simultaneïtat (CS) del 75%, la potència màxima que podem demandar a l’inversor serà de 3.282 W:
D’aquesta manera no podrem connectar alhora tots els dispositius que més consumeixen, però fent un ús racional podem connectar per exemple la rentadora o el calefactor amb la resta de dispositius.
Tensió nominal
La tensió nominal dels inversors d’instal·lacions autònomes és de 12 V, 24 V i 48 V.
L’inversor seleccionat ha de coincidir amb la tensió nominal de la instal·lació.
Potència de l'inversor
Quan cal dissenyar l’inversor d’una instal·lació podem prendre dues solucions:
- Seleccionar un inversor amb prou potència per alimentar totes les càrregues.
- Aplicar un coeficient de simultaneïtat.
Si volem alimentar totes les càrregues de la instal·lació de manera simultània, la potència de l’inversor haurà de ser igual o superior a la potència instal·lada, al que podem aplicar un factor de sobredimensionat del 20%:
Aquesta solució s’adopta en les instal·lacions petites, en aquelles que no hi cap restricció o quan les carregues alimentades són crítiques.
Selecció de l'inversor de la instal·lació sota estudi
Per a la selecció de l’inversor de la instal·lació sota estudi de la figura cal recopilar les especificacions de la instal·lació i els resultats de disseny de la resta de components de la instal·lació:
- La tensió nominal d’entrada de l’inversor ha de coincidir amb la tensió nominal de la instal·lació: 12 V CC.
- La tensió nominal de sortida de l’inversor haurà de coincidir amb la tensió de la nostra instal·lació: 230 V CA/50 Hz.
Només manca determinar la seva potència nominal, tenint en compte la potència dels receptors utilitzats en la instal·lació, tal com es mostra a la figura. En aquesta instal·lació la potència instal·lada és de 679 W. Com que el nombre de receptors és petit i la potència instal·lada també, no aplicarem cap factor de simultaneïtat:
Amb aquestes dades, podem seleccionar el model d’inversor de 800 W de la taula de 12 V de tensió nominal i que pot subministrar una potència de pic de 1.100 W.
També podem aplicar un coeficient de simultaneïtat per seleccionar la potència de l’inversor. Aquesta solució s’adopta en les instal·lacions de mitjana i gran potència quan la probabilitat que totes les càrregues de la instal·lació estiguin connectades de manera simultània és baixa.
A la pràctica els receptors d’una instal·lació mai funcionen alhora.
La potència nominal de l’inversor o convertidor adient serà la resultant de la suma de totes les potències nominals dels equips consumidors multiplicat per un coeficient de simultaneïtat d’entre 0,5 a 0,75 en funció de la tipologia i quantitat de consums:
El resultat d’aquesta operació ens determinarà la potència nominal de l’inversor, amb l’excepció que la potència nominal d’algun dels aparells de consum sigui superior a aquest valor i que, per tant, aquest aparell ens determinarà la potència mínima del convertidor. En aquest sentit, cal tenir en compte que alguns electrodomèstics que incorporen motor demanen puntes de potència d’engegada superiors a les nominals (fins a 4 vegades més); per exemple, els televisors en color i les neveres.
Selecció de l'inversor de la instal·lació sota estudi amb coeficient de simultaneïtat
Per determinar la potència de l’inversor de la instal·lació de la figura, de potència instal·lada de 679 W, si considerem que cal aplicar un coeficient de simultaneïtat perquè no tots els receptors es connectaran alhora, podem establir el criteri següent:
Per tant, un criteri de disseny pot ser el següent:
En aquest cas, dels inversors disponibles de la taula no n’hi ha cap que compleixi aquest criteri, així que s’opta per seleccionar el de 600 W de potència nominal.
Utilització d'eines en línia
El programari en línia de PVGIS permet avaluar el rendiment d’un sistema fotovoltaic autònom.
Aquesta eina permet analitzar el funcionament d’una instal·lació solar fotovoltaica sense connexió a la xarxa elèctrica i que, per tant, disposa d’un sistema d’emmagatzematge amb bateries per proporcionar l’energia demandada per la instal·lació en moments en què no existeix radiació solar disponible.
Durant la simulació s’utilitza informació sobre el consum elèctric al llarg del dia per calcular la quantitat d’energia fotovoltaica generada que se subministra a la instal·lació i a les bateries.
Instal·lació sota estudi
En la figura podeu veure la solució proposada de la instal·lació sota estudi. Les dades més importants que resulten del disseny de la instal·lació són les següents:
- Localització: coordenades geogràfiques de Barcelona (41,45º, 2,1º).
- Potència fotovoltaica instal·lada: 720 W.
- Capacitat de la bateria: 1.320 Ah.
- Profunditat de descàrrega de les bateries utilitzades: 50%.
- Consum diari: 1.381 Wh.
- Orientació (α) de 0º i inclinació (β) de 50º.
- HSP en el mes de disseny de 3,48 hores.
Amb el disseny realitzat podem calcular alguns paràmetres de funcionament de la instal·lació:
- L’energia diària generada pel camp fotovoltaic és de 2.004,6 Wh:

- El factor de càrrega (F) en el mes de disseny (desembre) és d’1,08, de manera que en el pitjor mes es genera més energia que la que es consumeix:

- Amb la capacitat de la bateria seleccionada, el nombre de dies d’autonomia és superior a 4:

Amb eines de simulació podem comprovar el rendiment d’aquesta instal·lació.
Entrada de dades
PVGIS permet analitzar el rendiment d’un sistema solar fotovoltaic autònom.
Les dades que cal omplir per a la localització de la instal·lació, les quals podeu veure a la figura:, són les següents:
- Potència fotovoltaica instal·lada [Wp]: potència màxima del camp fotovoltaic. No podem especificar el rendiment de la instal·lació fotovoltaica i l’eina assumeix unes pèrdues conservadores de 0,69, les quals inclouen les pèrdues pel rendiment de la bateria, l’inversor i la degradació dels diferents components del sistema. El sistema sota estudi té una potència instal·lada de 720 W.
- Capacitat de la bateria [Wh]: capacitat nominal (C) del banc de bateries utilitzat, expressada en Wh. En els sistemes autònoms calculem la capacitat de les bateries en Ah, però podem expressar-la també en Wh a partir de la seva tensió nominal (VN<()) de la manera següent:

- Limitador de descàrrega: límit de descàrrega permesa de la bateria. Aquest valor dependrà del tipus de bateria. Per exemple, una bateria de Pb-àcid amb una profunditat de descàrrega de 60% (0,6), la descàrrega es limita al 40% (0,4). Per tant, aquest paràmetre està relacionat amb l’estat de càrrega (SoC) permés (SoC = 1 - PD). En la instal·lació sota estudi, el límit de descàrrega és de 50% (0,5):

- Consum diari: consum d’energia de tots els dispositius connectats al sistema durant un període de 24 hores. El consum de la instal·lació sota estudi és de 1.381 Wh.
- Orientació i inclinació: les òptimes utilitzades en el mes de disseny (β = 50º i α = 0º).
Podem assumir que aquesta eina de simulació utilitza un rendiment del camp fotovoltaic (η) de 0,9 i un rendiment global de la instal·lació de 0,75. Això resulta un rendiment total combinat de 0,68 (0,9·0,75).
Límits de tall de descàrrega recomanables segons la tecnologia són un 40% en bateries de Pb-àcid i un 20% en les bateries de Liti.
PVGIS suposa que el consum diari de la instal·lació es distribueix al llarg de les hores del dia seguint un perfil de consum típic d’ús domèstic, on la major part del consum es realitza durant la tarda.
Resultats de la simulació
Els resultats que proporciona aquesta eina són de tres tipus diferents:
- Producció estimada. Valors de la producció elèctrica diària i de l’energia no capturada a causa d’una bateria completament carregada, tots dos expressats en Wh.
- Rendiment de la bateria. Nombre de dies en què la bateria es carrega i descarrega completament.
- Probabilitat de l’estat de càrrega de la bateria al final del dia. Histograma de l’estat de càrrega diari de la bateria.
PVGIS realitza els càlculs energètics hora a hora segons la radiació de la base de dades seleccionada (PVGIS-SARAH2), seguint els passos següents:
- L’energia generada se subministra a la càrrega.
- En el moment en què hi ha excés d’energia generada, aquesta s’utilitza per carregar la bateria.
- En el cas que l’energia generada sigui insuficient per alimentar les càrregues, l’energia s’extreu de les bateries.
- Si hi ha excés d’energia generada i la bateria està completament carregada, l’energia es perd (energia no capturada).
La figura mostra el resum dels resultats obtinguts:
- Percentatge de dies amb la bateria carregada [%]: l’energia fotovoltaica no consumida per la instal·lació s’utilitza per carregar la bateria i, per tant, en finalitzar el dia pot estar completament carregada.
- Percentatge de dies amb la bateria descarregada [%]: dies en què la bateria acaba buida, és a dir, al límit de descàrrega, ja que el sistema fotovoltaic no produeix prou energia per carregar-la.
- Energia mitjana no capturada: energia que es perd a causa del fet que la bateria està plena i es genera més energia que la que necessiten les càrregues de la instal·lació.
- Energia mitjana que falta [Wh]: energia que el sistema no pot subministrar els dies que la bateria està descarregada. Aquesta és l’energia que manca quan el consum no es pot alimentar perquè el camp fotovoltaic no genera suficient energia i la bateria està descarregada.
Els resultats de la simulació en la nostra instal·lació són els següents:
- Percentatge de dies bateria carregada [%]: 84,13.
- Percentatge de dies bateria descarregada [%]:0,07.
- Energia mitjana no capturada [Wh]: 1.495,12.
- Energia mitjana que falta [Wh]: 558,75.
L’energia mitjana que falta indica l’energia que el sistema no pot subministrar els dies que la bateria està descarregada. És a dir, el 0,07% dels dies de l’any que la bateria està descarregada manquen 558,75 Wh per subministrar, cosa que pot passar al mes de gener i que, per probabilitat, és menys d’un dia a l’any.
Producció energètica estimada
La producció energètica és l’energia que s’utilitza per alimentar les càrregues o carregar la bateria.
En la instal·lació sota estudi, la figura mostra la producció energètica estimada:
- Producció energètica. Producció d’energia mitjana per dia que produeix el sistema fotovoltaic, que inclou tota la que se subministra a les càrregues. Part d’aquesta energia és la que genera directament el generador fotovoltaic i part és la proporcionada per les bateries. La producció energètica diària en la instal·lació sota estudi està al voltant de 1.400 Wh.
- Energia no capturada. Energia mitjana diària que no s’aprofita, és a dir, l’energia produïda pel sistema fotovoltaic que es perd perquè la bateria està carregada i els consums no la necessiten.
En lataula podem veure el resum del balanç d’energia en el diferents mesos de l’any.
| Mes | Energia diaria generada | Energia diària perduda | % dies amb la bateria plena | % dies amb la bateria buida |
|---|---|---|---|---|
| Gener | 1.382,39 | 871,64 | 73,02 | 0,84 |
| Febrer | 1.389,5 | 1.118,1 | 78,38 | 0,0 |
| Març | 1.380,62 | 1.316,14 | 83,53 | 0,0 |
| Abril | 1.373,45 | 1.434,73 | 82,81 | 0,0 |
| Maig | 1.390,69 | 1.491,09 | 91,85 | 0,0 |
| Juny | 1.381,27 | 1.583,68 | 96,67 | 0,0 |
| Juliol | 1.380,57 | 1.649,24 | 97,45 | 0,0 |
| Agost | 1.378,73 | 1.634,05 | 97,79 | 0,0 |
| Setembre | 1.378,92 | 1.368,01 | 89,47 | 0,0 |
| Octubre | 1.369,92 | 1.083,51 | 76,57 | 0,0 |
| Novenbre | 1.376,28 | 801,63 | 69,3 | 0,0 |
| Desembre | 1.384,08 | 737,03 | 72,33 | 0,0 |
Com podem veure, de mitjana l’energia produïda sempre és superior a l’energia que demanda el consum, que és de 1.381 Wh.
Rendiment de la bateria
La figura mostra el rendiment de la bateria, on s’indica el percentatge de dies que la bateria està completament carregada o descarregada:
- Cada vegada que l’estat de càrrega de la bateria arriba al 100%, s’afegeix un dia al recompte de dies en què la bateria està completament carregada.
- Quan l’estat de càrrega de la bateria arriba al límit de tall, s’afegeix un dia al recompte de dies en què la bateria està descarregada.
La figura mostra probabilitat de l’estat de càrrega de la bateria al final del dia, on s’indica el percentatge de dies en funció de l’estat de càrrega.
Conclusions
En un sistema autònom, la capacitat de la bateria està dissenyada per alimentar la instal·lació sense suport del camp fotovoltaic els dies consecutius on la capacitat de generació és reduïda, com per exemple els dies ennuvolats. Dels resultats obtinguts de la simulació podem concloure que el disseny està ben realitzat, ja el percentatge en el qual la bateria està descarregada és molt petit, inferior a l’1%:
La probabilitat que la bateria quedi descarrega es produeix només al gener, el 0,84% dels dies. Això suposa una probabilitat del 0,07% a l’any.
- Percentatge de dies amb bateria carregada [%]: 84,13% dels dies a l’any.
- Percentatge de dies amb bateria descarregada [%]: 0,07% dels dies a l’any.
Podem observar, que hi ha energia que no s’ha capturat perquè les bateries estaven completament carregades i energia que no s’ha pogut subministrar a la instal·lació perquè les bateries estaven completament descarregades:
- L’energia mitjana no capturada en una instal·lació solar aïllada és inevitable, ja que la radiació depèn del mes de l’any, i la instal·lació s’ha dissenyat per al pitjor mes. De mitjana, es desaprofiten 1.495,12 Wh diaris.
- L’energia mitjana que falta indica l’energia que no es podrà subministrar a la instal·lació només els dies que les bateries es trobin descarregades. En la nostra instal·lació, aquests dies mancarà una mitja de 558,75 Wh. La solució a aquest problema és utilitzar un grup electrogen de suport
Anem a veure com varia el rendiment de la instal·lació modificant alguns paràmetres de la instal·lació:
- La potència fotovoltaica es manté a 720 W.
- La capacitat de les bateries es redueix a la meitat: 7.920 Wh.
Els resultats de la simulació els podeu comprovar a la figura. El percentatge de dies que la bateria roman descarregada al final del dia augmenta al 0,71% (2,5 dies a l’any), i pot ocórrer amb major probabilitat en tots els mesos d’hivern, on la radiació és més petita.

En la figura podem veure els resultats de la simulació en el cas següent:
- La potència fotovoltaica es redueix a 480 W (4 panells de 120 W).
- La capacitat de les bateries es redueix a la meitat: 7.920 Wh.
Amb aquesta configuració els dies amb bateria descarregada augmenta fins al 3,88% (14 dies a l’any), solució que no és admissible.
Exemple de disseny
Hi ha diferents mètodes per al càlcul del dimensionament d’instal·lacions solars fotovoltaiques autònomes. El que estem utilitzant està basat principalment en l’avaluació de la demanda energètica diària.
En aquest exemple repassarem tots els criteris per tal de seleccionar els components d’una instal·lació solar autònoma a partir de la demanda energètica d’un habitatge aïllat.
Especificacions inicials de la instal·lació
El lloc d’instal·lació és un habitatge que està situat en una zona propera a la població de Manresa, amb les coordenades geogràfiques següents:
- Latitud: 41,7º.
- Longitud: 1,8º.
En la figura es resumeixen les principals especificacions que ha de reunir aquesta instal·lació.
L’ús de la instal·lació és continuat tot l’any i s’utilitzarà un grup electrogen de suport. Per tant, l’orientació òptima dels panells és de 0º i la seva inclinació òptima aproximada és de 50º:
Es requereixen com a mínim 4 dies d’autonomia.
Radiació solar disponible
Per calcular la radiació incident utilitzarem els valors indicats en les taules de radiació que ens determinaran l’energia global diària per al lloc, la inclinació i l’orientació que hem determinat. En el cas de l’electrificació autònoma fotovoltaica, el càlcul està encaminat a procurar el màxim d’autoproveïment energètic; per tant, a l’hora de calcular escollim les dades del mes de l’any més desfavorable, és a dir, del mes de l’any amb menys radiació solar global diària disponible.
A partir de les dades de l’Atles de radiació solar a Catalunya obtenim que la radiació a Manresa amb azimut 0º per a una inclinació d’ús tot l’any amb un grup electrogen de suport (latitud + 10º = 50º) i aplicant els factors de conversió pertinents, obtenim la radiació incident a una inclinació de 50º.
Per contra, en les instal·lacions amb connexió a la xarxa, en què el subministrament elèctric està garantit, s’ha d’escollir la inclinació que optimitzi la producció anual d’electricitat, tret que hi hagi limitadors físics en l’edificació.
En la taula podeu veure la radiació a Manresa per a una orientació sud (0º) i una superfície inclinada de 50ª, tant en MJ/m2/dia com en kwh/m2/dia.
La radiació solar correspon al mes de pitjor relació entre irradiació i consum; generalment, és el mes de desembre quan es tracta d’electrificacions d’habitatges.
| Radiació | Gen | Feb | Mar | Abr | Mai | Jun | Jul | Ago | Set | Oct | Nov | Des | Anual |
|---|---|---|---|---|---|---|---|---|---|---|---|---|---|
| MJ/m2/dia | 12,13 | 14,88 | 17,82 | 19,62 | 20,18 | 20,15 | 20,24 | 20,13 | 18,88 | 16,18 | 13,08 | 11,08 | 17,04 |
| kVh/m2/dia | 3,37 | 4,13 | 4,95 | 5,45 | 5,61 | 5,60 | 5,62 | 5,59 | 5,24 | 4,49 | 3,63 | 3,07 | 4,73 |
| HSP | 3,37 | 4,13 | 4,95 | 5,45 | 5,61 | 5,60 | 5,62 | 5,59 | 5,24 | 4,49 | 3,63 | 3,07 | 4,73 |
Com que el consum de la instal·lació és constant tot l’any, el mes de disseny és el de menys radiació. I observem que el mes de l’any més desfavorable és el desembre, amb una radiació solar de 3,07 kwh/m2/dia. Per tant, les hores solar pic (HSP) que cal considerar en el disseny són 3,07:
Caracterització dels consums
Per tal d’ordenar la llista d’aparells consumidors amb la potència i el consum corresponents, farem servir una taula de consums que ens permetrà determinar l’energia necessària prevista diària del conjunt d’elements que s’han d’alimentar.
La taula de consums estarà dividida en dues parts corresponents a aparells d’utilització variable i continuada tal com es mostra en la taula.
| Consums variables | ||||
|---|---|---|---|---|
| Aparell | Nombre d’aparells | Potència (W) | Temps (h/dia) | Energia (Wh/dia) |
| Bombeta baix consum | 4 | 15 | 4 | 240 |
| Bombeta baix consum | 3 | 11 | 1 | 33 |
| TV petita | 1 | 75 | 4 | 300 |
| Ràdio | 1 | 15 | 6 | 90 |
| Planxa | 1 | 800 | 0,15 | 120 |
| Ordinador | 1 | 250 | 1 | 250 |
| Total consums variables | 1.033 | |||
| Consums continuats | ||||
| Aparell | Nre. d’aparells o serveis | Energia (Wh/dia o servei) | Energia (Wh/dia) | |
| Ràdio, telèfon | 1 | 150 | 150 | |
| Rentadora en fred | 0,5 rentada/dia | 400 | 200 | |
| Nevera baix consum | 1 | 300 | 300 | |
| Congelador baix consum | 1 | 700 | 700 | |
| Total consums continuats | 1.350 | |||
| Total consums previstos diaris | 2.383 | |||
Energia necessària
Al valor de consum diari previst que hem obtingut en la taula anterior, hi aplicarem un factor global de rendiment de la instal·lació fotovoltaica que engloba els autoconsums i rendiments particulars dels elements que la integren (regulador, acumulador i convertidor CC/CA), de manera que el resultat, que anomenem energia necessària, és l’energia bruta que cal produir en els mòduls per satisfer amb efectivitat els consums nets previstos. Aquest valor serà sempre superior a l’energia neta que es vol subministrar als consums.
Com que tots els consums de la instal·lació s’alimenten amb subministrament en CA, el rendiment global que emprarem en els nostres càlculs és de 0,75:
Dividint el valor d’energia que es necessita per als consums (taula de consums) pel rendiment global obtenim l’energia necessària que cal subministrar:
En instal·lacions amb subministrament en CC el rendiment de la instal·lació és de 0,8.
Nombre de panells necessaris
La instal·lació és d’ús diari, per tant, determinarem el càlcul dels mòduls necessaris (N) en una instal·lació autònoma amb l’expressió següent:
La potència pic del mòdul ens la subministra el fabricant i sol integrar la nomenclatura o referència de model dels fabricants. D’aquesta manera trobem el mòdul I-110, que té una potència pic de 110 W, o l’A-55, de 55 W.
En el nostre cas considerarem que disposem de panells fotovoltaics de 120 W (A-120P), amb les característiques següents:
El rendiment de camp (ηcamp) inclou les pèrdues degudes a la brutícia dels mòduls i als efectes negatius que té el fet d’utilitzar mòduls que, per la tolerància del fabricant, no són exactament de la mateixa potència. En instal·lacions autònomes aquest rendiment pren normalment valors de 0,70 a 0,80.
- PMÀX: 120 W
- VOC: 21,0 V
- ISC: 7,70 A
- VPMP: 16,9 V
- IPMP: 7,10 A
Aplicant l’expressió anterior per a un rendiment del camp fotovoltaic de 0,7 obtenim 12,32 panells:
I aplicant un rendiment del camp fotovoltaic de 0,8 obtenim 10,78 panells:
Arrodonint el resultat obtindríem entre 10 i 12 mòduls A-120P, que són nombres parells i ens permetran fer associacions de dos mòduls en sèrie cada una i poder, per tant, treballar al doble de voltatge, totalitzant entre 1.200 W i 1.440 W de potència de captació. Per tant, quedaria justificat com a millor opció instal·lar sis grups de mòduls connectats en paral·lel en què cada grup estaria format per dos mòduls en sèrie, tal com podeu veure a la figura.
Determinada la configuració del generador i tenint en compte la potència fotovoltaica instal·lada, s’utilitzarà una tensió nominal de 24 V.
Capacitat de l'acumulador
Per determinar la capacitat de la bateria necessitem les dades següents:
El voltatge de l’acumulador haurà de ser escollit de manera que sigui prou elevat per obtenir uns corrents de càrrega/descàrrega raonables (I < 60 A), i també un acoblament correcte amb el voltatge del grup de mòduls fotovoltaics (12, 24 o 48 V).
- ENECESSÀRIA: 3.177 Wh.
- Dies d’autonomia (N): 4 dies
- Tensió nominal de la instal·lació (VN): 24 V.
- Profunditat de descàrrega de les bateries (PD): s’utilitzaran bateries d’electrolític gelificat amb una profunditat de descàrrega recomanada màxima de 0,8.
Podem calcular la capacitat de la bateria amb l’expressió següent:
El subíndex “100” de C100 indica que aquesta capacitat de bateria serà la subministrada en cicles de descàrrega de cent hores de durada, que és el valor més emprat per instal·lacions d’electrificació rural.
La capacitat nominal del banc de bateries ha de ser com a mínim de 662 Ah:
Selecció del regulador de càrrega
El model de regulador necessari en cada instal·lació queda determinat per la potència, la tensió i el corrent del camp fotovoltaic i la tensió nominal de la instal·lació.
Els reguladors de càrrega es caracteritzen per la intensitat màxima que poden suportar, i també pel voltatge nominal de treball. Podem definir com a valors estàndard d’intensitat de control dels models en el mercat els 10 A, 15 A, 30 A i 50 A. I pel que fa a voltatges, 12 V, 24 V o 48 V.
A partir de la configuració del generador fotovoltaic de la instal·lació proposada en la figura, tenint en compte el muntatge de 12 mòduls de 120 W col·locats en sis grups connectats en paral·lel i que cada mòdul té una intensitat màxima de treball de 7,7 A segons les especificacions del fabricant, obtenim les seves característiques:
Com a punt de partida s’opta per utilitzar un regulador PWM:
- La selecció del regulador de càrrega ve determinada per la tensió nominal (VN) de la instal·lació, és a dir, 24 V.
- El corrent màxim d’entrada del regulador (IMÀX) que s’ha de considerar és el corrent de curtcircuit màxim del generador fotovoltaic (ISC GEN MÀX), sobredimensionat 1,25 per evitar danys al regulador:

- La tensió màxima d’entrada del regulador (VMÀX) serà la tensió màxima en circuit obert del generador (VOC GEN MÀX), considerant un factor de sobredimensionat d’1,2 que preveu les pitjors condicions de temperatura:

Per tant, cal seleccionar un regulador de 60 A a una tensió nominal de 24 V i de tensió màxima uns 50 V.
Dimensionament del convertidor CC/CA
Escollirem l’inversor adient per a la instal·lació a partir de la taula de consums (taula), determinant el valor total de potència instal·lada:
Com que la instal·lació sota estudi és de mitja potència, podem considerar coeficients de simultaneïtat per determinar la potència de l’inversor.
Cal tenir en compte que alguns electrodomèstics que incorporen motor demanen puntes de potència d’arran superiors a les nominals (fins a quatre vegades més), per exemple, els televisors en color i les neveres.
| Aparell | Nombre | Potència [W] | Potència total [W] |
|---|---|---|---|
| Bombeta baix consum | 4 | 15 | 60 |
| Bombeta baix consum | 3 | 11 | 33 |
| TV petit | 1 | 75 | 75 |
| Ràdio | 1 | 15 | 15 |
| Planxa | 1 | 800 | 800 |
| Ordinador | 1 | 250 | 250 |
| Ràdio, telèfon | 1 | 6 | 6 |
| Rentadora en fred | 1 | 400 | 400 |
| Nevera baix consum | 1 | 200 | 200 |
| Congelador baix consum | 1 | 350 | 350 |
| Total potència instal·lada | 2.189 |
Com que la potència instal·lada és elevada, utilitzarem coeficients de simultaneïtat per determinar la potència de l’inversor:
La potència de l’inversor ha d’estar compresa entre els valors següents:
Per tant, muntarem un inversor de 1.000 W o de 1.500 W en funció del rang disponible en el catàleg del fabricant escollit, de tensió nominal 24 V.
Proteccions
Les instal·lacions solars fotovoltaiques autònomes disposaran dels elements bàsics de protecció que podeu veure a la figura. Aquestes proteccions les podem classificar en funció del punt d’instal·lació:
- Proteccions a la part de CC
- Proteccions a la part de CA
Proteccions a la part de CC
A les instal·lacions autònomes, el voltatge de la instal·lació en CC acostuma a ser inferior als 75 V, un valor dins el rang considerat com a molt baixa tensió (ITC-BT-36), i, per tant, no presenta perill en cas de contactes directes o indirectes; en aquest sentit, no és necessari instal·lar aquest tipus de protecció.
Per garantir la protecció contra sobretensions transitòries cal instal·lar un protector contra sobretensions (varistor) en el generador fotovoltaic.
Els fusibles de línia en el generador fotovoltaic són elements de protecció contra sobrecàrregues i curtcircuits, encara que com el corrent de sortida del generador fotovoltaic queda limitat pel seu corrent de curtcircuit, el fusible protegeix la línia elèctrica contra curtcircuits d’origen extern. En cap cas, aquest element pot utilitzar-se com a seccionadors amb càrrega, ja que per aquesta funció s’han d’utilitzar els interruptors manuals o automàtics.
El varistor és un element destinat a protegir la instal·lació de les sobretensions transitòries d’origen atmosfèric (descàrregues directes del llamp o sobretensions que pugui induir en els equips o línies elèctriques).
Els fusibles de línia de l’acumulador actuen com a protecció general de la bateria en cas que es produeixin sobrecorrents, deguts sobretot a curtcircuits, que puguin danyar la bateria, el regulador de càrrega o els conductors que la connecten al regulador.
S’ha d’instal·lar un fusible per a cada conductor polar (+/-) de cada cadena de mòduls del generador fotovoltaic.
L’interruptor automàtic de tall de l’entrada de l’inversor té com a funció principal el seccionament en càrrega del camp fotovoltaic.
S’ha de col·locar un fusible de línia en la connexió a la bateria.
Proteccions a la part de CA
L’interruptor automàtic de la sortida de CA de l’inversor és l’element de protecció contra sobrecàrregues i curtcircuits, encara que també permet el seccionament amb càrrega de la sortida CA de l’inversor, que permet realitzar de manera segura les operacions de manteniment d’aquests equips. No és necessari en cas que l’inversor n’incorpori un.
El quadre de proteccions de la línia de subministrament de la instal·lació ha de tenir, com a mínim, els elements següents:
- IGA (interruptor general automàtic). Element de protecció contra sobrecàrregues i curtcircuits que, alhora, té la funció de seccionar la línia per tal de fer operacions de manteniment, etc.
- Interruptor automàtic diferencial, per a la protecció contra contactes indirectes.
- PIA (magnetotèrmic) per protegir la derivació dels diferents circuits de la instal·lació interior.
- Protector de sobretensions transitòries, de la part de CA.
Generalment, s’instal·len interruptors diferencials d’alta sensibilitat (30 mA) i, en qualsevol cas, cal basar-se en la ITC-BT-24. Atès que l’interruptor diferencial basa la seva protecció en la detecció dels corrents de defecte, cal que el neutre del subministrament CA de l’inversor estigui connectat a terra perquè el dispositiu diferencial actuï davant del primer defecte de la instal·lació i desconnecti el subministrament.
Presa de terra
La presa de terra de protecció evita que es generin tensions perilloses a les parts de la instal·lació que entrin en tensió, de manera accidental, per algun defecte elèctric o d’origen atmosfèric. A la terra de protecció s’hi han de connectar les parts metàl·liques dels panells fotovoltaics, les estructures de suport i la terra del xassís de l’inversor i del regulador de càrrega.
La terra de servei és la que permet que funcioni l’interruptor diferencial davant de qualsevol defecte en la línia CA entre l’inversor mateix i els receptors de la instal·lació (habitatge, etc.). En aquest cas, cal que les masses metàl·liques dels equips receptors de la instal·lació estiguin connectades a una terra pròpia i diferent de la terra del neutre.
El dimensionament i muntatge de les preses de terra ha de complir les especificacions tècniques establertes en el REBT, en les instruccions tècniques ITC-BT-18, ITC-BT-19 i ITC-BT-26.



































