Activitats
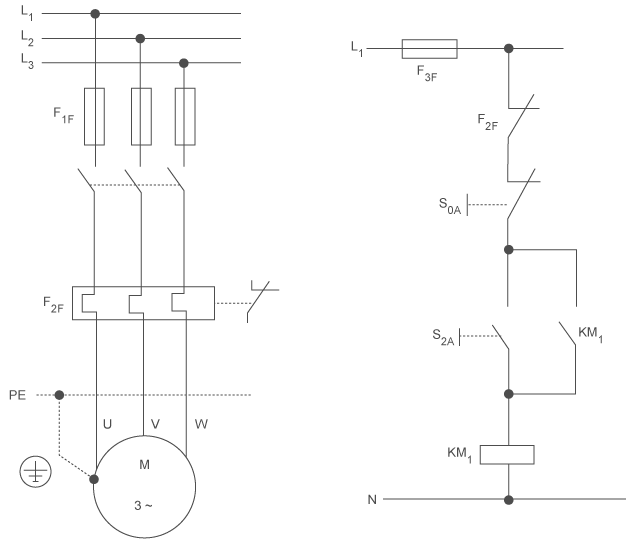
Arrencada d'un motor
L’objectiu d’aquesta activitat és descriure el procés d’arrencada d’un motor.
Donada la figura següent, expliqueu cada un dels elements de l’arrencada d’un motor.
Inversió de gir
L’objectiu d’aquesta activitat és descriure el procés d’inversió de gir d’un motor.
Cerqueu informació a Internet sobre la inversió de gir d’un motor. Feu l’esquema de potència.
Motor monofàsic
L’objectiu d’aquesta activitat és calcular amb un motor monofàsic.
Un motor asíncron monofàsic de 2,5 CV a 220 V, cosφ= 0,78, 50 Hz, 2.750 rpm, i rendiment a plena càrrega η= 0,81 està funcionant a plena càrrega.
Calculeu:
- Potència absorbida.
- Corrent.
- Parell útil.
Motor trifàsic I
L’objectiu d’aquesta activitat és calcular la variació del parell amb un motor trifàsic.
Un motor asíncron trifàsic bipolar indica en la seva placa de característiques el següent:
- 2.900 rpm
- 50 Hz
- 11 CV
Calculeu:
- Parell útil.
- Velocitat de rotació si el parell en un moment puntual és de 20 N·m.
Motor trifàsic II
L’objectiu d’aquesta activitat és calcular el balanç de potències d’un motor trifàsic.
Un motor asíncron trifàsic bipolar de 380/220 V, 24/41 A, 50 Hz, cosφ= 0,83 i 2.850 rpm està connectat a una línia trifàsica de 380 V a 50 Hz i persenta els següents paràmetres:
- A cada debanat estatòric hi ha una resistència de 1,1 Ω.
- Pèrdues totals al circuit magnètic: 412 W.
- Pèrdues totals per fregament i calor: 325 W.
Calculeu:
- Potència absorbida
- Potència transmesa al rotor
- Potència mecànica desenvolupada
- Potència útil
- Rendiment
- Parell útil




