Instal·lacions elèctriques amb finalitats o ubicacions especials
Sortirem ara de l’interior dels locals per analitzar quins són els requeriments que el Reglament imposa a les instal·lacions electrotècniques que, atesa la seva particular ubicació o funció final, presenten unes característiques i unes condicions d’instal·lació que les fan especials i que, en conseqüència, no es troben previstes en cap altra instrucció.
Les instruccions ITC-BT-31, 32, 33, 34, 35 i 39 tracten totes d’instal·lacions elèctriques amb finalitats especials.
Piscines i fonts (ITC-BT-31)
L’aigua és un element molt bon conductor de l’electricitat, tal com ho heu vist en l’estudi dels locals amb característiques especials –locals humits i molls– regulats per la ITC-BT-30, la qual, però, prenia en consideració l’efecte de l’aigua com a element corrosiu o com a element conductor, capaç de provocar un curtcircuit entre diferents elements de la instal·lació.
En la secció “Annexos” del web del mòdul, trobareu la instrucció tècnica ITC-BT-31 sobre les instal·lacions especials en piscines i fonts.
En aquest apartat hem de veure l’aigua com un element capaç de conduir l’electricitat en situacions en què algú pot estar o submergit totalment o només en part. Per tant, allò que ens caldrà prevenir seran els possibles xocs elèctrics sobre les persones com a conseqüència d’una fuita de corrent des de la instal·lació.
El reglament per a baixa tensió enfoca les mesures de prevenció des de l’angle de la previsió, és a dir, estableix que els elements de la instal·lació han d’estar aïllats respecte a l’aigua, i des de l’angle de l’ús de tensions de servei molt baixes (MBTS).
En el primer cas, l’aigua no pot accedir a allà on es troba l’electricitat, de manera que s’evita el contacte elèctric amb l’element conductor, i es fa impossible que l’aigua s’electrifiqui i faci mal a les persones.
Tanmateix, en les situacions en què aquesta via no resulti ser factible, s’ha d’aprofitar la segona opció, és a dir, la utilització de tensions de servei molt baixes de tal manera que, en cas d’haver-ne, l’afectació dels individus pel pas de corrent sigui totalment inofensiva.
La primera de les mesures preventives, l’aïllament, ha d’estar especificada en les xifres característiques de l’índex IP de protecció contra la penetració d’aigua.
Pel que fa a la segona via de protecció, cal recordar que els danys que es produeixen arran del risc de xoc elèctric es troben quantificats per dos elements: la intensitat del corrent i la durada del pas del corrent pel cos. Si parlem de situacions en les quals les persones es troben submergides en l’aigua, el temps que tardarien a poder-ne sortir seria insuficient per evitar els danys. En conseqüència, en el cas que ens ocupa, l’únic factor que podem minimitzar és la intensitat del corrent. Com bé sabeu, segons la llei d’Ohm, la intensitat del corrent és directament proporcional a la tensió aplicada. Per rebaixar el corrent que pot circular pel cos cal, doncs, rebaixar la tensió aplicada.
La ITC-BT-36 permet conèixer millor les característiques particulars de les instal·lacions elèctriques a molt baixa tensió (MBTS).
-

- Gent prenent un bany de peus en un pediluvi
La tercera via de protecció serà la forma convencional de protecció contra els contactes directes i indirectes a través dels elements de comandament i protecció ja coneguts com són l’interruptor magnetotèrmic i l’interruptor diferencial. El Reglament, però, també inclou referències a una classificació que s’estableix per als aparells receptors en relació amb la protecció que presenten contra el risc de xoc elèctric. Atenent a aquesta classificació, els aparells receptors es poden considerar de la manera següent:
- Classe O: els aparells no presenten cap mesura addicional de protecció contra els xocs elèctrics.
- Classe 1: el xassís dels aparells es troba connectat al terra de la instal·lació.
- Classe 2: els aparells presenten una doble protecció en forma d’una doble coberta d’aïllament, sense circuit de protecció.
- Classe 3: els aparells utilitzen tensions de servei molt baixes (MBTS) per minimitzar el risc elèctric.
Les instal·lacions elèctriques que són objecte d’aplicació de la ITC-BT-31 són les ubicades a piscines, fonts ornamentals i pediluvis.
Instal·lacions en piscines i banys de peus
Cal començar per enfocar els diferents elements de protecció mitjançant la classificació de l’espai en diferents zones o volums. Cada zona o volum ha de tenir unes característiques determinades que la facin ser més o menys susceptible al xoc elèctric.
El risc per a la persona que es trobi a l’interior d’una piscina, per exemple, és molt més elevat des del punt de vista del xoc elèctric que no el que pot tenir un banyista que ja ha sortit de l’aigua i es troba a una certa distància només accessible per mitjà de la humitat del terra.
El grau de risc elèctric és màxim en el volum 0 i va decreixent en els casos dels volums 1 i 2. No s’ha de considerar en cap cas un volum 3.
El volum 0 de les piscines i els banys de peus és l’interior del recipient, inclosos qualsevol canal a les parets o al terra.
El volum 1 de les piscines i els banys de peus és l’espai format per la intersecció d’un pla vertical situat a 2 m des de la vora de l’interior del recipient, és a dir, el volum 0, i un pla horitzontal situat a 2,5 m d’altura per sobre del terra i la superfície del recipient.
Compte!
En cas d’haver-hi trampolins, tobogans o altres components susceptibles de ser ocupats per persones, el volum 1 s’ha d’ampliar en un pla vertical situat a 1,5 m al voltant d’aquest component i un pla horitzontal situat a 2,5 m d’altura per sobre de la superfície més alta que pot ser ocupada per persones.
El volum 2 de les piscines i els banys de peus és l’espai format per la intersecció d’un pla vertical situat a 1,5 m de la zona ocupada pel volum 1, i un pla horitzontal a 2,5 m d’altura per sobre del terra.
L’aplicació concreta dels volums és variable en funció de les característiques constructives del recipient i les parets del seu voltant, tal com tindreu oportunitat de veure tot seguit en alguns exemples.
En el cas d’una piscina enfonsada, és a dir, en la qual el dipòsit es troba per sota del nivell de terra, els volums es distribueixen segons la figura.

Si la piscina s’hagués construït per damunt del nivell de terra, allò que de manera col·loquial en diem una bassa, els volums es veurien modificats en alçària, ja que el plànol horitzontal que delimita el volum 1 quedaria modificat per l’alçària del recipient. Aquesta modificació, en canvi, no afectaria el plànol horitzontal del volum 2, ja que es troba prou allunyat del recipient i no pateix pel canvi de l’alçària. La figura mostra un exemple d’aplicació dels volums en el cas d’una piscina elevada.
Fins aquí heu vist la distribució dels volums en una vista d’alçària. Si en lloc de l’alçària projectéssim la vista de planta, la distribució seria rectangular al voltant del dipòsit o volum 0 tal com es veu en la figura, sempre que l’espai que circumda la piscina estigui lliure de murs aïllants d’una alçària igual o superior a 2,5 m.
En cas de trobar-vos amb paraments al voltant de la piscina, els volums 1 i 2 es veurien modificats pel traçat dels murs. Les figures 7 i 8 són una mostra de com les parets poden complicar la distribució dels volums en les piscines i els banys de peus. La figura mostra l’efecte de la paret inferior, que coincideix exactament amb la llargada d’una de les vores de la piscina, i una paret lateral que és un pèl més curta que l’altra vora.

Finalment, la figura és un exemple de la modificació dels volums quan les parets circumdants són més llargues que les vores de la piscina o, el que és el mateix, el volum 0.
Prescripcions per a les instal·lacions en piscines i banys de peus
El Reglament estableix un conjunt de prescripcions de caràcter general que afecten a totes tres zones en el cas d’instal·lacions elèctriques en piscines i banys de peus. Les prescripcions generals que s’assenyalen tot seguit són d’obligat compliment en qualsevol dels volums 0, 1 i 2:
- Les mesures de protecció contra els contactes directes mitjançant obstacles per posada fora d’abast per allunyament no són admissibles. En cas d’utilitzar una tensió de servei molt baixa (MBTS), la protecció contra els contactes directes s’ha de proporcionar mitjançant barreres o cobertes amb un grau de protecció mínim IP2X o un aïllament capaç de suportar una tensió d’assaig de 500 V en corrent altern durant un minut.
- Les mesures de protecció contra els contactes indirectes mitjançant locals no conductors o per connexions equipotencials no connectades a terra no són admissibles.
- Tots els elements conductors i els conductors de protecció de tots els equips amb parts conductores accessibles s’han de connectar a una connexió equipotencial suplementària local.
- Els cables i la seva instal·lació han de tenir les característiques que prescriu la ITC-BT-30 en el cas dels locals molls.
- No hi pot haver instal·lacions aèries per sobre els volums 0, 1 i 2 o per sobre de qualsevol estructura compresa dins d’aquests volums.
- Les canalitzacions no poden tenir cobertes metàl·liques accessibles.
A banda de les prescripcions de caràcter general que afecten a totes tres zones, el Reglament també especifica quines característiques han de regir les instal·lacions elèctriques en cada volum en particular:
- Volum 0
- Protecció. Els equips elèctrics que s’utilitzin en la zona compresa pel volum 0 han de presentar un índex de protecció corresponent al grau IPX8.
- Tensió de servei molt baixa. Només s’admet la protecció per mitjà d’MBTS per a generadors de fins a 12 V en corrent altern i 30 V en corrent continu. En qualsevol cas, la font d’alimentació ha d’anar col·locada a l’exterior dels volums 0, 1 i 2.
- Canalitzacions. No n’hi pot haver cap a l’interior de la piscina ni poden tenir cobertes metàl·liques accessibles.
- Caixes de connexió. No s’admeten caixes de connexió.
- Llums. Els llums col·locats sota l’aigua han d’anar darrere d’un espiell estanc i s’han d’instal·lar de manera que no hi pugui haver cap contacte, intencionat o no, entre les parts conductores accessibles de l’espiell i les parts metàl·liques del llum, incloent-hi la seva fixació.
- Aparellatge i altres equips. Elements com ara els interruptors, els programadors i les bases de presa de corrent no s’han d’instal·lar al volum 0.
- Volum 1
- Graus de protecció. Els equips elèctrics que s’utilitzin a la zona compresa pel volum 1 han de presentar un índex de protecció corresponent al grau IPX5 o IPX4 en piscines a l’interior d’edificis que normalment no es netegen amb rajos d’aigua.
- Tensió de servei molt baixa. Només s’admet la protecció per mitjà d’MBTS per a generadors de fins a 12 V en corrent continu i 30 V en altern. En qualsevol cas, la font d’alimentació ha d’anar col·locada a l’exterior dels volums 0, 1 i 2.
- Caixes de connexió. No s’admeten caixes de connexió llevat de caixes per a molt baixa tensió de servei (MBTS), les quals han de tenir un grau de protecció IPX5 i han de ser de material aïllant.
- Aparellatge i altres equips. En piscines petites, on la instal·lació de bases de presa de corrent no és possible fora del volum 1, aquestes s’admeten, preferentment no metàl·liques, si s’instal·len fora de l’abast de la mà a 1,25 m com a mínim a partir del volum 0 i a 0,3 m per sobre del nivell de terra. A més, han d’estar protegides per un tall automàtic de l’alimentació mitjançant un interruptor diferencial de 30 mA com a màxim.
- Volum 2:
- Graus de protecció. Els equips elèctrics que s’utilitzin en la zona compresa pel volum 2 han de presentar un índex de protecció corresponent als graus:
- IPX2 per a ubicacions a l’interior
- IPX4 per a ubicacions a l’exterior
- IPX5 a localitzacions on puguin arribar els rajos d’aigua en les operacions de neteja
- Caixes de connexió. Les caixes de connexió hi són admeses.
- Aparellatge i altres equips. Les bases de presa de corrent hi són permeses sempre que estiguin protegides amb alguna de les mesures següents:
- MTBS amb la font d’alimentació situada fora dels volums 0, 1 i 2 i protegides per un tall automàtic de l’alimentació mitjançant un interruptor diferencial de 30 mA com a màxim.
- Una alimentació individual per separació elèctrica si la font es troba fora dels volums 0, 1 i 2.
Fonts
En el cas de les fonts ornamentals a efectes de les instal·lacions elèctriques només es diferencien dues zones, els volums 0 i 1. Per dimensionar-les se segueix el mateix criteri que per a les piscines. La figura en seria un exemple pràctic.
Pel que fa a les prescripcions generals per a fonts ornamentals cal utilitzar alguna de les mesures de protecció següents:
- Protecció mitjançant una tensió de servei molt baixa (MBTS) fins a 12 V en corrent altern i fins a 30 V en corrent continu.
- Tall automàtic amb un interruptor diferencial de 30 mA de sensibilitat.
- Les bases d’endolls no són permeses.
- Cal establir una connexió equipotencial suplementària que interconnecti tots els elements metàl·lics i totes les parts conductores accessibles com, per exemple, sortidors i canonades metàl·liques.
Pel que fa als cables per a l’equip elèctric, han de tenir les característiques que prescriu la ITC-BT-30 per als locals molls, i s’han de col·locar amb protecció mecànica a l’interior de canalitzacions resistents a l’impacte, codi 5, segons la norma UNE-EN 50.086-1.
Les prescripcions específiques per a fonts ornamentals per a cada una de les zones són:
- Zona 0. Graus de protecció: els equips elèctrics que s’utilitzin en la zona compresa pel volum 0 han de presentar un índex de protecció corresponent al grau IPX8.
- Zona 1. Graus de protecció: els equips elèctrics que s’utilitzin en la zona compresa pel volum 1 han de presentar un índex de protecció corresponent al grau IPX5.
Màquines d'elevació i transport (ITC-BT-32)
Han de ser objecte d’aplicació de la instrucció ITC-BT-32 els sistemes elèctrics de grues, aparells d’elevació i transport, i altres equips semblants com escales mecàniques, cintes transportadores, ponts rodants, bastides elèctriques i en general qualsevol aparell dedicat al moviment d’elevació i transport de càrregues pesants.
El moviment de càrregues pesades pot ser una causa d’accidents perillosos i és la intenció de la ITC-BET-32 mirar d’evitar-los.
La combinació de moviment i elevació de càrregues pesants fa que els aparells esmentats tinguin un risc important d’atrapar l’usuari, amb unes conseqüències greus o molt greus. Imagineu-vos, per exemple, un accident degut a un mal ús d’unes escales mecàniques en les quals el moviment inherent del mecanisme de desplaçament i tall al tram final pot agreujar de manera substancial un accident. O, si no, en les conseqüències d’una caiguda d’una grua mentre trasllada maquinària pesada.
Des del punt de vista constitutiu, sovint es tracta d’elements formats per estructures metàl·liques, que sovint interessarà que puguin transportar energia elèctrica. Així passa en el cas dels col·lectors, com les barres o els anells col·lectors, i elements de tracció com els cables o les vies de rodament. Es tracta d’elements encarregats de transmetre energia elèctrica a través d’estructures mòbils que permetin dur a terme el desplaçament desitjat de la càrrega. La constitució metàl·lica d’aquestes estructures és òptima per assolir totes dues funcions. Tot i així, aquesta doble vessant pot provocar contactes accidentals que es converteixen en contactes directes amb el corrent elèctric i sobre els quals cal incidir.
Finalment, com tothom sap, l’element que converteix l’energia elèctrica en moviment és el motor elèctric. Ateses les característiques determinades de les màquines d’elevació i transport, el cor del sistema elèctric serà el motor. En el comportament d’un motor, l’arrencada és una de les fases més crítiques del funcionament. La ruptura de la inèrcia mecànica comporta un augment important del consum elèctric en el moment de l’arrencada. Des del punt de vista del disseny, això implica que en els càlculs del sistema elèctric s’ha d’haver fet una previsió suficient per a les sobreintensitats.
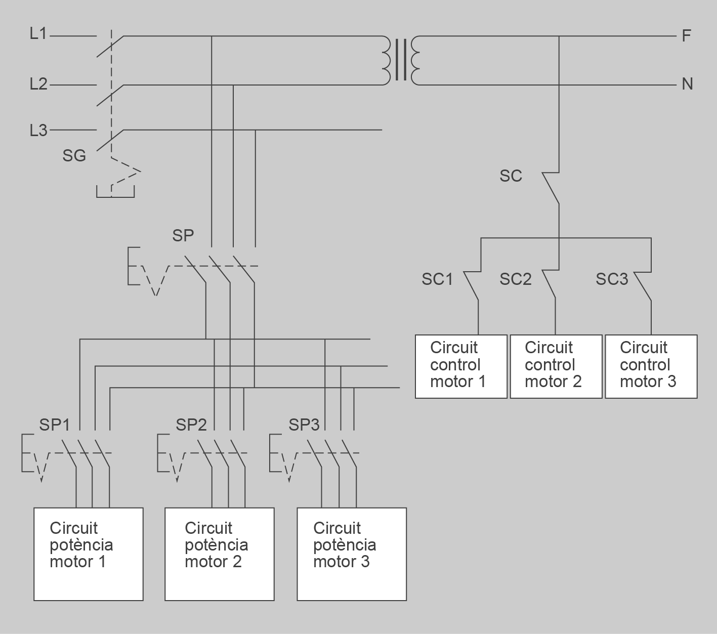
La figura mostra l’esquema simplificat d’una grua elevadora amb els motors que la formen.

En la figura es veu que per desplaçar la persona que opera dins la cistella la màquina disposa de tres motors amb dos graus de llibertat respectivament.
La figura mostra la distribució de l’alimentació dels circuits de control i potència de la grua i de cadascun dels motors que l’operen.
L’esquema mostra que les alimentacions poden ser interrompudes des de diferents nivells, començant per un tall complet de l’alimentació amb SG, seguint per la capacitat de desconnectar únicament els circuits de potència, SP, i de control, SC, per separat o finalment poder deixar sense alimentació únicament el circuit de només un motor dels tres amb SC1, SC2 i SC3 o SP1, SP2 i SP3. Aquest exemple pot servir de model pràctic de les prescripcions en matèria de tall de l’alimentació que dicta el Reglament.
Prescripcions generals
Pel que fa a les prescripcions generals per a instal·lacions en màquines d’elevació i transport, cal esmentar les següents:
En la secció “Annexos” del web d’aquest mòdul, trobareu la ITC-BET-32 de les instal·lacions amb finalitats especials en màquines d’elevació i transport.
- L’aparell ha de poder quedar fora de funcionament mitjançant un interruptor omnipolar col·locat al circuit principal (SG).
- L’interruptor s’ha de situar en un lloc visible i accessible des de terra, de manera que qualsevol persona pugui interrompre el moviment de la màquina en cas d’accident. Els aparells que es facin servir com a interruptors han de complir amb la norma UNE-EN 60.947-2. Els contactors també s’admeten com a interruptors.
- La visibilitat de l’interruptor s’ha d’assegurar mitjançant un rètol de dimensions suficients perquè sigui localitzat amb facilitat i ha d’estar fet amb mitjans i materials indelebles.
- Les dimensions dels aparells i els cables han de ser les suficients per garantir que la caiguda de tensió per l’arrencada del motor no superi el 5%.
El risc de caiguda de tensió
L’arrencada del motor provoca un augment de consum de corrent elèctric que en funció de la font d’alimentació, la secció dels conductors i les possibilitats de dissipar la temperatura segons la forma de canalització utilitzada pot provocar una caiguda de tensió en la instal·lació.
Connexió a terra i l'ús de conductors de protecció
El reglament estableix les prescripcions que en general han de complir les instal·lacions amb fins especials en màquines d’elevació i de transport en matèria de la connexió a terra i l’ús de conductors de protecció.
D’acord amb la ITC-BT-32, es consideren connectats a terra els equips –cabines d’ascensor, estructures de motors, màquines elevadores, etc.– que es trobin muntats sobre elements d’estructura metàl·lica de l’edifici que ja estiguin degudament connectats a terra.
Totes les estructures metàl·liques han d’anar connectades a terra.
La connexió a terra es pot garantir mitjançant una revisió detallada dels mecanismes que les uneixen, en la qual es comprovi que les unions són robustes i tenen una superfície de contacte suficient per garantir continuïtat elèctrica entre totes dues estructures en qualsevol circumstància.
Si tot això no es compleix, cal instal·lar un conductor especial de protecció.
Compte!
Les vies de rodament de qualsevol grua de taller han d’estar unides a un conductor de protecció.
Protecció de seguretat mitjançant el tall del subministrament
El tall en el subministrament elèctric en màquines d’elevació i transport ha de ser provocat per una parada d’emergència o bé per a la realització d’operacions de manteniment de caràcter mecànic. En el primer cas, el pas de corrent és interromput per aturar immediatament la màquina en cas d’accident. En el segon, en canvi, no es vol que cap dels elements de l’aparell estigui en tensió per poder dur a terme còmodament la manipulació que requereixen les operacions manteniment o reparar una avaria.
El tall per parada d’emergència obliga a tenir un interruptor per cada grua o aparell d’elevació. En cas de tenir més d’un circuit, com és el cas de l’exemple que veieu a la figura, cal poder interrompre l’alimentació de tots els circuits amb una sola acció. En aquest exemple, l’interruptor era l’SG, el qual s’ha de poder accionar des de terra.
Mecanisme d'enclavament
Un circuit d’interrupció es considera que té un mecanisme d’enclavament si un cop feta la desconnexió queda fixat i no és possible retornar-lo a la posició d’origen sense una acció mecànica o elèctrica determinada.
Cal evitar la reconnexió accidental i involuntària després de la interrupció. Per això, els mecanismes de tall han de disposar de mitjans d’enclavament elèctrics o mecànics.
El tall per operacions de manteniment mecànic és prescindible en el cas d’un única grua i quan l’interruptor es troba justament a l’entrada de l’alimentació de la instal·lació. En cas contrari, aquest interruptor serveix com a tall d’emergència però en canvi no garanteix l’absència d’elements en tensió en tota la instal·lació, ja que aquesta estaria alimentada entre l’entrada i el mecanisme d’interrupció.
Els conjunts d’aparellatge han de poder quedar desconnectats. Aquesta desconnexió ha d’incloure els circuits de potència i de control. En la figura seria el cas dels interruptors SC1, SC2 o SC3 i SP1, SP2 o SP3.
Protecció davant de sobreintensitats
El funcionament normal d’un motor provoca augments en el consum de corrent, normalment en el moment de l’arrencada, però també en d’altres situacions en què la inèrcia mecànica en la càrrega del motor l’obligui a dur a terme treballs elevats.
Tot i això, un mal funcionament del motor o situacions de risc també poden provocar sobreintensitats. Quan una situació en la qual els motors estan desgastats o afectats per condicions ambientals adverses i han perdut força, i el seu rendiment s’ha reduït, és duu a l’extrem, pot provocar un sobreescalfament perillós a la línia.
La sobreintensitat també es pot produir quan un motor vol fer un moviment normal però es troba bloquejat per algun obstacle mecànic. Aquest obstacle pot ser qualsevol objecte que accidentalment s’hagi quedat en el recorregut del motor però també pot ser una persona que hi hagi quedat atrapada.
Determinades sobreintensitats, sigui quina en sigui la causa, són indicadors de problemes i, en conseqüència, cal protegir la instal·lació i, de retruc, les persones que els puguin ocasionar.
Per aquesta raó, el Reglament exigeix la protecció mitjançant un o més dispositius automàtics que actuïn en cas de sobrecàrrega o curtcircuit.
En tot cas, el Reglament no considera com a vàlids els dispositius que detecten les sobreintensitats amb elements sensibles a la temperatura com PTC, NTC o bimetalls si aquests aparells es troben muntats directament a sobre dels enrotllaments del motor.
Elements termosensibles
Entre els elements que varien les seves propietats en funció de la temperatura cal esmentar el cas dels resistors PTC i NTC, els quals augmenten i redueixen el seu valor resistiu segons la temperatura ambient.
Un altre exemple són els bimetalls, els quals, en raó dels diferents coeficients de dilatació entre els dos metalls que els conformen, es contreuen i redueixen les seves dimensions.
Protecció contra els contactes directes
La protecció contra els contactes directes per mitjà dels elements en tensió dels aparells elevadors, com poden ser les barres col·lectores, les vies de rodament o els cables, s’ha de fer seguint les recomanacions de la instrucció ITC-BT-24 (vegeu la taula) i que són les següents:
- Protecció per mitjà de l’aïllament de les parts actives.
- Protecció per mitjà de barres o embolcalls.
- Protecció per mitjà d’obstacles que impedeixin l’accés als elements en tensió.
- Protecció per mitjà de l’allunyament.
- Protecció complementària, per mitjà de dispositius de corrent diferencial-residual.
Compte!
A les àrees d’accés restringides al personal qualificat, els cables i les barres col·lectores en tensió han d’estar protegides per allunyament. La protecció per allunyament ha de cobrir tota la superfície de l’àrea d’accés restringit, i els mecanismes d’allunyament han de ser de tal forma que no es permeti el contacte accidental amb els cables o les barres col·lectores ni tan sols amb una càrrega oscil·lant ni cap cable o cadenat d’accionament.
En la taula trobareu el resum de les prescripcions que dicta el Reglament en matèria de prevenció del risc de xoc elèctric.
| Tipus de protecció contra | |||
|---|---|---|---|
| contactes directes | observacions | contactes indirectes | Observacions |
| Aïllament de les parts actives | ITC-BT-24 3.1 | Tall automàtic de l’alimentació | ITC-BT-24 4.1 |
| Barreres i embolcalls | ITC-BT-24 3.2 | Equips de la classe 2 | ITC-BT-24 4.2 |
| Per mitjà d’obstacles | ITC-BT-24 3.3 | Emplaçaments no conductors | ITC-BT-24 4.3 |
| Posar la instal·lació fora d’abast per allunyament | ITC-BT-24 3.4 només per evitar el contacte accidental amb les parts en tensió | Connexions equipotencials no connectades a terra | ITC-BT-24 4.4 |
| Dispositius de corrent diferencial-residual | ITC-BT-24 3.5 | Separació elèctrica | ITC-BT-24 4.5 |
| MBTS | Resistència d’aïllament de 500 V durant 1 minut | MBTS | |
Instal·lacions provisionals i temporals d'obres (ITC-BT-33)
La ITC-BT-33 del Reglament estableix quines són les prescripcions que han de seguir les instal·lacions elèctriques muntades de manera temporal i provisional amb la finalitat d’abastir les maquinàries i els aparells necessaris en la realització d’algun tipus d’obra civil.
A aquest efecte, el Reglament considera que són provisionals les instal·lacions temporals la finalitat de les quals és dur a terme:
- La construcció de nous edificis.
- Treballs de reparació, modificació, extensió o demolició d’edificis existents.
- Treballs públics.
- Treballs d’excavació.
- Ampliacions, reparacions i demolicions de parts d’edificis, mentre duri la intervenció.
Circuits elèctrics. Distribució i separació de les fonts d'alimentació
Les fonts que poden abastir una instal·lació provisional d’obra són diverses. La instal·lació es pot connectar en derivació a una connexió de distribució aèria, pot extreure l’alimentació d’algun circuit d’una instal·lació d’interior, o fins i tot es poden utilitzar els generadors fixos i mòbils.
En la secció “Annexos” del web d’aquest mòdul, trobareu la ITC-BT-33 per a les instal·lacions provisionals i temporals d’obra.
En funció de la ubicació de l’obra i de la potència necessària caldran una, dues o més fonts d’alimentació. Una mateixa obra es pot alimentar a partir de diverses fonts d’alimentació.
Sabem, però, que les característiques elèctriques d’una font d’alimentació depenen, entre d’altres coses, de les càrregues que s’hi connectin. D’aquesta manera, el mateix Reglament prescriu quines són les caigudes de tensió màximes permeses en determinades instal·lacions amb la intenció d’evitar un deterioraments en el servei.
També sabem que el funcionament i les prestacions requerides en diferents instal·lacions responen a condicions de funcionament particulars i no es poden barrejar.
En les instal·lacions provisionals i temporals d’obres cal evitar la interconnexió entre les diferents fonts de tensió que l’alimenten.
Per evitar la interconnexió, cal identificar tota instal·lació segons la font que l’alimenta i només ha d’incloure els elements que aquesta font alimenta. A més, les diferents alimentacions s’han de connectar mitjançant dispositius dissenyats de manera que s’impedeixi la interconnexió entre elles.
Ara bé, cal preveure instal·lacions de seguretat per als casos en què una possible fallada de l’alimentació normal d’un circuit pot representar riscos per a la seguretat de les persones. Aquests elements de seguretat, tot i pertànyer a la mateixa instal·lació provisional, han d’extreure la seva alimentació elèctrica d’una font suplementària.
Es consideren instal·lacions de seguretat:
- L’enllumenat que permet l’evacuació del personal i la posada en marxa de les mesures de seguretat en cas de fallada de l’enllumenat normal.
- Els circuits secundaris que alimenten bombes d’elevació, ventiladors, muntacàrregues, quan la continuïtat en el servei d’aquests elements sigui essencial per a la seguretat del personal.
En la figura trobareu un esquema elèctric d’una instal·lació provisional d’obra.

La figura presenta un exemple en el qual hi ha dues fonts d’alimentació diferenciades. Tots els aparells alimentats per la font 1 es troben identificats com a tals i només es poden connectar a aquesta font. La font d’alimentació 2, al seu torn, també alimenta només a tots els circuits que pertanyen a la instal·lació 2. Ara bé, atès que la instal·lació 2 requereix enllumenat i altres circuits de seguretat, cal obtenir energia d’una tercera font, en aquest cas és la font d’alimentació 3, la qual subministrarà el corrent necessari als elements de seguretat però sense interferir ni barrejar-se amb els circuits elèctrics de la font d’alimentació 2.
Les instal·lacions provisionals d’obra han de disposar d’un quadre de protecció i comandament a l’origen de cada instal·lació.
Existeix el costum extès de muntar en un sol quadre tots els aparells. Cal remarcar que aquest muntatge no és reglamentari i per tant cal separar en quadres diferents cadascuna de les alimentacions emprades.
La instal·lació ha de disposar d’un aparell de tall omnipolar que interrompi l’alimentació de manera immediata. Així mateix, cada sector o circuit també ha de disposar de mitjans de seccionament i tall omnipolar. L’alimentació dels aparells que cada instal·lació fa servir s’ha de fer en un quadre de distribució que inclogui els dispositius següents:
- Dispositius de protecció contra les sobreintensitats com, per exemple, els interruptors magnetotèrmics (PIA)
- Dispositius de protecció contra els contactes indirectes com, per exemple, els interruptors diferencials (ID)
- Bases de presa de corrent
La figura mostra tots els elements de comandament i protecció de què ha de disposar una instal·lació temporal i provisional d’obra.
Protecció contra els xocs elèctrics
D’acord amb el que prescriu la ITC-BT-24, les mesures de protecció contra els contactes directes d’una instal·lació provisional i temporal d’obres han de ser preferentment les següents:
- Protecció per aïllament de les parts actives
- Protecció mitjançant barreres o embolcalls
El Reglament es decanta per aquestes mesures protecció per mitjà de l’allunyament perquè, atès el caràcter provisional de la instal·lació, ofereixen una possibilitat d’evitar de manera absoluta qualsevol risc de contacte, cosa que, en canvi, no passa en el cas de les mesures de protecció per mitjà de dispositius automàtics com els interruptors magnetotèrmics.
Pel que fa a les mesures de protecció contra els contactes indirectes, el Reglament prescriu que cada una de les bases o grups de base han d’anar protegits per dispositius de corrent diferencial de 30 mA com a màxim o bé han de ser alimentats amb molt baixa tensió de servei (MBTS). També es considera admissible la protecció per mitjà de l’aïllament galvànic mitjançant un transformador individual.
La taula presenta un resum de les prescripcions sobre el xoc elèctric referides al que dicta la ITC-BT-24.
| Contactes directes | Observacions | Contactes indirectes | Observacions |
|---|---|---|---|
| Aïllament de les parts actives | ITC-BT-24 3.1 Preferible | Tall automàtic de l’alimentació | ITC-BT-24 4.1 \ en esquema TT: UL < 24 Vac, UL < 60 Vdc |
| Barreres i embolcalls | ITC-BT-24 3.2 Preferible | Equips de la classe 2 | ITC-BT-24 4.2 |
| Per mitjà d’obstacles | ITC-BT-24 3.3 | Emplaçaments no conductors | ITC-BT-24 4.3 |
| Posar la instal·lació fora de l’abast per allunyament | ITC-BT-24 3.4 només per evitar el contacte accidental amb les parts en tensió | Connexions equipotencials no connectades a terra | ITC-BT-24 4.4 |
| Dispositius de corrent diferencial-residual | ITC-BT-24 3.5 | Separació elèctrica | ITC-BT-24 4.5 |
Criteris per a l'elecció dels equips
En general, les envolupants i embolcalls, l’aparellatge, les preses de corrent i en general tots els elements a la intempèrie han de tenir un grau de protecció com a mínim d’IP45.
La norma UNE-EN 60.439-4 regula les característiques comunes de l’aparellatge en les d’instal·lacions provisionals. Pel que respecta a la protecció dels embolcalls segons la codificació IP se seguiex el que prescriu la norma UNE-EN 20.324.
Canalitzacions. Les canalitzacions han d’estar disposades de manera que no exerceixin cap esforç sobre el conductor llevat que estiguin previstes per a aquest efecte. El grau de protecció mínim ha de ser el següent:
Recordeu que les ITC-BT-20 i ITC-BT-21 regulen les característiques que han de complir les canalitzacions.
- Tubs (segons l’UNE 50.086-1):
- Resistència molt forta a la compressió
- Resistència molt forta a l’impacte
Compte!
La norma no especifica quines són les xifres característiques dels índex corresponents sinó que es limita a generalitzar amb un terme poc concret com és protecció molt forta.
D’aquesta manera deixa al criteri particular de l’instal·lador la selecció dels material concrets que s’han d’utilitzar en funció de les condicions particulars de la instal·lació.
- Els altres tipus de canalitzacions han d’estar protegides amb graus equivalents als definits en el cas dels tubs.
Cables elèctrics. Els cables que s’han de fer servir en instal·lacions d’exterior han de ser de tensió assignada mínima entre 450 V i 750 V, i han de disposar d’una coberta de policloroprè o similar.
Els cables que s’han de fer servir en instal·lacions d’interior han de ser de tensió assignada mínima entre 300 V i 500 V i aptes per a serveis mòbils.
Connexions a terra. L’esquema d’alimentació que s’ha d’utilitzar respecte a les connexions a terra és el corresponent a l’esquema TT.
L'esquema de connexió TT
Aquest tipus de connexió té un punt d’alimentació, generalment el neutre, connectat directament a terra. Les masses de la instal·lació receptora estan connectades a una presa de terra separada de la presa de terra de l’alimentació.
Fires i estands (ITC-BT-34)
Les instal·lacions elèctriques en fires i estands també són, com les d’obres, provisionals i temporals, ja que la instal·lació només s’utilitza el temps que dura l’activitat per a la qual s’ha fet el muntatge.
Les instal·lacions en fires i estands difereixen de les instal·lacions provisionals d’obres en dues característiques fonamentals: les fonts d’alimentació i el mobiliari.
En primer lloc, les fonts d’alimentació en una fira o estand són úniques per a cada instal·lació. Això és així per les circumstàncies de la ubicació de l’esdeveniment, normalment en locals tancats, els quals ja disposen de fonts d’alimentació pròpies, i sobretot per les necessitats reduïdes de potència de la instal·lació que, en aquest tipus d’instal·lacions, són més petites que en les d’obres pel fet que les càrregues elèctriques que ha de suportar es redueixen a elements portàtils de presentació i il·luminació.
Triangle o quadrat de foc?
El triangle del foc és la combinació formada pels tres elements necessaris per a la presència del foc: combustible, comburent i calor. A part d’aquest tres elements, cal la presència d’algun element que iniciï el foc com pot ser una flama o una espurna elèctrica, raó per la qual en algunes obres es parla del quadrat del foc i no de triangle, ja que només amb els elements del triangle no es produeix el foc.
L’altra diferència principal entre els dos tipus d’instal·lacions provisionals és l’entorn mobiliari en el qual tenen lloc les activitats.
Atès que les fires i d’altres esdeveniments similars tenen finalitats comercials o, en qualsevol cas, de presentació i informació, els elements de confort i de comoditat hi han de ser presents, i això fa augmentar notablement el risc d’incendi. Tots tenim present en la memòria la imatge d’algun estand de fira on mai no falten ni la fusta ni les moquetes, materials amb un poder ignífug elevat que, juntament amb l’escalfor que provoca una il·luminació forta del local -també amb finalitats d’augmentar l’atenció del client o el visitant- poden crear les condicions necessàries per al foc.
Pel que fa a les característiques generals, cal tenir present que el Reglament estableix que la tensió nominal de les instal·lacions elèctriques temporals en recintes d’exposició, estands i parcs d’atracció no ha de superar els 230 V o 400 V en corrent altern.
Protecció contra els xocs elèctrics
Les mesures de protecció contra els contactes elèctrics directes no poden consistir en obstacles que impedeixin l’accés als aparells elèctrics ni tampoc en estratègies d’allunyament. Ateses les dimensions reduïdes de determinats expositors i estands, les mesures d’allunyament i obstrucció no resultarien fiables a causa de les enormes facilitats d’accés que poden presentar les instal·lacions.
En la secció “Annexos” del web del mòdul trobareu la ITC-BT-34 sobre les instal·lacions en fires i estands.
El Reglament interpreta que no hi ha cap mesura que, per la via dels obstacles, asseguri la protecció total contra els contactes elèctrics directes. La protecció ha de venir de mesures de tall de l’alimentació o bé de tensions de servei molt baixes (MBTS). En aquest darrer cas, la protecció s’ha d’assegurar mitjançant un aïllament capaç de resistir un assaig dielèctric de 500 V durant un minut.
Tots els circuits han d’estar protegits contra les sobreintensitats mitjançant un dispositiu de tall situat a l’origen del circuit.
Les mesures de protecció contra els contactes elèctrics indirectes han d’assegurar el tall mitjançant dispositius diferencials, com, per exemple, interruptors diferencials (ID), de corrent diferencial-residual assignat màxim de 30 mA.
La taula resumeix les prescripcions en matèria de protecció davant del xoc elèctric referides als diferents punts que articulen la norma tècnica complementària.
| Contactes directes | Observacions | Contactes indirectes | Observacions |
|---|---|---|---|
| Aïllament de les parts actives | ITC-BT-24 3.1 Preferible | Tall automàtic de l’alimentació | ITC-BT-24 4.1 Id < 30 mA |
| Barreres i embolcalls | ITC-BT-24 3.2 Preferible | Equips de la classe 2 | ITC-BT-24 4.2 |
| Per mitjà d’obstacles | ITC-BT-24 3.3 No és admissible | Emplaçaments no conductors | ITC-BT-24 4.3 No és admissible |
| Posar la instal·lació fora de l’abast per allunyament | ITC-BT-24 3.4 No és admissible | Connexions equipotencials no connectades a terra | ITC-BT-24 4.4 No és admissible |
| Dispositius de corrent diferencial-residual | ITC-BT-24 3.5 | Separació elèctrica | ITC-BT-24 4.5 |
| MBTS | aïllament dielèctric de 500 V durant 1 minut | MBTS |
Altres tipus de proteccions
Ateses les característiques mobiliàries addicionals de confort que poden incorporar aquests tipus d’instal·lacions provisionals com són les fires i els estands, i atès el risc elevat de foc que tot això comporta, el Reglament prescriu les mesures de protecció que cal adoptar per evitar incendis i les altes temperatures.
Protecció contra els incendis. Els incendis d’origen elèctric tenen l’origen principalment en dos elements. Tal com vèieu en el triangle del foc, perquè hi hagi un incendi cal, entre d’altres condicions, la presència de calor i una espurna perquè es produeixi el foc. Les instal·lacions elèctriques poden crear totes dues condicions:
- D’una banda, la circulació del corrent pels conductors i els aparells elèctrics pot provocar l’augment de la temperatura degut a l’efecte Joule.
- D’una altra banda, els mecanismes d’interrupció del corrent elèctric provoquen tensions elevades a l’aire, fet que pot ionitzar el dielèctric amb l’aparició de espurnes elèctriques minúscules.
Les estratègies per reduir el perill de foc s’han d’enfocar des d’aquests dos punts de vista:
La combinació de calor i espurnes, i la presència d’oxigen i material combustible són les causes del foc i, en conseqüència, dels incendis.
- En primer lloc l’aparellatge que s’utilitzi ha de minimitzar el risc d’aparició d’espurnes mitjançant mecanismes de tall adequats.
- En segon lloc, el dimensionament de la instal·lació ha de ser suficient per poder evitar l’augment perillós de la temperatura en totes i cadascuna de les condicions d’utilització. És en aquest punt que també cal considerar els increments de la temperatura ambient que poden aparèixer per motius inherents a la finalitat de la instal·lació, com, per exemple, la presència de públic i una il·luminació forta.
Protecció contra les altes temperatures. En l’apartat d’il·luminació el Reglament recomana situar els equips d’instal·lació a una distància prou allunyada dels materials combustibles.
En cas d’haver-hi presència de rètols i aparadors amb il·luminació interna, aquests s’han de construir amb materials que tinguin una resistència a la calor apropiada, que siguin mecànicament resistents i que disposin d’aïllament elèctric. A més, cal assegurar la presència d’una ventilació adequada, natural o forçada, segons les característiques de l’indret.
Els estands amb una concentració d’aparells elèctrics, accessoris d’il·luminació o làmpades, que generen una calor superior a la normal han de tenir una coberta ben ventilada i construïda amb materials incombustibles.
Criteris per a la selecció dels equips
En general, l’aparellatge de comandament i protecció ha d’estar situat en armaris tancats accessibles amb l’ajut d’una clau o un estri particular.
A banda, els criteris principals emprats en la selecció dels elements d’una instal·lació en una fira són detallats a continuació.
- Canalitzacions i embolcalls. Els graus de protecció per a les canalitzacions i els embolcalls han de ser IP4x en el cas de les instal·lacions d’interior, i IP45 en el de les instal·lacions d’exterior. A més, les canalitzacions s’han de fer amb tubs o canals i han de tenir un grau de protecció de IP4x en el cas de les instal·lacions d’interior, i de IP45 en el de les instal·lacions d’exterior. Els cables elèctrics a les instal·lacions interiors han de tenir una tensió assignada mínima entre 300 V i 500 V i han de ser aptes per a serveis mòbils.
A les instal·lacions exteriors, els cables han de tenir una tensió assignada entre 450 V i 750 V i han de ser aptes per a serveis mòbils.
La longitud dels cables no pot sobrepassar els 2 m.
- Llums. Els llums fixos situats a menys de 2,5 m de terra o en llocs accessibles a les persones han d’estar fixats fermament i s’han de col·locar de manera que s’impedeixi qualsevol mena de contacte. L’accés a l’interior dels llums només es pot fer mitjançant l’ús d’una eina.
Compte!
Les instal·lacions susceptibles d’allotjar més de cent persones han de disposar d’enllumenat de seguretat segons prescriu la ITC-BT-28.
- Interruptors de seguretat. Cal que els circuits d’alimentació dels llums de l’estand i de la il·luminació de vitrines i altres expositors siguin independents de la resta de la instal·lació elèctrica, i han de tenir un interruptor d’emergència al començament del seu recorregut.
- Bases i preses de corrent. Les bases o preses de corrent instal·lades a terra han d’anar dins d’embolcalls protegits contra la penetració d’aigua. I, a més a més, han de tenir un grau de protecció contra els impactes IK10. Només un sol cable ha d’estar unit a una presa. No s’han d’utilitzar adaptadors multivia ni bases múltiples, excepte les bases múltiples mòbils que s’han d’alimentar des d’una base fixa amb un cable de 2 m de longitud màxima.
- Connexions a terra. Quan s’instal·li un generador per subministrar alimentació a una instal·lació temporal mitjançat un esquema de connexió de neutre TN, TT o IT, cal tenir cura de garantir que la instal·lació està connectada a terra correctament.
El codi dels esquemes de connexió del neutre i de les masses
Els esquemes de connexió del neutre i les masses segueixen les prescripcions de la ITC-BT-08 i es designen mitjançant un codi format per dues lletres.
La primera lletra refereix la situació de l’alimentació respecte a terra d’aquesta manera:
T: connexió directa d’un punt de l’alimentació a terra.
I: aïllament de totes les parts actives de l’alimentació a terra o connexió per mitjà d’una impedància.
La segona lletra, que es refereix a la situació de les masses de la instal·lació receptora respecte a terra d’aquesta manera:
T: masses connectades directament a terra.
N: masses connectades al punt de l’alimentació posat a terra (normalment el conductor neutre).
Per tant, la utilització d’un generador independent per a l’alimentació representarà una mesura addicional de protecció que té en compte la connexió d’equipotencialitat entre l’aparell generador i la instal·lació:
- En el cas de la instal·lació TN, cal assegurar que el terra de la instal·lació està connectat al punt de l’alimentador auxiliar que subministra la connexió a terra.
- En el cas de la instal·lació TT, el que s’ha de verificar és la continuïtat elèctrica entre el terra de la instal·lació i el terra del generador auxiliar, a fi i efecte de garantir l’equipotencialitat dels conductors de protecció de tot el sistema.
- En el cas de la instal·lació IT, cal seguir un procediment semblant a l’adoptat en la instal·lació TT sempre que l’alimentació del generador auxiliar no es trobi completament aïllada de terra.
Establiments agrícoles i hortícoles (ITC-BT-35)
En la secció “Annexos” del web del mòdul trobareu la ITC-BT-35 corresponent a les instal·lacions en establiments agrícoles i hortícoles.
La ITC-BT-35 regula les instal·lacions elèctriques ubicades en establiments agrícoles i hortícoles on hi ha animals. Es tracta d’instal·lacions elèctriques fixes que serveixen de manera permanent a l’establiment on es troben i no s’inclouen en aquesta tipologia les instal·lacions mòbils o eventuals, objecte en particular de la ITC-BT-33.
L’objectiu de la instrucció és evitar que els animals domèstics o de granja que es crien als establiments i també les persones que hi treballen o hi viuen es trobin exposats al risc de xoc elèctric per un contacte accidental amb algun element en tensió.
Tanmateix, ateses les característiques d’aquests establiments dedicats a la cria, manteniment i explotació de diferents tipus d’animals, hi pot haver material combustible com, per exemple, la palla, el fenc, pinso i fustes o restes de material orgànic. La presència d’aquest material i les temperatures elevades –sovint necessàries per a la cria i explotació de determinats tipus de bestiar– a les quals es veu sotmès també representen un risc alt d’incendi.
En conseqüència, en aquest tipus d’establiments cal dotar les instal·lacions elèctriques de les mesures preventives adequades per evitar aquests dos tipus de perills.
Protecció contra el xoc elèctric
Les mesures de seguretat contra el contacte directe passen per la utilització de barreres o embolcalls que tinguin un grau de protecció contra la intrusió de cossos sòlids mínim de IP2X o bé amb algun element d’aïllament capaç de suportar un assaig dielèctric de 500 V durant un minut.
Els circuits que alimenten les bases de preses de corrent han d’estar protegits per dispositius de tall de corrent diferencial amb un corrent de defecte que no sigui superior a 30 mA.
Pel que fa a les mesures de protecció contra el contacte indirecte, es recomana la disposició d’un sòl metàl·lic enreixat unit al conductor de protecció que garanteixi l’equipotencialitat de tota la superfície de pas. També cal establir una unió equipotencial suplementària que reuneixi totes les masses i qualsevol dels elements metàl·lics susceptibles de ser tocats pels animals, i les connecti amb el conductor de protecció de la instal·lació.
Als indrets on hi hagi els animals de cria, l’alimentació del sistema de protecció contra els contactes indirectes per mitjà dels dispositius de tall automàtic de l’alimentació ha de ser d’una tensió alterna inferior a 25 V eficaços, o d’una tensió contínua constant no superior a 60 V.
Cap dels dispositius de tall de l’alimentació, inclosos els polsadors de parada d’emergència, no es poden col·locar a les zones on hi hagi presència d’animals, ni tampoc als llocs on els animals dificultin un accés fàcil i ràpid.
Compte!
A l’hora de decidir la ubicació dels dispositius de tall cal tenir en compte el comportament dels animals en estat de pànic i preveure els possibles recorreguts tant del personal encarregat d’accionar els mecanismes de tall com dels animals que en poden dificultar l’accés.
La taula resumeix les prescripcions sobre el xoc elèctric referides als diferents punts que articulen la instrucció tècnica de referència.
| Contactes directes | Observacions | Contactes indirectes | Observacions |
|---|---|---|---|
| Aïllament de les parts actives | ITC-BT-24 3.1 en MBTS | Tall automàtic de l’alimentació | ITC-BT-24 4.1 Id < 30 mA |
| Barreres i embolcalls | ITC-BT-24 3.2 en MBTS | Equips de la classe 2 | ITC-BT-24 4.2 |
| Per mitjà d’obstacles | ITC-BT-24 3.3 No és admissible | Emplaçaments no conductors | ITC-BT-24 4. |
| Posar la instal·lació fora de l’abast per allunyament | ITC-BT-24 3.4 No és admissible | Connexions equipotencials no connectades a terra | ITC-BT-24 4.4 en locals amb animals |
| Dispositius de corrent diferencial-residual | ITC-BT-24 3.5 | Separació elèctrica | ITC-BT-24 4.5 |
| MBTS | aïllament dielèctric de 500 V durant 1 minut | MBTS |
Protecció contra els incendis
Com a mesura de prevenció d’incendis, els dispositius de tall de l’alimentació han de tenir un corrent diferencial residual de 500 mA com a màxim.
A fi i efecte d’evitar que els aparells de calefacció puguin caure damunt del material combustible o sobre els animals que es crien, i causar danys i cremades, les estufes han de tenir una instal·lació que les mantingui fixades a terra de manera que no sigui possible ni que caiguin ni que es decantin. Cal situar-les a una distància prudent respecte als animals als quals va dirigida l’escalfor que produeixen i, pel que fa als aparells radiants, la distància ha de ser de 50 cm com a mínim, sempre que les instruccions de l’equip no recomanin una distància superior.
Tanques elèctriques per al bestiar (ITC-BT-39)
És comú en les superfícies habilitades per a la pastura limitar el terreny amb tanques electrificades que descarreguen petites intensitats de corrent al bestiar quan s’hi atansa, i així se li ensenya a respectar la zona on pot menjar.
Atès que es tracta de mesures persuasives, aquestes descàrregues consisteixen en impulsos elèctrics de tensió elevada però d’intensitat de corrent baixa. Així es produeix un xoc elèctric que té un efecte semblant a les descàrregues electrostàtiques que es produeixen en el contacte accidental amb el xassís d’un vehicle quan baixem del cotxe i posem els peus a terra per primer cop.
Característiques elèctriques del xoc produït
L’aparell encarregat de sintetitzar i subministrar aquests impulsos regularment a la tanca elèctrica s’anomena alimentador. Es tracta d’un generador de molt alta tensió i baixa energia que subministra polsos de curta durada com el que es pot veure en la figura. Val la pena dedicar un moment i observar de quina manera es poden determinar els valors que apareixen en aquesta figura.
En la secció “Annexos” del web del mòdul trobareu la ITC-BT-39 corresponent a les tanques elèctriques per al bestiar.
Les característiques tècniques dels alimentadors que es poden trobar en el mercat oscil·len entorn dels valors següents:
- Tensió de sortida: entre 1 kV i 12 kV
- Energia de l’impuls: entre 1 J i 8 J
- Periodicitat de l’impuls: entre 50 s i 60 s
L’alimentador de la tanca elèctrica pren l’alimentació per mitjà de la connexió amb alguna de les fonts de tensió següents:
- Directament amb la xarxa pública.
- Bateries que prenen l’alimentació de la xarxa pública.
- Bateries autònomes.
La figura mostra la gràfica temporal de la tensió injectada per l’alimentador a la tanca per a la seva electrificació. Hi ha la seqüència temporal i l’ampliació en detall de cada pols de tensió.
Càlcul de l'impuls elèctric a les tanques per a bestiar
A partir d’aquestes dades de catàleg, hem de mirar de calcular millor quin serà l’aspecte d’aquest impuls.
L’energia total d’un senyal elèctric es calcula mitjançant el producte de la potència elèctrica pel temps de durada del senyal.
Sabem que la potència elèctrica d’un senyal es mesura a partir del producte del voltatge pel corrent:
Ara bé, si combinem l’equació anterior amb la llei d’Ohm
Així s’obté una nova manerade calcular la potència elèctrica d’un senyal a partir de la resistència del circuit:
La resistència del circuit la conforma la impedància bé de l’animal que entra en contacte directe amb la tanca, bé del personal que accidentalment toca el material conductor i s’enrampa. En matèria de seguretat elèctrica s’utilitzen valors entre un i cinc megaohms (MΩ) com a mesura de la impedància humana. Triem, per exemple, 1,5 MΩ i calculem la potència d’aquest impuls:
Un cop calculada la potència elèctrica instantània d’una descàrrega d’1 kV sobre una persona, si sabem que els alimentadors generen transitoris d’entre 1 J i 8 J, podem determinar el temps que dura l’impuls tenint en compte que:
Aleshores, per a un impuls elèctric d’1 J per una potència instantània de 666,7 W, correspon una durada aproximada d’1 mil·lisegon (ms). I, per a un impuls de 8 J per la mateixa potència, correspondria una durada de 10 ms.
Protecció contra els xocs elèctrics accidentals
Les tanques electrificades per a bestiar es troben emplaçades en terrenys de pastura, és a dir, en zones obertes a la intempèrie on és possible el trànsit d’altres persones alienes a la instal·lació.
La proximitat de les persones a les tanques electrificades representa un risc de contacte directe accidental amb la instal·lació, fet que obliga a establir les mesures preventives prescrites en les instruccions ITC-BT-22, ITC-BT-23 i ITC-BT-24.
Tanmateix, atesa la grandària del perímetre de la tanca i, per tant, l’augment de les possibilitats de xoc elèctric, les tanques per al bestiar estan obligades a augmentar els elements de protecció amb altres mesures particulars.
Prescripcions particulars aplicades a les tanques elèctriques
La tanca elèctrica ha d’estar senyalitzada amb cartells situats com a màxim cada 50 m. Els rètols de senyalització han de portar la indicació “tanca elèctrica” escrita sobre un triangle equilàter amb lletres negres de 25 mm d’altura sobre un fons groc. Les dimensions del cartell han de ser com a mínim de 105 mm d’amplada i 210 mm d’alçària.
Els cartells s’han de col·locar a llocs ben visibles i preferentment subjectats a la part més elevada de la tanca si les característiques constructives del recinte ho permeten. Si no, cal fixar les senyalitzacions sobre els conductors de manera que se n’asseguri la visibilitat correcta.
Distància mínima
Cal respectar una distància mínima de 2 m entre el perímetre de la tanca i qualsevol altra element en tensió que estigui alimentat per una font diferent, com per exemple un altre tancat electrificat, per evitar d’aquesta manera que es puguin tocar totes dues instal·lacions simultàniament.
Així mateix, els conductors actius de les tanques han d’estar separats de qualsevol altre element metàl·lic per evitar que el metall condueixi l’impuls i es converteixi en part de l’estructura electrificada. Els conductors de la tanca i els de connexió a l’alimentador no s’han de subjectar en cap cas a suports corresponents a alguna altra canalització, tant d’alta com de baixa tensió, de telecomunicacions o d’altra mena.
Els elements de maniobra de les portes han d’estar aïllats convenientment. Un cop oberta, la porta ha de posar fora de tensió els conductors compresos entre els suports laterals de les portes.
La figura mostra la distribució dels elements que integren la instal·lació de l’alimentador per a una tanca electrificada i les dimensions mínimes que es requereixen.
L’alimentador s’ha de col·locar en un indret que no pugui quedar colgat de palla o de fenc ni de cap mena de producte que el pugui deteriorar, dissimular o amagar a la vista del personal. Cal col·locar-lo a una distància propera a la tanca per no allargar de manera innecessària els cables que connecten la sortida de l’alimentador i la tanca, i així evitar pèrdues en la connexió i possibles problemes derivats de “falsos contactes” o trencaments dels conductors. La presa de terra de l’alimentador ha d’estar aïllada de qualsevol altra terra, fins i tot de la seva pròpia massa.
Els sistemes de qualitat aplicats a les instal·lacions elèctriques especials
El model actual de qualitat és el que busca la satisfacció del client per mitjà de la millora contínua.
El sistema ha de ser dinàmic i perfectament modificable per a qualsevol variació en el producte o en els requeriments. Per tant, tots els processos i totes les anàlisis han de ser revisats contínuament per adaptar-los a les necessitats.
El punt de vista de la qualitat
Enfocar qualsevol producte o servei des del punt de vista de la qualitat demana tenir una visió del procés en el seu conjunt per no deixar cap element de banda.
Cal pensar que, si passeu per alt o deixeu de banda algun procés en l’estudi de la qualitat, aquest es pot convertir en una variable que descontroli tots els resultats, perquè és un element real que actua sobre el vostre sistema però que us passa desapercebut i, per tant, pot esdevenir molt perillós.
L’estudi de qualitat d’una instal·lació elèctrica especial ha de considerar com a mínim els elements que es detallen a continuació:
- L’anàlisi de les necessitats del client
- La traducció de les necessitats del client a les especificacions de la instal·lació
- El càlcul de la instal·lació
- El muntatge de la instal·lació
- La verificació de la instal·lació
- La documentació de la instal·lació
- La informació al client i la seva formació sobre l’ús de la instal·lació
Els punts 3, 4, 5 i 6 són els elements clàssics que formen part d’una instal·lació elèctrica, els que sempre heu de tenir en compte. A més, en la llista també s’inclouen altres elements nous que conformarien l’enfocament més modern en la gestió de la qualitat. En concret són els punts 1, 2 i 7, és a dir, aquells en els quals el client entra a formar part de la instal·lació com a origen i final del vostre treball. Inicialment, heu de procurar interpretar les necessitats del client en forma d’especificació tècnica. Heu de tenir en compte que el client no ha de ser forçosament una persona coneixedora dels aspectes tècnics, i que potser les seves inquietuds no s’adapten al cent per cent a allò que us demana.
La vostra feina consisteix a adaptar les demandes del client al llenguatge més tècnic.
De la mateixa manera, un cop acabats els treballs, podeu actuar de dues maneres. Si feu estrictament allò que el Reglament us demana, us limitareu a lliurar la documentació requerida per a la tramitació del muntatge a l’administració competent.
Però si voleu satisfer completament les necessitats del client, haureu d’incloure en la documentació allò que suggereix el punt 7 de l’estudi de qualitat d’una instal·lació, és a dir, haureu d’esmerçar un cert temps a formar i informar el client sobre tot allò que vosaltres heu muntat, indicant-li amb detall què volia i de quina manera ho heu muntat.
Ara queda per tractar la manera en què heu d’actuar per implementar els dos sistemes de qualitat vistos fins ara: el sistema de control de la qualitat i el d’assegurament de la qualitat.
Sistema de control de qualitat
Hi ha dos sistemes de qualitat diferents, basats en dues filosofies diferenciades. El primer que veiem aquí es el sistema de control de qualitat, el qual es basa en l’establiment d’inspeccions finals per al lliurament a l’usuari de material i productes defectuosos.
El sistema de control de qualitat podem dir que ja està determinat pel Reglament. En la instrucció ITC-BT-4, el Reglament obliga a fer tota mena de verificacions un cop acabat el muntatge. A més, també prescriu la necessitat de documentar aquestes verificacions i que vagin signades per l’instal·lador autoritzat.
Per tant, podem dir que qualsevol instal·lació elèctrica ja segueix un sistema de control de qualitat.
Tanmateix heu de tenir present que tot allò que pugueu fer per millorar aquest sistema de control passarà per millorar, al seu torn, les verificacions bàsiques que per llei esteu obligats a dur a terme.
Sistema d’assegurament de la qualitat
A part del sistema de control de qualitat, també hi ha el sistema d’assegurament de la qualitat, el qual pren com a punt de partida una anàlisi detallada dels processos de fabricació i disseny amb l’objectiu d’eliminar-ne els elements que són causa de defecte i, d’aquesta manera, mirar d’aconseguir una fabricació sense defectes.
L’assegurament de la qualitat aplicat a les instal·lacions elèctriques especials s’ha de basar en l’aplicació d’allò que es coneix amb el nom de la roda de Deming. Aquesta roda us indica que qualsevol decisió de millora s’ha de basar en l’anàlisi estadística d’una sèrie de mesures que vosaltres haureu establert amb la intenció de quantificar els resultats del vostre procés d’instal·lació.
Un indicador...
…serveix per determinar objectivament la qualitat del vostre treball però també per indicar-vos noves vies de millora.
La roda de Deming consta de quatre accions –planificar, fer, avaluar i millorar– que giren de manera constant. Aquestes quatre accions les podríem adaptar ara als elements que conformen una instal·lació elèctrica especial d’aquesta manera:
- Planificar es tracta de veure de quina manera enfoqueu tota la instal·lació. En el vostre cas, aquesta acció implicaria la redacció de les especificacions conjuntament amb el client i el càlcul de la instal·lació.
- Fer és el muntatge de la instal·lació.
- Avaluar. En el procés d’avaluació hi podeu incloure dos elements: les verificacions i les enquestes. En primer lloc, el resultat de la verificació us pot servir per valorar més o menys positivament el resultat del muntatge. Per exemple, us podríeu fixar objectius mesurables i assequibles, com ara determinades caigudes de tensió, resistències d’aïllament, etc., les quals us servirien per anar avaluant la qualitat del muntatge.
- Millorar. Els resultats obtinguts en avaluar els indicadors anteriors us poden servir, al seu torn, com a nous punts de partida per millorar en el futur.











