Exemple de memòria tècnica de disseny amb recursos informàtics
Cada comunitat autònoma proposa uns models o impresos normalitzats que ha d’omplir l’instal·lador, que també ha de generar la documentació tècnica necessària que ha d’incloure la memòria tècnica de disseny. Això vol dir que una MTD d’una instal·lació a Madrid requereix uns impresos o models d’MTD diferents dels impresos d’Andalusia o Catalunya, o qualsevol altra comunitat autònoma. A vegades, això genera una despesa de temps innecessari en la generació de la documentació de l’MTD per a moltes empreses instal·ladores que treballen en diferents comunitats autònomes.
La finalitat dels programes informàtics és simplificar i millorar el procés de generació i arxivament d’aquesta documentació i fer-lo més àgil, flexible i amb resultats més professionals. A més, gràcies a l’ajuda d’internet les possibilitats augmenten. Per exemple, podrem actualitzar automàticament els programes, informar el fabricant dels errors detectats en el programa, comprar biblioteques de símbols, tenir actualitzats els models de cada comunitat autònoma, etc.
Documentació tècnica a Catalunya. Elaboració d'una MTD
La documentació tècnica que s’ha d’incorporar a Catalunya és la següent:
- Per a tot tipus de tràmit:
- Impresos model ELEC-1.
- Impresos model ELEC-5.
- Certificat d’instal·lació elèctrica de baixa tensió.
- Fotocòpia del DNI o NIF del titular.
- Per a instal·lacions amb memòria tècnica de disseny s’hi ha d’afegir:
- Esquema unifilar i memòria tècnica models ELEC-2 i ELEC-3.
- Croquis de l’emplaçament.
- Croquis del traçat de la instal·lació.
- Per a instal·lacions amb projecte s’hi ha d’afegir:
- Projecte.
- Certificat de direcció i acabament d’obra.
- Contracte de manteniment, quan escaigui.
- Certificat d’inspecció inicial, quan escaigui, amb qualificació favorable.
- En el cas d’ampliació o reforma s’hi ha d’afegir:
- Fotocòpia d’inscripció de la instal·lació existent.
Per tal d’elaborar una memòria tècnica de disseny (MTD) es necessita generar una sèrie d’informació i emplenar uns impresos normalitzats. La documentació tècnica necessària la podeu veure a la taula.
| Documentació tècnica per a una MTD | Programa informàtic proposat |
|---|---|
| Dimensionament de la instal·lació (opcional) | Calc |
| Model ELEC-1 Esquema unifilar model ELEC-2 Memòria tècnica model ELEC-3 Model ELEC-5 | Calc i Writer |
| Croquis del traçat de la instal·lació Croquis de l’emplaçament | See Elec |
| Pressupost | Calc |
El procés lògic d’elaboració de l’MTD és el següent:
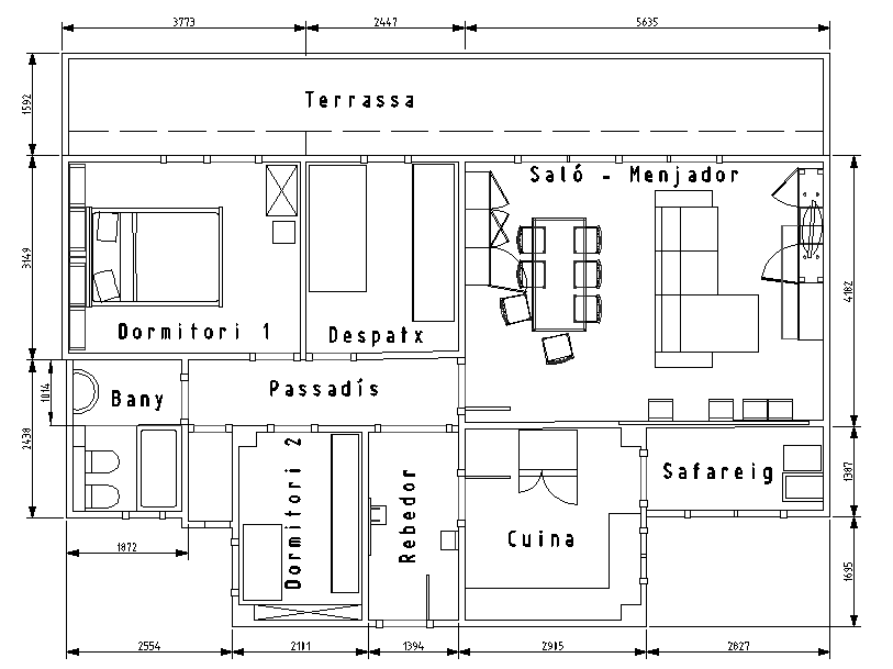
En la secció “Annexos” del web d’aquesta unitat trobareu un fitxer amb el plànol per poder veure bé les mesures i els detalls del pis.
- Elaborar el dimensionament de la instal·lació. Quins circuits i elements hi haurà, segons l’REBT i segons el nivell de confort.
- Elaborar els plànols corresponents i croquis necessaris.
- Emplenar els impresos normalitzats segons la normativa.
- Elaborar el pressupost de la instal·lació.
En aquesta unitat se seguiran aquests passos per fer l’MTD del pis de la figura.
S’agafaran com a mesures les acotacions, que estan en mil·límetres. Es planteja fer l’MTD del pis, sabent que tindrà un grau d’electrificació bàsic.
Elaboració del dimensionament d'una instal·lació
Per fer el dimensionament de la instal·lació, s’han de tenir en compte en tot moment els mínims que determina l’REBT (a la ITC-BT-25). Partint dels mínims exigibles, els elements definitius per instal·lar es poden incrementar per donar més confort a l’habitatge.
La millor forma de dimensionar una instal·lació tenint en compte els diferents circuits és amb una taula on quedi tot reflectit, com la de la figura.
Per elaborar aquest full es proposa fer-ho amb el programa Calc, que està integrat en l’OpenOffice.
Un cop es té clara l’estructura del full de càlcul, s’ha d’emplenar amb les diferents estances de l’habitatge. En aquest cas tenim:
Per saber com es pot configurar el full de càlcul, les cel·les, les fórmules i la pàgina d’impressió podeu consultar l’apartat “Fulls de càlcul per al dimensionament d’instal·lacions, valoració i facturació”.
- Accés
- Rebedor
- Passadís
- Saló-menjador
- Cuina-safareig
- Despatx
- Dormitori 1
- Dormitori 2
- Bany
- Terrassa
Exemple de càlcul d'àrees no rectangulars
Imaginem una sala com la de la figura següent:
Per calcular l’àrea d’una estança com la de la figura es pot subdividir en dos rectangles.
- L’àrea d’un serà 110·30 = 3.300 m2
- L’àrea de l’altre serà 40·70 = 2.800 m2
Per tant, l’àrea total de l’estança serà 3.300+2.800 = 6.100 m2
Amb les acotacions del plànol es poden saber les dimensions de cada estança. La superfície de cada estança es pot assimilar a un rectangle, on la superfície és costat per costat. A mode d’exemple, calculem la superfície de la cuina-safareig de la manera següent:
- Cuina: 2,905·(1,695+1,387) = 8,953 m2
- Safareig: 2,827·1,387 = 3,921 m2
El total de la cuina i safareig (de cara al REBT és una única estança) serà 8,953+3,921 = 12,874 m2.
Per calcular el passadís, l’amplada és 1,014 m i la llargada, 1,394 + 2,101 + (2,554 - 1,872)= 4,177 m. Per tant la superfície del passadís (malgrat que en aquest cas el reglament només fa referència a la llargada) serà 1,014·4,177 = 4,235 m2.
D’aquesta forma es poden trobar les dimensions de cada estança de tot l’habitatge.
En funció d’aquestes dimensions -els metres quadrats- s’han de determinar els elements mínims segons la ITC-BT-25. Els punts mínims d’utilització en cada estança són els que es detallen en la taula.
| Estança | Circuit | Mecanisme | Nombre mínim | Superfície / Longitud |
|---|---|---|---|---|
| Accés | C1 | Polsador timbre | 1 | - |
| Vestíbul | C1 | Punt de llum Interruptor 10 A | 1 1 | - - |
| C2 | Base 16 A (2p + T) | 1 | - | |
| Sala d’estar o saló | C1 | Punt de llum Interruptor 10 A | 1 1 | Fins a 10 m2 (2 si S > 10 m2) Un per a cada punt de llum |
| C2 | Base 16 A (2p + T) | 3 (1) | Un per a cada 6 m2, arrodonint a l’enter superior | |
| C8 | Presa de calefacció | 1 | - | |
| C9 | Presa d’aire condicionat | 1 | - | |
| Dormitoris | C1 | Punt de llum Interruptor 10 A | 1 1 | Fins a 10 m2 (2 si S > 10 m2) Un per a cada punt de llum |
| C2 | Base 16 A (2p+T) | 3 (1) | Un per a cada 6 m2, arrodonint a l’enter superior | |
| C8 | Presa de calefacció | 1 | - | |
| C9 | Presa d’aire condicionat | 1 | - | |
| Banys | C1 | Punt de llum Interruptor 10 A | 1 1 | - - |
| C5 | Base 16 A (2p + T) | 1 | - | |
| C8 | Presa de calefacció | 1 | - | |
| Passadissos i distribuïdors | C1 | Punt de llum Interruptor-Commutador 10 A | 1 1 | Un per a cada 5 m de longitud Un en cada accés |
| C2 | Base 16 A (2p + T) | 1 | Fins a 5 m (2 si L > 5 m) | |
| C8 | Presa de calefacció | 1 | - | |
| Cuina | C1 | Punt de llum Interruptor 10 A | 1 1 | Fins a 10 m2 (2 si S > 10 m2) Un per a cada punt de llum |
| C2 | Base 16 A (2p + T) | 2 | Extractor i frigorífic | |
| C3 | Base 25 A (2p + T) | 1 | Cuina/forn | |
| C4 | Base 16 A (2p + T) | 3 | Rentadora, rentaplats i escalfador | |
| C5 | Base 16 A (2p + T) | 3 (2) | A sobre del plànol de treball | |
| C8 | Presa de calefacció | 1 | - | |
| C10 | Base 16 A (2p + T) | 1 | Assecadora | |
| Terrasses i vestidors | C1 | Punt de llum Interruptor 10 A | 1 1 | Fins a 10 m2 (2 si S > 10 m2) Un per a cada punt de llum |
| Garatges unifamiliars i altres | C1 | Punt de llum Interruptor 10 A | 1 1 | Fins a 10 m2 (2 si S > 10 m2) Un per a cada punt de llum |
| C2 | Base 16 A (2p + T) | 1 | Fins a 10 m2 (2 si S > 10 m2) |
El dimensionament de cada estança quedarà de la forma següent:
- Accés: un punt de llum (timbre) i un accionador (polsador).
- Rebedor: un punt de llum, un interruptor i una presa de corrent.
- Passadís: com que la llargària és de 4,177 m, i per tant no arriba als 5 m, amb un punt de llum n’hi ha prou. Respecte dels accionadors, el reglament especifica un en cada accés al passadís. En aquest cas, i segons el plànol, al passadís es pot accedir des del rebedor, menjador, despatx, dormitori 1, cuina i dormitori 2. En total són sis accessos. Com que sis accionadors seria excessiu per a un passadís que no arriba als 5 m de llarg, el que s’acostuma a fer és compartir accionadors. Per tant, es proposa un accionador per a l’accés del rebedor i dormitori 2, un per al menjador, un altre per al despatx i dormitori 1 i un altre per al bany. En total serien 4 accionadors.
- Saló-menjador: dos punts de llum, i s’incrementa el nombre d’accionadors a quatre per tal de poder encendre i apagar cada punt de llum des de dos llocs.
- Cuina: es mantenen els mínims que diu el reglament per a cada circuit.
- Despatx: de cara al reglament es pot assimilar a un dormitori, amb un punt de llum i tres preses de corrent.
- Dormitori 1: segons el reglament serien dos punts de llum i dos accionadors, però com que es vol donar la possibilitat d’encendre i apagar un dels punts de llum des dels dos costats del llit, surten un total de quatre accionadors.
- Dormitori 2: s’incrementa un accionador respecte del mínim per tal de poder encendre i apagar el llum des del llit.
- Bany: es mantenen els mínims que diu el reglament per a cada circuit.
- Terrassa: s’incorpora una presa de corrent al circuit 2 per tal de poder connectar qualsevol receptor a la Terrassa.
La taula de dimensionament amb el Calc quedaria com la de la figura.
Elaboració dels plànols amb See Elec
En aquest exemple fem una importació d’un plànol DXF fet amb Autocad versió 2000 per facilitar la compatibilitat amb el programa See Elec. Aquest procediment és molt típic quan l’arquitecte ha fet el plànol amb Autocad i l’instal·lador vol reaprofitar la feina feta i només afegir la instal·lació elèctrica.
El primer pas serà crear un projecte See Elec amb el nom Habitatge_MTD_grau_bàsic.cpj i omplir la informació del projecte segons la figura.
Després crearem les pàgines que mostra la figura partint de les plantilles de pàgina formatDINA3horitz_IOC_esquemes.tdw, formatDINA3horitz_IOC_instal.tdw i formatDINA3horitz_IOC_armari.tdw que ja heu de tenir creades i amb les seves propietats configurades en el primer apartat “Programari per a esquemes elèctrics” d’aquesta unitat. També podeu afegir altres documents per fer el pressupost amb Excel o la portada amb Microsoft Word, tot i què això és opcional, ja que en aquest curs treballarem amb OpenOffice i aquest programa no és compatible.
En l’apartat “Programari per a esquemes elèctrics” d’aquesta unitat, i en la respectiva secció “Activitats”, trobareu explicat com es fa una plantilla de projecte i de pàgina amb caixetí amb la configuració necessària per a aquest exemple d’MTD.
Per importar el plànol haurem d’obrir el full Distribució en planta en el mòdul d’instal·lació domèstica i obrir la plantilla amb caixetí ‘formatDINA3horitz_IOC_instal.tdw’. Després haurem de seleccionar del menú Archivo - Abrir - Autocad DXF/DWG l’arxiu que volem importar i configurar la finestra segons la figura.
El fitxer DXF creat amb Autocad del pis el trobareu en la secció “Annexos” del web d’aquesta unitat, amb el nom VivendaMTD_autocad2000 .zip.
El resultat després de la importació ha de quedar segons mostra la figura.
Un cop feta la importació el pas següent serà crear un conjunt de capes que ens permetrà tenir el dibuix totalment controlat i ens facilitarà l’edició, la visualització i la impressió de les capes desitjades.
Per fer servir totes les prestacions d’edició del programa See Elec es poden dibuixar els murs, finestres i portes a sobre del plànol importat d’Autocad.
Per accedir a les capes, podem clicar la icona Capa de la barra d’estil i s’obrirà una finestra amb les capes importades que haurem d’editar segons la figura. Observeu que podem configurar les propietats de cada capa, com el color de la línia i l’amplada. A més podrem activar si volem mostrar la capa a la pantalla o no. Per fer-ho, la casella Actualizar la información de capa en grupos ha d’estar activada.
L’estructura de capes bàsica desitjada podria ser la que es mostra a la figura, però podrem crear, més endavant, les capes necessàries fins a les 512 que permet el programa.
El pas següent serà col·locar cada element del dibuix a la capa corresponent de la nova estructura de capes creada. Per tant, hem d’anar seleccionant cada element del dibuix i assignar-hi la capa que hi correspongui. Per exemple, si seleccionem el caixetí fent un quadre amb el ratolí sobre seu i amb el botó dret fem Propiedades de selección s’obrirà una finestra com la de la figura, on haurem de posar en el camp Capa un 2, ja que és el número de la capa del caixetí. Activem el requadre de la dreta de la columna Mostrar i acceptem. Observareu que el caixetí ara pertany a la capa 2, fent doble clic sobre seu amb el botó esquerre del ratolí. Ara, si anem a les propietats de les capes i desactivem la casella Mostrar de la capa 2 i acceptem, veureu com a la pantalla no es visualitza el caixetí. Aquesta és una manera de comprovar si l’element pertany a la capa desitjada.
Per seleccionar més d’un element del dibuix podem fer un requadre amb el ratolí o bé anar-los seleccionant un a un amb la tecla Majúscules premuda.
A la figura podeu veure com s’ha seleccionat tot el mobiliari del plànol i es col·loca a la capa 3 anomenada MOBILIARI.
Farem el mateix posant a la capa COTES totes les cotes del dibuix. A la capa MURS_FINESTRES posarem els murs, finestres i portes seleccionades del plànol. A la capa LINIES_AUX podem posar línies del dibuix, com les línies dels marges.
Els colors de cada capa s’han d’elegir de manera que es faciliti la visualització dels elements que volem destacar del dibuix. Una opció podria ser la que es mostra a la figura, on hem desactivat la capa LINIES_AUX per no visualitzar les línies dels marges.
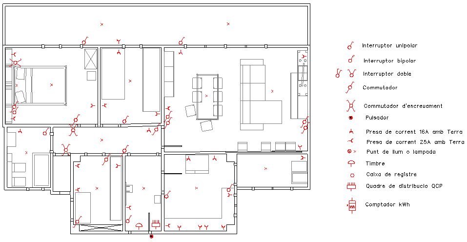
Croquis del traçat de la instal·lació
Un cop tenim el plànol de la vista en planta de l’habitatge és el moment de començar a editar la instal·lació elèctrica. Ho farem a les capes creades per als mecanismes, per al circuit C1, C2, C3, C4 i C5.
Primer activarem la capa actual MECANISMES (8) per col·locar interruptors, commutadors, punts de llum, preses de corrent i d’altres mecanismes i receptors que conformaran la instal·lació elèctrica de l’habitatge segons el nivell de confort desitjat i el grau d’electrificació bàsic.
Per treballar és molt útil mostrar per pantalla només aquelles capes que ens interessin per dibuixar correctament. Per exemple, la capa COTES la podem desactivar, en canvi el mobiliari ens interessa veure’l, perquè podrem col·locar els mecanismes al costat dels armaris, dels electrodomèstics i ens llocs clau per facilitar-ne l’ús.
Col·locarem els interruptors unifilars en el plànol traient-los de la llibreria Instalación doméstica - Interruptores - Interruptor unifilar. Farem doble clic per posar-hi el nom corresponent amb el codi de lletra S (S1, S2, S3, S4, S5, S6, S7, S8). Seguidament, col·locarem els interruptors d’encreuament amb els noms S9, S10 i S11, i després els commutadors simples amb els noms S12, S13, S14, S15, S16, S17, S18, S19, S20 i S21.
Creació d'un símbol nou
La majoria dels símbols unifilars els trobareu a la llibreria Instalación doméstica, però si no hi ha el que volem haurem de crear un símbol nou a partir d’un que s’hi assembli. L’escala del símbol la podeu configurar a Propiedades de página, normalment a 1 o 2.
Realització de les connexions
És millor fer les connexions en el punt de connexió del component activant al menú Ver - Punto de enganche i utilitzar una reixeta apropiada a la mida del dibuix, normalment 1 mm o 0,10 si volem molta precisió.
Amb el símbol seleccionat podrem rotar-lo a la posició desitjada, fent clic a la icona Rotar selección de la barra d’eines d’edició.
Després col·locarem els punts de llum amb el codi de lletra E (E1, E2, E3, E4, E5, E6, E7, E8, E9, E10, E11, E12, E13). A continuació, faltarà el timbre amb el polsador d’entrada i el quadre de distribució o de comandament i protecció (QCP) amb cinc circuits.
El pas següent serà col·locar les preses de corrent de 16 A i de 25 A amb presa de terra que completaran el circuit C2, C3, C4 i C5 de la instal·lació de l’habitatge. Si calculeu les preses són vint-i-cinc de 16 A i una de 25 A, repartides per cada estança de l’habitatge.
Hem de tenir en compte que a la cuina-safareig s’han de col·locar les preses de corrent en la ubicació on se suposa que aniran els electrodomèstics, el forn, el rentavaixelles, la rentadora, el termo, el frigorífic i l’extractor. Recordeu que el circuit C3 per a cuina i forn porta una base d’endoll de 25 A amb terra i el símbol és diferent del de 16 A. El codi de lletra ha de ser X (X1, X2, etc.).
La llegenda del plànol amb la indicació de la simbologia utilitzada ajudarà qualsevol persona a localitzar i entendre els símbols. No oblideu de crear el text a la capa TEXT i els símbols a la capa MECANISMES. Una altra opció és crear una capa nova que es digui LLEGENDA i incloure text i símbols en aquesta capa. D’aquesta manera, podreu escollir si imprimiu la llegenda o no activant la casella Mostrar de la capa.
La figura ens mostra com hauria de quedar la ubicació dels mecanismes amb la llegenda. Observeu la mida dels símbols, de manera que no hagin quedat ni molt grans ni molt petits, tenint en compte que és un format DIN-A3.
El pas següent serà començar a editar els diferents circuits de cada capa.
Molts instal·ladors acostumen a estalviar-se l’esquema unifilar desenvolupat, ja que l’esquema unifilar simplificat ja proporciona suficient informació per fer la instal·lació en la majoria dels casos.
Circuit 1. Comencem fent l’esquema unifilar simplificat del C1 d’il·luminació fent servir l’opció del menú Cable - Curva Spline i treballant amb la capa actual C1 (9). Aquest esquema ens permetrà identificar quins interruptors actuen sobre quins punts de llum. A més, com que cada circuit està en una capa d’un color diferent es pot saber a quin circuit pertanyen els mecanismes.
Heu de configurar l’estil i el color de capa per a cada circuit, segons mostra la figura.
Per treballar el circuit 1 heu de posar la capa actual C1 i començar a fer les corbes Spline des de cada mecanisme fins al receptor que controla, tal com mostra la figura. Si activeu Ver - Punto de enganche comprovareu com el cable Spline quedarà connectat a aquest punt en fer clic amb el ratolí sobre el símbol.
Circuit 2. El circuit 2 està format per les preses de corrent de 16 A repartides per cada estança, tal com mostra la figura. Recordeu canviar de la capa actual a la C2 i procediu com en el circuit 1.
Normalment, per simplificar el plànol, en els circuits de força com C2, C3, C4 i C5 només es posa un text al costat de cada presa de corrent que indiqui el circuit a què pertany. A més, si s’imprimeix en blanc i negre no hi haurà problema per entendre el plànol.
Circuit 3. Es mostra a la figura.
Està format per les preses de corrent del forn i cuina. En aquest cas hem optat per indicar amb text a la capa C3 que aquesta base de 25 A pertany al circuit 3.
Circuit 4. El circuit 4 el formen les preses de corrent de 16 A per al rentavaixelles, rentadora i termo que es troben a la cuina-safareig, com indica la figura.
Circuit 5. Finalment tenim el circuit 5, format per tres preses de corrent de 16 A a la cuina i una al bany, com indica la figura.
Un cop hem realitzat tota la instal·lació podem imprimir un plànol amb les capes que ens interessi visualitzar. Una possible solució seria la que es mostra a la figura, on s’ha desactivat la capa del mobiliari i les cotes. No us oblideu d’indicar en el plànol el color de cada circuit amb una taula.
Croquis de l'emplaçament de la instal·lació
Aquest plànol consisteix en un mapa on es mostra la ubicació del domicili de la instal·lació per fer amb les dades de l’habitatge, com carrer, número, pis, porta, ciutat i codi postal.
Una manera molt senzilla de fer aquest document és crear una pàgina que es digui Emplaçament, on aparegui una imatge, per exemple del Google Maps amb l’adreça de l’habitatge, tal com es mostra a la figura.
Per obtenir la imatge del Google Maps, gràcies a internet, podem capturar la imatge amb la tecla Imprimir pantalla del nostre teclat i enganxar-la al programa Paint. Un cop retallada la imatge desitjada la guardarem amb el format JPG o BMP. Després, a la pàgina Emplaçament anem al menú Edición - Insertar imagen o Edición - Insertar archivo OLE i fem un requadre amb el ratolí de la mida de la imatge que volem inserir. S’obrirà una finestra on haurem de buscar l’arxiu JPG o BMP de la imatge de l’emplaçament i acceptar perquè ens aparegui a la pantalla.
Si inserim la imatge com a arxiu OLE tindrem l’avantatge que la imatge estarà vinculada a l’arxiu original i qualsevol canvi que fem en aquest arxiu es modificarà en la pàgina Emplaçament. També podrem fer doble clic sobre la imatge i s’obrirà el programa amb què es va guardar la imatge, en aquest cas el Paint, per fer qualsevol modificació.
Per inserir el text de l’adreça activarem com a capa actual la capa TEXT. Després clicarem la icona Crear Text nou o farem la combinació de tecles CRTL+T, i seleccionarem l’atribut text normal i la font desitjada del text per afegir.
Per inserir la fletxa i el requadre del text activarem com a capa actual la capa LINIES_AUX. Després amb les eines de la barra de dibuix crearem les línies i el rectangle.
Esquema unifilar (model ELEC-2)
Aquest esquema elèctric (vegeu les figures 101 i 102) el podrem fer a la pàgina del projecte Esquema unifilar vivenda i equival al model ELEC-2, però dibuixat amb el programa See Elec. Fixeu-vos que incorpora la mateixa informació que el model ELEC-2 (vegeu la figura).
Per fer aquest esquema, primer heu d’ubicar els símbols en la reixeta de 5 mm, que trobareu a la carpeta de simbologia Símbolos UNIFILAR. Agafeu els símbols Diferencial General 30mA, Magnetotérmico Genérico i Tabla Circuito, on posareu la informació després de fer els càlculs pertinents (vegeu la figura).
Configureu les propietats dels símbols com indiquen la figura i figura, fent doble clic sobre cadascun dels símbols. Després s’hauran d’unir els components amb la icona Dibujar conexión unifilar.
Afegiu el text que falta al caixetí, el conductor de protecció i les línies transversals de cada circuit dibuixant línies.
Layout d'armari
Tot i que aquest plànol és opcional, a vegades, sobretot en instal·lacions grans, es fa un dibuix del quadre elèctric on es veu la ubicació dels dispositius de protecció i comandament de la instal·lació, el nom del circuit al qual protegeixen i fins i tot el cablejat del quadre.
Les llibreries amb els dibuixos les teniu a la carpeta Layout, juntament amb molts tipus de dispositius a la vostra disposició. També podeu modificar-ne algun i guardar-lo com un símbol nou a Mis símbolos - Mis layout.
A la figura podeu veure com quedaria la pàgina Quadre QCP amb el quadre d’aquesta instal·lació d’exemple d’MTD amb grau d’electrificacó bàsic.
Elaboració d'impresos normalitzats
Juntament amb els esquemes unifilars i amb els croquis d’emplaçament s’han d’emplenar uns impresos normalitzats. Aquests impresos es poden trobar a l’adreça web http://www.gencat.cat/oge/documents/tensio/. En aquesta plana web trobareu els impresos normalitzats per poder presentar l’MTD a Catalunya. Si es vol presentar l’MTD en una altra comunitat autònoma s’hauran d’emplenar els impresos que corresponguin i que demani l’administració competent.
Els que corresponen per a baixa tensió (l’exemple de l’habitatge) són els següents:
- Certificat d’instal·lació elèctrica en baixa tensió: full que es pot obrir amb l’OpenOffice i que conté les dades generals de la instal·lació i un resum dels dispositius més importants.
- ELEC-1: full que es pot obrir amb l’OpenOffice i que conté els detalls de la instal·lació elèctrica.
- ELEC-2: pdf amb l’esquema unifilar de la instal·lació per circuits.
- ELEC-3: taula amb els detalls de cada circuit, caigudes de tensió, etc.
- ELEC-5: relació d’equips de climatització, calderes o similars amb reglament específic de seguretat industrial.
- ELEC-4: només s’ha d’emplenar quan sigui necessari per als dispositius instal·lats.
En la secció “Annexos” del web del mòdul hi trobareu els impresos normalitzats necessaris per fer una MTD.
Impresos ELEC-2 i ELEC-3
Per emplenar els impresos ELEC-2 i ELEC-3 i generar de manera fàcil i ràpida els esquemes i detalls que ens demanen, es pot emprar un fitxer de Calc que facilita la feina. Consisteix a introduir les dades de la nostra instal·lació i el fitxer ens generarà els impressos ELEC-2 i ELEC-3 amb les dades correctes.
Un cop s’obre el fitxer amb el Calc, s’ha de visualitzar el primer full de càlcul, el de la pestanya Enunciado (vegeu la figura). En aquest full s’han d’emplenar les cel·les que hi ha en color groc. Hi ha una casella en color vermell, és per posar la potència màxima instal·lada. Al mateix full, a la part de sota, en color carn hi ha les potències normalitzades. A la banda dreta, s’ha d’escriure una ‘X’ en els circuits que s’han instal·lat. Per defecte vénen els cinc mínims de tota instal·lació d’electrificació bàsica, i s’ha d’incloure la longitud màxima del circuit. La resta de cel·les del full no s’han de modificar.
En la secció “Annexos” del web del mòdul hi trobareu el fitxer per poder fer els càlculs i emplenar els impresos ELEC-2 i ELEC-3.
Pel que fa a les dades de l’habitatge de què s’està fent l’MTD, aquest full s’emplena amb les dades següents:
- Carrer Balmes, 34, 2n 3a
- Els metres quadras del total de l’habitatge, que s’han calculat prèviament en el full de dimensionament, 94,47 m²
- 08032 Barcelona
- Comptadors totalment centralitzats
- 15 m de derivació individual
- Potència màxima instal·lada: 6.900 W
- Per calcular la caiguda de tensió en cada circuit s’ha d’incloure la longitud màxima des del quadre general de protecció fins al receptor. Segons el plànol, i els esquemes unifilars, les distàncies màximes són aproximadament les que apareixen a la taula.
| Circuit | C1 | C2 | C3 | C4 | C5 |
|---|---|---|---|---|---|
| Longitud màxima | 25 | 25 | 12 | 17 | 20 |
Amb aquestes dades es pot emplenar el primer full del fitxer (vegeu la figura).
Si a la instal·lació hi ha més circuits s’haurà d’incloure una ‘X’ en el circuit corresponent, i s’ha de tenir en compte que la potència instal·lada s’haurà de modificar, ja que passa d’electrificació bàsica a elevada.
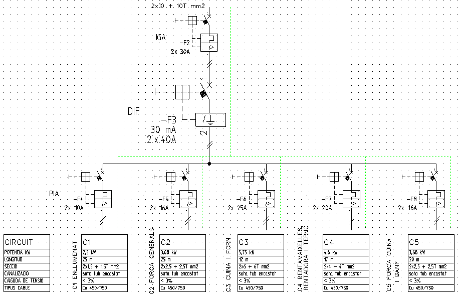
En el segon full de càlcul del fitxer hi ha l’imprès ELEC-3 ja emplenat. En funció de les distàncies de cada circuit i de les potències dels receptors, s’han calculat les caigudes de tensió i les seccions corresponents.
En el tercer full de càlcul del fitxer es pot trobar l’esquema unifilar de la instal·lació, que correspon a l’imprès ELEC-2 (vegeu la figura). Hi apareixen els diferents circuits de l’habitatge, amb els corresponents PIA. També especifica el diferencial, l’IGA i la secció de la derivació individual. De la mateixa forma, incorpora les seccions dels conductors de cada circuit. És molt important revisar totes les dades que hi apareixen per tal que l’esquema coincideixi exactament amb la instal·lació realitzada i amb els requisits del reglament. Per poder veure l’esquema amb més claredat es pot fer una visualització prèvia.
El següent full de càlcul del fitxer correspon els càlculs que s’han de fer per determinar les caigudes de tensió de cada línia i seccions. Aquest full no s’ha d’imprimir ni entregar amb l’MTD, és un full intern de càlculs (vegeu la figura).
Un cop es tenen els impresos ELEC-2 i ELEC-3 emplenats, s’han d’emplenar els impresos ELEC-1, ELEC-5 i el certificat d’instal·lació per a baixa tensió.
Impresos ELEC-1 i ELEC-5
El fitxer de l’ELEC-1 es pot obrir amb el programa Writer, inclòs en el paquet de l’OpenOffice. De fet, el fitxer és una plantilla d’un processador de textos. Això vol dir que tot el format ja està fet, i només s’ha d’escriure en els apartats de color gris. El fitxer està protegit i només deixa escriure en les caselles per emplenar.
Per poder emplenar aquest imprès i el certificat d’instal·lació elèctrica de baixa tensió, les dades de la instal·lació són les següents:
- Dades del titular de la instal·lació: s’ha de completar amb les dades del titular de la instal·lació. En aquest cas les dades són:
- Jordi Segura Ramos
- 44186598-P
- 654321321
- C/Balmes 34, 2n 3a
- 08032
- Barcelona
- Representant i adreça per a notificacions: la mateixa que el titular.
- Emplaçament de la instal·lació: la mateixa que el titular.
- Característiques de la instal·lació: s’han d’incloure les dades que hi ha a l’ELEC-2 i l’ELEC-3. A més, inclou l’ús de la instal·lació (habitatge) i la resistència de la presa de terra de l’edifici (en aquest cas 10 Ω). S’ha d’incloure la màxima potència de la instal·lació (en aquest cas 6.900 W, IGA de 30 A) i la potència que es contracta (en aquest cas 5.750 W, ICP de 25 A). La resistència d’aïllament és de 20.000 kΩ.
- Empresa instal·ladora: instal·lacions IOC, amb número de registre REIE-123456, situada a l’avinguda del Paral·lel, 71-73, de Barcelona, 93 339 12 34. L’instal·lador autoritzat és Santiago Cocera Gracia, amb NIF 12345678A i carnet individual identificatiu d’instal·lador autoritzat 111111X.
- És una nova instal·lació i s’està fent una memòria tècnica de disseny (MTD).
Amb aquesta informació es pot emplenar l’imprès ELEC-1. L’aspecte de com quedaria es pot veure en la figura.
En el cas de tenir més d’un interruptor diferencial s’hauria de detallar quins circuits es connecten des de cada diferencial.
L’imprès ELEC-5 és per detallar els aparells subjectes a reglaments específics de seguretat. En aquest cas no n’hi ha i, per tant, aquest fitxer s’haurà de deixar en blanc (vegeu la figura).
Un equip que podria aparèixer a l’imprès ELEC-5 seria per exemple un equip de caldera de gas.
Certificat d'instal·lació per a baixa tensió
Aquest certificat és el resum de tots els impresos que s’han fet. Incorpora a la part de sota la certificació conforme la inspecció inicial ha estat favorable. És a dir, si no és favorable no s’arriba a emetre aquest certificat, o s’emet sense emplenar aquesta banda.
Amb les dades de la instal·lació que s’han subministrat es pot emplenar l’imprès. L’aspecte quedaria com el de la figura.
La figura mostra el revers del certificat d’instal·lació, on consten les instruccions que s’han de seguir per emplenar el certificat d’instal·lació elèctrica de baixa tensió.
Elaboració del pressupost
Partirem de les dades inicials que tenim, que queden reflectides a la figura.
Un cop s’ha dissenyat tota la instal·lació i s’han omplert els impresos corresponents, falta confeccionar el pressupost. En el pressupost s’han de fer constar tots els materials que s’instal·laran i les seves característiques.
Consulteu l’apartat “Fulls de càlcul per al dimensionament d’instal·lacions, valoració i facturació” per conèixer com s’ha d’instal·lar el programa Calc i com es pot construir la taula del pressupost.
El model del quadre per a cada estança és el de la figura.
A diferència de les memòries tècniques de disseny, que totes són iguals i vénen marcades pels impresos de la Generalitat de Catalunya, els pressupostos es poden confeccionar de diverses maneres. El model que aquí s’explicarà correspon al més detallat, ja que permet fer el pressupost per estança de l’habitatge, i el més descriptiu, que incorpora la memòria de qualitat dels components instal·lats. D’aquesta manera el client pot veure exactament quin material li serà instal·lat, de quina qualitat i quant costarà cada cosa que s’afegeixi o es retiri del disseny. Si ens basem en els càlculs fets i reflectits a la taula del dimensionament, es pot elaborar un full de càlcul com el que s’ha mostrat per a cada estança.
Full de càlcul aplicat als pressupostos
Es recomana fer sevir un programari informàtic basat en un full de càlcul, d’aquesta manera si hi ha qualsevol modificació el programa recalcula els subtotals de manera automàtica. Aquí s’emprarà un full de càlcul basat en el programari Calc de l’OpenOffice.
Dispositius generals de comandament i protecció
El pressupost del dispositius generals de comandament i protecció (figura) inclou l’IGA, que segons l’MTD és per a 6.900 W, els cinc PIA i l’interruptor diferencial. No s’inclou l’interruptor de control de potència, perquè aquest dispositiu l’instal·la directament la companyia elèctrica i va lligat a la potència per contractar.
Tots els preus que apareixen en el pressupost són preus aproximats i hi poden haver moltes variacions en funció dels anys, de la qualitat, de la marca, del fabricant, etc.
Accés
-

- Tres caixes per encastar Universals
Dins de l’accés (figura) s’inclou un polsador i un brunzidor. A més s’ha d’incloure el conductor per connectar-los, el tub corrugat on anirà el conductor i la caixa per encastar on s’allotja el polsador. Aquestes caixes per encastar són universals, i s’utilitzen tant per a polsadors com per a interruptors, commutadors, etc.
Rebedor
-

- Caixa de derivació
Dins del rebedor (figura) s’inclou el material que s’especifica en la taula del dimensionament. Cal remarcar que no s’inclou el cost del punt de llum, perquè des del punt de vista elèctric l’instal·lador deixa els cables fora i cada propietari ja escull i compra la lluminària que més li convé al seu habitatge.
Com que s’instal·laran per encastar un interruptor i una presa de corrent, faran falta un total de dues caixes d’encastar universals.
Per poder fer totes les connexions s’ha pressupostat una caixa de derivació.
Passadís
En el pressupost del passadís (figura) hi havia dimensionats quatre accionadors. Per tal que es pugui obrir i tancar el llum des de qualsevol dels quatre punts fa que siguin necessaris dos commutadors simples i dos commutadors de creuament. Respecte de les caixes per encastar, se’n necessitaran quatre per als accionadors i una altra per a la presa de corrent, en total cinc.
Respecte del càlcul dels conductors, s’ha de tenir en compte que hi passaran els conductors de secció 1,5 mm² del circuit 1 i conductors de 2,5 mm² del circuit 2. S’ha emprat tub més gruixut, de 20 mm de diàmetre perquè pel passadís també hi aniran els conductors cap als dormitoris i el bany.
Saló-menjador
Respecte del circuit 1, si hi ha dos punts de llum, es planifica que cada punt de llum es pugui encendre i apagar des de dos punts indistintament. Per tant, faran falta un total de quatre commutadors simples. Si, a més, s’han d’instal·lar quatre preses de corrent, fan un total de vuit les caixes per encastar.
La quantitat de cable i tub per emprar és una aproximació, tenint en compte que s’ha d’arribar fins al menjador des del quadre dels dispositius generals de comandament i protecció (figura).
Cuina-safareig
Aquesta estança és la que té més circuits de tot l’habitatge (figura). Per aquest motiu s’inclou el tub corrugat més gruixut, de 25 mm de diàmetre, i en una longitud aproximada per tal que puguin arribar tots els circuits des de l’entrada fins als punts d’utilització.
Cal remarcar que en els conductors s’inclouen també les seccions de 4 mm² i 6 mm² corresponents als circuits C4 i C3, respectivament.
En el pressupost apareixen un total de vuit preses de corrent de 16 A que corresponen a les dues del C2, tres del circuit C4 i tres del C5, ja que tots els endolls són iguals. En el pressupost apareix l’endoll del C3 específic de 25 A, i s’inclou una caixa per encastar específica per a cuines i forn.
Despatx
L’estança del despatx no sempre és en un habitatge i, en el cas que hi sigui, s’acostuma a tractar com una habitació dormitori. Per tant, faran falta tots els elements que apareixen en la taula 2 de la ITC-25 dins l’apartat del dormitori (figura).
Dormitori 1
En el dormitori 1 apareixen dos punts de llum i quatre accionadors (figura). S’ha pressupostat que un punt de llum s’encén amb un interruptor i que l’altre punt de llum es pot encendre i apagar indistintament des de tres punts. Per tant, s’ha de pressupostar un interruptor, dos commutadors simples i un commutador d’encreuament.
Dormitori 2
En aquest dormitori s’han de tenir en compte, principalment, els tres endolls del circuit 2 i dos endolls commutats simples per controlar el punt de llum de l’habitació del circuit 1 (figura).
Bany
En el pressupost del bany cal tenir present que la presa de corrent és del circuit C5, malgrat que el conductor per connectar sigui de 2,5 mm², com el del circuit C2 (figura).
Terrassa
A la terrassa s’han previst dos punts de llum independents, cadascun amb el seu interruptor, per tal que es pugui il·luminar una part de la terrassa, però no una altra (figura).
El codi IP consta de dues xifres. La primera fa referència a la penetració de cossos sòlids i la segona, de cossos líquids.
La presa de corrent que s’ha pressupostat és una d’específica per a exteriors, amb una IP 55, ja que aquest endoll està exposat al vent i la pluja, i ha de tenir les connexions més protegides.
Pressupost total
Per conèixer el total del pressupost cal sumar l’import de totes les partides i afegir-hi la mà d’obra (figura).
En la secció “Annexos” podeu trobar el fitxer del pressupost en format electrònic per consultar.
S’ha de fer un càlcul aproximat del temps que es trigarà a fer tota la instal·lació elèctrica. Aquest import rep el nom de pressupost total d’execució material.
Sobre aquest últim import s’han de tenir en compte els imprevistos (utilitzar més conductor del pressupostat, més hores, etc.) i el benefici per a l’empresa. Si sumem els imports es té el total de la contractació. Si s’hi afegeix l’IVA vigent en el moment es tindrà el pressupost total.



















































