Circuits elèctrics bàsics
La instal·lació elèctrica d’un habitatge, comerç o indústria s’ha de realitzar mitjançant circuits elèctrics que donin resposta a les diferents necessitats i segons les prescripcions de la normativa. Els circuits es representen mitjançant diferents tipus d’esquemes. Aquests esquemes es componen de símbols gràfics que han de ser coneguts i normalitzats.
Els símbols que s’utilitzen en la representació gràfica d’instal·lacions elèctriques es realitzen segons la norma UNE-EN-60617.
Simbologia
Per representar en esquemes els diferents elements reals en una instal·lació s’utilitzen símbols normalitzats. D’aquesta manera es simplifica la representació i interpretació.
A la secció “Annexos” trobareu un manual de l’electricista molt útil, gràcies a PLCMadrid, amb la simbologia més important per a l’instal·lador elèctric.
La simbologia té per objectiu la representació senzilla i esquemàtica de qualsevol element de fabricació normalitzada.
El fet de treballar amb símbols fa que realitzar esquemes sigui simple i ràpid. La grandària dels símbols no és proporcional a la grandària de l’element real; els símbols tenen tots una grandària més o menys igual, proporcional a l’esquema on es col·loquen.
La simbologia està normalitzada segons la norma UNE-EN-60617. Aquesta norma es divideix en apartats en funció dels tipus de símbols. En la taula es descriuen cadascun d’aquests apartats.
| Apartat | Descripció |
|---|---|
| UNE-EN 60617-2 | Elements de símbols, símbols distintius i altres símbols d’aplicació general |
| UNE-EN 60617-3 | Conductors i dispositius de connexió |
| UNE-EN 60617-4 | Components passius bàsics |
| UNE-EN 60617-5 | Semiconductors i tubs electrònics |
| UNE-EN 60617-6 | Producció, transformació i conversió de l’energia elèctrica |
| UNE-EN 60617-7 | Dispositius de control i protecció |
| UNE-EN 60617-8 | Instruments de mesura, làmpades i dispositius de senyalització |
| UNE-EN 60617-9 | Telecomunicacions: commutació i equips perifèrics |
| UNE-EN 60617-10 | Telecomunicacions: transmissió |
| UNE-EN 60617-11 | Esquemes i plànols d’instal·lació, arquitectònics i topogràfics |
| UNE-EN 60617-12 | Operadors lògics binaris |
| UNE-EN 60617-12 | Operadors analògics |
Els símbols sovint es troben dins d’una malla de 2,5 mm. Aquesta malla de disseny de fons permet determinar les proporcions del símbol. A més dels símbols generals (taula), hi ha altres símbols molt utilitzats, com poden ser els símbols de receptors i càrregues com són les làmpades i fluorescents (taula), els símbols de connexions com són les preses de corrent i les regletes de connexions (taula), els símbols d’elements de comandament com són els interruptors i els commutadors (taula), els símbols d’elements de protecció com són els fusibles i els interruptors automàtics diferencial i magnetotèrmic (taula), o altres símbols com són els transformadors i motors (taula).
| Símbol | Significat |
|---|---|
| Corrent continu |
| Corrent altern |
| Efecte tèrmic |
| Efecte inductiu |
| Pila, acumulador, bateries de piles o acumuladors |
| Terra |
| Massa |
| Equipotencialitat |
| Conductor |
| Conductors en representació unifilar. Forma 1 |
| Conductors en representació unifilar. Forma 2 |
| + | Polaritat positiva |
| - | Polaritat negativa |
| Símbol | Significat |
|---|---|
| Làmpada. Símbol general i multifilar |
| Làmpada. Símbol unifilar |
| Tub fluorescent. Símbol multifilar |
| Equip fluorescent. Símbol unifilar |
| Encebador |
| Timbre |
| Resistència |
| Resistència variable |
| Condensador |
| Condensador polaritzat |
| Bobina. Reactància |
| Bobina amb nucli magnètic |
| Bobina amb entreferro al nucli magnètic |
| Símbol | Significat |
|---|---|
| Presa de corrent. Símbol multifilar |
| Presa de corrent. Símbol unifilar |
| Connexió elèctrica |
| Derivació. Punt de bifurcació equipotencial. Forma 1 |
| Derivació. Punt de bifurcació equipotencial. Forma 2 |
| Unió doble de conductors. Punt de doble bifurcació equipotencial. Forma 1 |
| Unió doble de conductors. Punt de doble bifurcació equipotencial. Forma 1 |
| Born de connexió |
| Regleta de connexió |
| Connector femella |
| Connector mascle |
| Símbol | Significat |
|---|---|
| Contacte normalment obert. Símbol multifilar |
| Contacte normalment tancat. Símbol multifilar |
| Interruptor normalment obert. Símbol multifilar |
| Interruptor. Símbol unifilar |
| Contacte commutat. Símbol multifilar |
| Commutador. Símbol multifilar |
| Commutador. Símbol unifilar |
| Commutador d’encreuament. Símbol multifilar |
| Commutador d’encreuament. Símbol unifilar |
| Polsador normalment obert. Símbol multifilar |
| Polsador. Símbol unifilar |
| Interruptor doble. Símbol multifilar |
| Interruptor doble. Símbol unifilar |
| Automàtic d’escala. Símbol multifilar |
| Automàtic d’escala. Símbol unifilar |
| Teleruptor. Símbol multifilar |
| Teleruptor. Símbol unifilar |
| Símbol | Significat |
|---|---|
| Fusible |
| Fusible interruptor |
| Interruptor automàtic magnetotèrmic F+N. Símbol multifilar |
| Interruptor automàtic magnetotèrmic bipolar. Símbol multifilar |
| Interruptor automàtic magnetotèrmic trifàsic. Símbol multifilar |
| Interruptor automàtic magnetotèrmic. Símbol unifilar |
| Interruptor automàtic diferencial bipolar. Símbol multifilar |
| Interruptor automàtic diferencial. Símbol unifilar |
| Símbol | Significat |
|---|---|
| Transformador. Forma 1 |
| Transformador. Forma 2 |
| Transformador trifàsic estrella-triangle. Forma 1 |
| Transformador trifàsic estrella-triangle. Forma 2 |
| Escalfador d’aigua |
| Ventilador |
| Motor de corrent continu |
| Motor pas a pas |
| Motor de col·lector sèrie monofàsic |
| Motor sèrie trifàsic |
| Motor síncron monofàsic |
| Motor d’inducció trifàsic |
| Motor d’inducció trifàsic amb rotor bobinat |
| Motor d’inducció trifàsic amb estator en estrella |
Esquemes de circuits elèctrics. El plànol elèctric
Un esquema és una representació de tipus gràfic en la qual es mostren com es connecten entre si els elements que formen part del circuit. Els esquemes poden ser:
- Funcionals.
- Multifilars.
- Unifilars.
Esquema funcional
L’esquema funcional té per finalitat comprendre el principi de funcionament del circuit que es representa.
L’esquema funcional representa tots els elements de la instal·lació amb totes les connexions. S’ha de realitzar de manera senzilla i esquemàtica per a una fàcil comprensió del funcionament del circuit.
A tall d’exemple, en la figura es mostra l’esquema funcional d’un punt de llum amb interruptor. Qualsevol de les dues representacions és correcta. Les dues línies L1 i N representen la fase i el neutre. Es pot observar com un circuit comença a la fase i acaba al neutre. Entre la fase i el neutre hi ha els mecanismes com l’interruptor i les càrregues com la làmpada.
Hem de tenir en compte que les càrregues sempre aniran connectades entre fase i neutre, mentre que els mecanismes d’interrupció del corrent elèctric (interruptors, commutadors, etc.) hauran d’estar connectats tallant la fase.
Esquema multifilar, circuital o de circuit
L’esquema multifilar descriu com es realitzen les connexions dels elements i el nombre de conductors que formen part del circuit.
En l’esquema multifilar es representen tots els elements i conductors amb les connexions i la situació semblant a la dels elements reals. Cada conductor es representa amb una sola línia i cada connexió es correspon amb la realitat.
Com observem en la figura, on hi ha representat l’esquema multifilar d’un punt de llum amb interruptor, hi ha la caixa de derivació amb la regleta de connexions a l’interior. Els conductors són agrupats i s’ha d’indicar el nombre de conductors amb línies perpendiculars i transversals, juntament amb el nombre de conductors agrupats. Cada mecanisme com l’interruptor s’ha de representar dins d’una única caixa.
Esquema unifilar
L’esquema unifilar simplifica els esquemes funcionals i multifilar i redueix el nombre de conductors i els símbols dels elements utilitzats.
El cablatge es representa amb una sola línia amb unes línies transversals, que indiquen el nombre de conductors que hi ha agrupats, generalment amb un tub de protecció.
En un esquema unifilar els símbols utilitzats estan normalitzats sense contactes.
Si el nombre de cables és igual o inferior a tres, s’indica amb unes línies transversals. Si el nombre de cables és superior a tres, s’indica amb una línia transversal amb una xifra numèrica, que indica el nombre de cables.
La figura és un esquema unifilar d’un punt de llum amb interruptor on hi ha dos cables per a la làmpada, dos d’entrada al circuit (230 V) i dos per al mecanisme interruptor.
Plànol elèctric
El plànol elèctric és una representació dels circuits, normalment en planta, on hi ha d’haver un caixetí normalitzat amb la informació necessària per interpretar el dibuix, com l’escala, el nom del plànol, de l’instal·lador, la ubicació de l’edifici, etc. En vista en planta s’utilitza la representació de l’esquema amb simbologia unifilar i permet situar els elements i les canalitzacions indicant el número de conductor amb línies transversals. A vegades la vista en planta només s’utilitza per situar en l’espai els mecanismes i els receptors fent una unió entre aquests amb línia, normalment, discontínua.
Com a exemple, la figura és el plànol de la instal·lació elèctrica d’un habitatge on s’observa l’ús de la simbologia unifilar però només mostra la distribució i la relació entre els mecanismes, els punts de llum i les preses de corrent.
La figura mostra una vista en planta d’una part d’un habitatge on s’observa l’esquema unifilar amb el nombre de conductors amb les línies transversals. En concret, es tracta d’una instal·lació de dos punts de llum en paral·lel amb interruptor i brunzidor activat amb polsador.
Altres variants de plànols elèctrics són l’alçat i la perspectiva isomètrica, cavallera o amb un punt de fuga. Gràcies a la vista en perspectiva de l’habitació o l’habitatge l’instal·lador elèctric també pot traçar les canalitzacions amb tubs o canals indicant les mides dels tubs requerits per trams i respectant les alçades i distàncies que marca el reglament (vegeu la figura).
La figura mostra una instal·lació de tubs amb perspectiva isomètrica, o sigui, amb eixos xyz a 120 graus.
Circuits bàsics
Els circuits bàsics són una sèrie d’esquemes elèctrics amb els diferents elements que es poden trobar en un habitatge, local comercial, industrial o qualsevol altre amb finalitats anàlogues.
A partir dels circuits bàsics es poden fer variants i combinacions per fer circuits més complexos.
El circuit més senzill és un interruptor amb una làmpada o una base d’endoll. Si calen més làmpades s’ha de fer en paral·lel. Una altra possibilitat també és controlar el llum des de dos o tres llocs diferents; aleshores és necessari utilitzar commutadors en comptes d’un interruptor. Altres tipus de circuits bàsics són el polsador amb timbre i l’ús de fluorescents.
Els conductors de la instal·lació han d’estar fàcilment identificats, especialment pel que fa als conductors neutre i de protecció. Aquesta identificació s’ha de fer pels colors que presentin els seus aïllaments. Quan hi hagi un conductor neutre a la instal·lació s’ha d’identificar pel color blau clar. El conductor de protecció s’ha d’identificar pel doble color verd-i-groc. Tots els conductors de fase o, si escau, aquells per als qual no es prevegi el seu pas posterior a neutre, s’han d’identificar pels color marró o negre. Quan es consideri necessari identificar tres fases diferents, es pot utilitzar el color gris.
A la taula podeu veure el codi de colors que hem de respectar en els circuits que formen les instal·lacions (ITC-BT-26).
| Conductor | Color |
|---|---|
| Neutre | Blau |
| Protecció | Verd-i-groc |
| Fase | Marró, Negre o Gris |
Instal·lació d'un punt de llum amb interruptor
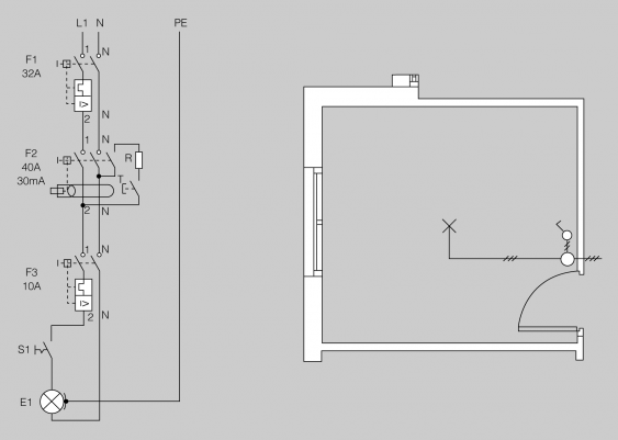
El control d’una làmpada des d’un únic punt es fa mitjançant un interruptor. Quan l’interruptor és obert no hi ha circulació de corrent i la làmpada no s’encén. Quan es tanca l’interruptor hi ha circulació de corrent i la làmpada s’encén (vegeu figura).
Segons la ITC-BT-26 s’han d’instal·lar conductors de protecció per acompanyar els conductors actius en tots els circuits de l’habitatge fins als punts d’utilització. En la figura trobareu un exemple de com s’instal·laria un punt de llum amb conductor de protecció juntament amb la fase i el neutre. En aquesta imatge hi ha dos tipus d’esquema: un esquema multifilar, en què es veu perfectament el cable de protecció PE (verd i groc) i podem comprovar que la làmpada té connexió directa, i un altre esquema unifilar, en què podem veure que hi ha tres fils que retornen des de la làmpada (fase, neutre i cable de protecció).
A tots els receptors hem de fer arribar la fase (negra, marró o grisa), el neutre (blau) i el cable de protecció (verd i groc), independentment que la làmpada o el receptor tingui parts metàl·liques o no. La instal·lació s’ha de fer amb els tres conductors, ja que mai no sabrem si l’usuari canviarà el receptor per un que tingui parts metàl·liques, i per tant, el conductor de protecció ha d’estar disponible per connectar-lo a les masses.
A la figura es poden observar dos tipus de magnetotèrmics de tall omnipolar que trobareu al mercat, però amb una diferència molt important. Si us fixeu en la simbologia veureu que en el model bipolar el circuit de detecció està duplicat, i per tant és indiferent on connecteu el neutre. En el model unipolar el neutre no tindrà circuit de detecció magnètic i tèrmic i s’obrirà arrossegat per la detecció a la fase un instant després. Si connectem el neutre on no correspon, en obrir-se aquest abans que la fase, es produirà una sobretensió permanent per tall del neutre, amb un perill per als equips o les persones a causa d’aquesta sobretensió.
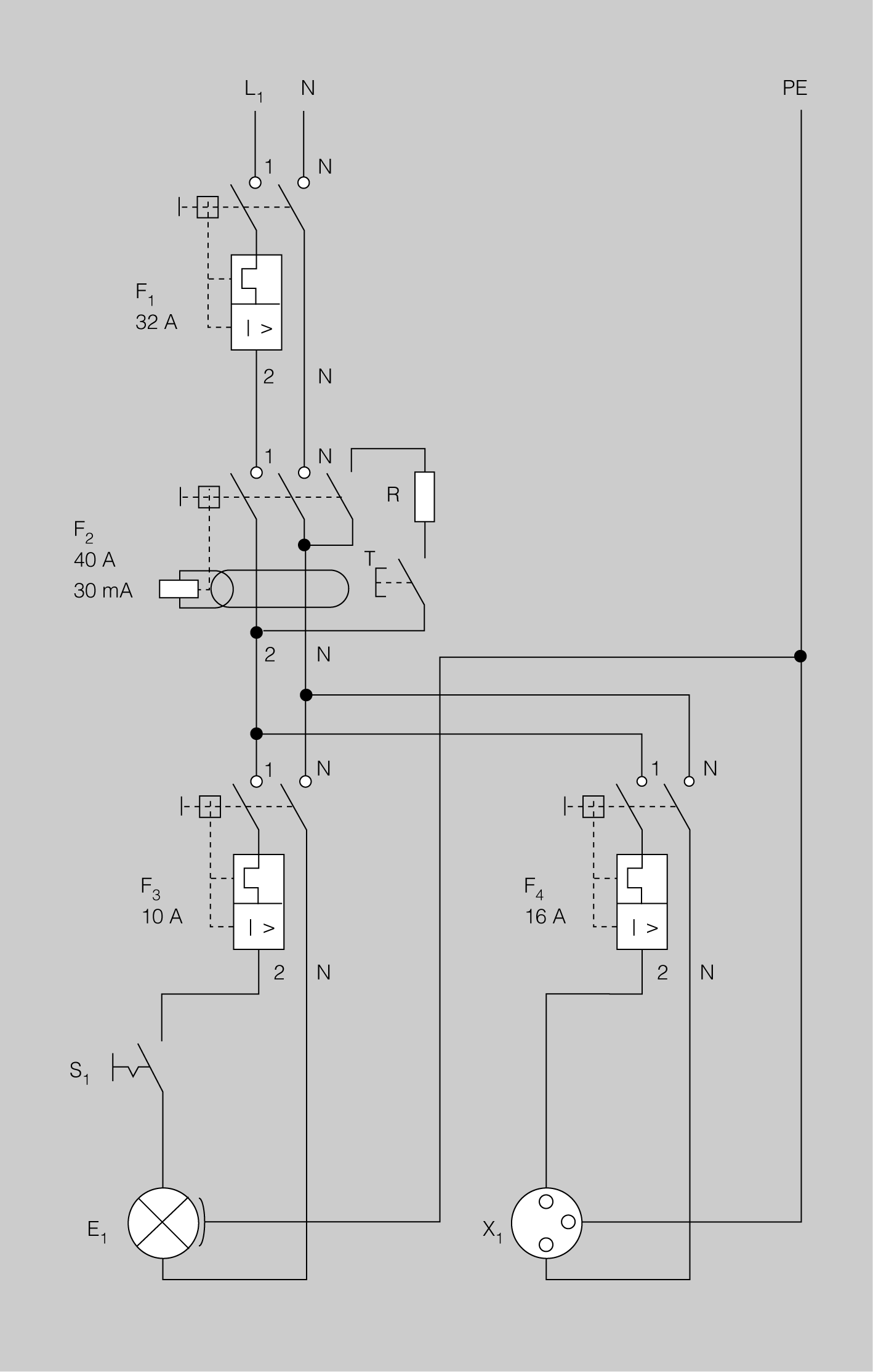
Instal·lació d'un punt de llum amb interruptor i amb base d'endoll
La instal·lació d’una base d’endoll es fa sempre en paral·lel entre la línia de fase i neutre.
A l’apartat “Elements de protecció en habitatges” trobareu informació referent a proteccions contra sobretensions permanents, i també l’explicació detallada del funcionament d’un magnetotèrmic i d’un diferencial.
La figura és l’esquema funcional d’un punt de llum amb interruptor i base d’endoll. La base d’endoll és en paral·lel. Hi ha una nova línia anomenada TT o PE, que és la presa de terra.
-

- Bases bipolars 1016 A i de 25A per a cuina
L’esquema de la figura serveix com a circuit bàsic però mai es trobarà en una instal·lació real, ja que la normativa especifica que la instal·lació elèctrica per als llums ha de ser un circuit diferent de la instal·lació elèctrica per a les preses de corrent (base d’endoll).
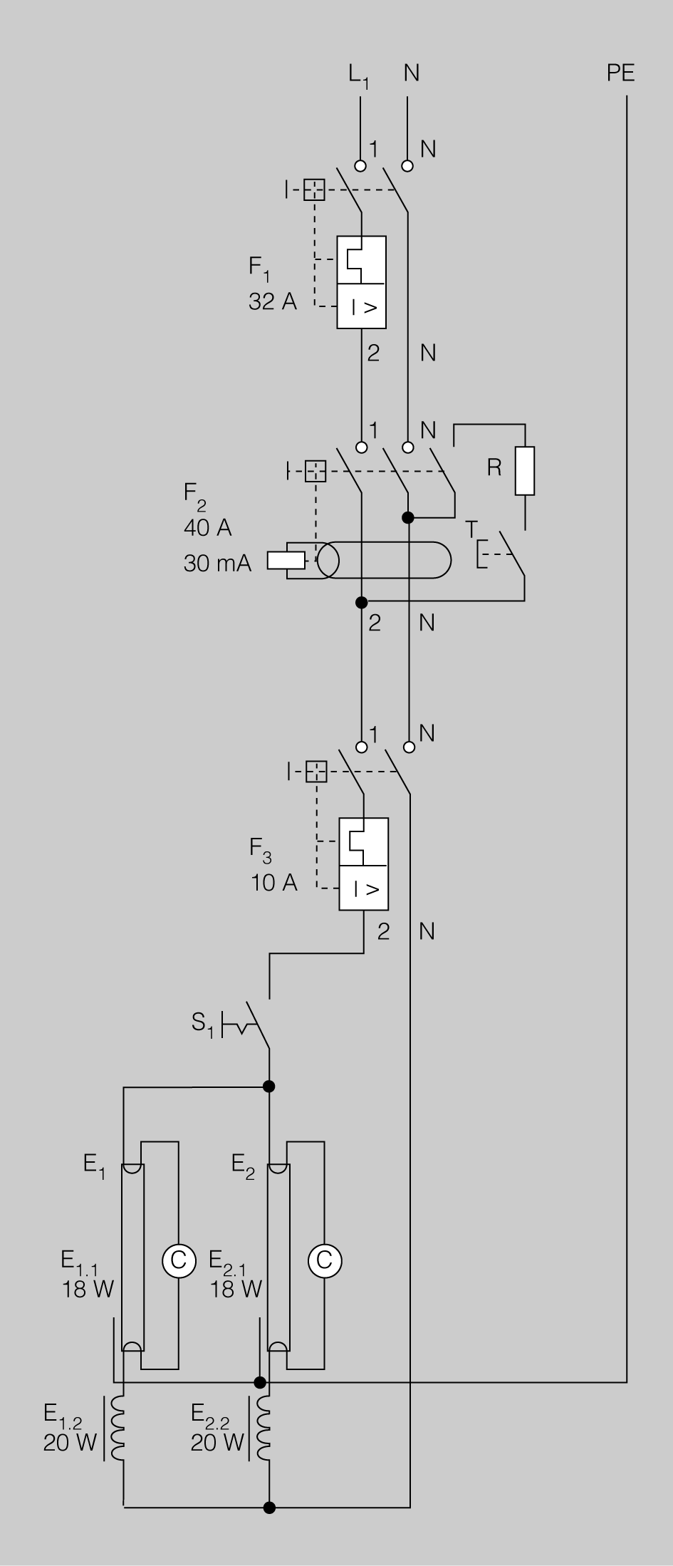
Instal·lació de dos llums en paral·lel
-

- Diferents models de làmpades
La connexió de les làmpades es fa en paral·lel, és a dir, comparteixen les mateixes connexions a l’interruptor, per una banda, i al neutre, per l’altra. En la figura es mostra l’esquema funcional de dos llums en paral·lel amb un interruptor.
Com a exemple podem observar a la figura l’esquema multifilar de dos fluorescents en paral·lel, circuit àmpliament utilitzat a les cuines de les cases
A les adreces d’interès trobareu enllaços a webs amb esquemes elèctrics interessants.
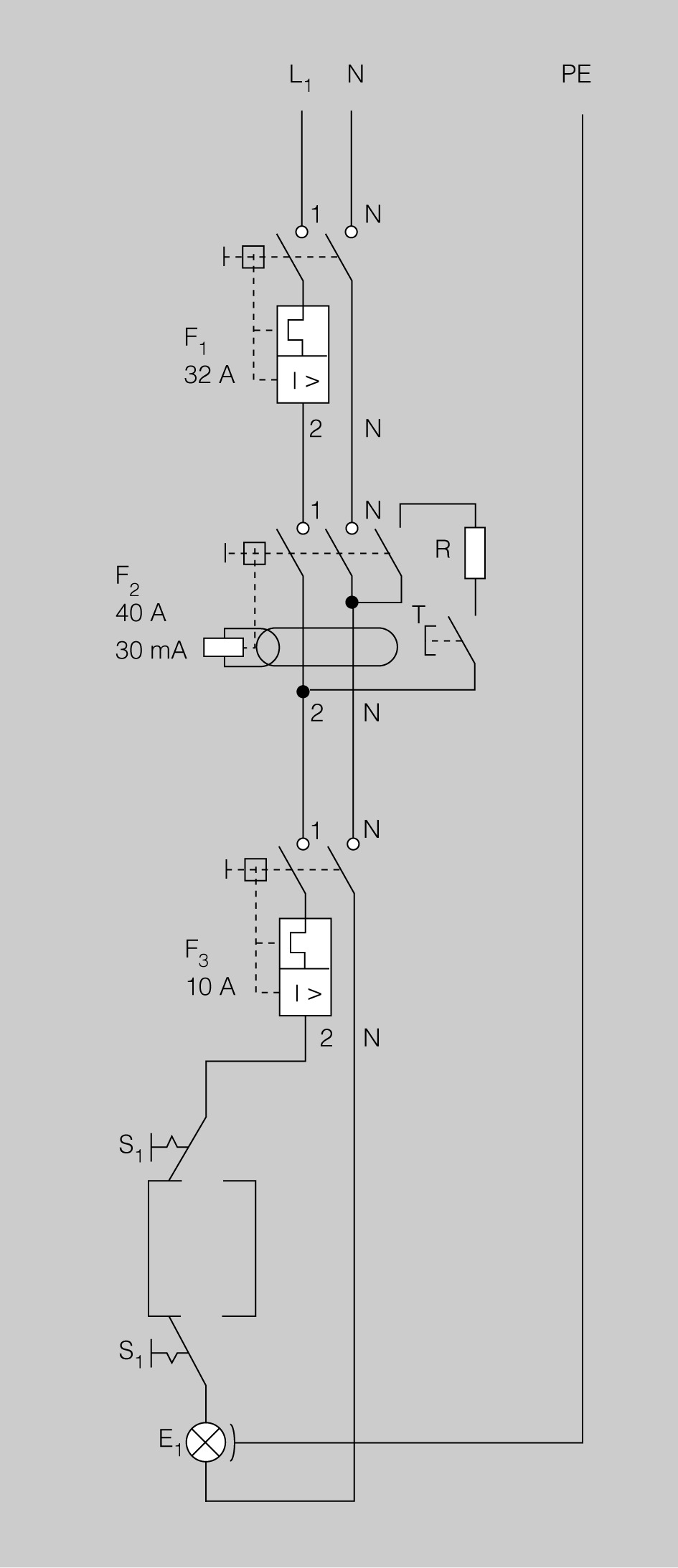
Instal·lació d'un punt de llum amb dos commutats
El commutador és un element que permet seleccionar una de les dues connexions que té el commutador. La connexió commutada permet encendre una làmpada des d’un commutador i apagar des de l’altre commutador, a l’inrevés i des del commutador des d’on s’ha encès. En la figura es mostra l’esquema funcional d’una làmpada controlada des de dos commutadors.
El funcionament del commutador simple consisteix en el següent: quan un dels dos commutadors canvia de posició, la làmpada s’encén, en cas que estigui apagada, o s’apaga, en cas que estigui encesa. En canviar qualsevol dels dos commutadors tornarà a funcionar.
Els commutadors són molt útils en passadissos o estances amb més d’una porta i en habitacions. Així, per exemple, un commutador en una habitació pot fer que un llum s’encengui des de la porta d’accés i s’apagui des del llit (vegeu la figura).
Instal·lació d'un punt de llum amb tres commutats
Quan en una sala hi ha més de dos punts de llum que s’encenen i s’apaguen des d’ubicacions diferents, en el moment de la instal·lació ha estat necessari instal·lar més de dos commutadors. En aquests casos s’han d’intercalar entre els commutadors simples els commutadors d’encreuament, que són commutadors que porten quatre terminals, dues d’entrada i dues de sortida. En la figura es mostra l’esquema funcional d’una làmpada controlada des de tres commutadors, que correspon a l’esquema de la figura.
Una alternativa al commutador
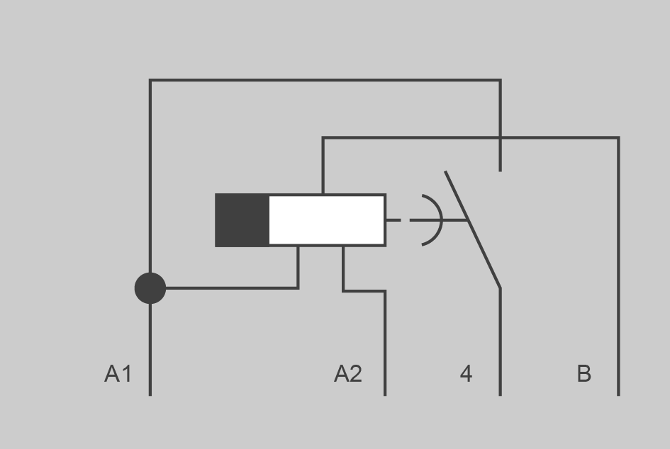
El teleruptor és un interruptor electromagnètic governat amb un o més polsadors. Consta d’un electroimant que, en rebre un impuls del polsador, fa que els contactes canviïn de posició (obert per exemple) i així continua fins a rebre un altre impuls (tancat per exemple).
La instal·lació amb tres commutadors és típica de passadissos llargs, on hi ha 3 o més punts de control de llum al final, al principi i al mig del passadís.
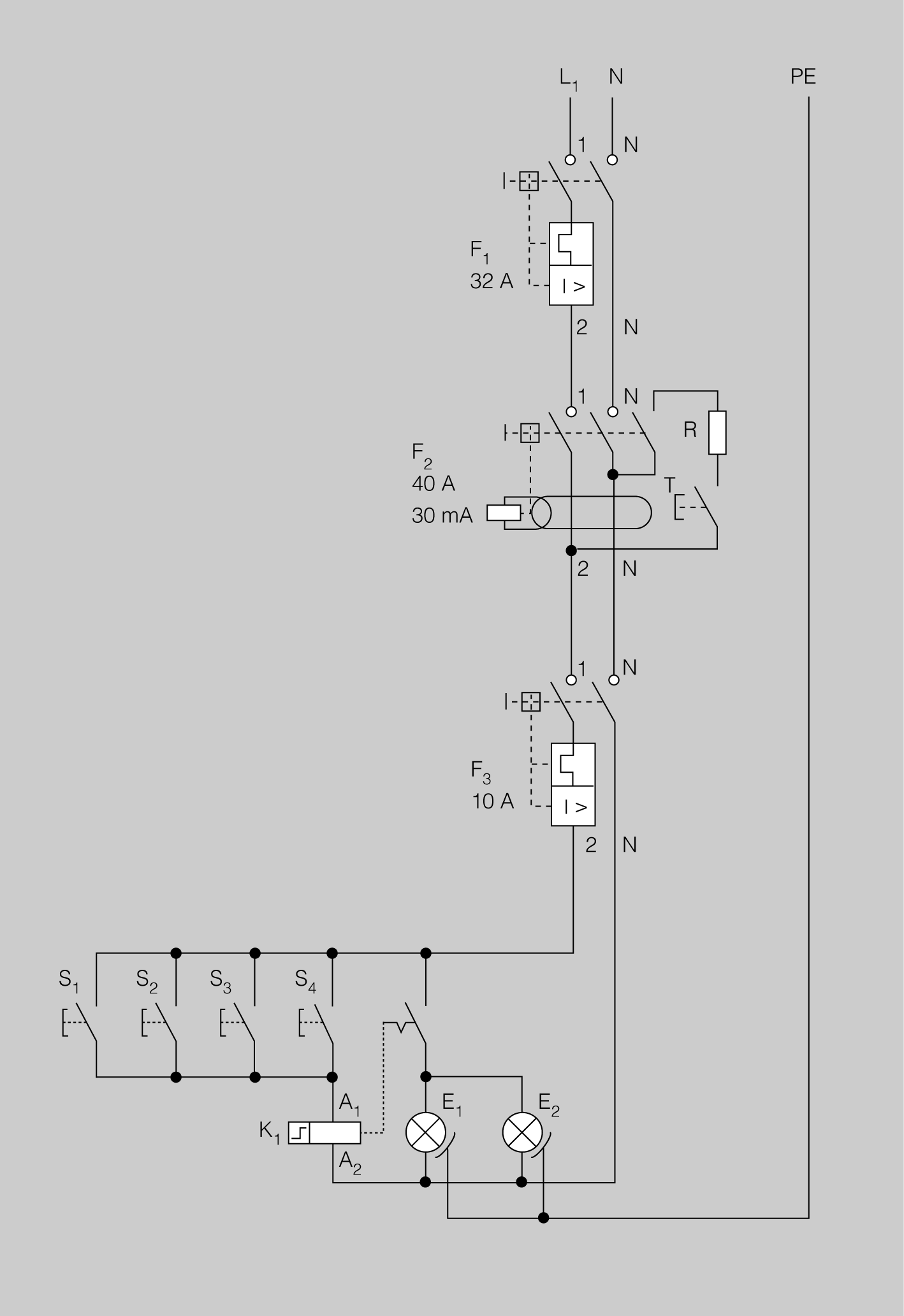
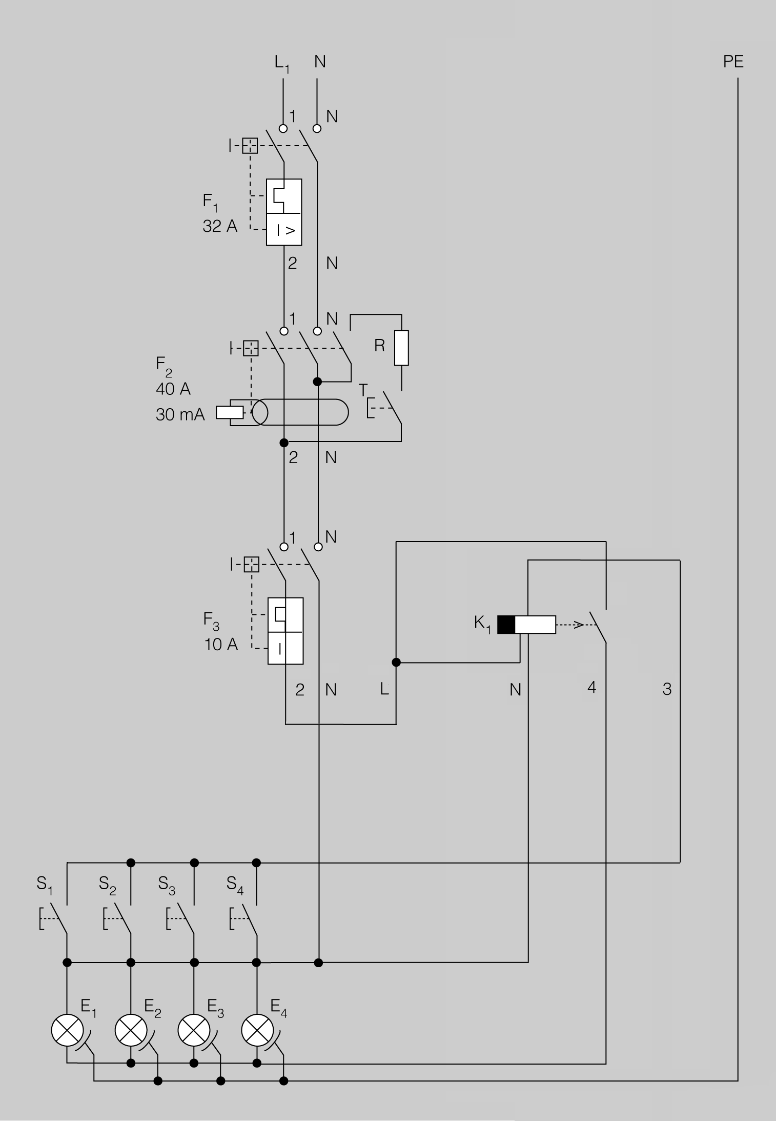
Dos punts de llum des de quatre punts d'actuació amb teleruptor
Hi ha espais que, per les seves característiques, necessiten un nombre elevat de punts des dels quals és necessari donar servei d’il·luminació.
Si es vol augmentar el nombre de commutadors hauran de ser d’encreuament i cal ficar-los entre els commutats simples. Aquesta solució és més cara que la solució amb polsadors i teleruptor.
Per no fer ús de dos commutadors i la resta de posicions amb encreuaments existeix el teleruptor, que és un mecanisme elèctric que permet la connexió-desconnexió d’un circuit elèctric des de tots els punts que sigui necessari, utilitzant per a això un nombre molt reduït de cables, ja que l’accionament es fa mitjançant polsadors. Una configuració com la de dos punts de llum des de quatre punts d’actuació amb teleruptor la podeu veure en la figura.
Instal·lació d'un timbre amb polsador
Com és el cas dels timbres, hi ha circuits que no han d’activar o desactivar permanentment una càrrega (figura). El polsador permet activar un timbre o làmpada i després torna a un estat de repòs desactivat.
El teleruptor es pot instal·lar dintre d’una caixa de derivació o bé al quadre de comandament i control.
-

- Diferents tipus de timbres
Encara que la majoria dels circuits acostumen a ser un punt d’actuació sobre un receptor o un grup de receptors en paral·lel, generalment lumínics, hi ha certes situacions en què la solució passa per obtenir la configuració contrària. És a dir, seran un grup d’actuadors en paral·lel els que hauran d’activar un únic receptor com pot ser un senyal acústic. El circuit de la figura ens mostra un brunzidor que es pot activar des de tres punts diferents.
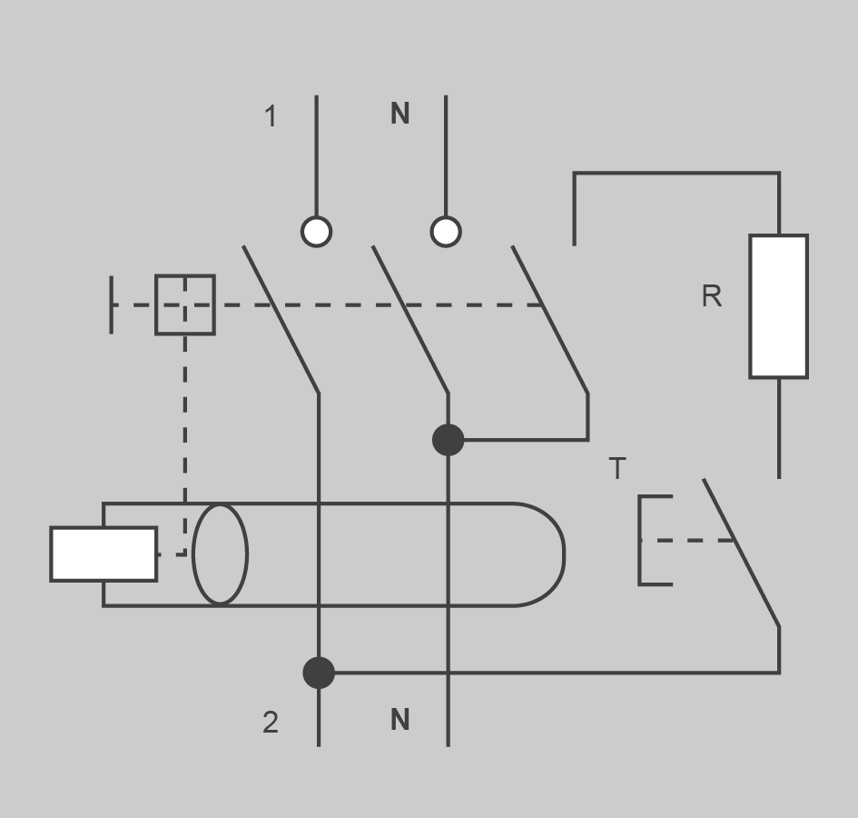
Instal·lació d'un fluorescent amb interruptor
Una alternativa a les làmpades incandescents són els fluorescents, que tenen un elevat rendiment lluminós però que són més cars i tenen una instal·lació més complexa.
Els elements d’un equip fluorescent són:
-

- Elements d&
- El tub fluorescent. És una font de descàrrega elèctrica en una atmosfera de vapor de mercuri a baixa pressió. La llum es genera per fluorescència.
- El balast o reactància. Quan la tensió de la xarxa és diferent de la tensió d’encebament, s’utilitza un balast o reactància amb autotransformador.
- L’encebador. Consta de dos elèctrodes separats que es dobleguen i s’uneixen per acció de la calor. Aquest dos elèctrodes es troben a dins d’una ampolla amb gas neó a baixa pressió.
- El condensador. Permet corregir el factor de potència, ja que normalment el factor de potència d’un equip fluorescent sense condensador és d’aproximadament cos = 0,5.
En la figura es mostra l’exemple d’un equip amb fluorescent (sense el condensador) amb la reactància, l’encebador i el tub fluorescent.
Quan es tanca l’interruptor entre els extrems dels elèctrodes de l’encebador, queda aplicada la tensió que produeix una descàrrega a través del gas neó. Aquest escalfa els elèctrodes i provoca una curvatura que uneix els elèctrodes; i quan els elèctrodes s’uneixen, el corrent circula pels elèctrodes del tub fluorescent.
Funcions de la reactància
Una altra funció del balast o reactància és regular el corrent. L’augment de la ionització del gas es tradueix en la disminució de la resistència i per tant augmenta el corrent. Aquest augment del corrent fa augmentar també la ionització i així successivament, la qual cosa provocaria la destrucció del tub fluorescent si no fos per la regulació del balast o reactància.
El corrent pels elèctrodes del tub fluorescent provoca la incandescència i l’emissió d’electrons. Quan es produeix l’emissió d’electrons, els elèctrodes de l’encebador es refreden, se separen i obren el circuit. En aquest moment el balast o reactància produeix un pic de tensió que provoca la ionització del gas del tub fluorescent.
Al tub fluorescent hi ha elèctrodes que realitzen la funció d’ànode i càtode alternativament, és a dir, elèctrodes a través dels quals no passa el corrent; i gràcies a ells, amb el gas ionitzat dins del tub es genera un corrent altern. Els electrons que es dirigeixen de càtode a ànode xoquen amb els àtoms de mercuri que hi ha a l’interior del tub fluorescent, i es produeix energia en forma de radiació ultraviolada, radiació lumínica no visible.
Quan aquesta radiació incideix sobre la substància fluorescent que hi ha a l’interior del tub, es transforma en radiació lumínica visible.
A l’apartat “Potència elèctrica” d’aquesta unitat trobareu el significat de la potència reactiva i el factor de potència d’una instal·lació.
A la figura podeu observar els diferents tipus d’encebadors que es troben al mercat. Els single s’utilitzaran per a un únic fluorescent, i els series quan la lluminària incorpori dos fluorescents en sèrie. A més, haureu de tenir en compte les dades tècniques de potència i el rang de tensions de funcionament de l’encebador.
La reactància del fluorescent produeix energia reactiva que provoca una disminució del factor de potència. Per corregir el factor de potència a la lluminària mateixa es col·loca un condensador en paral·lel o sèrie al fluorescent, segons l’esquema que proporciona el fabricant de la reactància. A la figura teniu un exemple en què el condensador ha de ser de valor 3,7 μF.
Automàtic d'escala
El circuit automàtic d’escala què es pot veure en la figura és una configuració destinada a donar servei d’il·luminació a un espai on la connexió es farà mitjançant l’acció voluntària del sol·licitant i la desconnexió es farà de manera automàtica, la qual es produirà transcorregut un cert temps. Aquest temps de retard des de l’activació del circuit fins a la seva desconnexió s’ha de calcular com el temps màxim que es necessita per fer el recorregut més llarg, i tenint present sempre la possibilitat que el recorregut l’hagin de fer persones de mobilitat reduïda. Per dur a terme la temporització d’aquests tipus de circuits, hi ha al mercat una gran diversitat de mecanismes elèctrics, especialment destinats a fer aquesta tasca, i que reben el nom d’automàtics d’escala.
Com succeeix en la gran majoria dels problemes que se’ns planteja resoldre, mai no hi ha una solució única. De totes les possibilitats que hi ha, la que proposem aquí com a exemple d’aquest tipus de circuits rep el nom d’automàtic d’escala a tres fils, ja que el nombre de cables que s’han de portar als polsadors i làmpades són tres, com el seu nom indica.
És interessant remarcar què ateses les característiques d’ús d’aquests tipus de circuit, no hi ha una solució única. Aquesta solució dependrà del tipus de necessitats i de la gran varietat d’espais on es requereixen.
A tall d’exemple, podríem citar la possibilitats de fer un automàtic d’escala per plantes, en què el circuit proposat aniria en cadascuna de les plantes i anirien tant circuits com plantes tingués l’edifici més el vestíbul. Encara que complica el circuit i augmenta el cost, en edificis molt grans, amb moltes plantes i molts recorreguts, pot ser un gran estalvi d’energia elèctrica.
Mesures als circuits elèctrics bàsics
A les instal·lacions elèctriques és necessari realitzar mesures per comprovar que funcionin correctament. En el cas que hi hagi anomalies, les mesures permeten certificar la causa mitjançant la comparació amb el que s’hauria d’obtenir en cas que funcionés correctament.
Les mesures a les instal·lacions elèctriques es realitzen amb eines que, a més, han de protegir d’accidents l’instal·lador.
Eines homologades
Les eines elèctriques han d’estar homologades. L’homologació s’obté després de superar tota una sèrie de proves mecàniques i de seguretat. Una eina homologada porta inscrita les característiques de l’homologació.
Les eines i els instruments de mesura han de ser segurs, però l’instal·lador n’ha de realitzar el manteniment bàsic i un ús correcte.
Mesurar és assignar un nombre a una propietat física mitjançant una comparació amb una altra de similar presa com a patró.
Les mesures elèctriques es fan segons unes magnituds elèctriques i unes relacions entre aquestes magnituds, conegudes com a llei d’Ohm, potència o energia.
A les instal·lacions elèctriques és necessari mesurar algunes magnituds del circuit elèctric com són la intensitat de corrent, la tensió, la resistència, la potència o l’energia elèctrica.
Les unitats que s’utilitzen per fer les mesures a vegades són molt grans o molt petites i per expressar-les s’utilitzen prefixos amb múltiples i sub-múltiples per tal de simplificar-ne la comunicació. En la taula s’exposen els principals prefixos que s’utilitzen en electricitat i electrònica
Exemples d'unitats amb prefixos i els seus símbols
0,2 V = 200·10-3 V = 200 mV 0,000005 A = 5·10-6 A = 5 µA 132.000 V = 132·103 V = 132 kV
| Prefix | Símbol | Factor |
|---|---|---|
| Tera | T | 1012 |
| Giga | G | 109 |
| Mega | M | 106 |
| quilo | k | 103 |
| mil·li | m | 10-3 |
| micro | µ | 10-6 |
| nano | n | 10-9 |
| pico | p | 10-12 |
| femto | f | 10-15 |
Magnituds elèctriques
Una magnitud física és una propietat que es pot mesurar i que s’expressa amb un nombre i amb una unitat de mesura.
El sistema internacional d'unitats
El sistema internacional d’unitats es basa en dos tipus de magnituds físiques, les fonamentals com longitud, temps, massa, intensitat de corrent elèctric o temperatura, i les derivades, que són combinacions de les fonamentals.
Les magnituds elèctriques són un tipus de magnitud física i les més importants són la força electromotriu, la diferència de potencial o tensió, la intensitat de corrent i la resistència.
Força electromotriu i tensió elèctrica
La força electromotriu (fem) és la causa que provoca una diferència de potencial (ddp) entre dos punts d’un circuit elèctric. La diferència de potencial també es coneix com a tensió o voltatge.
La unitat de la tensió (V) és el volt (V) i es mesura amb el voltímetre; així, per exemple, V = 12 V.
Intensitat de corrent elèctric
La intensitat de corrent (I) és la càrrega elèctrica (Q) que travessa un conductor per unitat de temps (t).
L’expressió que relaciona la càrrega elèctrica amb el temps és la següent; i les unitats de mesura de cada símbol és la que es mostra en la taula:
Càrrega elèctrica
La càrrega elèctrica (Q) fa referència a la càrrega dels electrons. Com que la càrrega d’un electró és un valor molt petit s’utilitza el coulomb (C). 1 C = 6,25·1018 e-
| Símbol | Concepte | Unitat de mesura |
|---|---|---|
| I | Intensitat de corrent elèctric | amperes (A) |
| Q | Càrrega elèctrica | coulombs (C) |
| t | Temps | segons (s) |
La unitat de la intensitat de corrent elèctric es mesura amb l’amperímetre. Un exemple d’intensitat de corrent seria I = 3 A.
Resistència
La resistència és l’oposició que troba el corrent elèctric en travessar un material.
Origen de la resistència
L’oposició que troba el corrent elèctric és deguda a la força d’atracció que fan els nuclis atòmics del material sobre els electrons que recorren el material.
La resistència es representa amb la lletra R i la seva unitat és l’Ohm, que es representa amb la lletra grega omega (Ω). Per exemple, R = 120 Ω. La resistència es mesura amb l’òhmmetre. Segons quina sigui la magnitud d’aquesta oposició, els materials es classifiquen en conductors, aïllants i semiconductors.
Cada material té una resistència característica que es coneix per resistivitat. Es representa amb la lletra grega rho (ρ) i és la resistència d’un material d’1 mm2 de secció i 1 m de longitud. La resistivitat es mesura en Ω·mm2/m. Per exemple: ρ (Coure)= 0,0172 Ω·mm2/m. En la taula es mostren la resistivitat d’alguns materials.
La superconductivitat
En alguns materials, en determinades condicions de temperatura molt baixes, apareix la superconductivitat, en la qual el valor de la resistència és pràcticament nul.
| Material | Resistivitat (Ω·mm2/m) |
|---|---|
| Coure | 0,0172 |
| Plata | 0,016 |
| Alumini | 0,028 |
| Estany | 0,13 |
| Mercuri | 0,95 |
| Ferro | 0,12 |
La resistència d’un material és la que es mostra continuació i les unitats de mesura per a cada un dels conceptes, les que es mostren en la taula.
| Símbol | Concepte | Unitat de mesura |
|---|---|---|
| R | Resistència del material | ohm (Ω) |
| ρ | Resistivitat del material | ohms mil·límetres quadrats/metre (Ω·mm2/m) |
| l | Longitud del material | metres (m) |
| S | Secció | mil·límetres quadrats (mm2) |
Exemple de com trobar una resistència
Trobeu la resistència d’un conductor de coure de 20 m de longitud i d’1,5 mm2 de secció. Dada: ρ(Coure) = 0,0172 Ω·mm2/m.
Solució:
Llei d'Ohm
La llei d’Ohm relaciona les tres magnituds elèctriques de manera que en un circuit elèctric la intensitat de corrent és directament proporcional a la tensió aplicada entre els seus extrems i inversament proporcional a la resistència del circuit.
L’expressió de la llei d’Ohm és la següent:
Les unitats de mesura per a cada un dels conceptes són les que es mostren en la taula.
Llei d'Ohm
El físic i matemàtic Georg Simon Ohm (1789-1854), mentre experimentava amb materials conductors, va arribar a determinar que la relació entre voltatge i corrent era constant i va anomenar aquesta constant resistència. Aquesta llei va ser formulada el 1827, en l’obra Die galvanische Kette, mathematisch bearbeitet(‘Treballs matemàtics sobre els circuits elèctrics’).
| Símbol | Concepte | Unitat de mesura |
|---|---|---|
| I | Intensitat de corrent elèctric | amperes (A) |
| Q | Resistència del material | ohms (Ω) |
| V | Tensió | volts (V) |
De la llei d’Ohm es poden obtenir el valor de la tensió o de la resistència:
Exemples de càlculs aplicant la llei d'Ohm
1) Trobeu la intensitat de corrent d’un circuit si hi ha una tensió de 24 V i la resistència total del circuit és de 120 Ω.
Solució:
2) Trobeu la diferència de potencial d'un circuit amb una resistència de 680 Ω, per assegurar un corrent de 500 mA.
Solució:
3) Trobeu la resistència elèctrica d’un circuit connectat a una tensió de 12 V amb un corrent de 120 µA.
Solució:
Energia elèctrica
Energia és la capacitat de realitzar un treball; o el que és el mateix, el treball provoca una variació d’energia.
L’energia elèctrica que proporciona un generador al circuit elèctric depèn de la càrrega que circula i del potencial elèctric (tensió). L’energia elèctrica es defineix amb la fórmula que es presenta a continuació:
Breu història de l'energia
El físic anglès James Prescott Joule (1818-1889) és conegut sobretot per la seva investigació en electricitat i termodinàmica. Joule va estudiar la naturalesa de la calor, i va descobrir la seva relació amb el treball mecànic. Aquesta és la teoria de la conservació de l’energia (primera llei de la termodinàmica). La unitat internacional d’energia i treball, el joule, va ser batejada en honor seu. També va trobar la relació entre el corrent elèctric que travessa una resistència i la calor dissipada (llei de Joule).
Les unitats de mesura per a cada un dels conceptes són les que es mostren en la taula.
| Símbol | Concepte | Unitat de mesura |
|---|---|---|
| E | Energia elèctrica | Joules (J) |
| Q | Càrrega elèctrica | Coulombs (C) |
| V | Tensió | Volts (V) |
Potència elèctrica
La potència és la quantitat de treball o energia efectuat per unitat de temps, és a dir, és la velocitat a la qual es consumeix energia.
L’expressió de la potència és la següent:
Les unitats de mesura per a cada un dels conceptes són les que es mostren en la taula.
| Símbol | Concepte | Unitat de mesura |
|---|---|---|
| P | Potència | Watts (W) |
| E | Energia o treball | Joules (J) |
| t | Temps | Segons (s) |
L’energia elèctrica és el producte de la càrrega i la tensió, i el corrent elèctric és el quocient entre la càrrega i el temps. Per tant:
Les unitats de mesura per a cada un dels conceptes són les que es mostren en la taula.
| Símbol | Concepte | Unitat de mesura |
|---|---|---|
| P | Potència | Watts (W) |
| V | Tensió | Volts (V) |
| I | Intensitat de corrent | Amperes (A) |
La potència elèctrica es pot expressar com el producte de la tensió i el corrent elèctric.
Substituint la tensió o el corrent (llei d’Ohm), es poden obtenir altres expressions de la potència elèctrica:
Exemple de càlculs amb la potència elèctrica
Trobeu la potència que consumeix una resistència d’1 KΩ quan circula un corrent de 150 mA.
L’energia elèctrica es pot expressar en funció de la potència elèctrica:
Les unitats de mesura per a cada un dels conceptes són les que es mostren en la taula.
| Símbol | Concepte | Unitat de mesura |
|---|---|---|
| E | Energia o treball | Joules (J) o Quilowatts hora (kWh) |
| t | temps | Segons (s), Hores (h) |
| P | Potència | Watts (W) |
Per mesurar l’energia elèctrica a les instal·lacions elèctriques s’utilitza el comptador d’energia i es pot implementar amb un wattímetre (mesurador de potència activa) i un cronòmetre (mesurador de temps).
Exemple de càlcul d'energia elèctrica
Trobeu l’energia que consumeix durant un mes una làmpada de 100 W que funciona 4 hores diàries.
Solució:
Tipus de potència
-

- Longitud d&
En la mesura de potència s’ha de distingir entre potència amb corrent continu i corrent altern.
- Amb corrent continu els receptors són resistències pures i l’expressió
determina la potència en watts (W). - Amb corrent altern (com ja sabeu, a Espanya s’utilitza un corrent tipus sinusoïdal de freqüència 50 Hz) els receptors introdueixen efectes capacitatius i inductius, cosa que es tradueix en un desfasament entre la tensió i el corrent. Aquest desfasament es mesura pel factor de potència o cosinus de l’angle entre tensió i corrent. En aquest cas la potència dependrà del factor de potència de la instal·lació.
Desfasament entre dues ones
El desfasament entre dues ones és la diferència entre les seves dues fases. La diferència de fases es mesura en un mateix instant per a les dues ones. El desfasament es mesura com un angle (radians o graus), en temps (segons) o en distància (metres). Aquest desfasament dependrà del tipus de receptor inductiu (bobinatges del motors) o capacitiu (condensadors).
Aquest desfasament entre tensió i corrent fa que hi hagi tres tipus de potències en alterna:
1) Potència activa (P): és la potència que produeix un treball útil. O sigui, part de l’energia elèctrica es transforma en un altre tipus d’energia útil (calorífica, mecànica, etc.). És deguda als efectes resistius. Es mesura en watts (W).
2) Potència reactiva (Q): aquesta potència no produeix un treball útil. Aquesta energia no es converteix en cap energia útil sinó que fluctúa per la xarxa elèctrica escalfant els cables. Es deguda als efectes capacitatius i inductius dels receptors. Sobretot a les bobines que tenen els motors de les màquines o electrodomèstics i làmpades de descàrrega. Aquest escalfament indesitjat fa que s’hagin de sobredimensionar les seccions dels cables i augmentar costos, cosa que no interessa a les companyies les quals limiten el factor de potència a aproximadament 0,9 com a mínim. L’usuari si produeix molta reactiva a la seva instal·lació es pot veure obligat a reduir-la instal·lant condensadors individuals a cada equip, com el cas del condensador dels fluorescents, o bé, instal·lar una bateria de condensadors centralitzada connectada en paral·lel al començament de la instal·lació de l’usuari. Per tant, els condensadors generen una reactiva oposada a la reactiva de les bobines i d’aquesta manera es millora el factor de potència apropant-lo a la unitat. Es mesura en voltamperes reactius (VAr).
3) Potència aparent (S): és la suma vectorial de les potències activa i reactiva. Es mesura en voltamperes (VA).
Associació de resistències
Les resistències es poden associar o connectar en sèrie, en paral·lel o una combinació mixta.
Connexió en sèrie
Una connexió en sèrie entre diverses resistències permet que el corrent que circula per totes les resistències sigui el mateix.
Resistències en sèrie iguals
En el cas de tenir n resistències d’igual valor en sèrie la resistència equivalent és:
Rt= n·R
En la figura hi ha un circuit amb tres resistències en sèrie. La resistència total equivalent és la suma de les tres resistències:
El corrent I és el mateix a totes les resistències:
La tensió a cada resistència segons la llei d’Ohm és:
La tensió total, és a dir, la tensió Vg, és la suma de les tensions de cada resistència:
Exemple de cálcul amb resistències en sèrie
Tinguem en compte el circuit de resistències en sèrie de la figura i calculem el següent:
- La resistència total equivalent.
- El corrent total I.
- Els corrents a cada resistència I1, I2 i I3.
- La tensió a cada resistència V1, V2 i V3.
Solució
Podem fer-ho de la següent manera:
1) La resistència total equivalent és la suma de les tres resistències:
2) El corrent total I segons la llei d’Ohm:
3) Els corrents a cada resistència:
ja que les resistències estan en sèrie.
4) La tensió a cada resistència segons la llei d’Ohm és:
Es pot comprovar com la suma de les tensions parcials de cada resistència dóna Vg:
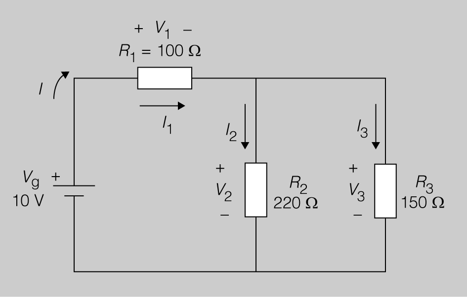
Dues resistències en paral·lel
La resistència equivalent per a dues resistències en paral·lel es pot expressar de la següent manera:
Connexió en paral·lel
Una connexió en paral·lel entre diverses resistències permet que la tensió caiguda a les resistències sigui la mateixa.
Resistències iguals en paral·lel
En el cas de tenir n resistències d’igual valor en paral·lel, la resistència equivalent és:
Rt = R/n
Prenem com a referència la figura, on hi ha un circuit amb tres resistències en paral·lel.
En aquest cas la resistència total equivalent és:
La tensió Vg és la mateixa a totes les resistències i igual a la tensió V1, V2 i V3.
El corrent a cada resistència segons la llei d’Ohm és:
El corrent total I és la suma dels tres corrents que circulen per cada resistència:
Exemple de càlcul amb resistències en paral·lel
Prenem com a referència el circuit amb resistències en paral·lel de la figura i calculem:
- La resistència total equivalent.
- La tensió a cada resistència.
- Els corrents a cada resistència I1,I2 i I3.
- El corrent total I.
Solució Podem fer-ho de la següent manera:
1) La resistència total equivalent és:
2) La tensió Vg és la mateixa a totes les resistències i igual a la tensió de 10 V.
3) El corrent a cada resistència segons la llei d’Ohm és:
4) El corrent total I es pot calcular de dues maneres:
- Càlcul del corrent I a partir de la llei d’Ohm:
- Càlcul del corrent I a partir de la suma dels tres corrents que circulen per cada resistència:
Combinació mixta
Un circuit amb combinació mixta està format per associacions de resistències connectades en sèrie i en paral·lel.
El càlcul de les magnituds elèctriques d’un circuit amb combinació mixta suposa fer associacions elementals en sèrie o paral·lel.
Exemple de càlcul amb circuits mixtos
Al circuit amb resistències amb combinació mixta de la figura volem trobar:
- La resistència total equivalent Rt.
- El corrent total I.
Solució
S’haurà de fer de la següent manera:
1) La resistència total equivalent es calcula fent primer l’associació en paral·lel entre R2 i R3, de la qual s’obté una resistència equivalent R23:
El nou circuit equivalent a l’associació feta es mostra en la figura.
A continuació es pot fer una nova associació, aquest cop en sèrie, entre R1 i R23:
2) El corrent total I es pot calcular amb la llei d’Ohm:
Realitzar mesures elèctriques
Les mesures elèctriques es poden realitzar amb l’instrument específic per a la magnitud que s’ha de mesurar, cosa que es coneix com el mètode directe.
Un exemple de mesura mitjançant el mètode directe és mesurar la tensió amb un voltímetre.
Les mesures elèctriques també es poden realitzar a partir d’altres mesures i calcular la magnitud objectiu i es coneix com el mètode indirecte.
Un exemple de mesura mitjançant el mètode indirecte és calcular la resistència mitjançant un voltímetre, que obté la tensió entre els extrems, i un amperímetre, que obté el corrent que circula i després aplicar la llei d’Ohm per calcular la resistència.
Mesura de tensió
La mesura de tensió es realitza amb el voltímetre. Amb el voltímetre s’han de tenir les consideracions següents:
- El voltímetre es col·loca en paral·lel amb la resistència o amb els punts del circuit que s’han de mesurar. En la figura es mostra com mesurar la tensió a una resistència en corrent continu.
- El circuit ha d’estar connectat a la font d’alimentació o la xarxa elèctrica.
- La lectura més propera al fons d’escala dóna la major precisió.
- En un multímetre digital normalment el terminal negre (-) del multímetre es col·loca en COM i el terminal vermell (+) en V.
Mesura de tensió en circuits trifàsics
La mesura de tensió en sistemes trifàsics s’ha de fer de les diferents línies entre elles i entre les línies i la línia del neutre. Si es vol visualitzar la tensió en un quadre elèctric per a un sistema trifàsic (tres línies més neutre) significaria posar 6 voltímetres, però normalment s’utilitza un únic voltímetre amb commutador que permet seleccionar la mesura.
L’instrument indica sempre el valor real, ja que l’escala està ajustada al valor d’entrada del transformador.
Amb l’objectiu que el voltímetre no modifiqui el funcionament del circuit, aquest ha de tenir una resistència molt elevada, de manera que el corrent que circuli pel voltímetre sigui menyspreable en comparació amb els cor- rents del mateix node del circuit.
Mesura de corrent
La mesura de corrent es realitza amb l’amperímetre. Amb l’amperímetre s’han de tenir les consideracions següents:
- L’amperímetre es col·loca en sèrie amb la resistència o amb els punts del circuit que s’ha de mesurar. En la figura es mostra com mesurar el corrent que circula per una resistència en corrent continu.
- El circuit ha d’estar connectat a la font d’alimentació o la xarxa elèctrica.
- La lectura més propera al fons d’escala dóna la major precisió.
- En un multímetre digital normalment el terminal negre (-) del multímetre es col·loca en COM i el terminal vermell (+) en mA per a corrents petits o en A per a corrents elevats.
Amb l’objectiu que l’amperímetre no modifiqui el funcionament del circuit, l’amperímetre ha de tenir una resistència molt petita, de manera que la tensió caiguda a l’amperímetre sigui menyspreable en comparació amb les tensions de la mateixa malla del circuit.
-

- Mesura de tensió amb polímetre.
Si s’han de fer mesures de tensió i corrent simultàniament, el voltímetre s’ha de situar per davant de l’amperímetre perquè aquest mesuri el corrent consumit pel circuit i no el corrent que consumeix el voltímetre.
Mesura de resistència
La mesura de la resistència es realitza amb l’òhmmetre. Amb l’òhmmetres’han de fer les consideracions següents:
- La resistència que s’ha de mesurar ha d’estar desconnectada de qualsevol tensió.
- La lectura més propera al fons d’escala dóna la major precisió.
- L’òhmmetre es col·loca en els extrems dels terminals. En la figura es mostra com mesurar dues resistències en sèrie.
- En un multímetre digital normalment el terminal negre (-) del multímetre es col·loca en COM i el terminal vermell (+) V.
En la figura i figura es mostra com es mesuren dues resistències en sèrie i en paral·lel respectivament.
L’òhmmetre està format internament per una font d’alimentació i una resistència que varia en canviar l’escala.
L’òhmmetre s’utilitza també per comprovar curtcircuits i circuits oberts. Si la resistència mesurada és de 0 a l’escala més petita és que hi ha curtcircuit entre els dos punts mesurats. Si la resistència mesurada surt d’escala a l’escala més gran (resistència infinita o molt gran), és que hi ha circuit obert entre els dos punts mesurats.
El multímetre
La mesura de la tensió, el corrent, la resistència i altres funcionalitats electròniques es poden realitzar amb el multímetre o polímetre.
Un multímetre o polímetre és un instrument de mesura portàtil que pot mesurar la tensió, el corrent i la resistència.
La selecció dels diferents instruments es realitza amb un selector i canviant les pinces de lloc.
El selector normalment és rotatiu i permet canviar també d’escala i del tipus de mesura contínua o alterna.
Pinça amperimètrica
La pinça amperimètrica és un instrument de mesura portàtil que pot fer mesures de corrent sense col·locar l’instrument en sèrie i, per tant, no és necessari interrompre el corrent elèctric.
Circuits trifàsics
La pinça amperimètrica es pot utilitzar també per mesurar desequilibris en circuits trifàsics introduint les tres línies dins de la pinça amperimètrica. Si l’instrument indica un valor de corrent diferent de zero, el circuit està en desequilibri.
També hi ha pinces amperimètriques que mesuren la tensió i la resistència.
La pinça amperimètrica és molt útil per realitzar mesures ràpides i segures. En la figura se’n mostra una.
La pinça amperimètrica basa el funcionament en el camp magnètic que crea el corrent en circular per un conductor. La pinça amperimètrica disposa d’una pinça abatible formada per un nucli magnètic en forma de toroide (anell) amb una bobina. Quan el corrent que circula pel conductor és variable, la bobina genera una força electromotriu i apareix un corrent induït que serà la mesura.
Circuits monofàsics
En circuits monofàsics es pot comprovar si hi ha fugues a terra, si s’introdueixen la fase i el neutre i la lectura dóna diferent de zero.
També hi ha pinces amperimètriques que mesuren corrents continus.
Mesura de potència
Tant la mesura de potència en circuits de corrent continu com la mesura de potència activa en circuits de corrent altern es realitza amb el wattímetre. Un wattímetre està format per un voltímetre i un amperímetre i, per tant, la connexió es realitza amb tres fils.
La mesura de potència reactiva en circuits de corrent altern es realitza amb el varímetre. La connexió del varímetre també es realitza a tres fils.
Mesura del desfasament
El desfasament entre la tensió i el corrent en circuits amb corrent altern es realitza amb el fasímetre.
Normalment el fasímetre no mesura l’angle de desfasament φ, sinó el factor de potència (cosφ).
Mesura de freqüència
La freqüència és el nombre de vegades que es repeteix un cicle cada segon. Es mesura en hertzs (Hz) o cicles per segon.
L’instrument que mesura la freqüència és el freqüencímetre. Es connecta en paral·lel.
Mesura d'energia
L’energia elèctrica consumida per una càrrega és la potència que va demanant la càrrega durant un temps.
L’instrument que mesura l’energia és el comptador d’energia. Està format per un wattímetre i un comptador de temps (cronòmetre). En la figura es mostren comptadors d’energia.
El comptador d’energia és l’utilitzat per la companyia subministradora d’energia per computar el consum d’energia i facturar-lo.
Mesures de resistències d'aïllament
Els aïllants han de mantenir una resistència molt elevada al pas del corrent elèctric per seguretat.
Per comprovar que un aïllant s’ajusta a la normativa, s’ha d’utilitzar un mesurador de resistència d’aïllament o mesurador Megger.
Aïllants i conductors
Idealment els conductors són materials que no ofereixen cap resistència al corrent elèctric i els aïllants són materials que impedeixen el corrent elèctric. Realment els conductors tenen una resistència petita i els aïllants condueixen molt poc. Però en condicions de tensions elevades, els aïllants es converteixen en conductors.
El mesurador de resistència d’aïllament aplica unes tensions i mesura els corrents, de manera que obté el valor de la resistència de l’aïllant.
El mesurador de rigidesa dielèctrica determina la tensió amb la qual l’aïllant es converteix en conductor; és a dir, perfora l’aïllant.
Mesura de la resistència de terra
La connexió de les instal·lacions a terra és un sistema de seguretat que permet que els corrents de defecte es derivin cap a un conductor enterrat al terra.
Per aconseguir que tot el corrent de defecte es derivi cap al terra és necessari que la resistència a terra sigui mínima. La ITC-BT-18 del REBT indica les condicions de les preses de terra.
L’instrument que mesura la resistència de terra és el tel·luròmetre.
Instal·lacions comunes en habitatges i edificis (serveis comuns)
Les instal·lacions comunes d’un edifici es refereixen als circuits elèctrics que alimenten l’enllumenat de l’edifici, la derivació per l’ascensor, o altres serveis de zones comunes de l’edifici. Aquestes instal·lacions comunes requereixen d’una derivació individual pròpia amb un comptador d’energia i un quadre amb els magnetotèrmics de protecció i ubicats normalment a la sala de comptadors.
La instal·lació d’enllaç és aquella que uneixen la caixa general de protecció amb les instal·lacions interiors o receptores de l’usuari.
Les parts que constitueixen les instal·lacions d’enllaç són:
- La caixa general de protecció (CGP).
- La línia general d’alimentació (LGA).
- Els elements per a la ubicació de comptadors (CC).
- La derivació individual (DI).
- La caixa per a l’interruptor de control de potència (ICP).
- Els dispositius generals de comandament i protecció (DGCP o DGMP).
La connexió de servei és la part de la instal·lació de la xarxa de distribució que alimenta la caixa o caixes generals de protecció.
A la ITC-BT-12 es parla dels diferents esquemes d’enllaç que podem trobar-nos a un edifici de vivendes i les seves parts:
- Un sol usuari o habitatge: En aquest cas no hi ha serveis comuns ni linia general d’alimentació o LGA.
- Més d’un usuari o habitatge:
- Esquema per col·locació de dos comptadors per a dos habitatges a un mateix lloc.
- Esquema per a una única centralització de comptadors a un edifici.
- Esquema quan hi ha diverses centralitzacions de comptadors a un edifici.
La caixa general de protecció (CGP) és la caixa que allotja els elements de protecció de les línies generals d’alimentació.
La línia general d’alimentació (LGA) és aquella que enllaça la CGP amb la centralització de comptadors.
La derivació individual (DI) és la part de la instal·lació que, partint de l’LGA, subministra electricitat a l’usuari final.
El comptador mesura el consum d’energia elèctrica d’un usuari d’un habitatge o bé dels serveis comuns de l’edifici.
Els dispositius generals de comandament i protecció (DGCP) s’han de situar tan a prop com sigui possible del punt d’entrada de la derivació individual al local o habitatge. L’interruptor de control de potència (ICP) és un dispositiu per controlar que la potència realment demanada pel consumidor no excedeixi la contractada. Els DGCP han de tenir, com a mínim, un interruptor general automàtic (IGA), un interruptor diferencial (ID) general, els dispositius de tall omnipolar i el dispositiu de protecció contra sobretensions.













































